Riley Hopkins 250 Multi Station Printing Press

Product Information
The product is a multi-station press that includes a main press core assembly, 16×16 MDF platens with neck, print station assembly with gate, and a hardware kit. The Riley 250 print station mounting hardware kit is included, as well as the Riley 250 bump stop hardware. The product also comes with mounting hardware and a clamping head assembly.
Product Usage Instructions
Tools Required:
- Phillips screwdriver
- Two 9/16 wrenches
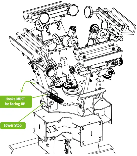
Step 1
Install the spring assemblies with the hooks facing upward. Lower the print head assemblies until they rest on the lower stop bolt. Repeat this step for the remaining print head assemblies. Hooks must be facing up.
Step 2
Install the upper stop bolts and rubber sleeves. Two 9/16 wrenches are required for this step. Do not overtighten the bolts. This will cause resistance in the print head hinge point. Repeat this step for the remaining print head assemblies.
Step 3
Mount the press base to a sturdy table top with supplied mounting screws. A Phillips screwdriver is required for this step.
Step 4
Install the print stations with supplied hardware. Ensure the number on the print station matches the number on the center rotary. Failure to do so will shift the platens out of alignment. Do not fully tighten at this time. They must be snug but loose enough to adjust with bumps of the hand.
Step 5
Install the 3/16 Roll Pins.
Step 6
Install the platen assembly onto the tubular arm of the press. When the platen is in the desired location, first lock down the side knob. Lastly, tighten down the lower locking knobs. The platen can be adjusted front-to-back to help position the image onto the desired location of the substrate.
Multi-station Press Overview
The Riley 250 multi-stations are 12″ from the bottom of the mounting feet to the top of the platens. A table height of approximately 23″ is recommended to achieve the common overall platen height of 35″ from the ground.
Tools Required
- Two 9/16” wrenches
- One Philips screwdriver
- One Hammer
What’s in the box
| Tag | ITEM | Qty. |
| 1 | MAIN PRESS CORE ASSEMBLY | 1 PER UNIT |
| 2 | 16” X 16” MDF PLATENS WITH NECK | 1 PER STATION |
| 3 | PRINT STATION ASSEMBLY WITH GATE | 1 PER STATION |
| 4 | HARDWARE KIT | 1 PER UNIT |

PRCO-RH250SKIT (1 kit per print station)
RILEY 250 PRINT STATION MOUNTING HARDWARE KIT
| Tag | NAME/ID | DESCRIPTION | Qty. |
| 1 | PRHD-HC5/16NC1GR5ZC | 5/16-18 X 1 HEX TAP BOLT | 4 |
| 2 | PRHD-WA5/16USSGR5ZC | 5/16 USS FLAT WASHER ZINC | 4 |
| 3 | PRHD-WA1/4USSGR5ZC | 1/4 USS FLAT WASHER ZINC | 4 |
| 4 | PRHD-NYN5/16NCGR5ZC | 5/16-18 NYLOC NUT ZINC | 4 |
| 5 | PRHD-RP3/16X1ZC | 3/16 X 1 ROLL PIN ZINC | 2 |

PRCO-RH250STOPHDWPK
RILEY 250 BUMP STOP HARDWARE
| Tag | NAME/ID | DESCRIPTION | Qty. |
| 1 | PRSA-SPRINGKIT | MESH COVERED SPRING | 2 PER COLOR |
| 2 | PRCO-BMPRBLTCVRBLU | AIR HOSE FOR BUMP STOPS 2” LONG | 1 PER COLOR |
| 3 | PRHD-HC3/8NF3GR5ZC | 3/8-24 X 3” HEX CAP SCREW GRADE 5 ZINC | 1 PER COLOR |
| 4 | PRHD-LNYN3/8NFGR5ZC | 3/8-24 LOWPRO NYLOC NUT | 1 PER COLOR |
| 5 | PRHD-WA5/16USSGR5ZC | 5/16 USS FLAT WASHER ZINC | 2 PER COLOR |

Step 1
Install the spring assemblies with the hooks facing upward. Lower the Print head assemblies until they rest on the lower stop bolt. Repeat this step for the remaining print head assemblies.
NOTE: Refer to page 3 for hardware detail.

Step 2
Install the upper stop bolts and rubber sleeves. Two 9/16” wrenches are required for this step. DO NOT OVERTIGHTEN THE BOLTS. This will cause resistance in the print head hinge point. Repeat this step for the remaining print head assemblies.
NOTE: Refer to page 3 for hardware detail.
Step 3
Mount the press base to a sturdy table top (2) with supplied mounting screws (1). Press is shown mounted on a Riley Hopkins 2-station press cart (sold separately). A Phillips screwdriver is required for this step.
| Tag | NAME/ID | DESCRIPTION | Qty. |
| 1 | PRCO-JR41MTGHDWKIT | MOUNTING HARDWARE PACK PERFORATED BAG (QTY. 4 SCREWS) | 1 |
| 2 | PRAC-JR2STCRT | OPTIONAL 2 STATION PRESS CART (SOLD SEPERATELY) | 1 |

Step 4
Install the print stations with supplied hardware. Ensure the number on the print station matches the number on the center rotary. Failure to due so, will shift the platens out of alignment. Do not fully tighten at this time. They must be snug, but loose enough to adjust with bumps of the hand.
NOTE: Refer to page 2 for hardware detail.

Step 5
Install the 3/16” roll pins to locate the print station. Tap print station to align holes visually as close as you can. This is a factory setting that ensures your platens are aligned to each other. Tap them in approx. ½” with a hammer. After pins are seated, fully tighten the print station hardware.
NOTE: Refer to page 2 for hardware detail.

Step 6
Install the platen assembly (1) onto the tubular arm of the press. When platen is in desired location, first lock down the side knob (2). Lastly, tighten down the lower locking knobs (3). The platen can be adjusted front-to-back to help position the image onto the desired location of the substrate.

Multi-station Press Overview
Riley 250 multi-stations are 12” from the bottom of the mounting feet to the top of the platens. A table height of approx. 23” is recommended to achieve the common overall platen height of 35” from the ground. Press is shown mounted on a Riley 250 2 station press cart (Sold separately).
| Tag | NAME/ID | DESCRIPTION | Qty. |
| 1 | PRSA-RH250CLAMP | RILEY 250 PRESS CLAMPING HEAD ASSY. | 1 PER COLOR |
| 2 | PRSA-RH250PNTHED | RILEY 250 PRINT HEAD ASSEMBLY | 1 PER COLOR |
| 3 | PRHD-HC3/8NC1- 1/2NYBLK | 3/8”-16 X 1-1/2 NYLON BOLT BLACK | 2 PER STATION |
| 4 | PLWD-WIN16X16N | RILEY HOPKINS PRESS PLATEN ASSY. | 1 PER STATION |
| 5 | PRSA-JRDETBKT | RILEY 250 MULTI-STATION DETENT BRACKET | 1 PER UNIT |
| 6 | PRAC-JR2STCRT | OPTIONAL 2 STATION PRESS CART (SOLD SEPERATELY) | 1 PER UNIT |

PRSA-RH250PNTHD
RILEY HOPKINS 250 PRINT HEAD ASSEMBLY WITH MICRO
| Tag | NAME/ID | DESCRIPTION | QTY |
| 1 | PRCO-KNBRCHT3/8NCFM | 3/8 -16 INCH COURSE RATCHET HANDLES | 2 |
| 2 | PRCO-BRNZB3/8ID1/2LG | 3/8” X 1” SINTERED BRONZE BUSHING | 2 |
| 3 | MFPD-RH250SPGPLT | RH250 COLOR ARM SPRING PLATE | 1 |
| 4 | PRCO-RDED5/16RHML | 5/16”-24 RIGHT HAND MALE ROD END | 3 |
| 5 | PRHD-SCRWCVR5/16 | 5/16” RUBBER SCREW COVER | 2 |
| 6 | PRCO-KNBKN- L5/16NF2-3/4ML | 1-3/4” KNURLED KNOBS 5/16-24 X 2-3/4” STUD | 4 |
| 7 | PRCO-RDED5/16RHFMLS | 5/16”-24 RIGHT HAND TREAD FEMALE ROD END-LONG SHANK | 3 |
| 8 | PRHD-WINGNT5/16NF-SS | 5/18-24 WING NUT | 1 |
| 9 | PRCO-RDED5/16RHFM | 5/16”-24 RIGHT HAND FEMALE ROD END | 2 |
| 10 | PRSA-RH250CLAMP | RILEY 250 SCREEN CLAMP ASSEMBLY | 1 |
While we take pride in our quality and do our best to ensure your satisfaction, Riley Hopkins™/Ryonet® does not assume any liability for damages, whether consequential or incidental, that may result from the misuse of below stated specifications.
LIMITED WARRANTY
GENERAL PROVISIONS: The warranties described below apply ONLY to the original purchasers of new Riley Hopkins™ presses from Ryonet®, purchased on or after April 20, 2013. Under these warranties, Ryonet® will repair or replace, as Ryonet® elects, covered defective parts, materials, or workmanship without charge for parts or the reasonable cost of labor-related thereto. Ryonet® will use only new or re-manufactured parts or components furnished by Ryonet® or a Ryonet®-authorized third party.
WARRANTY DURATION: A lifetime warranty shall apply to covered Riley Hopkins™ presses, parts, components and materials as set forth below.
WHAT IS COVERED: This warranty covers all non-wearable parts, non-wearable components,and non-wearable materials of new Riley Hopkins™ presses. HOWEVER, the following items are excluded from the scope of this warranty: expendable parts (including but not limited to bearings, springs, nylon bolts, oilites and fasteners). FURTHER, Ryonet® does not warrant failure of parts or components resulting from misuse or lack of proper maintenance, or improper installation.
WHAT IS NOT COVERED: Installation, inspection, and routine maintenance costs are the sole responsibility of the purchaser; used equipment; any equipment modified or altered in any way not approved by Ryonet® in writing including, but not limited to, disassembling bearing components; routine maintenance and lubrication; consequences of negligence, misuse, accident, or improper application, installation, or storage of the press; consequences of any service performed by someone other than a Ryonet®-autho-rized provider.
SECURING WARRANTY SERVICE: Warranty service must be requested of the nearest Ryonet® location. At the time of requesting warranty service, the person or entity requesting warranty service must be prepared to present evidence that it was the original purchaser of the Riley Hopkins™ press(es).Written authorization must be obtained from Ryonet® before any part will be accepted. In order toreturn such defective part, contact Ryonet® to return such part freight prepaid. Replacement parts are sent out freight collect. Parts sent out prior to receiving defective part will be sent C.O.D., cost plus freight. Upon return of defective part, if it is deemed that the part was not damaged by customer but failed, the cost of the replacement part will be refunded.
NO REPRESENTATIONS OR IMPLIED WARRANTIES: WHERE PERMITTED BY LAW, RYONET® NOR ANY RYONET® AFFILIATE MAKES ANY GUARANTIES, WARRANTIES, CONDITIONS, REPRESENTA. TIONS, EXPRESS OR IMPLIED PROMISES, ORAL OR WRITTEN, AS TO THE NONOCCURENCE OF ANY DEFECT, THE QUALITY, OR PERFORMANCE OF RILEY HOPKINS™ PRESSES OTHER THAN THOSE SET FORTH HEREIN. FURTHER, RYONET® NOR ITS AFFILIATES DO NOT MAKE ANY IMPLIED WARRANTIES OR CONDITIONS OF MERCHANTABILITY OR FITNESS OTHERWISE PROVIDED BY THE UNIFORM COMMERCIAL CODE OR REQUIRED BY LAW TO THE FULLEST EXTENT PROVIDED BY LAW EXCEPT AS SET FORTH HEREIN. LIMITATION OF LIABILITY:
The remedies set forth in this warranty are the purchaser’s exclusive remedies in connection with the performance of, or any breach of any guaran- tee, condition, or warranty with respect to any new Riley Hopkins™ presses. In the event the above warranty fails to correct purchaser’s performance problems caused by defects in workmanship and/or materials, purchaser’s exclusive remedy shall be limited to payment for actual damages in an amount not to exceed the cost of the press.
IN NO EVENT SHALL RYONET OR ANY AFFILIATE OF RYONET® BE LIABLE FOR INCIDENTAL OR CONSEQUENTIAL DAMAGES FOR INJURIES TO THE FULLEST EXTENT PROVIDED BY LAW, INCLUDING BUT NOT LIMITED TO, LOSS OF PROFITS, LOSS OF MERCHANDISE, SUBSTITUTION, OR OTHER COMMERCIAL LOSS, FOR DAMAGE SUFFERED BY PURCHASER ARISING FROM A RILEY HOPKINST PRESS, UNLESS SUCH DAMAGES OR INJURIES ARE CAUSED BY THE GROSS NEGLIGENCE OR INTENTIONAL ACTS OF RYONET®. RYONET® FURTHER DISCLAIMS ALL LIABILITY FOR BODILY INJURIES TO THE FULLEST EXTENT PROVIDED BY LAW. NO SELLER’S WAR- RANTY:
No person or entity, other than Ryonet@, who sells the Riley Hopkins™M press has the authority to make any guarantee, representation, promise, or warranty with respect to any Riley Hopkins™ press unless the person or entity delivers to the purchaser a separate written guaranty certificate specifically guaranteeing the press, in which case Ryonet® shall have no obligation to the purchaser. Neither origi- nal Riley Hopkins™M manufacturers, distributors, or dealers, nor any other person or entity, has any authority to make any representation or promise on behalf of Ryonet® or to modify the terms or limita- tions of this warranty in any way.
ADDITIONAL INFORMATION
For additional information concerning the Riley Hopkins™/Ryonets Press Warranty, contact [email protected] or 1-800-314-6390


















