ADKINS Studio Auto Clam 406 Press Instruction Manual

Preface
Dear User
Welcome to the growing group of Studio Auto Clam 406 press users.
The product you have purchased has been carefully designed and manufactured to ensure that you, the user, will gain the maximum benefit.
All A. Adkins & Sons Limited products are specifically designed to ensure ease of use with particular attention to safety requirements. Should you discover any fault or damage upon receipt of this product, you should immediately contact your local supplier.
1. Introduction Studio Auto Clam 406
1.1 Specifications of the Studio Auto Clam 406
The Studio Auto Clam 406 is a manually operated heat press for transfer printing and material fusing but with an electro-magnetic opening system. It is ideal for medium volume production.
The work area is: 51 x 41 cm (20 in x 16 in)
Specifications
Power consumption 2.5 kW
Power supply 230 Volts AC
Working temperature 0 – 300oC (32 – 572°F)
Display Timer Range 0 – 166 min
Machine height open 92 cm (36 in)
Machine height closed 43.5 cm (17 in)
Machine width 42 cm (16.5 in)
Machine depth 79 cm (31 in)
Working area 42(W) x 92(H) x 79(D) cm
(16.5(W) x 36(H) x 31(D) in)
Gross weight 42 Kg (92.6 lbs.)
Net weight 38 Kg (83.7 lbs.)
Press pad dimensions 51 x 41 cm (20 in x 16 in)
Fuse 20 A
Auxiliary Fuse 2 A
1.2 Safety tips
- Our customer service department has its own service engineers and, if required, maintenance is available.
- The Studio Auto Clam 406 meets the European Legislation standards. Under normal conditions accidents are rare.
However listed below are some practical points to ensure yourn safety.
• The press will automatically open when the transfer cycle is complete. Make sure there is sufficient space around the machine for the heat plate to rise from the table, without interference. Only persons fully trained should operate this machine.
• Always switch off the current (and pull plug out of the socket) when undertaking maintenance work or when cleaning the machine.
• Ensure that there is sufficient space around the machine. Cables and connections must not get jammed. Although the heat radiation of the press is low, there should be enough space for cooling down.
• Avoid contact with the heat plate. - DO NOT REMOVE THE INSTRUMENT COVER UNLESS QUALIFIED TO DO SO – touching internal parts is dangerous and may cause shock hazard. All electrical connections inside covers are live. Never operate Press with any covers and/or guards removed.
- PROTECT THE MAINS CABLE – damage to the mains cable may cause fire or shock hazard. When unplugging, hold by the plug only and remove carefully. Take care that the mains cable does not come into contact with the heat plate (or moving parts of the mechanism) during operation of the machine.
- OPERATING AMBIENT TEMPERATURE RANGE – the operating ambient temperature range is 0oC – 35oC, (32oF -104oF) and humidity of 20 – 80%.
- MACHINE FUSE(S) – 20 Amps and 2 Amps
- WARNING – THIS APPARATUS MUST BE EARTHED (GROUNDED)
- CAUTION This machine gets hot whilst operating. Take care not to touch any surfaces that are labelled “Caution this plate is HOT”.
Safety tips (cont.)
- MACHINE OPERATION
Only persons trained to do so should operate this machine.
This is very important because the machine, when set, will open automatically after the transfer cycle is complete. There must be sufficient space for the heat plate to rise from the table without interference.
The machine is supplied with a Cycle Interrupt Button (located on the front of the Controller) that once pressed will raise the Heat Plate, reset the Controller to default settings and sound the buzzer as a warning.
2. Installation
2.1 Transport instructions
The Studio Auto Clam 406 comes to you either shrink-wrapped or in a box. If you have to transport the machine at any time it is recommended that you use a similar box and packing method. Please
let the machine cool down and lower the handle to the locked position first.
2.2 Installing the machine
2.2.1 Remove all packaging from the heat press.
2.2.2 Check to ensure that no damage has been caused to the machine during transit.
2.2.3 Place the machine on a sturdy horizontal surface that is within easy reach of the operator that will allow space for the handle to move up to the loading position. Ensure that no items vulnerable to heat radiation are too close to the machine.
2.2.4 Remove the transit screw that secures the handle in the down position. The screw is located in the centre of the plate, above the magnet.
2.3 Electrical requirements
The Studio Auto Clam 406 should be connected to the mains supply, (nominally 230VAC for the European Market) by the mains cable provided and a suitable plug.
The presses are designed for 230VAC 50/60 hertz and require exclusive use of a power outlet rated for at least 13 amps.
Ensure that the supply rating on the machine specification plate corresponds with your local supply and that the correct plug is fitted. MAINS LEAD
The wires in this mains lead are coloured in accordance with the following code:
Green and Yellow: EARTH
Blue: NEUTRAL
Brown: LIVE
Electrical requirements (cont.)
As the colours of the wires in the mains lead of this apparatus may not correspond with the coloured markings identifying the terminals in your plug, proceed as follows:-
- The wire coloured green and yellow must be connected to the terminal in the plug that is marked by the letter E, or by the safety earth symbol coloured green, or green and yellow.
- The wire coloured blue must be connected to the terminal, which is marked with the letter N, or coloured black.
- The wire coloured brown must be connected to the terminal, which is marked with the letter L, or coloured red.
NOTE:
Replacement of the mains cable must be done by a competent service engineer.
HEATING ELEMENTS
The heating element fitted is: 2.5 kW.
Never connect to any outlet or power supply having a differentvoltage/frequency from that on the machine data plate
2.4 Adjusting the pressure
This press is fitted with a pressure-adjusting unit, which enables the heat plate assembly to be raised or lowered by use of a pressure adjustment knob located on the top of the heat plate:
a) To increase pressure or to use thinner materials turn knob clockwise.
b) To decrease pressure or to raise the heat plate assembly to enable thicker materials to be used, turn the adjustment knob anticlockwise.
NOTE DO NOT adjust the pressure when the machine is clamped shut
CAUTION
This machine is designed to be used with a light to medium clamping pressure. If the pressure of the machine is adjusted too high this may cause damage to the machine and invalidate your
warranty. Other machines are available for high-pressure applications. Please ask your supplier for details.
3. How to operate the Studio Auto Clam 406
3.1 Starting with the Studio Auto Clam 406
3.1.1 Plug into your supply outlet and switch supply on. N.B. Please ensure the mains plug is easily accessible to the operator so that in the event of a fault the machine can be unplugged.
3.1.2 Turn on the Studio Auto Clam 406; the on/off switch is on the side of the machine. Set the machine controls as necessary.
See instructions for adjusting the pressure, Paragraph 2.4. and operation of Control Unit Page 11. Press red ‘START/STOP’ button (on machine control panel) to activate the press and start the heating cycle to heat the Heat Plate.
3.2 Working with heat transfer materials
Always ascertain from the supplier of material and transfer paper, that the material to be used is suitable for, and has been prepared for transfer printing.
3.2.1 Close the press to check the amount of closing pressure the machine has been set at. If more or less pressure is required then open the machine and turn the pressure-adjusting knob located on top of the heat plate. For further instructions see “pressure adjustment”.
3.2.2 Ensure that the heat controller is set to the correct setting for the material being used. Before using the machine, preheat the base pad of the machine by closing and re-opening the press a number of times.
After pre-heating ensure that the machine is in the fully open position.
3.2.3 Place the article to be transferred onto the pressing pad and locate the transfer paper/substrate on top in the position required. Take care not to touch the heat plate to avoid the risk of a burn.
Working with heat transfer materials (cont.)
3.2.4 Set the time required for the material being used. Close the press by lowering the handle and the pressing cycle is automatically activated. A buzzer will sound when the set time has elapsed and the heat plate will rise automatically from its locked position. Make sure all operations can be completed without interference.
3.2.5 Unload the garment from the table of the machine taking care not to touch the heat plate, to avoid the risk of a burn.
3.3 Pressing pad assembly
The pressing pad normally supplied with this machine is silicone rubber. The pressing pad must be maintained in good condition at all times and replaced when showing signs of wear. A worn pressing pad will always affect the quality of printing/fusing. Do not insert items into the machine, which would tend to cut the pressing pad, i.e. buttons, pins, press-studs or zips.
Never allow the hot heat plate to rest on the pressing pad when the press is not being used as the pad may be damaged.
IMPORTANT NOTE:
The pressing pad supplied with the machine is of the correct thickness.
Using a thicker pad may invalidate your warranty.
3.4 Shutting down the machine
To shut down the machine, turn off the on/off switch at the side of the machine. The handle should be in the up position.
4. Maintenance of the machine
4.1 Daily maintenance
For good press results it is important to keep the press surfaces clean.
Wipe the surface of the heat plate with a dry cloth before use when the plate is cold.
4.2 Periodic maintenance
Put a few drops of oil onto the various pivot pins and the pressure adjusting screw every three months.
4.3 Cleaning
Clean the outside of the machine frequently with a clean, moist cloth.
This may conveniently be carried out before starting when the machine is cool. First unplug the machine!
5. Machine drawings and diagrams
On the following pages are the schematic diagrams for the Studio
Auto Clam 406.
5.1 General layout……………………………….. Page 10
5.2 Control unit operation…………………….. Page 11
5.3 Electrical diagram………………………………………… Page 12
5.4 Exploded diagram and parts list….….……… Page 13
5.1 General layout

5.2 Operation of control unit, setting time and temperature
(The head must always be in the up position before the controller is set)
Setting time
Setting time
- Switch on machine.
- Press and hold the ‘MODE’ button for approximately 3 seconds, until an audible bleep is heard, then release (‘SV’ and ‘TIMES’ indicators will now flash).
- Press the ‘ t ‘ button or the ‘ ‘ button to change the digit (between 1 and 9). Repeat this procedure for the remaining two digits, or until the desired time is reached.
- When the required time is reached press the ‘M DE’ button for approximately 3 seconds, until an audible bleep is heard, then release. the time is then set.

Setting temperature
- Switch on machine.
- Press and hold the ‘MODE’ button for approximately 3 seconds, until an audible bleep is heard, then release.
- Press ‘MODE’ button for approximately 3 seconds, until an audible bleep is heard, then release (‘SV’ and ‘TEMPERATURE’ indicators will now flash).
- Press the ‘ ‘ button or the ‘ 3 ‘ button to change the digit (between 1 and 9). Repeat this procedure for the remaining two digits, or until the desired temperature is reached.
- When the required temperature is reached press ‘MODE’ button for approximately 3 seconds, until an audible bleep is heard, then release, the temperature is then set.

Resetting counter
- Switch on machine.
- Press and hold the ‘MODE’ button for approximately 3 seconds, until an audible bleep is heard, then release.
- Press ‘MODE’ button twice (‘SV’ and ‘COUNTER’ indicators will now flash).
- Press the ‘ ‘ arrow button to clear. 5. Press the ‘MODE’ button for approximately 3 seconds, until an audible bleep is heard, then repease, to return to normal setting.
Note: When the Time, Temperature or Counter are changed and the Controller display is reset ‘rE’ will be displayed on the Controller screen. When the machine is next operated this will disappear and ‘TIME’ and ‘TEMPERATURE’ will be displayed as normal.
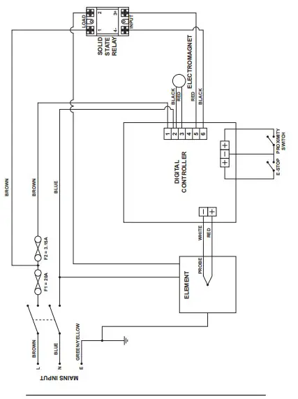
5.3 Electrical Diagram

5.5 Exploded Diagram and Parts List

| No. | Description | Qty. | Part No. |
| 1 | Machine frame | 1 | ASACSNR1 |
| 2 | 600N gas spring | 2 | ASACSNR2 |
| 3 | Pivot pin | 2 | ASACSNR3 |
| 4 | Sleeve | 4 | ASACSNR4 |
| 5 | Rocker switch | 1 | ASACSNR5 |
| 6 | Fuse (20 amps) | 1 | ASACSNR6 |
| 7 | Control box cover | 1 | ASACSNR7 |
| 8 | Fuse (2 amps) | 1 | ASACSNR8 |
| 9 | Electrical control box | 2 | ASACSNR9 |
| 10 | LCD controller | 1 | STTP23 |
| 11 | Emergency stop switch | 1 | ASACSNR11 |
| 12 | Solid state relay | 1 | ASACSNR12 |
| 13 | Table (51 cm x 41 cm) | 1 | ASACSNR13 |
| 14 | Silicone pad (51 cm x 41 cm) | 1 | ASACSNR14 |
| 15 | Heat plate (51 cm x 41 cm) | 1 | ASACSNR15 |
| 16 | Heat plate cover | 1 | ASACSNR16 |
| 17 | Retaining ring | 1 | ASACSNR17 |
| 18 | Pressure adjustment screw | 1 | ASACSNR18 |
| 19 | Handle bracket | 1 | ASACSNR19 |
| 20 | Electromagnetic plate | 1 | ASACSNR20 |
| 21 | Support plate | 2 | ASACSNR21 |
| 22 | Electromagnet | 1 | ASACSNR22 |
| 23 | Magnet | 1 | ASACSNR23 |
| 24 | Handle connecting shaft | 1 | ASACSNR24 |
| 25 | Bracket | 1 | ASACSNR25 |
| 26 | Pivot pin | 2 | ASACSNR26 |
| 27 | Heat Sink | 1 | ASACSNR27 |
| 28 | Foam handle | 1 | ASACSNR28 |
| 29 | Mains plug & socket 230 V (UK) | 1 | BMC618 |
| Mains plug & socket 120 V (USA) | 1 | BMC618/A | |
| Mains plug & socket 230 V (EU) | 1 | BMC620 | |
| 30 | Magnet switch | 1 | ASCL17 |
1. Design change
With the policy of constant improvement and/or modification to meet changing conditions, the right is reserved to change the design and/or specifications at any time without prior notification, and therefore specifications may vary and not be in accordance with this manual.
6. Guarantee (limited warranty)
- Adkins & Sons Limited warrants that the press is free from defects in material and workmanship for a period of 12 months from the date of supply to the customer. The machine comes with a one year warranty on parts and 90 days labour.
This warranty covers all parts to repair the defects, except when damage results from misuse or abuse, accident, alteration or negligence or when a machine has been improperly installed.
If a press covered by warranty should need to be returned to the factory for examination and repair, if on-site component replacement is not possible, A. Adkins & Sons Limited will make every effort to repair the customers press. The warranty will only be effective when A. Adkins & Sons Limited authorises the original purchaser to return the machine to the factory and only when the product upon examination has proven to be defective.
Should in our opinion any part of this press be defective in materials or workmanship, it will be replaced or repaired free of charge, provided that the press has been installed and operated in the correct manner and not subjected to misuse. If A. Adkins & Sons Limited authorise a replacement press, the warranty of the replacement press shall expire on the anniversary date of the original machines invoice to the customer.
In order for this warranty to be effective, no return of machine or parts may be made without prior factory authorisation. (This will exclude any travelling and/or carriage costs which will be charged at our discretion).
This is the sole warranty given by the company; there are no warranties, which extend beyond the description on the face hereof. The seller disclaims any implied warranty of merchantability and/or any implied warranty of fitness for a particular purpose; the buyer agrees that the goods are sold “as is”. A. Adkins & Sons Limited does not warrant that the functions of the press will meet the customer’s requirements or expectations. The entire risk as to use, quality and performance of the press lies with the customer. (No claim of any kind shall be greater than the sale price of the product or part to which the claim is made).
In no event will A. Adkins & Sons Limited be liable for any injury, loss or damage, including loss of profits, destruction of goods or any special, incidental, consequential or indirect damages arising from the use of the press or accompanying materials. This limitation will apply even if A. Adkins & Sons Limited or its authorised agent had been advised of the possibility of such damage.
ADKINS & SONS LIMITED DECLARATION OF CONFORMITY

, the undersigned, hereby declare that the equipment specified above conforms to the above directives and standards.
Place: Hinckley, United Kingdom Signature: ………………………………
Date: ……………………………… Full Name: Marie McMahon
Position: General Manager




ADKINS & SONS LIMITED DECLARATION OF CONFORMITY

















