GE Profile PLU612 Propane Gas RV Rangetop

THANK YOU FOR MAKING GE APPLIANCES A PART OF YOUR RV.
Whether you grew up with GE Appliances, or this is your first, we’re happy to have you in the family. We take pride in the craftsmanship, innovation and design that goes into every GE Appliances product, and we think you will too. Among other things, registration of your appliance ensures that we can deliver important product information and warranty details when you need them. Register your GE appliance now online. Helpful websites and phone numbers are available in the Consumer Support section of this Owner’s Manual.
IMPORTANT SAFETY INFORMATION
READ ALL INSTRUCTIONS BEFORE USING THE APPLIANCE
WARNING
Read all safety instructions before using the product. Failure to follow these instructions may result in fire, electrical shock, serious injury or death.
WARNING
If the information in this manual is not followed exactly, a fire or explosion may result, causing property damage, personal injury or death.
- Do not store or use gasoline or other flammable vapors and liquids in the vicinity of this or any other appliance.
- WHAT To DO IF YOU SMELL GAS
- Do not try to light any appliance.
- Do not touch any electrical switch.
- Do not use any phone in your recreational vehicle.
- Clear the recreational vehicle of all occupants.
- Turn off the gas supply tank valve(s) or main gas supply.
- Immediately call your gas supplier for instructions.
- If you cannot reach your gas supplier, call the fire department.
- Have the gas system checked and the leakage source corrected by a qualified installer, service agency, manufacturer, dealer or gas supplier.
WARNING
GENERAL SAFETY INSTRUCTIONS
WARNING
Carbon Monoxide Poisoning. Never use this appliance as a space heater to heat or warm the room. Doing so may result in Carbon Monoxide poisoning or overheating of the oven. A window or air vent should be open slightly while using this appliance. Gas flames consume oxygen which must be replaced to assure proper combustion.
- Use this appliance for its intended purpose as described in this owner’s manual.
- Have your rangetop installed by a qualified installer in accordance with the provided installation instructions.
- Any adjustment and service should be performed only by a qualified gas installer or service technician. Do not attempt to repair or replace any part of your rangetop unless it is specifically recommended in this manual.
- Your rangetop is shipped from the factory set for use with propane gas. It can not be converted to any other gas.
- Have the installer show you the location of the rangetop gas shut-off valve and how to turn it off if necessary.
- Be sure all packing materials are removed from the rangetop before operating to prevent the ignition of these materials.
- Do not leave children alone or unattended in an area where an appliance is in use. They should never be allowed to climb, sit or stand on any part of the appliance.
CAUTION - Do not store items of interest to children in cabinets above a rangetop – children climbing on the rangetop to reach items could be seriously injured.
- Never block the vents (air openings) of the rangetop. They provide the air inlets and outlets that are necessary for the rangetop to operate properly with correct combustion. Air openings are located at the rear, front, and bottom of the rangetop.
- Use only dry pot holders-moist or damp pot holders on hot surfaces may result in burns from steam. Do not let pot holders touch surface burners or burner grates. Do not use a towel or other bulky cloth in place of pot holders.
- Do not heat unopened food containers. Pressure could build up and the container could burst, causing an injury.
- Cook food thoroughly to help protect against foodborne illness. Minimum safe food temperature recommendations can be found at IsltDoneYet. gov and fsis.usda.gov. Use a food thermometer to take food temperatures and check several locations.
- Do not allow anyone to climb, stand or hang on the rangetop. They could damage the rangetop or tip it over causing severe injury or death.
WARNING
KEEP FLAMMABLE MATERIALS AWAY FROM THE RANGETOP
Failure to do so may result in fire or personal injury.
- Do not store or use flammable materials ona rangetop, including paper, plastic, pot holders, linens, wall coverings, curtains, drapes, and gasoline or other flammable vapors and liquids.
- Never wear loose-fitting or hanging garments while using the appliance. These garments may ignite if they contact hot surfaces causing severe burns.
- Do not let cooking grease or other flammable materials accumulate in or near the rangetop. Grease on the rangetop may ignite.
WARNING
IN THE EVENT OF A FIRE, TAKE THE FOLLOWING STEPS TO PREVENT INJURY AND FIRE SPREADING
- Do not use water on grease fires. Never pick up a flaming pan. Turn the controls off. Smother a flaming pan on a surface unit by covering the pan completely with a well-fitting lid, cookie sheet, or flat tray. Use a multi-purpose dry chemical or foam-type fire extinguisher.
WARNING
RANGETOP SAFETY INSTRUCTIONS
- Never leave the surface burners unattended. Foods, especially oily foods, may ignite resulting in fire that could spread to surrounding cabinets.
- Never leave oil unattended while frying. If allowed to heat beyond its smoking point, oil may ignite resulting in fire that may spread to surrounding cabinets. Use a deep fat thermometer whenever possible to monitor oil temperature.
- To avoid oil spillover and fire, use the minimum amount of oil when using a shallow pan-frying and avoid cooking frozen foods with excessive amounts of ice.
- Use proper pan size and avoid pans that are unstable or easily tipped. Select cookware that is matched the size of the burner. Burner flames should be adjusted so that they do not extend beyond the bottom of the pan. Excessive flame may be hazardous.
- Always use the Hl position when igniting the top burners and make sure the burners have ignited.
- When using glass/ceramic cookware, make sure it is suitable for rangetop service; others may break because of a sudden change in temperature.
- To minimize the possibility of burns, ignition of flammable materials, and spillage, the handle of a container should be turned toward the center of the rangetop without extending over nearby burners.
- Do not use a wok. Doing so may trap heat and block air to the burner resulting in a carbon monoxide hazard.
- Do not use aluminum foil to cover the grates or line any part of the rangetop. Doing so may result in carbon monoxide poisoning, overheating of the rangetop surfaces, or a potential fire hazard.
WARNING
FIRE OR EXPLOSION HAZARD
If the information in this manual is not followed exactly, a fire or explosion may result causing property damage, personal injury or death. Installation must be performed by a qualified installer. Read these instructions completely and carefully. Installation of this appliance must conform with state and other codes or, in the absence of such codes, with:
In the USA:
the Standard for Recreational Vehicles, ANSI/NFPA 1192.
In Canada:
CAN/CSA Z-240.4.2-08 Installation Requirements for Propane Appliances and Equipment in Recreational Vehicles. This range has been design-certified by CSA International according to ANSI Z21.57, the latest edition, and CAN1-1.16-M79, the latest edition.
When installing a gas appliance, the use of old flexible connectors can cause gas leaks and personal injury. Always use a NEW flexible connector. Leak testing of the appliance shall be conducted according to the manufacturer’s instructions. If an external electrical source is utilized, the appliance, when installed, must be electrically grounded in accordance with the state or, in the absence of such codes, with the National Electrical Code, ANSI/ NFPA 70.
Do not install this product with an air curtain hood or another range hood that operates by blowing air down on the rangetop. This airflow may interfere with the operation of the gas burners resulting in fire or explosion hazard.
PROPER DISPOSAL OF YOUR APPLIANCE
Dispose of or recycle your appliance in accordance with Federal and Local Regulations. Contact your local authorities for the environmentally safe disposal or recycling of your appliance.
Rangetop
Before lighting, confirm all control knobs are in the OFF position. Make sure the main gas tank valve is open.
- Do not operate the burner for an extended period of time without cookware on the grate. The finish on the grate may discolor or chip without cookware to absorb the heat.
- Cookware should be positioned over the grates and not overhanging the side trim or countertop.
- Be sure the burners and grates are cool before you place your hand, a pot holder or cleaning materials on them.
Lighting the Rangetop
WARNING
Burners should be operated only when covered by cookware. Burner flames not covered by cookware present a risk of fire or clothing ignition. Never let flames extend beyond the sides of the cookware. Failure to comply may result in serious injury.
Select a burner and find its control knob. Push and turn the appropriate burner control knob counterclockwise to the Hl position. Sparking will continue as long as the knob remains pressed. Once the burner is lit, release the knob and rotate to adjust the flame.
Selecting a Flame Size
Watch the flame, not the knob, as you adjust heat. When rapid heating is desired, the flame size should match the size of the cookware you are using. Flames larger than the bottom of the cookware will not heat faster and may be hazardous.
Lighting the Rangetop Manually
If a rangetop burner fails to ignite, you may light the burner manually by following the steps below:
- Push and turn the burner control knob counterclockwise to the HI position.
- Immediately strike and place a burning long wooden match or a gas lighter near the burner to light.
- Rotate the burner control knob to adjust the flame level.
- Repeat steps 1-3 to light the other burner(s) as needed.

If the Flame Goes Out
Immediately turn the control knob to the OFF position. Wait at least 5 minutes and light the burner again.
Turning Off the Rangetop
To turn thee rangetop burners off, rotate the control knobs clockwise to the OFF position. Do not touch or place any objects on the grates until the rangetop has cooled.
Rangetop Burner Usage
- Do not operate the burner for an extended time without cookware on the grate. The finish on the grate may discolor or chip without cookware to absorb the heat.
- Do not attempt to disassemble any burner while another burner is on. Damage to the product may occur.
- Be sure the burners and grates are cool before you place your hand, a pot holder or cleaning materials on the rangetop.
- Size cookware appropriately to the flames. Cover your
cookware with a lid to bring liquids to a boil faster.
2-burner Model:
Both burners are intended for general cooking and simmering.
3-burner Model:
The rear burners are intended for general cooking and simmering. Use the front burner for larger cookware and faster boiling.
Rangetop Grate Orientation
The proper install orientation for the grate is as shown. The grate for the 2-burner model is reversible.
The grate for the 3-burner model has a front and back and must be placed correctly per the image.
Control Knob Lights
Press the Light button on the control panel to turn on/off the control knob lights. All lights turn on and off together.
Rangetop Vents
Never block the vents (air openings) of the rangetop. They provide the air for the inlet and outlet that are necessary for the rangetop to keep cool and operate properly with correct combustion. Never cover the opening with aluminum foil or any other material. Vents are located along the rear, front, and bottom of the rangetop.
Rangetop Surfaces
Be sure all controls are off and all surfaces are cool before cleaning any part of the rangetop.
Porcelain Enamel Rangetop
Do not use oven cleaners, abrasive cleansers, strong liquid cleansers, steel wool, plastic scouring pads, or cleaning powders on the rangetop surface. Clean with mild soap and water or a 50/50 solution of vinegar and water. Rinse with clean water and dry with a soft cloth.
When cleaning surfaces, make sure that they are at room temperature. Spillage of marinades, fruit juices, tomato sauces, and basting liquids containing acids may cause discoloration and should be wiped up as soon as hot surfaces cool, then clean and rinse. Use caution to not spill water into rangetop openings.
Removing the Cooktop for Cleaning in Case of Spillage
WARNING
- Care should be taken to not damage or modify gas tubing and wiring under the cooktop.
- Doing so may result in fire or explosion hazard.
- Disconnect power at the main fuse or circuit breaker panel before removing the rangetop.
- Lift up and remove the grate from the rangetop.

- Remove the 4 screws on the cooktop with a Phillips screwdriver, then lift up on the cooktop to remove them.

- Clean with a mild soap and water solution with a damp cloth. Rinse with clean water and dry with a soft cloth.
- Place the cooktop back into position and attach the 4 screws using a Phillips screwdriver.
Burner Caps
Wipe burner caps with hot, soapy water and rinse with clean water. You may scour with a plastic scouring pad to remove burned-on food particles.
Burner Heads
Wipe the burner heads routinely, especially after bad spillovers which could clog the burner openings. Wipe with hot, soapy water. Rinse with clean water. For more stubborn stains, use a brush with plastic bristles.
NOTE:
Do not use steel wool or scouring pads to clean the burner parts as these may clog the openings. The ports in the burner heads must be kept clean at all times for an even, unhampered flame. Clogged or dirty burner ports or electrodes will not allow the burner to operate properly.
Burner Grates
Grates should be washed in hot, soapy water and rinsed with clean water. To soften burned-on food, place grates in a solution containing -cup of household ammonia for several hours. Afterward, scrub grates with a plastic scouring pad soaked in hot, soapy water. Rinse well and dry. DO NOT use bleach or rust removers on the rangetop or burner grates.
Exterior Surfaces
Be sure all controls are off and all surfaces are cool before cleaning any part of the rangetop.
Control Knobs
The control knobs may be removed for easier cleaning. Make sure the knobs are in the OFF positions and pull them straight off the stems for cleaning. The knobs can be washed with soap and water. Make sure the insides of the knobs are dry before replacing. Replace the knobs in the OFF position to ensure proper placement.
Painted Rangetop Trim
Clean rangetop trim with soap and water or a vinegar and water solution. Do not use commercial oven cleaners, cleaning powders, steel wool or harsh abrasives on any painted surface.
Stainless Steel Surfaces
Do not use a steel wool pad; it will scratch the surface. To clean the stainless steel surface, use warm sudsy water or a stainless steel cleaner or polish. Always wipe the surface in the direction of the grain. Follow the cleaner instructions for cleaning the stainless steel surface. Cleaners with oxalic acid such as Bar Keepers Friend Soft Cleanser will remove surface rust, tarnish, and small blemishes. Use only a liquid cleanser free of grit and rub in the direction of the brush lines with a damp, soft sponge.
Installation Instructions
Questions?
Visit GEAppliances.com. In Canada, visit GEAppliances.ca.
WARNING
Certain Detection Equipment is Required in Recreation Vehicles per NFPA 1192. Required equipment shall be UL approved for use in recreational vehicles. Install and use equipment in accordance with the manufacturer’s instructions.
Smoke Alarm
Section 6.3.1 identifies that all recreational vehicles shall be equipped with a smoke alarm.
Carbon Monoxide Alarm
Section 6.3.2 identifies that all recreational vehicles shall be equipped with a Carbon Monoxide alarm.
Propane Detector
Section 6.3.3 identifies that all recreational vehicles with a propane appliance shall be equipped with a propane detector.
BEFORE YOU BEGIN
- IMPORTANT — Save these instructions for local inspector’s use.
- IMPORTANT — Observe all governing codes and ordinances.
- IMPORTANT — Remove all packing material and literature from rangetop before connecting gas and electrical supply to rangetop.
- IMPORTANT — To avoid damage to your cabinets, check with your builder or cabinet supplier to make sure that the materials used will not discolor, delaminate or sustain other damage. This rangetop has been designed in accordance with the requirements of CSA International and complies with the maximum allowable wood cabinet temperatures of 194°F (90°c)
WARNING
The rangetop must be completely separated and/or sealed from other air-moving or air consuming devices such as but not limited to microwave ovens, furnaces, water heaters, cooling fans, and clothes dryers. Failure to do so will affect the rangetop’s combustion air supply by creating either a negative or positive draft.
- Note to Installer – Be sure to leave these instructions with the consumer.
- Note to the consumer – Keep these instructions for future reference.
- Proper installation is the responsibility of the installer.
- Product failure due to improper installation is not covered under warranty.
WHAT’S IN THE BOX
Make sure you have all the following items included in the packaging. If any item is damaged or missing, contact your dealer.
- Rangetop x1
- Rangetop Grate x 1
- Product Registration Card x 1
- #8-15 x 1″ wood screw x 4
- Owner’s Manual and Installation Instructions x 1
TOOLS YOU WILL NEED

MATERIALS YOU WILL NEED
- Pipe joint sealant or UL-approved pipe thread tape with Teflon* that resists action of natural and propane gases
- Liquid leak detector or soapy water.
- Propane supply line with a 3/8″ flare female connection
Teflon: Registered trademark of DuPont.
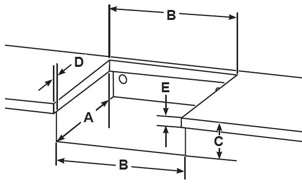
CABINET AND COUNTER CUTOUT DIMENSIONS
Ensure cabinets and countertop meet the requirements from the table before installing the rangetop.
| Model | A (depth) | B (width) | C (height) | D (overhang) | E (thickness) |
| PLU612 | 19.50″ | 10.625″ | 4.125″ | 1″ max | 1.625″ max |
| PLU621 | 17.75″ | 20.25″ | 4.125″ | 1″ max | 1.625″ max |
- NOTE:
There should be an unobstructed vertical gap of .25″ underneath the rangetop to allow for proper combustion and cooling airflow. Do not block this gap. - NOTE:
Allow .375″ minimum vertical clearance from the rangetop bottom (or 4.25″ minimum depth from the countertop) to any combustible surfaces, such as a cabinet drawer.
INSTALLATION CLEARANCES
Ensure cabinets and countertop meet the requirements from the table before installing the rangetop.
| Models | A | B | C | D | E | F |
| All Models | 30″ min. | 18″ min. | 13″ max | 2″ min | 2″ min | PLU612: 10.625″ min. PLU621: 20.25″ min. |
- A: Allow 30″ minimum vertical clearance between the countertop and combustible construction above the appliance. For alternative vertical clearances, refer to NFPA 1192 Table 5.6.6.5 for hood requirements.
- B: Allow 18″ minimum vertical clearance between the countertop and combustible construction to the left and right sides of the appliance.
- C: The maximum allowable depth of overhead cabinets is 13″. For overhead cabinet depths exceeding 13″, refer to NFPA 1192 Table 5.6.6.5 for hood requirements.
- D: Allow a minimum of 2″ of horizontal clearance between the appliance cutout and combustible construction extending from the cooking surface to 18″ above the cooking surface.
- E: Allow a minimum of 2″ of clearance between adjacent combustible construction and the back of the appliance cutout.
- F: The width of Vertical Clearance A shall not be less than 10.625″ for PLU612 and 20.25″ for PLU621.
GAS AND POWER SUPPLY INSTALLATION LOCATIONS

RANGETOP INSTALLATION
NOTE:
Prior to performing installation, wear safety gloves and glasses.
Complete the following steps when the cabinet has been prepared according to the dimensions given and the gas line and electrical connections are in place.
- RANGETOP PREPARATION
- Take your rangetop out of the carton and place it on a flat surface. Remove the packing materials.
- Lift up and remove the grate from the rangetop.

- Remove the 4 screws on the cooktop with a Phillips screwdriver, then lift up on the cooktop to remove them.

WARNING Care should be taken to not damage or modify gas tubing under the rangetop. Doing so may result in fire or explosion hazard. - Lift the rangetop and set it into the cabinet opening. Slide the rangetop back into position.
- Attach the rangetop to the cabinet opening by driving four screws into the countertop. Install 2 screws per side using preferred hole options based on countertop construction. If the countertop is wooden, start by drilling pilot holes with a 1/8″ drill bit. Drive the 4 provided screws into the holes to attach.

NOTE: There should be an unobstructed vertical gap of .25″ under the rangetop to allow for proper combustion and cooling airflow. Do not block this gap.
- GAS SUPPLY
WARNING Fire Hazard: Do not use a flame to check for gas leaks.
WARNING Explosion Hazard: Do not exceed 25 ft-lbs of torque when making gas line connections. Overtightening may crack the pressure regulator resulting in fire or explosion hazards.
WARNING Gas leaks may not be detected by smell alone. Gas suppliers recommend your purchase and install a UL approved gas detector. Install and use in accordance with the manufacturer’s instructions.
Gas Pressure Regulator
You must use the propane gas pressure regulator supplied With this rangetop. For proper operations the inlet pressure to the regulator should be as follows:- Minimum pressure: 11″ of Water Column
- Maximum pressure: 13.8″ of Water Column
Connect a propane supply line with a 3/8″ Flare Female connection to the regulator in the upper left rear corner of the cabinet.
Tighten the gas line to the regulator using2 wrenches.
IMPORTANT: Leave adequate space around the gas supply pipe in case of bend or damage during installation. Make sure the gas supply pipe cannot contact any moving parts after installed.
When using pressures greater than % psi (3.5kPa) to test the gas supply system of the RV, disconnect the rangetop and individual shut-off valve from the gas supply piping. When using pressures of % psi (3.5kPa) or less to pressure test the gas supply system, simply isolate the rangetop from the gas supply system by closing the individual shut-off valve.
- PRESSURE CHECK
- Ensure propane gas is turned off to the appliance.
- Remove the screw with the sealing gasket from the pressure test port on the rangetop.

- Using the rubber tube from a pressure check measuring device, slide the rubber tube down over the gas pressure test port. The rubber tube should seal around the pressure test port.
- Turn on the propane gas to the appliance.
- The pressure gauge tester should measure between 10″ WC to 13.8″ WC.
- Turn off the propane gas to the appliance.
- Remove the rubber tube of the pressure check measuring device.
- Replace the screw with the gasket removed in the step above. Before replacing the screw, inspect the rubber gasket seal for any signs of damage.
- Hand-tighten the screw ensuring not to damage the seal.
NOTE: Ensure the product is gas leak checked after the pressure check test is completed by also testing the pressure check port screw. If any leaks are detected around the pressure test port screw and sealing gasket, a new one can be purchased. Call GE Appliances at 877.959.8688 for a replacement.
- LEAK CHECK
- Make sure all control knobs are in the OFF position.
- Apply a gas leak detection liquid to the connections. Any gas leaks will be indicated by bubbles.
- If a gas leak is detected, tighten the loose joint, or replace the faulty part with a replacement part recommended by a GE Appliances authorized retailer.
- ELECTRICAL CONNECTION
CAUTION PRODUCT DAMAGE HAZARD- Connect to 12V DC service only.
- Connect only to a protected circuit fused for not more than 15 Amps.
The power supply wires are located at the top left corner of the rear of the appliance.
Connect a positive 12V power supply wire to the appliance’s black 12V wire and a negative 12V power supply wire to the appliance’s white 12V wire. Maximum current draw is less than 1 amp.
NOTE: Ensure to connect the wires with the correct polarity. Black is “+” and White is “”- Ensure electrical connections are properly secured.
- Ensure electrical supply lines are disconnected, or power removed at the main fuse or circuit breaker panel, before servicing the appliance.
- REPLACE RANGETOP
Place the rangetop back into position and attach it with the 4 screws, removed in Step 1, using a Phillips screwdriver. - TEST RANGETOP BURNERS
Select a burner and find its control knob. Push and turn the appropriate burner control knob counterclockwise to the HI position.
Sparking will continue as long as the knob remains pressed. Continue pressing the knob until the flame is lit. If air is in the supply line, it may take up to a minute for the air to purge and the burner to light. Once the burner is lit, release the knob.- The flame may burn yellow for a few seconds, then it should turn blue. If the burner continues to burn mostly or completely yellow, see “Troubleshooting” or contact a qualified service technician.
- Rotate the burner control knob counterclockwise to LO. Make sure that the flame completely surrounds the burner. There should be a flame at the burner ports and no air gap between the flame and the burner. If the burner does not meet this criterion, see “Troubleshooting” or contact a qualified service technician.
- Repeat these steps to test each burner.
- FLAME QUALITY
The burner flames for the rangetop burners should be blue with yellow tips. Long, bright yellow flames are not normal. Normal flames may show signs of an orange tint when well heated or signs of flickering orange due to particles in the gas or air.
Troubleshooting Tips
Before you call for service
| Problem | Possible Cause/Solution |
| Surface burners do not light or do not light fully. | Ensure all gas supply valves and propane tank valve are opened. |
| Ensure knob is pressed and set to the HI position. You should hear sparking. | |
| Gas pressure is either too low or too high. | |
| Burner ports or igniter are dirty. Refer to “Burner Heads” in the Care and Cleaning section. | |
| Moisture is present on the burner. With burner off and cool, dry burner thoroughly. | |
| Flames are completely or mostly yellow or orange. | Normal flames may show signs of an orange tint when well heated or signs of flickering orange due to dust particles in the gas or air. |
| Gas pressure is too low. | |
| Burner ports are dirty. Refer to “Burner Heads” in the Care and Cleaning section. | |
| Knob backlighting does not turn on when light button is pressed. | Ensure unit is connected to 12VDC. See “Electrical Connection” in the Installation Instructions. |
| LED board or switch needs to be replaced. Contact GE Appliances for service. |
Limited Warranty
To make a warranty claim, call 866.835.0179. Please have your serial number and model number available when calling.
| For The Period Of: | GE Appliances Will Replace: |
| Two Years From the date of the original purchase | The entire unit or any part of the RV Rangetop fails due to a defect in materials or workmanship. During this limited two-year warranty, GE Appliances will, at its sole discretion, replace the unit. The replacement unit may be a new unit, a refurbished unit, or a rebate certificate towards a new GEA unit. |
What GE Appliances Will Not Cover:
- Improper installation, delivery, or maintenance. If you have an installation problem, contact your dealer or installer. You are responsible for providing adequate electrical connecting facilities.
- Failure of the product resulting from modifications to the product or due to unreasonable use including failure to provide reasonable and necessary maintenance.
- Labor is necessary to move the unit to a location where it is accessible for service by an individual technician.
- Replacement of RV fuses or resetting of circuit breakers.
- Damage to the product caused by improper power supply voltage, accident, fire, floods or acts of God.
- Damage caused after delivery.
- In-person product education.
EXCLUSION OF IMPLIED WARRANTIES
Your sole and exclusive remedy is product repair as provided in this Limited Warranty. Any implied warranties, including the implied warranties of merchantability or fitness for a particular purpose, are limited to two years or the shortest period allowed by law.
This limited warranty is extended to the original purchaser and any succeeding owner for personal recreational vehicles or similar use within the USA. If the product is located in an area where service by an authorized RV service is not available, you may be required to bring the product to an authorized GEA service location for service. Some states do not allow the exclusion or limitation of incidental or consequential damages. This limited warranty gives you specific legal rights, and you may also have other rights which vary from state to state. To know what your legal rights are, consult your local or state consumer affairs office or your state’s Attorney General.
Warrantor: GE Appliances, a Haier company Louisville, KY 40225.
Consumer Support
GE Appliances Website
Have a question or need assistance with your appliance? Try the GE Appliances Website 24 hours a day, any day of the year! You can also shop for more great GE Appliances products and take advantage of all our online support services designed for your convenience. In the US: GEAppliances.com In Canada: GEAppliances.ca.
Register Your Appliance
Register your new appliance online at your convenience! Timely product registration will allow for enhanced communication and prompt service under the terms of your warranty, should the need arise. You may also mail in the pre-printed registration card included in the packing material.
In the US: GEAppliances.com/register.
Schedule Service
Expert GE Appliances repair service is only one step away from your door. Get online and schedule your service at your convenience any day of the year. In the US: GEAppliances.com/service or call 800.432.2737 during normal business hours.
Parts and Accessories
Individuals qualified to service their own appliances can have parts or accessories sent directly to their homes (VISA, MasterCard, and Discover cards are accepted). Order online today 24 hours every day.
In the US:
GEApplianceparts.com or by phone at 877.959.8688 during normal business hours.
Instructions contained in this manual cover procedures to be performed by any user. Other servicing generally should be referred to qualified service personnel. Caution must be exercised, since improper servicing may cause unsafe operation. Customers in Canada, visit our website at GEAppliances.ca/en/products/parts-filters-accessories or call 800.661.1616.
Contact Us
If you are not satisfied with the service you receive from GE Appliances, contact us on our website with all the details including your phone number, or write to:
In the US:
General Manager, Customer Relations | GE Appliances, Appliance Park | Louisville, KY 40225 GEAppliances.com/contact.
In Canada:
Director, Consumer Relations, MC Commercial Inc. | Suite 310, 1 Factory Lane | Moncton, N.B. E1C 9M3 GEAppliances.ca/en/contact-us.
Printed in China.
References
Magasin GE Canada | Homepage
Magasin GE Canada | Homepage
Magasin GE Canada | Homepage
Home | Food Safety and Inspection Service
Appliance Parts, Accessories & Water Filters | GE Appliances
GE Appliances Canada | Homepage
Kitchen Appliances, Refrigerators, Dishwashers | GE Appliances
Contact Us or Get Help with Questions | GE Appliances
GEAppliances.com/register
Appliance Repair Service and Support | GE Appliances
GEAppliancesparts.com































