
Model SAF206S
Electronic Siren

Installation and operation manual
Notice to installer
Before installation and use — read all instructions and warnings.
Deliver this manual to the end user of this equipment.
Doc. No.: SAF206S Siren_v.2
GENERAL DESCRIPTION
The SAF206S Siren Amplifier is a premium 200W unit designed for single or dual 100W speaker use with full lighting control. The siren comes with a noise-canceling micro-
phone for PA use and push-button override. The SAF206S also includes a 4-position slide switch for primary lighting system control and 6 independently controlled switches;
each control switch is capable of 10 amps current.
There are 6 primary operation modes: PHASER, YELP, WAIL, STBY, HF, and RADIO with a HORN button and a MAN button override. The Phaser tone can be replaced by HiLo tone or disabled entirely. A Horn Ring Transfer input is available for the connection to vehicle horn ring or remote switch for hands-free siren operation. A Park Kill input is available for connection to a door switch, etc. to stop siren tones when exiting the vehicle. A Video trigger output is available for activation via lever switch or uxiliary
switches.

SPECIFICATIONS
| Input Voltage | 11-16 VDC (negative ground) | ||||
| Siren Input Current | 8.5Amps (@13.6VDC – single 100W speaker) | ||||
| 16Amps (@13.6VDC – dual 100W speakers) | |||||
| Siren Standby Current | Less than 300mA | ||||
| Audio Frequency | 300Hz to 3000Hz ±3db | ||||
| Radio Output POwer | 40 watts (@13.6VDC-single 100W speaker) | ||||
| Siren Output Power | 100 Watts RMS MAX.(16 VDC – single 100W speaker) | ||||
| 200 Watts RMS MAX.(16VDC – dual 100W speakers) | |||||
| Siren Frequency | 725Hz – 1587Hz | ||||
| Tones/ Cycle Rates | Horn | Wail | Yelp | Phaser | HiLo |
| Cycle Rates | Composite (Constant) | 12CPM | 160CPM | 895CPM | 40CPM |
| Operating Temp | -30° C to +65° C (-22° F to +150° F) | ||||
| Siren Controls | 6-position rotary mode switch (Radio, HF, STBY, Wail, Yelp, and Phaser). | ||||
| Momentary push-button Horn switch. | |||||
| Momentary push-button Manual/Tone toggle switch. | |||||
| ENA input (positive) to turn on unit. | |||||
| HRT input programmable for positive or negative operation. | |||||
| PKL input programmable for positive or negative latching operation. | |||||
| Side DIP switch option selectors. | |||||
| Siren Controls | 4-position lever switch with position 3 siren activation and LED indicators. | ||||
| 6 – on/off lighted push-button switches with replaceable legends. | |||||
| Light Output Ragings | 10A fuse on each of the 9 outputs.(6 push buttons, 3 lever positions) | ||||
| SirenComecbons (Removable 12-Terminal Block) | Positive x 2, Negative x 2, Speaker x 2, Radio x 2, Enable, Park Kill, Video Camera Trigger, Horn Ring Transfer. | ||||
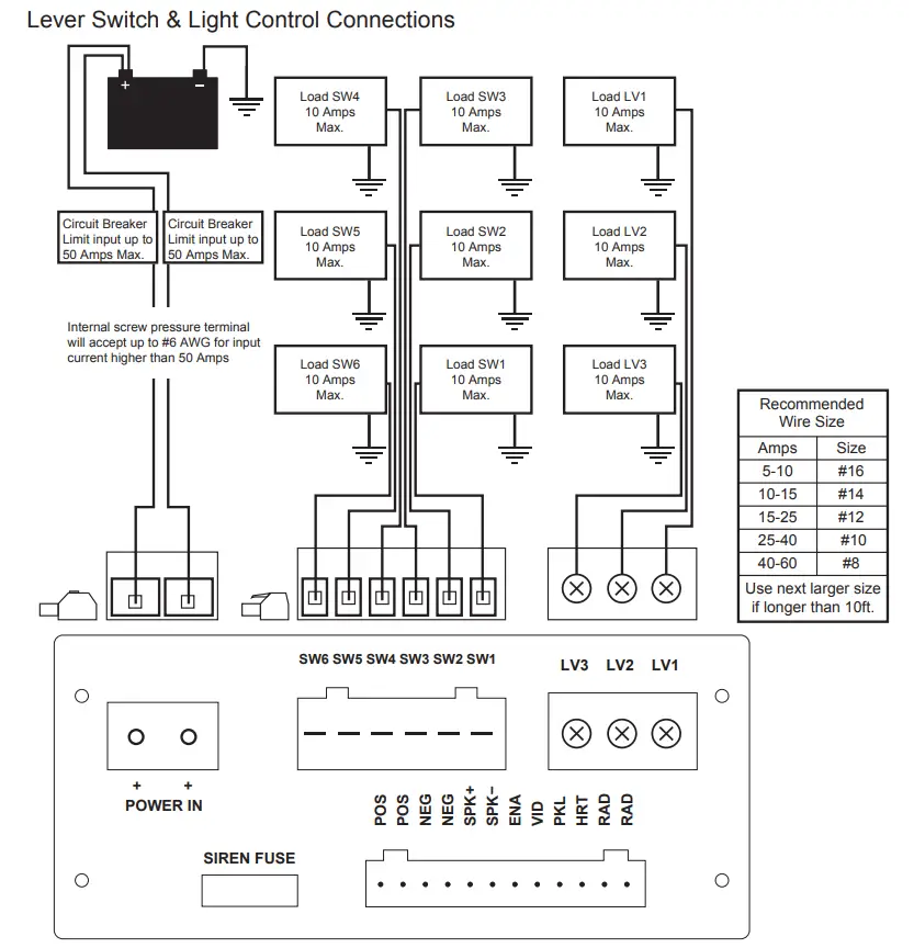
| Light Control Connections | Power In 2-position screw terminal inputs. | ||||
| LV1, LV2, LV3 (lever switch) 3-position screw terminal outputs. | |||||
| SW1, SW2, SW3, SW4, SW5, SW6 (push buttons) 6-position screw terminal outputs. | |||||
| Size | 18.6cm x 16.1 cm x 7.2cm | ||||
| Boxed Weight | 2.5kg | ||||
INSTALLATION
It is essential to install the unit properly to ensure safe and reliable operation. Please read through all instructions thoroughly and carefully before installing the unit. Failure to follow these instructions could result in serious damage to the unit or vehicle and may void warranties.
The correct mounting and wiring is the key to the effectiveness of SAF206S siren. Installers must read and follow installation instructions and warnings in the manual from original manufacturer. The vehicle operator should verify the siren system is fastened to the vehicle securely and is functioning properly. Failure to follow all safety recautions and instructions may cause property damage, injury, or death.
WARNING: The installer must have good knowledge of electricity, vehicle electrical systems and emergency equipment. Always seek professional assistance if in doubt.
CONTENTS
Inspect the product contents carefully to see if there is shipping damage or missing content. If any damage is found, inform carrier immediately. Contents should include:
1pc – Siren unit with attached Microphone
1pc – Siren Mounting Bracket
1pc – Microphone Clip with Mounting Screws
1pc – 12-Pin Siren Input Sonnector
1pc – 2-Pin Light Control Power Input Connector
1pc – Faceplate Button Labels
1pc – User Manual
MOUNTING
Mount the unit in an area where it can be easily accessed by the vehicle operator. Make sure to not mount in an area that would affect the vehicle the air bag.
U-Bracket – Position the U-bracket in the selected mounting location, and drill mounting holes.
Then secure the U-bracket to the vehicle, and the siren to the U-bracket.
Console – The siren can be mounted into the console by using the hardware supplied by console manufacturers. The siren is secured onto the console brackets the same way as the U-bracket.
Microphone Clip – Select a good location for mounting the microphone clip for easy accessibility of the microphone.
WARNING: Do not interfere with the proper operation of the vehicle airbag deployment system.
WIRING
Use wires that are capable of handling the required current. Route the wires properly to prevent wear, overheating and interference with air bag deployment. Ensure that all
connections are tight and double check wiring before connecting to the vehicle battery.
ELECTRICAL CONNECTIONS
Electrical connections to the unit are made by using block plugs and screw terminals located on the rear. Route all wiring to the siren and secure onto block plug terminals, then plug onto the siren. The plug can be easily removed without unwiring when the unit requires servicing. The power supply for the fused amplifier (12-P plug) must be capable of delivering peak currents up to 50A for adequate short circuit protection and proper operation. It is recommended to wire directly to the vehicle battery.
WARNING: Ensure that all wires are firmly secured onto the block plug, and plug is firmly secured onto the siren.
Wire Size and Termination – The “AMPLIFIER CONNECTIONS” diagram shows the minimum size of the wires used for each connection, along with recommended lead color. If the wire is longer than 10 ft., use the next larger size.
ENA (Enabling) Input Connection – This serves as the power switch for the entire unit. Connect to a positive circuit controlled by the vehicle ignition switch, usually a terminal at the vehicle fuse panel. It is not recommended to make permanent power connection as this may drain battery. The lever switch may also be setup like a power switch, see DIP-SW1-8 (INST_ON) under OPTION SWITCHES section.
HRT (Horn Ring Transfer) Input Connection – This input allows activation by an external source of either the Horn or other function. It can be set for positive or negative switching, see DIP-SW1-1 (HRT_N) under OPTION SWITCHES section.
PKL (Park Kill) Input Connection – This input may be connected to the vehicle door switch or other switching device to turn off any siren tone when activated. It can also turn off the light control by setting the DIP-SW1-3 (PKL_O1) option. Also the siren tone may be set to remain off until a siren control is changed or until the PKL input is deactivated by setting the DIP-SW1-4 (PKL_O2) option; see OPTION SWITCHES Section.
RAD (Radio) Input Connection – Connect to radio output terminals or its speaker. The Radio volume can be adjusted by using the PA Volume control knob on the front panel.
VID (Video) Output Connection – A Video Camera Trigger output is activated with the lever switch or programmed auxiliary switches.
AMPLIFIER CONNECTIONS

LIGHT CONTROL CONNECTIONS
Power – The power input for the light controls (the lever switch and the six auxiliary control switches) are separate from the power inputs for siren. This design helps prevent a fault in one main circuit from affecting another main circuit.
Fuses/Breakers – Each light control output is fused and should be limited to 10 Amps. Proper rated circuit breakers should be connected between the power source and light control power inputs.
WARNING: Improper circuit breakers or fuses can result in damage to the unit and/or vehicle.

PROGRAMMING
Once the electrical connections are made and the power is available to the unit, each position of the lever switch and six auxiliary control switches are ready to be programmed. The programming mode is entered by changing the DIP switch. Follow these steps to program the unit:
Get into program mode.
- Turn unit on with enable input or lever switch.
- Enter the program mode by turning DIP-SW2-7 (PRG) switch on.
Set Auxiliary Control Switch Operation (Lever Switch in OFF Position)
- With Lever switch in off position, each auxiliary switch current operation program status is indicated on the face of the unit using colors and flashing. See the table below for switch status definition.
- Change switch operation by momentarily pushing the switch.
| LED showing | AUXILIARY button setting |
| GREEN Steady | PUSH ON / PUSH OFF (default) |
| RED Steady | PUSH ON / PUSH OFF w/ VID trigger |
| RED Slow Flashing | MOMENTARY |
| RED Quick Flashing | TIMED MOMENTARY (10 or 20 seconds) |
NOTE: The Timed Momentary operation, typically used as a Gun Lock Timer, must begin with switch 6. If switch 6 is programmed as timed momentary, only then switch 5 may be programmed also as a timed momentary and so on.
Each lever switch position 1, 2, or 3 may be programmed to automatically turn on any of the auxiliary switch controls except Timed Momentary (Gun Lock Timer). These auxiliary switch controls may still be operated manually even if they were turned on automatically. Each time the lever switch changes position, the combined auxiliary switch controls are turned on or off. When the lever switch is turned off, the entire auxiliary switch controls tied to a position on the lever switch is turned off while the other auxiliary switches are unaffected.
Set Lever Switch (Position 1, 2, 3) and Auxiliary Switch Combination
- Set the lever switch to the desired position to the program.
- Press the desired auxiliary switch to change LED color to Red. Press the auxiliary switch again to change LED color to Green to remove from combination.
- Once the switches are programmed as desired, save and exit programming mode by turning DIP-SW2-7 (PRG) switch OFF.
NOTE: If the unit is turned off before the DIP-SW2-7 (PRG) switch is turned off, the new programming will not be saved.
OPTION SWITCHES
Various options can be selected by turning on or off DIP switches located on the side of the siren. The DIP SWITCH functions are described below.

DIP-SW1-1 (HRT_N) HRT Input Polarity – The HRT input is normally activated by a positive voltage. Set switch on to activate with negative.
DIP-SW1-2 (PKL_N) PKL Input Polarity – The PKL input is normally activated by a positive voltage. Set switch on to activate with negative.
DIP-SW1-3 (PKL_O1) PKL Option1 – With this switch off, only siren tone is shut off when PKL is activated. Set this switch on to shut off siren tone and light control.
DIP-SW1-4 (PKL_O2) PKL Option2 – With this switch off, siren tone remains off until siren control is changed. With this switch on, siren tone resumes as soon as PKL is deactivated.
DIP-SW1-5 (LV_P) Lever Progressive – See Lever Switch Modes chart.
DIP-SW1-6 (LV_N) Lever Non-Progressive – See Lever Switch Modes chart.
LEVER SWITCH MODES CHART
| DIP SWITCH | LV_P OFF LV_N OFF | LV_P OFF LV_N ON | LV P ON LV_N OFF | LV P ON LV_N ON |
| Lever Position | LV_MODE1 | LV_MODE2 | LV MODE3 | LV_MODE4 |
| OFF | OFF | |||
| 1 | LV1 | LV1 | LV1 • LV3 | LV1 |
| 2 | LV2 | LV2 | LV2 • LV3 | LV1 – LV2 |
| 3 | LV1 , LV2 – LV3 | LV3 | LV1 – LV2 • LV3 | LV1 – LV2 • LV3 |
DIP-SW1-7 (AUTSR_D) – See Code3 mode & AUSTR_D OFF.
DIP-SW1-8 (INST_ON) – The Enable input is normally required to turn on the unit.
Setting this switch on allows the lever switch to turn on the unit without the Enable input.
DIP-SW2-1 (HORN_D) – Horn tone is disabled by setting this switch on.
DIP-SW2-2 (PHASER_D) – Phaser is disabled by setting this switch on.
DIP-SW2-3 (HILO) – HiLo Tone replaces Phaser tone by setting this switch on.
DIP-SW2-4 (MAN_T) – With this switch off, the next siren tone is activated when MAN button is pushed. With this switch on, the next siren tone is activated momentarily for 10 or 20 seconds when MAN button is pushed.
DIP-SW2-5 (TMR) – Timed momentary auxiliary output is on for 10 seconds; set this switch on for 20 seconds.
DIP-SW2-7 (PRG) – Turn this switch on to enter PROGRAMMING mode; see PROGRAMMING section.
DIP-SW2-8 (SR_ADJ) – The siren tone volume is adjustable by setting this switch on. Use PA Vol. knob to adjust volume.
OPERATIONS
POWER (ON/OFF)
The unit can be activated by applying positive voltage to the ENA terminal in the rear.
Normally, this is wired to the ignition switch of the vehicle; it can also be wired to another switch to act as ON/OFF. See “Amplifier Connections” Diagram. The unit can
also be configured to activate with the lever switch without applying positive voltage to the ENA terminal. See DIP-SW1-8 (INST_ON) under OPTION SWITCHES section.
SIREN CONTROLS
ROTARY SWITCH
The rotary switch controls the primary operating modes of the siren.
CONTROL BUTTON CORRESPONDING TONES CHART
| Rotary Switch | Tone | MAN button | + PKL | + MIC | + HRT | HORN button |
| RADIO | WAIL | WAIL / YELP | SILENT | PA | HORN | HORN |
| HF | WAIL | MANUAL SIREN | HF | |||
| STBY | WAIL | WAIL / YELP | HORN | |||
| WAIL | WAIL | WAIL / YELP | ||||
| YELP | YELP | YELP/PHASER | ||||
| PHASER | PHASER | PHASER /YELP |
RADIO – This function amplifies the radio speaker input for re-broadcast outside the vehicle. It is also known as Radio Re-broadcaster, and no siren tones are available in this position. The Radio Volume can be adjusted via the PA volume switch.
HF – “Hand-Free” is a standby position dedicated for HRT (Horn Ring Transfer). When installing the unit, the auxiliary input must be connected to the horn ring or other switching device. Tap the horn ring once to activate Wail tone, then tap again to activate Yelp tone, then tap again to activate Phaser tone; and quickly tap the horn ring twice to shut off siren tone. Constantly press and hold the horn ring will produce Horn tone until released, then the siren will return to its previous siren tone.
STBY – “Standby” is a silent mode that allows Manual, Horn and Public Address operation.
WAIL – A slower changing tone used on highways.
YELP – A rapidly changing tone used in congested area.
PHASER – A very rapidly changing tone used at intersections or in highly congested areas for maximum attention. Phaser may be replaced with HiLo tone or disabled completely. See OPTION SWITCHES section.
“MAN” – MANUAL BUTTON
It provides manual control of siren tone rise and fall while in HF or STBY. While in WAIL, YELP, or PHASER, pressing MAN button can toggle between; see Tones chart. It can also be configured to change tone for only 10 or 20 seconds by setting the DIP-SW2-4 (MAN_T) option; see OPTION SWITCHES section.
HORN BUTTON
It provides a simulated air-horn tone when pressed, and overrides all siren tones except Radio. The Horn tone may be disabled entirely by setting the DIP-SW2-1 (HORN_D) option; see OPTION SWITCHES section.
PA
The noise-canceling microphone is used for public address operation. It will override any siren mode when the button on the side is pressed. The volume can be adjusted using the PA Volume knob. Hold the microphone close to your lips for proper operation.
HRT Input (optional) – The Horn Ring Transfer input may be connected to the horn ring or other switching devices. Activating this input will produce Horn tone or other functions depending on Rotary Switch position.
PKL Input (optional) – The Park Kill input may be connected to the vehicle door switch or other switching device to turn off any siren tone when activated. It can also turn off the light control by setting the DIP-SW1-3 (PKL_O1) option. Also the siren tone may be set to remain off until a siren control is changed or until the PKL input is deactivated by setting the DIP-SW1-4 (PKL_O2) option; see OPTION SWITCHES section.
Timed Override (optional) – With Rotary Switch in WAIL, YELP or PHASER mode, momentarily pressing the MANUAL button will toggle between tones overriding the Wail, Yelp, Phaser tones. The unit can be set to automatically go back to the original tone after 10 or 20 seconds by setting the DIP-SW2-4 (MAN_T) option; see OPTION SWITCHES section.
LIGHT CONTROLS
The 4-position lever switch is used for the primary lighting functions. It provides automatic activation of the siren. There are additional 6 programmable on/off buttons for auxiliary lighting or other device controls.
LEVER SWITCH – The lever switch can be set to operate as a Progressive or Non-progressive switch.
Progressive/Non-progressive Switch – There are 4 different settings available.
This is configured by setting the DIP-SW1-5 (LV_P) and DIP-SW1-6 (LV_N) option; see Lever Switch Modes chart. At each of the 3 lever positions, it is possible to program the additional AUX on/off buttons to be activated together.
Lever Switch Position 3 – At this position, the siren tone is automatically activated. This function can be disabled by setting the DIP-SW1-7 (AUTSR_D) option; see OPTION SWITCHES section.
Video Trigger Output – The video camera trigger output is activated with the lever switch in position 1, 2, or 3. The AUX Switches will also activate trigger.
| Function | OFF | Position 1 | Position 2 | Position 3 | PKL |
| VID Trigger | Depends on setting of auxiliary switches | ON | ON | ON | has no effect |
AUXILIARY SWITCHES – The 6 lighted on/off switches are for controlling other lighting functions or devices. The switches can be programmed for different functions,
and changes from Green to Red when activated. They may also be combined with each lever switch position to automatically be activated.
TROUBLESHOOTING
SAF206S Siren has been designed to provide reliable quality service under the worst condtions. If encounter any difficulties, check its installation or speakers. The following
table represents problems and probable causes.
| PROBLEM | POSSIBLE CAUSE |
| No sound | Loose wires or connectors Bad speaker driver High input voltage (greater than 16V) Fuse ruptured (short circuit) Vehicle supply fuse open PA Volume knob in lowest position (if DIP-SW2-8 SR_ADJ on) |
| No siren tones | Microphone button pressed High input voltage (greater than 16V) Speaker not connected Open circuit in speaker wiring Defective speaker |
| Distorted sound | Bad speaker driver Damaged or loose speaker housing or tip Low voltage to siren amplifier Loose wires or connectors at ENA or SPKR |
| Siren volume low | Speaker connected to wrong tap High resistance in speaker wiring Low voltage to siren Speakers not properly phased PA Volume knob in low position (if DIP-SW2-8 SR_ADJ on) |
| Weak PA | Microphone no held close to mouth Defective microphone Microphone loose connection |
| Intermittent | High input voltage (greater than 16V) Bad speaker driver Unused wires touching vehicle ground or supply |



















