Comelit 48SAE000 Electronic Siren

Outdoor siren with high acoustic output and low absorption, with a selection of 32 tones.
TECHNICAL CHARACTERISTICS
- Max. sound power 110 dB at 1 m
- Max. consumption 39 mA
- Protection rating IP66 (fixing backplate art. 48SAE001 for IP66 not included)
- Power supply voltage 9-30 Vdc
- Dimensions 92 mm (diameter) x 95 mm
LOW BASE IP45
Drill the base for the fixing screws and run the cable either through the base or the pre-drilled holes in the side.
HIGH BASE IP66
To guarantee the IP66 rating for the device, do not drill the base and use backplate 48SAE001 instead.
Use 20 mm cable glands, to be fitted to the relevant preformed parts, and place the seal between the base and the siren body.
ELECTRICAL SPECIFICATIONS
- Operating voltage 9 – 30 VDC
- Not used Switch 6
- Current See tones table
- Operating temperature – 40°C to +70°C
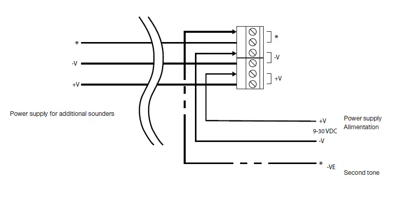
- Synchronization Power-on
No Frequency 2nd Tone Code 12345 Description EN54•3 28Vdc see notes Typ SPL@1m on axis Typ Current mA
| 12V | 24V | 12V | 24V | |||||
| 1 800Hz to 950Hz swept at 120Hz | 4 | 00000 | Banshee Buzz LF | 94 | 101 | 6 | 12 | |
| 2 800Hz to 950Hz swept at 9Hz | 4 | 10000 | Banshee Fast Sweep LF | 98 | 94 | 101 | 6 | 12 |
| 3 800Hz to 950Hz swept at 3Hz | 4 | 01000 | Banshee Slow Sweep LF | 94 | 101 | 6 | 12 | |
| 4 Continuous at 900Hz | 4 | 11000 | Banshee Continuous LF | 94 | 101 | 6 | 12 | |
| 5 830Hz to 970Hz swept at 9Hz | 4 | 00100 | Banshee Fast Sweep LF (New) | 95 | 101 | 6 | 12 | |
| 6 800Hz to 970Hz swept at 1Hz | 7 | 10100 | Medium Sweep LF | 98 | 96 | 101 | 6 | 12 |
| 7 Continuous at 950Hz | 7 | 01100 | Continuous LF | 96 | 102 | 6 | 13 | |
| 8 Intermittent at 950Hz 1 sec on, 1 sec off | 4 | 11100 | Back Up Alarm LF | 96 | 102 | 8 | 14 | |
| 9 Alternating 800Hz/1000Hz at 1Hz | 4 | 00010 | Alternate LF | 94 | 100 | 6 | 13 | |
| 10 800Hz to 1000Hz swept at 0.5 secs | 4 | 10010 | Medium Sweep LF | 95 | 101 | 6 | 12 | |
| 11 Alternating Tones 800/950Hz at 3Hz | 4 | 01010 | Alternate LF | 96 | 101 | 6 | 12 | |
| 12 2400Hz to 2900Hz at 120Hz | 15 | 11010 | Banshee Buzz HF | 102 | 110 | 16 | 35 | |
| 13 2400Hz to 2900Hz at 9Hz | 15 | 00110 | Banshee Fast Sweep HF | 103 | 110 | 17 | 35 | |
| 14 2400Hz to 2900Hz at 3Hz | 15 | 10110 | Banshee Slow Sweep HF | 103 | 110 | 17 | 35 | |
| 15 Continuous 2900Hz | 15 | 01110 | Banshee Continuous HF | 103 | 110 | 19 | 39 | |
| 16 2450Hz to 3100Hz swept at 9Hz | 15 | 11110 | Banshee Fast Sweep HF (New) | 103 | 110 | 18 | 36 | |
| 17 Intermittent at 2900Hz 1 sec on, 1 sec off | 15 | 00001 | Back Up Alarm HF | 104 | 110 | 18 | 36 | |
| 18 Alternating Tones 2400/2900 at 3Hz | 15 | 10001 | Alternate HF | 104 | 110 | 16 | 36 | |
| 19 500Hz rising to 1200Hz over 3.5 sec, silence 0.5 sec | 4 | 01001 | Slow Whoop | 98 | 95 | 101 | 6 | 12 |
| 20 1200Hz falling to 500Hz over 1 sec, silence 10mS | 4 | 11001 | Din Tone (DK) | 97 | 93 | 100 | 5 | 10 |
| 21 554Hz for 100mS and 440Hz for 400mS | 4 | 00101 | French Fire Sounder | 93 | 90 | 96 | 4 | 7 |
| 22 420Hz repeating 0.625 sec on, 0.625 sec off | 4 | 10101 | Australian Alert Signal | 89 | 95 | 3 | 6 | |
| 23 500Hz to 1200Hz sweeping, 3.75 secs on, 0.25 secs off | 4 | 01101 | Australian Evacuation Signal | 95 | 103 | 6 | 12 | |
| 24 950Hz for 0.5 sec on, 0.5 sec off for 3 phases, silence for 1.5 secs | 4 | 11101 | US Temporal Tone LF | 95 | 101 | 5 | 10 | |
| 25 2900Hz for 0.5sec on, 0.5sec off for 3 phases, silence for 1.5 sec | 15 | 00011 | US Temporal Tone HF | 104 | 110 | 13 | 26 | |
| 26 Intermittent 660Hz 150mS on, 150mS off | 26 | 10011 | Swedish Tone (Fire) | 90 | 96 | 3 | 6 | |
| 27 Continuous 660Hz | 27 | 01011 | Swedish Tone (All Clear) | 91 | 97 | 5 | 9 | |
| 28 Intermittent 970Hz 500mS on, 500mS off | 28 | 11011 | ISO8201 LF | 93 | 99 | 5 | 10 | |
| 29 Intermittent 2900Hz 500mS on, 500mS off | 29 | 00111 | ISO8201 HF | 103 | 110 | 13 | 27 | |
| 30 Yodel 800Hz/1000Hz, 0.25sec | 31 | 10111 | BT Banshee (FP1063,1) | 93 | 100 | 6 | 12 | |
| 31 Continuous 1000Hz | 31 | 01111 | BT Banshee (FP1063,1) | 90 | 96 | 6 | 14 | |
| 32 Bell Tone | 32 | 11111 | Bell Tone | 96 | 101 | 12 | 25 |
Volume control allows a decrease of up to 20 dB. All frequencies are rated values.
Column EN54-3 lists CPD approved tones.
The EN54-3 sound levels indicated are SPL minimum values around the highest point of the axes defined in EN54-3 when the volume is at maximum in the low
base model.

Via Don Arrigoni, 5 – 24020 Rovetta (BG) – Ital



















