nuaire MRXBOXAB-ECO4 Mechanical Ventilation Units with Heat Recovery for Wall Mounting Instruction Manual
SAFETY INFORMATION
- The provision of the electrical supply and the connection of the unit to the mains must be carried out by a qualified electrician.
- Isolate from power supply before removing any covers. During installation / maintenance ensure all covers are fitted before switching on the mains supply.
- All-pole disconnection from the mains as shown in the wiring diagram must be incorporated within the fixed wiring and shall have a minimum contact separation of 3mm in accordance with latest edition of the wiring regulations.
- This unit must be earthed.
- Ducting must be securely fixed with screws to the spigot to prevent access to live parts. Duct runs terminating close to the fan must be adequately protected by suitable guards.
- If the supply cord is damaged, it must be replaced by the manufacturer, its service agent or similarly qualified persons in order to avoid a hazard.
- Precautions must be taken to avoid the back-flow of gases into the room from the open flue of gas or other fuel-burning appliances.
- This appliance should not be used by children or persons with reduced physical, sensory or mental capabilities or lack of experience and knowledge, unless they have been given supervision or instruction concerning the safe use of the appliance by a person responsible for their safety.
Children shall not play with the appliance. Cleaning and user maintenance shall not be carried out by children.
- Hazard Symbols
REFER TO INSTRUCTION MANUAL
Read and understand the installation and maintenance manual before installing, operating or maintaining this product. - Important Information
This manual contains important information on the safe and appropriate assembly, transport, commissioning, operation, maintenance, disassembly and simple troubleshooting of the product.
While the product has been manufactured according to the accepted rules of current technology, there is still a danger of personal injury or damage to equipment if the following general safety instructions and the warnings contained in these instructions are not complied with.- Read these instructions completely and thoroughly before working with the product.
- Keep these instructions in a location where they are accessible to all users at all times.
- Always include the operating instructions when you pass the product on to third parties.
- Personal Protective Equipment
The following minimum Personal Protective Equipment (PPE) is recommended when interacting with Nuaire product:- Protective Steel Toed Shoes – when handling heavy objects.
- Full Finger Gloves (Marigold PU800 or equivalent) – when handling sheet metal components.
- Semi Fingerless Gloves (Marigold PU3000 3DO or equivalent)
– when conducting light work on the unit requiring tactile dexterity. - Safety Glasses – when conducting any cleaning/cutting operation or exchanging filters.
- Reusable Half Mask Respirators – when replacing filters which have been in contact with normal room or environmental air.
Nuaire would always recommend a site specific risk assessment by a competent person to determine if any additional PPE is required.
INTRODUCTION
The ECO4 wall mounted units are designed to provide mechanical supply and extract ventilation with heat recovery and an integral automatic HX bypass. The units also incorporate an integral humidistat and frost protection.
To recover heat from the extract air the heat exchanger block is utilised.
The heat exchanger can recover up to 95% of the normally wasted heat

The unit must remain switched on at all times to maintain ventilation within the dwelling. Turning the unit off will cause long term damage to the unit and building fabric.
This appliance is not intended for use by persons (including children) with reduced physical, sensory or mental capabilities, or lack of experience and knowledge, unless they have been given supervision or instruction concerning the use of the appliance by a person for their safety. Children should be supervised so that they do not play with the appliance.
MECHANICAL INSTALLATION
Installation must be carried out by competent personnel in accordance with the appropriate authority and conforming to all statutory governing regulations. All mains wiring must be in accordance with the current I.E.E. Regulations, or the appropriate standards. Ensure that the mains supply (Voltage, Frequency and Phase) complies with the rating label.
A clear working space is required around the installed unit to allow the cover to be removed and provide sufficient access for maintenance such as filter change. A minimum of 480mm is required in front of the unit.
The fan must be installed indoors, on a suitable wall away from direct sources of frost, heat and water spray or moisture generation. For a vibration-free result the unit must be mounted to a solid wall.
The unit must remain switched on at all times to maintain ventilation within the dwelling. Turning the unit off will cause long term damage to the unit and building fabric.
Care must be taken to ensure the unit is installed true in all 3 dimensions. Failure to do so may result in overflow from the internal condensation drip tray.
If fitting the MVHR in conjuntion with a MRXBOX-SIL4 the unit should be mounted using alternative brackets supplied under part code MRXBOX-AV4, the standard wall brackets supplied with the MVHR are not rated for the additional load.
- One part of the mounting bracket (supplied) should be offered up to the wall, ensuring it’s located horizontally. Mark the fixing points through the pre drilled holes in the bracket and install with screws (by others), whilst ensuring the interlock side is at the top (Figure 3).
- Install the unit on the wall by ensuring the bracket on the unit interlocks over the wall mounted bracket (Figure 4). Ensure the mains power cable does not become trapped between the brackets during this process as this will prevent engagement and potentially damage the electrical insulation. The cable gland can be rotated through 90° to assist this operation and subsequent cable routing.

- Solid Wall Mounting
The MVHR unit fixed to a solid wall construction using a suitable mounting structure (supplied by others).
- Non-Solid Wall Mounting
The unit is designed for wall mounting, only on a solid wall. A gypsum block or stud/plasterboard wall will not suffice.
If it is not practical to use a solid wall, the MVHR unit should be fixed to a stud partition with a 25mm minimum thickness MDF panel solidly fixed behind the plasterboard.
If fixing to a stud wall the MDF panel should extend, width wise, over a minimum of 3 vertical studs with centres of no more than 400mm. Add additional vertical supports if necessary. Height wise, ideally, the MDF panel should extend from floor to ceiling but as a minimum should be a least 2m high.
Fix the mounting bracket to the wall (Figure 3) and use the wall mounted bracket to mount the unit on (Figure 5).
- Off-Site Cupboard Construction
For off-site constructed cupboards adequate support must be included in the steel frame to support the weight of the units in operation and to allow for dynamic loads in transit to site.
If the unit is to be bolted to a plywood or MDF backboard then this must be of sufficient thickness to support the unit’s weight and through-bolted with washers fitted to spread the load.
The cupboard manufacturer should satisfy themselves that the method of mounting is sufficient to support the weight of the unit in operation and transit to site.
The top of the unit is to be suitably braced within the cupboard for transport. - Condensate Drain
- The condensate must be discharged under a water level in a U-trap drainpipe or an alternative drain method which acts as an airlock.
- The condensate discharge drain is a 32mm male threaded connection.
- If using a U-trap, please ensure the U-trap has been filled to a suitable level of water to avoid any air locks.
- If the condensation pipe is fitted in an unheated space the pipe should be in insulated to prevent freezing.
An MVHR-DRAIN is recommended for use as the primary condensate take-off (Figures 7 and 8).


- Extract / Input Areas
The unit is designed to extract air from all wet rooms e.g. bathroom, kitchen, en-suite, utility room (with sink). WC’s do not need to be ventilated if openable windows are fitted.
Supply air should be to all habitable rooms e.g. bedrooms and lounge. Extract / input grilles should be adjustable valve types (not supplied). External grilles are to have a minimum free area of 12,250 sq. mm. - Ducting
It is recommended that rigid ducting be used it all times. Flexible ducting has a very high resistance and it is impossible to calculate how much resistance will be on a system if used.
If used, the flexible ducting must be kept to a minimum and should always be pulled taut. A maximum of 300mm should be used on each leg.
To prevent condensation on the exterior of the outside air inlet duct and the air outlet duct from the unit, these ducts should be insulated with material having a thermal resistance of >0.625m2 K/w.
Ducting must be installed in such a way that resistance to airflow is minimised. Bends should be kept to a minimum.
A minimum distance of 200mm between the appliance and any bends in ductwork is recommended. Ideally 200mm diameter or 204 x 60mm rectangular ducting should be used.
Ducting joints must be sealed with silicone type sealant and shall be adequately and reliably fixed to the appliance. - Ventilation Flow Rates
Any air intake terminal must be installed in accordance with the appropriate regulation. As a guide, the BS5440 series of British Standards deals with this issue and currently states that an air intake must be at a minimum distance of 300mm from a gas boiler balanced flue. Installers are advised to be aware of the requirements of this standard when installing ‘through the wall’ supply air ducting.- ADF 2010 Extract Ventilation Rates
Whole Dwelling Ventilation Rates Number Of Bedrooms In Dwelling 1 2 3 4 5 Whole dwelling ventilation rate (l/s)1,2 13
17
21
25
29
- In addition, the minimum ventilation rate should be no less than 0.3
l/s per m² of internal floor area. (This includes all floors, e.g. for a twostory building add the ground and first floor areas). - This is based on two occupants in the main bedroom and a single occupant in all other bedrooms. This should be used as the default value. If a greater level of occupancy is expected add 4 l/s per occupant.
- In addition, the minimum ventilation rate should be no less than 0.3
- Whole Dwelling Ventilation Rates
ADF 2010 – Extract Ventilation Rates Room Minimum High rate Minimum Low Rate Kitchen 13 l/s Total extract rate should be at least the whole dwelling ventilation rate given in table 2. Utility Room 8 l/s Bathroom 8 l/s Sanitary Accommodation 6 l/s - ADF 2010 Ventilation Calculations Design of MVHR Systems
The MVHR system has been sized for the winter period. Additional ventilation may be required during the warmer months and it has been assumed that the provisions for purge ventilation (e.g. openable windows) could be used.
Step 1: For any design air permeability, determine the whole dwelling ventilation supply rate from Whole Dwelling Ventilation Rates table.
As an alternative where the design air permeability is intended to be more than (>) 5m3/(h.m2) 50 Pa, allow for infiltration for all dwelling types by subtracting from the whole dwelling ventilation supply rate from Whole Dwelling Ventilation Rates table; 0.04 x gross internal volume of the dwelling heated space (m3).
Step 2: Calculate the whole dwelling extract ventilation rate by summing the individual room rates for ‘minimum high rate’ from ADF 2010 – Extract Ventilation Rates table.
(For sanitary accommodation only, as an alternative, the purge ventilation provisions given in ADF 2010 can be used where security is not an issue. In this case ‘minimum high extract rate’ for the sanitary accommodation should be omitted from the step 2 calculation).
Step 3: The required airflow rates are as follows:- The maximum whole dwelling extract ventilation rate (e.g. boost) should be at least the greater of step 1 and step 2. Note that the maximum individual room extract rate should be at least those given in ADF 2010 – Extract Ventilation Rates table.
- The minimum air supply rate should be at least the whole building ventilation rate found in step 1.
For Scotland refer to BRE Digest 398.
For further information refer to “Domestic Ventilation Compliance Guide” www.planningportal.gov.uk/buildingregulations/approveddocuments/partl/compliance
- ADF 2010 Extract Ventilation Rates
- Pre Commissioning MRXBOX MVHR Units
MRXBOX units are designed to ventilate the whole dwelling and must not be used during site construction or the clean-up period. Cement and plaster dust can be abrasive and can affect fan performance and reliability. Please ensure that the filters are checked prior to commissioning to ensure there is no build-up of dust or debris.
While the property is drying out, very high moisture levels are likely to occur. Therefore it is advisable that if the installation and building works are complete the unit is left running. If the building works are not complete please close the air valves or cover up the air valves to prevent condensation forming in the ductwork and the MRXBOX unit due to natural migration of warm air.
Dimensions
Circular Ducting
Unit Dimension




Ducting Arrangements – Standard Unit Configuration
- Circular Ducting

- Rectangular Ducting

ALSO FROM NUAIRE –
New
range of thermal ducting, an all-in-one insulated ducting system
(see installation document 671780)

ELECTRICAL INSTALLATION
For good EMC engineering practice, any sensor cables or switched live cables should not be placed within 50mm of other cables or on the same metal cable tray as other cables.
The electrical connection of the unit must be carried out by a qualified electrician. The unit is supplied with a flexible cord for connection to the mains supply.
Wiring is for reference purposes only, connections shown are factory fitted. The unit is pre-wired with a 2 metre fly lead.
Disconnection from the supply mains must be incorporated within the fixed wiring in accordance with the wiring regulations and shall have a minimum contact separation of 3mm.
- Electrical Information
Voltage: 240V 1ph 50Hz
Consumption: 2.5 Amp
This unit must be earthed.
The cable from the mains power supply should be connected to a fixed wiring installation, via a fused isolator, in accordance with current IEE wiring regulations.
- Wiring Diagrams
- Unit Only

- Unit Serving One Bathroom

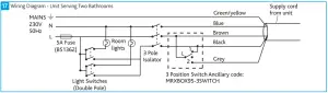
- Unit Serving Two Bathrooms

- Unit Only
- MRXBOX95-3SWITCH Installation
To fix the switch to a wall or back box remove the front fascia by inserting a terminal screwdriver into the two openings along the bottom edge and prize open gently. The fixing points on the back plate can then be accessed; once the switch has been secured the front fascia can then be re-fitted. - EcoSmart Sensors
A single Ecosmart sensor can be connected to the unit using the connector situated on the rear panel (Figure 18). If more than one Ecosmart sensor is required please use MRXBOX-JB and refer to leaflet No. 671700 for installation instructions
COMMISSIONING
The filters fitted inside the unit are protected with a plastic film. Prior to commissioning remove the covers (Figure 21), take off the film and replace.
- For the required air flow rates please refer to the design specification for the property, follow Section 3.7, or refer to building regulations ADF 2010.
- The unit should be run for a minimum of 10 minutes to reach steady state before commencing commissioning.
- The humidity sensor is initially set to its least sensitive position, this should be adjusted during commissioning. Depending on storage and site conditions, the unit may boost due to high relative humidity levels, this will continue until the level drops below the specified set point.
- The unit is supplied with independent control for both normal and boost airflows (Figure 19).
- Correct commissioning is essential to ensure the ventilation air flow rates are met. It also ensures the unit is not over ventilating and causing excessive power consumption.
- Commissioning should be carried out in accordance with building regulations document “Domestic ventilation compliance guide”. www.planningportal.gov.uk/buildingregulations/approveddocuments/partf/associated. A calibrated moving vane anemometer and hood will be required to carry out commissioning.
- Adjustment valves should be locked in place to prevent further adjustment.
- Once commissioned the home owner / tenant should be informed that the unit should not be adjusted as it will have a detrimental effect on the indoor air quality and could result in condensation and mould growth. The clear panel covering the control has an adhesive panel which should be exposed and sealed post commissioning to prevent tampering.

CONTROLS
- Humidity Adjustment
This product contains an internal humidity sensor fitted into the airflow extracting from the wet rooms. When the unit senses that the humidity exceeds the set point the unit will boost to that set by the commissioned boost speed. The set point can be found on the front of the unit (Figure 19) and is at its least sensitive when turned fully clockwise. Note that the sensor is measuring humidity from all the wet rooms at the same time and should not be relied on to solely boost the unit. Additional switch should be used local to the wet rooms (Section 4.2). - Status Indication
The status of the unit is indicated by a series of LED’s on the front cover.
The variants are listed below.
The display on the unit control panel will not indicate when a higher speed setting has been triggered by an external source, such as an ES-PIR2 etc.
- Integral Automatic HX Bypass
Intake and extract temperatures are monitored at the point the airflows enter the unit, if the range falls within the set parameters the bypass damper is opened automatically to target an indoor comfort temperature all year round.
The extract temperature is an average from all wet rooms. If this exceeds 25°C the unit may go into bypass depending on outside temperatures. - Frost Protection
In the event of the intake air temperature at the unit dropping below the predetermined set point (-5°C as standard) the supply fan will reduce to minimum speed, once the temperature rises above the set point the fan will return to its commissioned speed.
Frost protection will only activate after ten days of continuous run time. If commissioning of the unit is outside of this time frame please notify the after sales department prior to site visit.
MAINTENANCE
It is important that maintenance checks are recorded and that the schedule is always adhered to, in all cases, the previous report should be referred to.
Before commencing work make sure that the unit, switched live and Nuaire control are electrically isolated from the mains supply and switched live supply
Filters
Filters are to be inspected every 6 months and replaced every 12 months (or sooner if required). Failure to do so may impair the performance and energy efficiency of this unit. A flashing LED (Section 6.2) will indicate that a filter change is required. This indication repeats every 12 months and will turn off automatically after 5 Days.
Remove the filter covers on the front panel of the unit by gripping the two circular tabs either end of the filter covers and pulling away from the unit. The filter can now be extracted by pulling the black removal loop on the front edge of the filter. Once the filters have been inspected return or replace them as necessary.
WARRANTY
The 5 year warranty starts from the day of delivery and includes parts and labour for the first year. The remaining period covers replacement parts only.
This warranty is void if the equipment is modified without authorisation, is incorrectly applied, misused, disassembled, or not installed, commissioned and maintained in accordance with the details contained in this manual and general good practice.
The product warranty applies to the UK mainland and in accordance with Clause 14 of our Conditions of Sale. Customers purchasing from outside of the UK should contact Nuaire International Sales office for further details.
Failure to maintain the unit as recommended will invalidate the warranty.
END-OF-LIFE AND RECYCLING
Where possible Nuaire use components which can be largely recycled when the product reaches its end-of-life:
- Fans, motors, controls, actuators, cabling and other electrical components can be segregated into WEEE recycling streams.
- Sheet metal parts, aluminium extrusion, heating/cooling coils and other metallic items can be segregated and fully recycled.
- EPP, plastic ducting, nylon corner pieces, plastic heat exchangers, packaging material and other plastic components can be segregated into mixed plastic and widely recycled.
- Cardboard packaging, wood, and other paper components can be largely recycled or fully processed in energy from waste centres.
- Filter Disposal: Cardboard framed filters should be fully processed in energy from waste centres, contact your local civic amenity site / household waste recycling centre regarding metal / wire framed filters.
- Remaining Items can be further segregated and processed in accordance with the zero waste hierarchy. Please call After Sales Support for further information on items not listed above.
Ensure that Nuaire product is made safe from any electrical / water/ refrigerant supplies before dismantling commences. This work should only be undertaken by a qualified person in accordance with local authority regulations and guidelines, taking into account all site based risks.
AFTER SALES AND REPLACEMENT PARTS
For technical assistance or further product information, including spare parts and replacement components, please contact the After Sales Department.
If ordering spares please quote the serial number of the unit together with the part number, if the part number is not known please give a full description of the part required. The serial number will be found on the identification plate attached to the unit casing.
Telephone 02920 858 400
[email protected]
Technical or commercial considerations may, from time to time, make it necessary to alter the design, performance and dimensions of equipment and the right is reserved to make such changes without prior notice.
REFER TO INSTRUCTION MANUAL

































