
VCAHD150/ UPSAHD150BR
User Manual

VCAHD150 / UPSAHD150BR Features:
- High-Performance CMOS Sensor
- IR LED Low Light Enhancement
- Waterproof (IP69K)
- Compact Size
Contents:
Camera Hardware Kit
Installation and Pin Out:
Specifications
| Mounting Type | External type |
| Image sensor | 1/3″ CMOS camera |
| Resolution | NTSC:720X480 |
| Min illumination | 0 Lux (with IR LED ON) |
| Water resistance | IP69K |
| View angle | 135°(H), 85°(V), 160°(D) |
| Dimension | 66(W)x42(H)x33(D)mm 2.6(W)x1.67(H)x1.31(D)inch |
| Working temperature | -30°C — +80°C |
| Weight | Approx. 0.11kg10.241bs |
Camera hardware

Installation
Pm-drill holes with a VW bit
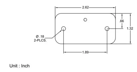
Mounting Surface Hole Dimensions

Recommended drill size for Wiring


2602 Marina Drive • Elkhart. IN 46514
www.asaelectronice.com

















