6332 Sensor Transmitter
User Manual

FCC Part 15 Class B Registration Warning
This equipment has been tested and found to comply with the limits for a Class B digital device, pursuant to Part 15 of the FCC Rules. These limits are designed to provide reasonable protection against harmful interference in a residential installation. This equipment generates, uses, and can radiate radio frequency energy and, if not installed and used in accordance with the instructions, may cause harmful interference to radio communications.
However, there is no guarantee that interference will not occur in a particular installation.
This device complies with part 15 of the FCC Rules. Operation is subject to the following two conditions: (1) this device may not cause harmful interference, and (2) this device must accept any interference, including interference received, including the inference that may cause undesired operation.
If this equipment does cause harmful interference to radio or television reception, which can be determined by turning the equipment on and off, the user is encouraged to try to correct the interference by one or more of the following measures:
- Reorient or relocate the receiving antenna.
- Increase the separation between the equipment and receiver.
- Connect the equipment into an outlet on a circuit different from that to which the receiver is connected.
- Consult the dealer or an experienced radio/TV technician for help.
This device complies with Industry Canada license-exempt RSS standard(s). Operation is subject to the following two conditions: (1) this device may not cause interference, and (2) this device must accept any interference, including interference that may cause undesired operation of the device.
Innovation, Science and Economic Development Canada ICES-003 Compliance Label: CAN ICES-3 (B)/NMB3(B)
Changes or modifications not expressly approved in writing by Davis Instruments may void the warranty and void the user’s authority to operate this equipment.
FCC ID: IR2DWW6312
IC: 378810-6312
Information Regarding Exposure to Radio Frequency Energy: The antenna used for this transmitter must be installed to provide a separation distance of at least 20 cm from all persons and must not be co-located or operating in conjunction with any other antenna or transmitter.
Davis Instruments, 3465 Diablo Ave., Hayward, CA 94545
Power Supply Model identifier: DSA-5PF07-05 FUK 050100 or DSA-5PF07-05 FEU 050100
EC-Declaration of Conformity
Directive 2014/53/EU (RED) and 2014/30/EU (EMC)
Manufacturer/responsible person:
Davis Instruments
Compliance Engineer
3465 Diablo Ave., Hayward, CA 94545 USA
Declares that the products:
6331EU, 6331UK, and 6332OV
Comply with the essential requirements of
2014/53/EU, if used for its intended use. The complete Declaration of Conformity is on our website at
https://www.davisinstruments.com/legal.
The technical documentation relevant to the above equipment will be held at:
Davis Instruments at 3465 Diablo Ave, Hayward CA 94545.
RoHS Compliant.
SENSOR TRANSMITTERS
SOLAR-POWERED AND AC-POWERED
The Sensor Transmitter enables you to create a customized wireless sensor station that can communicate directly with your Vantage Pro2 console, Vantage Connect, or WeatherLink Live. Each transmitter can support up to five different sensors. It comes in two versions: Solar-powered or AC-powered for indoor installations.
Components
The Sensor Transmitter includes the following components and mounting hardware:

Tools for Setup
In addition to the kit, you will need some or all of the following materials:
- Adjustable wrench or 7/16″ wrench
- Compass or local area map
- Ballpoint pen or paper clip (small pointed object of some kind)
- Drill and 3/16″ (5 mm) drill bit (if mounting on a vertical surface)
- Carpenter’s level (if mounting on a vertical surface)
Steps in installing your Sensor Transmitter
- Prepare the Sensor Transmitter and plug in the sensor(s)
- Set the transmitter ID using DIP switches
- Choose a location for the Sensor Transmitter
- Install sensors and test transmission from the proposed mounting location
- Mount the Sensor Transmitter
Prepare the Sensor Transmitter
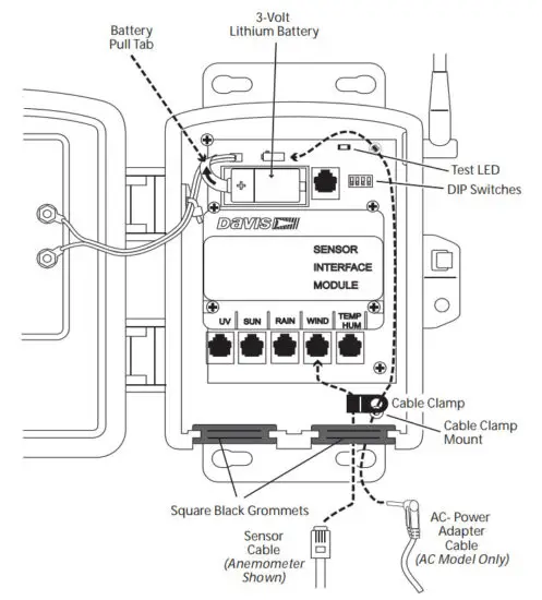
The illustration below shows the sensor interface inside the Sensor Transmitter.

- Remove the battery pull tab and make sure the battery is firmly seated in the battery compartment.
- The AC-powered model only: Push the power cable up through the square black grommet on the bottom right. Plug it into the power jack above the battery compartment.
- Push the ends of the sensor cables up through the square black grommet of one of the weather-resistant entrances for cables.
Tip: You might find it easier to remove the grommet, thread the cable through it and then replace the grommet. - Plug each sensor cable into the correct receptacle according to the label above each receptacle. See “Installing Sensors” on page 7.
- You may place a cable clamp over the cable (or two cables) between the grommet and the receptacle. Secure the cable clamp to the shelter by threading the provided #6 screw through the washer, then the cable clamp, and then screwing it into the cable clamp mount inside the housing.
Set the Transmitter ID
Each wireless transmitter (such as a Vantage Pro2 sensor suite or a Sensor Transmitter) must be set to a different one of eight transmitter IDs. Set the transmitter ID using the DIP switches inside the sensor interface.
DIP switches #1, 2, and 3 allow you to control the ID — the “channel” it will transmit on.
(DIP switch #4 is used for transmission testing, not for transmitter ID.)

Note: The transmitter and your receiver (console, WeatherLink Live, Vantage Connect) communicate with each other only when both are set to the same ID.
The factory default transmitter ID is ‘1’. Your Vantage Pro2console/receiver is factory-set to find a Vantage Pro2 sensor suite on “channel” 1. Looking at the table below, you can see that means all three DIP switches are in the OFF position when each transmitting station leaves the factory, whether it is a sensor suite, a Sensor Transmitter, or another kind of station.
In order for the receiver to “listen” to the Sensor Transmitter as well as the sensor suite, you will need to set your Sensor Transmitter to a different ID number.
Referring to the table below, use a ballpoint pen or paper clip to toggle DIP switches #1, 2, and 3 to set the Sensor Transmitter to transmit on IDs 2, 3, 5, 6, 7, or 8. Make a note of the channel so you can set your receiver to the same ID.
| ID CODE | SWITCH 1 | SWITCH 2 | SWITCH 3 |
| #1 (default) | off | off | off |
| #2 | off | off | ON |
| #3 | off | ON | off |
| #4 | off | ON | ON |
| #5 | ON | off | off |
| #6 | ON | off | ON |
| #7 | ON | ON | off |
| #8 | ON | ON | ON |
Make sure each wireless transmitter in your system is broadcasting on its own transmitter ID.
Note: Make sure your receiver’s ID has been set up to “listen” to the transmitter. See “Using the Sensor Transmitter with a WeatherLink Live” on page 7. See “Using the Sensor Transmitter with a Vantage Pro2 Console” on page 7. Or see the User Guides for more information.
Choose a Location for the Sensor Transmitter
Keep the following factors in mind as you choose a location for your Sensor Transmitter.
- If mounting the Solar-Powered Sensor Transmitter outdoors, mount it so that the solar panel gets the most sunlight during the day; generally this means facing south in the Northern Hemisphere, and facing north in the Southern Hemisphere.
- Mount the Sensor Transmitter within range of the receiver. The range of your radio transmission depends on many factors. Try to position the Sensor Transmitter and your console/receiver as close as possible for best results. The range is up to 1000′ (300 m), line-of-sight, under optimal conditions. The typical range under most conditions is 200′ to 400′ (60 to 120 m), but this may be reduced by walls, ceilings, trees, or foliage. Radio-frequency interference (RF) can also reduce transmission distance. Cordless phones (900 MHz) and ham radios are common examples of RF interference.
A metal roof or other large metal structure can interfere with the signal (aluminum siding, a furnace with metal ducts, and your refrigerator are examples). Sometimes transmission between wireless units is obscured by something you cannot identify, or by some obstacle that you can’t workaround. If necessary, consider using Wireless Repeater #7627 to strengthen the signal or increase the distance between the anemometer transmitter and the receiver. - If you are using the AC-powered model, make sure the mounting location is within reach of a power outlet.
If you are using the Sensor Transmitter with an anemometer:
- You should mount the anemometer at least 4′ (1.2 m) above the roofline for accurate wind readings. The anemometer can be mounted on a pole or on a vertical surface such as a wooden post. It comes with 40′ (12 m) of cable to connect to the Sensor Transmitter, so the Sensor Transmitter will need to be mounted within 40’.
- You should mount the anemometer so that the anemometer arm is extending northward. Otherwise, you will need to calibrate the wind direction on your receiver to display accurate wind directions. See your Vantage Pro2 or Vantage Vue console manual for instructions.
- If you need to increase the distance between your anemometer and the Sensor Transmitter, use extension cable #7876 from Davis Instruments. Please be aware that maximum wind speed reading decreases as the total length of cable from the anemometer to the sensor suite increases. If this distance is greater than 240′ (73 m), the maximum wind speed may be less than 100 mph (161 kph).
Note: Not all cables are compatible with your system. To be sure they will work, order Davis extension cables from your dealer or directly from Davis Instruments.
Test Transmission from Proposed Location
It is very important to test reception from the proposed location before permanently mounting the sensor and Sensor Transmitter.
Place the Sensor Transmitter at the intended mounting site, or have someone hold it there, so you can walk around with the console/receiver for a few minutes. Rotating the antenna may help to improve reception.
Test wireless reception anywhere you might want to use or mount your console/receiver now or in the future. Take your time. If you aren’t picking up strong signals where you intend to place your receiver, better to move the Sensor Transmitter now than after it has been mounted. Experiment.
If you have irregular terrain in the area, it may interfere with the signal. For example, if the transmitter is mounted downhill from the console/receiver, the ground may block a wide-angle of the transmitted signal.
If You Do Not See Current Readings
First, if using with a console, verify that it is powered and is not in Setup Mode (exit Setup Mode by pressing DONE and holding it for a moment). Then, on the transmitter, ensure that the sensor cable is firmly plugged into the correct jack. Check that the battery is properly installed.
Walk around the room with the receiver, standing for a few moments in various locations to see if you are picking up signals.
If you don’t see current readings no matter where you stand with the receiver, put your transmitter in Test Mode. See “Test Mode” on page 9.
Mount the Sensor Transmitter
You can mount the Sensor Transmitter on a pole or on a vertical surface such as a post or wall.
Note: If using the solar-powered model, remember to position the shelter so the solar panel has maximum exposure to the sun
Mounting on a Pole

- While holding the shelter against the pole, place a U-bolt around the pole and through the two holes at the top of the shelter.
- Place a flat washer, a lock washer, and a hex nut on each of the bolt ends.
- Using an adjustable wrench or 7/16″ wrench, tighten the nuts.
- Place the second U-bolt around the pole and through the two holes at the bottom of the shelter. Put a flat washer, a lock washer, and a hex nut on each bolt end, and tighten the hex nuts.
Mounting on a Vertical Surface
- With a 3/16″ (5 mm) drill bit, drill two holes approximately 2″ (50 mm) apart. Use a carpenter’s level to ensure the holes will be level.
- Drill two more holes 71/32″ below the upper holes.
- Insert the 1/4″ x 1-1/2″ lag screws through the flat washers, and through the holes at the top of the shelter into the post.
Using an adjustable wrench or 7/16″ wrench, tighten the lag screws. - Insert the 1/4″ x 1-1/2″ lag screws through the flat washers, and through the holes at the bottom of the shelter into the post. Using an adjustable wrench or 7/16″ wrench, tighten the lag screws.
- If using the AC-powered model, plug the AC-Adapter into the electrical outlet.
Installing Sensors

Installing Sensors
Using the Sensor Transmitter with a Vantage Pro2 Console
You can use a Sensor Transmitter with a Vantage Pro2 console to install the anemometer at a distance from the rest of the sensor suite, or to add a temperature station or a temperature/humidity station.
Note: Any other combination of sensors will replace the sensor suite.
To set up the console to “listen” to your Sensor Transmitter:
- Enter the Setup mode by pressing the DONE and – buttons at the same time.
- Press DONE again to get to Screen 2: Configuring Transmitter IDs.
- Use the > to scroll through the IDs to the one you have set your Sensor Transmitter to.
- Press the – or + to turn the ID ON.
- Press the GRAPH key to choose the type of station.
| Sensor | Choose Station Type |
| Anemometer | WIND |
| Temperature | TEMP |
| Temperature/Humidity | TEMP HUM |
| Rain, UV, Solar | ISS |
Note: You can add additional Sensor Transmitters up to the limits of the console. (It can “listen” to a maximum of one sensor suite, one wind station, 8 temperature stations, or 8 Temp/Hum stations.)
Using the Sensor Transmitter with a WeatherLink Live
WeatherLink Live can “listen” to 8 different transmitters, in any combination, including 8 sensor suites, or 8 Sensor Transmitters with 5 different sensors installed in each.
To set up your WeatherLink Live to “listen” to your Sensor Transmitter:
- If you have not already done so, install the WeatherLink app and set up your WeatherLink Live.
- In the WeatherLink app, click the Account Icon
then scroll down to your WeatherLink Live and click the > next to it. - Choose Configure Stations.
- Click the ID you have set on your Sensor Transmitter. Choose Sensor Transmitter.
Click Next. - Choose the sensors you have installed in the Sensor Transmitter. Click Next.
- Enter a name for the station (for example, “Cellar Temp Hum”). Click Done.
Install the Sensor(s)
Install the sensors as described in User Guide that came with the sensor.
Note: User Guides are available on our website in the Support Section, or on each product’s page.
Anemometer: You can use the anemometer that came with your Vantage Pro2 sensor suite or use Anemometer (#6410) or Sonic Anemometer. (#6415).
The Anemometer (6410) can be mounted either on a pole or on a vertical surface such as a fencepost. Remember to mount it so the anemometer arm is extending northward.
(Otherwise, you will need to calibrate the wind direction on your receiver for accurate wind directions. See your Vantage Pro2 or Vantage Vue console manual for instructions.) The Sensor Transmitter also can be mounted on a pole or on a vertical surface.
Refer to the user manual for instructions on mounting the Sonic Anemometer (6415).
The anemometer cable should be plugged into the receptacle in the sensor interface labeled “WIND.”
Rain Collector: Use either the AeroCone Rain Collector with Flat Base (#6463) or the AeroCone Rain Collector with Mountable Base (#6465). Plug the sensor cable into the receptacle labeled “RAIN” in the sensor interface.
Temperature Probe: Use either the Stainless Steel Temperature Probe with RJ Connector (#6475) or the Temperature Probe with RJ Connector (#6477). Plug the sensor cable into the receptacle labeled “TEMP/HUM” in the sensor interface.
Temperature & Humidity Sensor: For inside temperature/humidity, use the
Temperature/Humidity Sensor (#6834). For outside temperature/humidity, use either the
Temperature/Humidity Sensor with Radiation Shield (#6830), or the
Temperature/Humidity Sensor with 24-Hour Fan-Aspirated Radiation Shield (#6832).
Plug the sensor cable into the receptacle labeled “TEMP/HUM” in the sensor interface.
UV Sensor: Use UV Sensor (#6490) and Universal Mounting Bracket (#6670). Plug the sensor cable into the receptacle labeled “UV” in the sensor interface.
Solar Radiation Sensor: Use Solar Radiation Sensor (#6450) and Universal Mounting
Bracket (#6670). Plug the sensor cable into the receptacle labeled “SUN” in the sensor interface.
A Note on Securing Cables

To prevent fraying or cutting of cables, secure them so they will not whip about in the wind. Secure a cable to a metal pole by wrapping electrical tape around them both. Make sure cables are secure by placing clips or ties approximately every 3 – 5′ (1 – 1.6 m).
Note: Do not use metal staples or a staple gun to secure cables. Metal staples—especially when installed with a staple gun—have a tendency to cut the cables.
If you haven’t used the entire length of the anemometer cable, secure the remaining coil by taping it to the pole or hanging it on a hook on the post. Place the coil at least 6″ away from the antenna.
Troubleshooting
“I see no current data.”
Check the sensor cable’s RJ connectors to make sure they are firmly plugged into the correct receptacle.
If you have placed the Sensor Transmitter into Test Mode, make sure you have turned off DIP switch #4.
Check the battery and replace if necessary.
Bring the receiver closer to verify that the transmitter is actually transmitting.
Use the Sensor Transmitter’s Test Mode to further investigate the problem.
Test Mode
DIP switch #4 on the SIM (see illustration on page 3) is the TEST DIP switch. Switch it to the ON position using a ball-point pen or paper clip. This puts the transmitter in Test Mode. An LED indicator light, located above and to the right of the battery compartment, will flash each time the transmitter broadcasts a signal, which should be every 2.5 seconds.
If the LED flashes only once and then remain dark, there is a problem with the Sensor Transmitter. See “See “Contacting Davis Instruments” on page 10.
If the LED flashes repeatedly but your receiver isn’t picking up a signal anywhere in the room, it could be related to one of the following causes:
- The DIP switches were not correctly set on the Sensor Transmitter. See “Set the Transmitter ID” on page 3.
- The ID was not correctly set on the receiver.
- Reception is being disrupted by RF (radio frequency) interference. Interference has to be very strong to prevent the console from receiving a signal while in the same room as the anemometer transmitter!
- There is a problem with the receiver. See “Contacting Davis Instruments” on page 10.
Note: Remember to turn the Test DIP switch OFF when you’re finished testing the wireless transmission.
If it is left ON, the blinking LED will reduce battery life significantly.
“Readings aren’t what I expected them to be.”
Be very careful. Comparing to measurements from TV, radio, newspapers, or a neighbor is NOT a valid method of verifying your readings. Davis Instruments sensors are carefully tested at the factory. If you have questions, contact Technical Support.
Contacting Davis Instruments
For questions about installing or operating your Sensor Transmitter please contact Davis Technical Support. We’ll be glad to help.
Online www.davisinstruments.com
See the Weather Support section for copies of user manuals, product specifications, application notes, software updates, and more.
E-mail [email protected]
Telephone (510) 732-7814
Monday – Friday, 7:00 a.m. – 5:30 p.m. Pacific Time.
Note: Please do not return items to the factory for repair without prior authorization.
Specifications
- Temperature range: –40 to 150° Fahrenheit (–40 to 65° Celsius)
- Wireless transmission frequency:
US: 90 2 – 928 MHz
Overseas models: 868.0 – 868.6 MHz FHSS (product # includes “OV”) - Transmitter ID codes: 8 user-selectable
- License: low power (less than 8 mW), no license required
- Power input:
Solar-powered model: Primary power from the solar panel; secondary power from CR-123A 3-volt lithium battery or optional Vantage AC-power adapter AC-Powered model: Primary power from AC-power adapter, secondary power from CR-123A 3-volt lithium battery. - Battery life: Up to 9 months without sunlight.
Sensor Transmitter Manual
Product Numbers: 6331, 6331EU, 6331UK, 6332, 6332OV Document Number: 07395.359 Rev. C (5/28/21)
Vantage Pro2™, Vantage Vue®, and WeatherLink Live™ are trademarks of Davis Instruments Corp., Hayward, CA. Copyright © 2021 Davis Instruments Corp. All rights reserved.
This product (models 6331EU, 6331UK & 6332OV) complies with the essential protection requirements of the Radio Equipment Directive 2014/53/EU. The complete Declaration of Conformity is on our website at https://www.davisinstruments.com/legal. RoHS Compliant.

3465 Diablo Avenue, Hayward, CA 94545-2778 U.S.A.
510-732-9229 • Fax: 510-732-9188
E-mail: [email protected]
www.davisinstrumentscom















