AVANTCO MX60 Gear Driven 60 Qt Commercial Mixer

Standard Accessories

| Item | Description | Qty |
| 1 | Flat Beater | 1 |
| 2 | Dough Hook | 1 |
| 3 | Wire Whip | 1 |
| 4 | Bowl | 1 |
NOTES
Any agitator is easily installed by simply raising it onto the mixing axle, and the rotating it clockwise on the shaft until it locks into place. To remove, raise the agitator on the shaft until it clears the lock and then rotate counterclockwise and lower. All of the accessories are precisely fitted to the bowl, have rounded corners, and are easily removed for cleaning.
Unpacking the Equipment and Initial Setup
Carefully remove crating or packaging materials from the equipment. Models shipped on pallets are bolted to the pallet.Bolts must be removed to safely separate thequipment from the pallet. Place the equipment on a flat surface with sufficient space around the mixer to allow for safe cleaning and service. This product must be hardwired; it does not plug into a standard wall outlet. Have a licensed electrician connect the unit to the power supply.
INSTALLATION
- DO NOT install if you do not understand everything.
- Select a location for the mixer keeping in mind that surface must be level.
- Location should be accessible for maintenance and service.
- Location should offer adequate clearance for installing and removing agitators, bowls or attachments.
- Location offers sufficient space for adding ingredients to the mixer.
- Make sure that the rear ventilation outlet of the mixer is not blocked.
Operation Instructions
Please ensure that your power supply matches your machine.This mixer does not come with a plug and must be hard wired. Consult a professional Electrician for installation.
For changing the speed: Please stop machine first before changing speed in order to avoid damage to the gear box. Also make sure that the bowl is in fully lifted position and the guard is closed. Slow Speed is the middle, dough hook setting. The knob will be facing forward. Medium Speed is the bottom, flat beater setting. The knob will be straight down. High Speed is the top, whisk setting. The knob will be straight up.
Mxing
Always use the correct attachement for job.
Wire Whip

Suitable for mixing liquids and soft ingredients, can work in all speeds. Do not run for more than 15 minutes.
Flat Beater

Suitable for mixing dry ingredients, can work in low & medium speeds only. Do not use in high speed. Do not run for more than 15 minutes.
Dough Hook

Suitable for mixing dough, can work in low & medium speeds only. Do not use in high speed, do not run for more than 20 minutes. Absorption ratio must be more than 50%. Refer to mixer capacity chart.
Mixer Capacity Chart

When mixing dough (pizza, bread or bagels, check your AR absorption ratio – water weight divided by flour weight. Above capacities based on 12% flour moisture at 70°F water temperature. If high gluten flour is used, reduce above dough batch size by 10%.Example: If recipe calls for 5 lb. of water and 10 lb. of flour, then 5 divided by 10 = 0.50 x 100 = 50 %AR. 2nd Speed should never be used on mixtures with less than 50% AR. Do not use attachments on hub while mixing. When calculating the correct size mixer for your application, here are some helpful weights & measures: 8.3 lb. = 1 gallon of water – 2.08 lb. = 1 Quart.
TOP COVER AND HAND CART


| Description | Qty | |
| 1 | top cover | 1 |
| 2 | start switch | 1 |
| 3 | urgent stop | 1 |
| 4 | timer relay | 1 |
| 5 | body | 1 |
| 6 | foot wheel | 3 |
| 7 | pulling board | 1 |
| 8 | joint | 1 |
| 9 | handle | 1 |
CENTER AXLE

| Description | Qty | |
| 1 | Center axle roundlet board | 1 |
| 2 | Up board | 2 |
| 3 | Gear ring | 1 |
| 4 | Engager | 1 |
| 5 | Center axle | 1 |
| 6 | Center axle ring | 1 |
| 7 | Mid-speed passive gear | 1 |
| 8 | Gasket | 1 |
| 9 | Small join | 1 |
| 10 | Small join gasket | 1 |
| 11 | High-speed passive gear | 1 |
| 12 | Gigh-speed passive copper | 1 |
| 13 | Oil seal 60*90*10 | 1 |
| 14 | Bearing 6210 | 1 |
| 15 | Oil seal 50*80*10 | 1 |
| 16 | Ring for center axle | 1 |
| 17 | Key 12*8*60 | 1 |
| 18 | Mid-speed passive gear copper | 1 |
| 19 | Ring for axle 42*1.5 | 1 |
| 20 | Nut M4 | 3 |
| 21 | Roller | 5 |
| 22 | Roller withstand | 5 |
| 23 | Spring 8*1*18 | 5 |
| 24 | Screw M4*30 | 3 |
| 25 | Bearing 6207 | 1 |
| 26 | Spring gasket 24 | 1 |
| 27 | Nut M24 | 1 |
NOTES
Be sure that the keys are inserted for each gear. Check oil seal (15), if serious oil leaks from drip cup.
GEAR AXLE

| Description | Qty | |
| 1 | Axle | 1 |
| 2 | Bearing 80207 | 2 |
| 3 | Sleeve | 1 |
| 4 | Gear | 1 |
| 5 | Sleeve | 1 |
| 6 | Gear | 1 |
| 7 | Sleeve | 1 |
| 8 | Gear | 1 |
| 9 | Sleeve | 1 |
| 10 | Gear | 1 |
| 11 | Screw M10*20 | 2 |
| 12 | Gasket | 2 |
NOTES
Be sure that the keys are inserted for each gear.
MOTOR

| Description | Qty | |
| 1 | motor | 1 |
| 2 | oil seal | 1 |
| 3 | spiral | 1 |
| 4 | stop ring | 1 |
NOTES
If the motor does not work, first verify the source and connection. Next, check for damagedor faulty wiring or connections inside the mixer. A noworking motor may be the result o inappropriate voltage, broken wires, a defectivecapacitor, or a defective centrifugal governor. Motor damage may be caused by bowl overload during mixing.
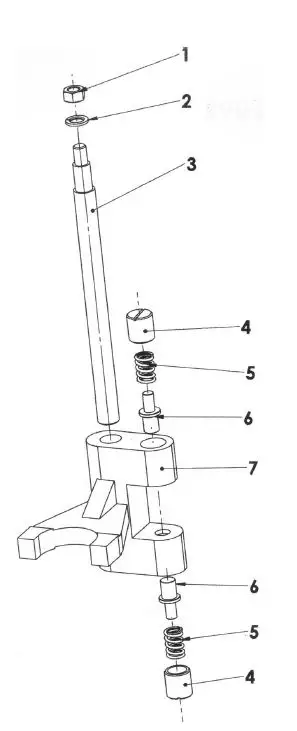
FORK
| Description | Qty | |
| 1 | Nut | 1 |
| 2 | Spring gasket | 2 |
| 3 | Fork axle | 1 |
| 4 | Fork nut | 2 |
| 5 | Fork spring | 2 |
| 6 | Fork small axle | 2 |
SPEED BLOCK

| Description | Qty | |
| 1 | Screw | 4 |
| 2 | Speed block | 1 |
| 3 | Steel ball | 4 |
| 4 | Spring | 4 |
| 5 | O ring | 1 |
| 6 | Stop ring | 1 |
| 7 | O ring | 1 |
| 8 | Speed shaft | 1 |
| 9 | Eccentricity knot | 1 |
| 10 | Pin | 1 |
BOWL LIFTER UNIT

| Item | Description | Qty |
| 1 | safefy covering switch | 1 |
| 2 | fluctuate safety switch | 1 |
| 3 | AC contact device | 1 |
| 4 | reactor | 1 |
| 5 | AC contact device | 1 |
| 6 | timer relay | 1 |
| 7 | board | 1 |
| 8 | screw | 2 |
| 9 | ring | 2 |
| 10 | nut | 2 |
| 11 | arm | 1 |
| 12 | gear | 1 |
| 13 | bearing | 1 |
| 14 | key | 1 |
| 15 | thread bar | 1 |
| 16 | nut | 1 |
| 17 | gear | 1 |
| 18 | key | 1 |
| 19 | handle axle | 1 |
| 20 | key | 1 |
| 21 | handwheel | 1 |
| 22 | arm lead pole | 2 |
TURNING PLATE AND MIXING AXLE

| Description | Qty | |
| 1 | Inner gear | 1 |
| 2 | Screw | 6 |
| 3 | Nut | 1 |
| 4 | Spring gasket | 1 |
| 5 | Gasket | 1 |
| 6 | Plantaty gear | 1 |
| 7 | Bearing | 1 |
| 8 | Turning plate | 1 |
| 9 | Spring gasket | 1 |
| 10 | Nut | 1 |
| 11 | Bearing | 1 |
| 12 | Oil seal | 1 |
| 13 | Key | 1 |
| 14 | Mixing axle | 1 |
| 15 | Pin | 1 |
| 16 | Safety net | 1 |
ELECTROMOTION TYPE BOWL LIFTER UNIT

| Description | Qty | |
| 1 | Screw M6*16 | 2 |
| 2 | Spring gasket 6 | 4 |
| 3 | Gasket | 2 |
| 4 | Lift big belt wheel | 1 |
| 5 | Screw M6*25 | 2 |
| 6 | Bearing 6004 | 2 |
| 7 | Lift gear box cover | 4 |
| 8 | Screw M4*14 | 2 |
| 9 | Bearing cover | 2 |
| 10 | Motor transmission axle | 1 |
| 11 | Key 5*12 | 1 |
| 12 | Gear | 1 |
| 13 | Stop ring 18 | 1 |
| 14 | Lift gear box | 1 |
| 15 | Oil cover | 1 |
| 16 | Nut M12 | 1 |
| 17 | Spring gasket 12 | 1 |
| 18 | Gasket | 1 |
| 19 | Lift big taper gear | 1 |
| 20 | Key 8*12 | 1 |
| 21 | Gear | 1 |
| 22 | Gear gasket | 1 |
| 23 | Bearing 6005 | 1 |
| 24 | Oil seal 30*45*10 | 1 |
| 25 | Lift small taper gear | 1 |
| 26 | Ring | 1 |
| 27 | Key 6*25 | 1 |
| 28 | Lift wheel axle | 1 |
| 29 | Key 6*28 | 1 |
| 30 | Lift thread bar | 1 |
| 31 | Lift motor belt wheel | 1 |
| 32 | Lift motor | 1 |
| 33 | Switch | 2 |
| 34 | Urgent switch | 1 |
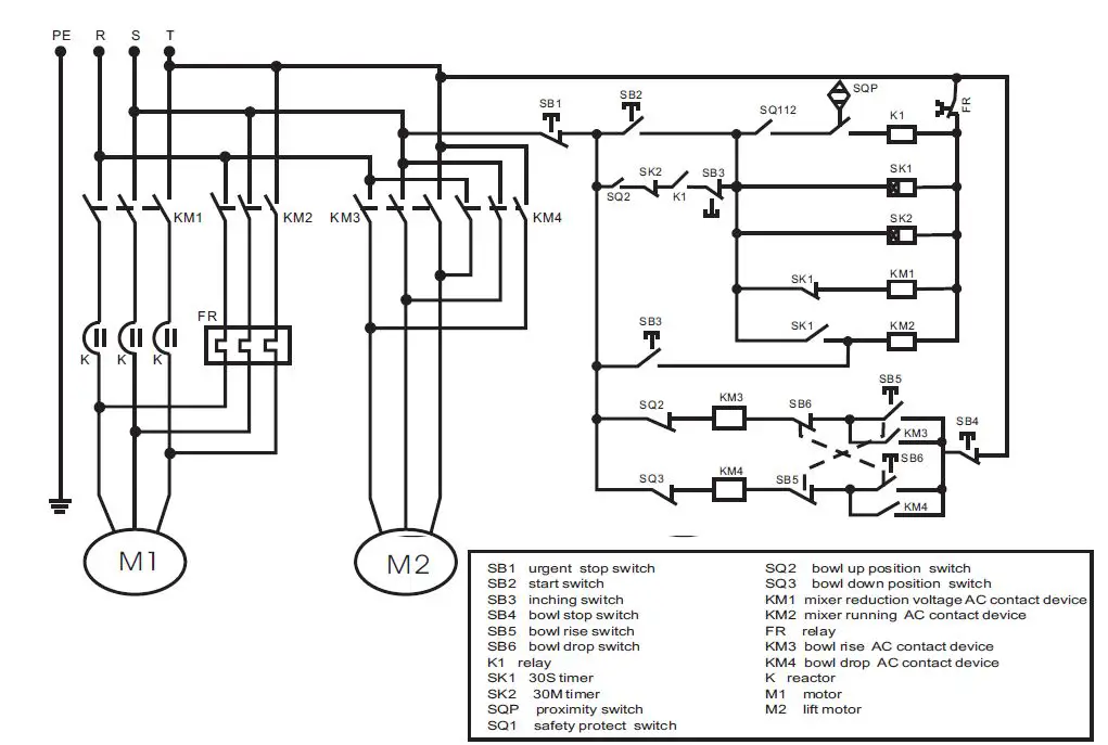
THREE PHASE MOTOR DIAGRAM

177MX60 SPECIFICATIONS
| Type | MX60 |
| Capacity | 60 QT |
| Power Supply | 240V |
| Phase | 3 |
| Input Power | 1750W |
| Hertz | 60 Hz |
| Horsepower | 2 1/2 HP |
| Max. Flour Capacity | 50 LB |
Cleaning
WARNING
DISCONNECT THE MACHINE FROM THE POWER ! SOURCE BEFORE CLEANING. All new mixer bowls and accessories including whips, beaters, and dough hooks should be properly washed before use. Wash with hot water and a mild soap solution and then rinse off with either a mild vinegar or soda solution and then rinse again with clean water. It is highly recommended this cleaning procedure is followed for bowls and accessories prior to whipping egg whites or whole eggs. The mixer should be cleaned daily with a clean damp cloth. If the unit has not been used for some time, it is recommended that the procedure above is followed before mixer use. It is important that the rear bowl lift guides are greased every three months to prevent corrosion.
Troubleshooting
| The mixing bowl is out of position Moving direction is not correct Change | ||
| Leaks oil | Sealing washer is damaged | Change |
| Difficult to move the bowl up and down | Slideway is rusted | Clean the slideway and lubricate |
| The motor is overheated | The voltage is not enough, or | Check the voltage or use |
| and speed is down | incorrect speed | lower speed |
| Noise and overheating | Poor lubrication | Add or change lubrication |
| Mixer touches bowl | The mixing device or bowl de- formed | Repair or change the bowl or mixing device |


















