MIXING CONSOLES
OWNER MANUAL
MANUALE UTENTE
HIGH-PERFORMANCE PROFESSIONAL
COMPACT LIVE MIXER
MIXER PROFESSIONALE LIVE
COMPATTO AD ALTE PRESTAZIONI
F 10XR
SAFETY PRECAUTIONS
Before connecting and using this product, read the instructions provided in this manual carefully and keep it for future reference.
This manual is an integral part of the product and it must accompany it even in the case of changes of ownership so that the new owner is aware of the method of installation and use and all safety warnings. Incorrect installation and use of the product shall relieve RCF S.p.A. of any and all liability.
CAUTION: To prevent the risk of flames or electric shock, do not ever expose this product to rain or humidity.

WARNINGS
- All warnings, in particular those relating to safety, must be read with special attention, as they contain important information.
- MAIN SUPPLY FROM THE MAINS
– The supply voltage of the device is sufficiently high to constitute a risk of electric shock to persons: never install or connect the device with the power supply cable plugged into the mains.
– Before powering this product, make sure that all connections are correct and that the voltage of your mains supply matches the value on the device data plate; if this is not the case, please contact an RCF dealer.
– The metal parts of the device are earthed via the power supply cable.
– A device with CLASS I construction must be connected to the mains socket with a protective earthing connection.
– Make sure that the power supply cable of the device cannot be stepped on or crushed by objects, to make sure it remains intact and in perfect working order.
– To avoid the risk of electric shock, never open the device: there are no parts that can be used by the user inside. - Do not allow objects or liquids to penetrate the product, as this may cause a short circuit. The device must not be exposed to dripping or splashing water; no naked flame sources (e.g. lighted candles) and no objects filled with liquid (e.g. vases) must be placed on top of the device.
- Do not perform any work/modifications/repairs except for those expressly described in this manual. Contact an authorized service centre or highly qualified personnel when:
– the device is not working (or is working abnormally);
– the power supply cable has been seriously damaged;
– objects or liquids have penetrated the device;
– the device has undergone major knocks.
IMPORTANT - If this product is not used for long periods of time, unplug the power supply cable from the mains.
- If the product releases abnormal odors or smoke, turn off the power immediately and unplug the power supply cable.
- Do not connect this product to other devices and accessories not envisaged. Do not try to hang this product using elements that are not designed or suitable for this purpose. To avoid the risk of falling, do not stack multiple units of this product unless this option is expressly specified in the instruction manual.
- RCF S.p.A. strongly recommends that the installation of this product be carried out only by professional qualified installers (or specialized installation companies) able to do it properly and to certify an installation in accordance with the applicable regulations in force. The entire audio system must comply with the applicable rules and regulations regarding electrical systems.
- Stands and Carts
Where envisaged, the product should only be used on carts or stands recommended by the manufacturer. The device-stand / device-cart assembly should be moved with the utmost care. Sudden stops, excessive pushing force, and uneven or tilted floors could cause the assembly to overturn. - Hearing loss
Exposure to high sound levels can cause permanent hearing loss. The sound pressure level dangerous to one’s hearing varies greatly from one person to another and depends on the duration of exposure. To avoid potentially dangerous exposure to high sound pressure levels, anyone who is exposed to these levels must use adequate protection; when a transducer capable of producing high sound levels is in use, earplugs or protective headsets must be worn. See the technical instruction data to find out the maximum sound pressure levels that the speakers are capable of producing. - Place the product away from heat sources and ensure adequate air circulation all around.
- Do not overload this product for extended periods of time.
- Never force the controls (buttons, knobs, etc.).
- Do not use solvents, alcohol, petrol or other volatile substances to clean the external parts of the unit; use a dry cloth.
- Do not point microphones near and in front of the speakers, so as to avoid any feedback (“Larsen effect”).
NOTE ON CABLES FOR AUDIO SIGNALS
To prevent the occurrence of noise on the cables that carry signals from the microphones or on the line (for example 0 dB), use only screened cables and avoid laying them in the vicinity of:
- equipment that produces strong electromagnetic fields;
- cables from the power mains;
- speaker lines.
RCF S.p.A. thank you for buying this product, which was made in order to ensure reliability and high performance.
INFORMATION ON THE DEVICE
Thank you for purchasing an RCF mixing console.
F 10XR is a versatile audio mixer equipped with all the tools needed for accurately processing multiple audio signals from a variety of sources.
CLEAR SOUND
RCF mixing console devices combine RCF’s professional “sound culture” heritage with innovative design and dedicated manufacturing. RCF mixing consoles produce clear sound, accurate dynamics, and extreme versatility of use by passionate audio professionals. RCF mixing consoles are designed to match perfectly with RCF active speakers.
RELIABILITY
All RCF mixing consoles undergo four extensive instrumental quality tests during construction. A listening test is carried out at the end of production followed by a final quality control inspection to locate any visible defects, such as scratches or dents. The process guarantees outstanding reliability making sure that the device you have purchased is of the highest quality.
DESIGN
The unique design of RCF mixing consoles is an example of typically Italian RCF flair and creativity. RCF mixing consoles combine modern, ergonomic design. In addition to their striking appearance, the original side profiles of the mixers make them easy to grasp securely.
DESCRIPTION AND MAIN CHARACTERISTICS
F 10XR is a versatile analog audio mixer, equipped with all the tools required for the accurate processing of multiple audio signals from different sources.
F 10XR provides an internal PRO DSP FX: the DSP unit offers 16 predefined effects presets: 10 reverbs, 3 delays, and 3 modulation effects.
F 10XR AUDIO INPUTS
- CHANNELS 1 to 4: Microphone or Line inputs with separate XLR and TRS jack connectors, three-band EQ.
- CHANNELS 3/4 and 5/6: STEREO inputs for LINE level stereo signals (double TRS jack) with a three-band equalizer.
- CHANNELS 7/8 and 9/10: STEREO inputs for LINE level stereo signals (RCA or double TRS jack) with a two-band equalizer.
F 10XR AUDIO OUTPUTS
- MAIN MIX main stereo output with XLR male connectors (balanced) and TRS jack.
- CONTROL ROOM OUTPUT with TRS balanced jack-out connectors.
- 1 AUX OUTPUT (Balanced TRS jack).
- 1 FOOTSWITCH jack socket (TS jack) for foot control for the activation or deactivation of effects.
- 1 phone headphone outputs (1/4” stereo jack)
- USB audio port for stereo recording and playback to/from the dedicated computer.
- External PSU 100 V-240 V, 50-60 Hz, 24 W – Supplier: GME, Model: GME 24A-120200FXR
PHYSICAL SPECIFICATIONS
- Dimensions: L = 290 mm, W = 270 mm, H = 88 mm
- Weight: 2,8 Kg
FRONT PANEL
REAR PANEL
FRONT PANEL FUNCTIONS
[1] MIC INPUTS
RCF F 10XR provides 4 mono Mic inputs via XLR connectors (Ch. 1 to 4). The Balanced XLR Microphone preamp input provides a gain range from 0 dB to -50 dB. All the F 10XR’s MIC-LINE inputs are supplied with an 80 Hz Hi-pass filter. Enable the 80 Hz Hi-Pass filter when using a voice microphone to reduce low-frequency pop, bump and rumble noises (see section [10] and [11] of this manual). +48 V Phantom Power is provided for the Mic input 1 to 4. Enable the Phantom power in presence of condenser and electret microphones or in the event of D.I. box usage (see section [16] of this manual).
[2] LINE INPUTS
Line inputs TRS jack 1 and 2 provide a gain of +20 dB to -30 dB to line sources.
[3] STEREO INPUTS 3/4 AND 5/6
TRS jacks 3/4 and 5/6 provide stereo inputs for line sources. Note that MONO sources can be connected to jack inputs 3 and 5.
[4] STEREO INPUTS 7/8 AND 9/10
RCA and TRS jacks 7/8 and 9/10 provide stereo inputs for line sources. Note that MONO sources can be connected to jack inputs 7 and 9.
[5] MAIN OUTPUTS
These XLR male connectors provide +4 dB balanced audio output coming from MAIN MIX. Connect your main speaker system to XLRs, named L and R. The audio level of MAIN MIX OUT L and R is controlled by the dedicated MAIN MIX rotary knob (see section [31] of this manual). L and R XLR MAIN MIX outputs are replicated with L and R TRS jack.
[6] CTRL ROOM OUTPUT
Connect to the Control Room Output Balanced jacks a pair of studio monitors as a local listening system. The audio level of the CTRL ROOM output is controlled by the dedicated CONTROL ROOM potentiometer on the front panel (see section [20] of this manual).
[7] FOOTSWITCH
This TS jack connector allows the use of MOMENTARY switches or foot pedals to MUTE and UN-MUTE the audio coming from the internal FX return. When the FX is muted via footswitch the red LED near the FX MUTE button lights up (see the section [28] of this manual). In this state, the effect can be unmuted either by pressing the FX MUTE button or the FOOTSWITCH again.
[8] AUX/FX OUTPUT
This TRS jack connector provides +4 dB balanced audio output from the auxiliary send. Connect your stage monitor or external effects input here (see the section [21] of this manual).
[9] PHONES OUTPUT
Connect headphones here to listen to the MAIN MIX. To avoid hearing loss, set the PHONES LEVEL control to a minimum (-∞) before connection and wear headphones (see section [24]).
[10] CHANNEL 1 AND 2 GAIN
MIC input (XLR). This control permits the gain for MIC input to be set with a range from 0 dB to -50 dB. If the LINE INPUT (TRS jack) are in use the gain range permitted is from +20 dB to -30 dB. All the F 10XR’s MIC-LINE inputs are supplied with an 80 Hz Hi-pass filter. Enable the 80 Hz Hi-Pass filter when using a microphone for voice to reduce low-frequency pop, bump and rumble noises.
[11] CHANNEL 3/4 AND 5/6 GAIN
MIC input (XLR). This control permits the gain for MIC input to be set with a range from 0 dB to -50 dB.
LINE INPUT (TRS jack) has a fixed input level gain.
[12] CHANNEL 7/8 AND 9/10 GAIN
STEREO LINE INPUT (TRS jack). The control allows a gain range from +20 dB to -30 dB.
[13] LEVEL METER

This 12-LED element level meter allows the user to control the Main Mix output level. Keep the output level below the “CLIP” indication to avoid overloaded signals that can cause distortion.
[14] COMPRESSORS

Input channels 1 and 2 are provided with intuitive and powerful single-control dynamic compressors.
With thresholds and ratio parameters optimally designed, the F 10XR’s compressors allow even the most dynamically demanding signals to be controlled.
[15] IN USB – IN 9/10 BUTTON
USB IN determines that the stereo audio channels played from an external computer connected to the USB port are routed to the stereo channel 9/10. When the button is in the upper position (not pressed) the audio coming from LINE INPUT 9/10 is routed to MAIN MIX; If the USB IN button is pressed the audio coming from an external computer is routed to the stereo channel 9/10; in this instance, the USB audio substitutes the analog audio input and takes advantage of all the features provided by the stereo channel, such as EQ, AUX send, BAL and rotary knob control.
[16] PHANTOM POWER +48 V CH1/4 SWITCH

Dedicated to the Mic inputs, this switch enables the +48 V Phantom Power to Mic inputs: 1-4. Enabling the Phantom power is necessary in the presence of Condenser and Electret Microphones or in case of D.I. box usage.
[17] EQ (MONO CHANNELS)

All the F 10XR’s mono channels and stereo channels 3/4 and 5/6 are provided with a sophisticated and precise 3-band EQ. Low-frequency control sets in at 100 Hz with a gain of +/-15 dB and shelving curve.
High-frequency control sets in at 10 kHz with a gain of +/-15 dB and shelving curve. Mid-frequency control sets in at 1250 Hz with a gain of +/-15 dB and bell curve.
[18] EQ (STEREO CHANNELS)

Stereo channels 7/8 and 9/10 are provided with HIGH and LOW EQ. Hi, frequency control sets in at 10 kHz with a gain of +/-15 dB and shelving curve. Low-frequency control sets in at 100 Hz with a gain of +/-15 dB and shelving curve.
[19] PRO DSP FX

F 10XR is equipped with an internal 16 preset FX board. Rotating the encoder allows selection between 16 great sounding effects:
| 01. SMALL HALL 02. LARGE HALL 03. SMALL ROOM 04. BRIGHT ROOM | 05. THIN PLATE 06. PLATE 07. SPRING REVERB 08. MULTITAP DELAY | 09. ANALOG DELAY 10. CHORUS VERB 11. STEREO CHORUS 12. FLANGER | 13. PHASER 14. GATED REVERB 15. FLANGER REVERB 16. VOCAL ECHO |
Select one of these effects presets to enrich your sound.
[20] CTRL ROOM LEVEL KNOB
This is the level control of the signal routed to CTRL ROOM OUTPUT [6]. During the use of the mixer, the MAIN MIX signal is routed to this output.
[21] AUX/FX SEND
Each channel of the F 10XR mixer is provided with an auxiliary send; the AUX/FX SEND is a post-fader send. The AUX/FX send to feed the internal PRO DSP FX board. The signal present in the AUX/FX send is also routed to the AUX OUTPUT jack is present on the top panel (see section [8] of this manual).
[22] AUX/FX MASTER KNOB
This potentiometer controls the MASTER level of all the single AUX SEND.
[23] FX RET ROTARY KNOB
This potentiometer controls the level of the signal coming from the internal PRO DSP FX.
[24] PHONES LEVEL
This knob controls the level of the PHONES OUTPUT (see section [9] of this manual). To avoid hearing loss set this control to a minimum (-∞) before connecting, and wear headphones.
[25] PAN
These controls allow positioning of the signal present in the mono channel in the stereo image of the MAIN MIX.
[26] PAN/BAL
The control works as PAN when the channel is used in MONO configuration (XLR MIC INPUT), defining the position of the signal into the stereo image of the MAIN MIX. BAL (Balance) control allows balancing of the position of the stereo channel (TRS jack line stereo input) into the stereo image of the MAIN MIX.
[27] BAL
These controls, characteristic of stereo channels, allow balancing of the position of a stereo channel into the stereo image of the MAIN MIX.
[28] FX MUTE BUTTON

The FX MUTE button when pressed inhibits the FX RETURN signal to flow to the MAIN MIX. The red LED near the FX MUTE button lights up when the FX RET channel is muted either using the button or via footswitch (see section [7] of this manual).
[29] MONO CHANNELS ROTARY KNOB SECTION

This section allows controlling the level of every single mono input channel.
[30] STEREO CHANNELS ROTARY KNOB SECTION
This section allows controlling the level of every single stereo input channel.
[31] MAIN MIX ROTARY KNOB
The MAIN MIX rotary knob controls the level of the MAIN MIX.
[32] POWER SWITCH

Use this switch to turn on and off your F 10XR mixer.
[33] EXTERNAL POWER SUPPLY INLET

Connect here the external power supply. The external power supply accepts power from 100 V to 240 V AC 50-60 Hz.
[34] USB TYPE B PORT

Use this port to connect your computer for audio stereo recording of the MAIN MIX signal and audio stereo playback. The computer connection does not require any driver and allows the recording and reproduction of PCM audio at 44.1/48.0 kHz -16 Bit. The audio signal coming from a computer connected to the USB port can be reproduced through Channel 9/10 audio path (see section [15] of this manual).
CONNECTORS
1/4” JACK CONNECTOR

SUGGESTED CONFIGURATION
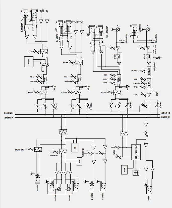
F10XR BLOCK DIAGRAM 
F 10XR REARVIEW /
F 10XR TOP VIEW
SPECIFICATIONS
SPECIFICATIONS RCF F 10XR
Mono input Channels
| Microphone inputs | 4 XLR Balanced |
| Frequency response | 20 Hz – 20k Hz, +/-1 dB |
| Distortion (THD+N) | <0,003% at +0dB, 20 Hz-20 kHz |
| Sensitivity range | 0 dB to -50 dB |
| Max input | +20 dBu |
| Mic input impedance | 14 kΩ unbalanced |
| Phantom Power | +48 V |
| Low cut: | 80 Hz |
| Line input | 2 TRS jack balanced |
| Frequency response | 20 Hz – 20 kHz, +/- 1 dB |
| Distortion (THD+N) | <0,003% at +0 dB, 20 Hz-20 kHz |
| Sensitivity range | 20 dB to -30 dB |
| Max input | +40 dBu |
| Line input impedance | 21 kΩ unbalanced |
Stereo Input Channels
| Line input | 4 pairs TRS jack balanced and 2 pairs RCA unbalanced |
| Frequency response | 20 Hz – 20 kHz, +/- 1dB |
| Distortion (THD+N) | <0,003% at +0 dB, 20 Hz-20 kHz |
| Sensitivity range | 20 dB to -30 dB |
| Line input impedance | 15 kΩ |
Mono Channels EQ
| High | +/-15 dB @ 10 kHz Shelving |
| Mid | +/-15 dB @ 1,250 kHz Bell |
| Low | +/-15 dB @ 100 Hz Shelving |
Stereo Channels EQ
| High | +/-15 dB @ 10 kHz Shelving |
| Low | +/-15 dB @ 100 Hz Shelving |
DSP Section
| DSP Processing | 20/27 bit digital signal |
| A/D and D/A converters | 24 bit |
| Type of effects | 4 algorithms: reverb, chorus, delay, flanger – 16 presets |
| Footswitch | Yes (for effect return mute and unmute) |
Outputs
| Main Output | 1 pair of XLR male and 1 pair of TRS jacks |
| Max Main Mix Output level | +28 dBu |
| Aux Output | 1 TRS jack |
| Max Aux Output level | +28 dBu |
| Ctrl Room | 1 pair of TRS jacks |
| Phones Output | 1 Stereo jack |
Power Supply
| External Universal Power Adapter | AC/DC 12V – 2.000 mA |
| Main Voltage | 100 V – 240 V AC, 50-60 Hz |
| Power Consumption | 18 W |
Weight 2.8 kg
Dimensions L 290 mm, W 270 mm, H 88 mm






















