CRITEC® UTB
UNIVERSAL TRANSIENT BARRIER
Installation Guide
Note: It is most important that the UTB is installed by suitably qualified personnel. If the UTB is installed without a suitable earth, or the “Line Side” and “Equipment Side” are reversed, damage may result to the UTB under surge conditions
ELECTRICAL CONNECTION:
Please follow the sequence indicated:
- Ensure that that all warnings safety instructions provided in this document are observed and that power is removed from the area and the circuits to be connected.
- Connect line side wiring to the UTB screw terminals marked LINE (1, 2, 3, 4). The “LINE” side of the UTB is the “exposed side” where the surge is expected to originate.
- Connect equipment side wiring to the UTB screw terminals marked EQUIP (1′, 2′, 3′, 4′). The “EQUIP” side of the UTB is the protected side and wires to the equipment being protected.
- The UTB should be installed as close to the equipment being protected as possible. Where protecting long cable runs (> 30 meters), a UTB unit should be installed at either end of the cable.
- Connect the UTB’s ground screw terminal to a low impedance ground using as direct a path as possible. This “ground” should also be referenced to the equipment being protected. When the UTB is installed on a DIN rail, grounding of the unit can be achieved by connecting the rail to ground.
MAINTENANCE:
Failure of a UTB is usually indicated by interruption of data or a fault on the signal (control) line. The UTB has been designed for simple plug-in modular replacement, without the need to disturb circuit wiring. Before removing a UTB module from service, ensure that the power has been removed and if possible “locked out”. Qualified personnel should only undertake replacement of UTB modules. Replacement plug-in modules are available.
NOTE: It is very important to ensure that the new module is of the same type and voltage as that being replaced.
UTB-…SP Electrical Connection
Signal Pair protection, via terminals LINE side 1,2 and EQUIP side 1′, 2′. Grounding via ground tab or DIN rail.
UTB-…DP Electrical Connection
Dual (2) Pair protection, via terminals LINE side 1,2 and 3,4 and EQUIP side 1′, 2′ and 3′,4′ respectively.
Grounding via ground tab or DIN rail.
UTB-…SPG Electrical Connection
Signal Pair protection with isolated ground connection. Signal wires via terminals LINE side 1,2 and EQUIP side 1′, 2′. Signal ground or shield via terminals 3 or 4, grounding via ground tab or DIN rail.
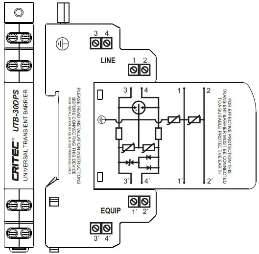
UTB-30DPS Electrical Connection
Power Supply protection via terminals LINE side 1,2 and EQUIP side 1′, 2′. Signal pair protection via terminals LINE side 3, 4 and EQUIP side 3′, 4′. Grounding via ground tab or DIN rail.
SPECIAL NOTE:
The CRITEC UTB you have installed provides protection to your equipment from the damaging effects of surges on communications and low voltage secondary power cables. Damage to equipment can also occur due to surges entering your equipment via mains voltage power cabling. ERICO recommend the installation of mains power CRITEC surge protective devices (SPDs) to further reduce the risk of damage.
HAZARDOUS VOLTAGES EXIST INTERNAL TO THE UTB. THIS UNIT SHOULD BE INSTALLED AND SERVICED ONLY BY QUALIFIED PERSONNEL IN CONFORMANCE WITH ALL GOVERNING CODES, AND INSTRUCTIONS.
DANGER:
Electrical shock or burn hazard. Installation of this UTB should only be made by qualified personnel. Failure to lockout electrical power during installation or maintenance can result in fatal electrocution, severe burns, or other injuries. Before working with or making any connections to this electrical panel, be sure that power has been removed from all associated wiring, electrical panels, and other electrical equipment.
WARNING:
- ERICO products shall be installed and used only as indicated in ERICO product instruction sheets and training materials. Instruction sheets are available at www.erico.com and from your ERICO customer service representative.
- ERICO products must never be used for a purpose other than the purpose for which they were designed or in a manner that exceeds specified load ratings.
- All instructions must be completely followed to ensure proper and safe installation and performance.
- Improper installation, misuse, misapplication or other failure to completely follow ERICO’s instructions and warnings may cause product malfunction, property damage, serious bodily injury and death.
SAFETY INSTRUCTIONS:
All governing codes and regulations and those required by the job site must be observed. Always use appropriate safety equipment such as eye protection, hard hat, and gloves as appropriate to the application.
Copyright 2008 ERICO International Corporation.
All rights reserved.
CADDY, CADWELD, CRITEC, ERICO, ERIFLEX, ERITECH and LENTON
are registered trademarks of ERICO International Corporation.
















