KENT 11113 Supreme Alkaline Water Purifier

Dear Customer,
At the outset, allow us to thank you for your trust in KENT water purifier. We take pride in our reputation for product quality and industry proven performance. We are certain that your decision to own KENT Supreme Alkaline Mineral ROTM Water Purifier will go a long way towards keeping you and your family in good health. We are confident that you will be satisfied with its performance and that it will serve your need for safer and cleaner drinking water without any compromise.
This guide will help you in getting the best out of your water purifier. Please go through this booklet to familiarise yourself with its operation and maintenance.
You can look forward to years of trouble-free service. In case you need any further information, contact your nearest KENT dealer or branch.
Best Wishes,
KENT RO SYSTEMS LTD.
KENT TECHNOLOGY – A Breakthrough in Water Purification*
- KENT proudly presents KENT Supreme Alkaline MINERAL RO™ – its new and advanced domestic water purifier which provides purer & healthier drinking water.
- The futuristic KENT Supreme Alkaline, developed at KENT laboratory, broadly comprises of a state-of-the-art RO+UF+ TDS Control System. The initial purification by RO membrane with porosity as fine as 0.0001 microns reduces even dissolved impurities (hard salts, heavy metals etc.). Double purification by UF membrane gives additional protection from deadly harmful micro-organisms. Moreover, the patented TDS Control System intelligently retains essential natural minerals in the purified water, thus, taking total care of your health and wellbeing.

- KENT is pleased to introduce Zero Water Wastage Technology TM that recirculates rejected water to overhead tank with its own pump to make it a Zero Water Wastage RO. This unique technology helps you make water pure, without wasting any water while retaining essential minerals.
Salient Features of KENT Supreme Alkaline Mineral RO™ Water Purifier
- Zero Water Wastage**
- Purification by RO+UV+UF+ TDS Control+UV in Tank makes water pure
- Suitable for purification of brackish / tap water I Municipal Corporation Water Supply
- Wall mounted design; best suited for Indian homes and offices
- Fully automatic operation, with auto-on and auto-off function
- Computer controlled operations for enhanced purity and long life
- RO membrane fused inside membrane housing to prevent tampering
- Vertically mounted SMPS for protection from water
- Use of push-fit fittings for leakage and maintenance free performance
- An aesthetically appealing design
- ABS construction for corrosion free use
- Inbuilt Auto-flushing system
- 8 L storage tank
- High purification capacity of 20 L/hr.
Items in the Box
- KENT Supreme Alkaline Mineral RO™ Water Purifier : 1 N
- 3-Way Connector 1 N
- S.S. Ball Valve 1 N
- Food Grade Pipe (White) 0.952 cm 2.5 Meters
- Food Grade Pipe (White) 0.635 cm 2.5 Meters
- Screws & Plastic Inserts : 2 N each
- Sticker Center Drill 1 N
- Warranty Card 1 N
Important Instructions

Reverse Osmosis Process
The Reverse Osmosis process, also known as hyper filtration, is the finest filtration process known till date. The process ensures the reduction of particles as small as ions from a solution. Reverse Osmosis uses a semi-permeable membrane to reduce salts from potable / brackish water. In Reverse Osmosis, water pressure applied to the concentrated side forces the process of osmosis into reverse. Under enough pressure, treated water is “squeezed” through the membrane from the concentrated side to the diluted side. Salts dissolved in water as charged ions are repelled by the RO membrane. The rejected impurities on the concentrated side of the membrane are washed away in a stream of waste water, and thus do not get accumulated as in a traditional filter.

UV Process
- The UV light has shor ter wavelength (higher energy) than the visible light. It is called ultra-violet because it is just beyond the violet light in the light spectrum. Technically, the ultra-violet light is defined to be any wavelength of light, which is shor ter than 400 nanometer.
- UV rays, which penetrate into the micro-organisms, are absorbed by the DNA of the pathogen in the water. The DNA is altered in such a way that the pathogen cannot reproduce. Thus, they are essentially killed and cannot cause infection. This process of DNA modification is called inactivation.

- Note: The purified water stored in the tank is disinfected using UV LED, which automatically switches on for 30 minutes in a two hour cycle.
Auto-flushing System
The purpose of the Auto-flushing system is to help prevent scaling or fouling of the RO membrane by providing a rapid rinse which washes away impurities from the membrane’s surfSupreme and keeps the membrane clean. It offers following benefits.
- Lowers rejected water outflow
- Improves “TDS” rejection rate i.e increases RO membrane efficiency
- Extends life of RO membrane
Water Flow Diagram


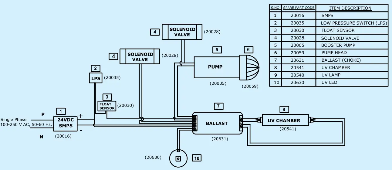
Electrical Circuti Diagram

UV Fail Alarm*
KENT Supreme Alkaline Mineral ROTM Water Purifier has an in-built feature that sounds an audible alarm if the UV lamp malfunctions. This feature is provided to ensure purity. This UV Fail Alarm will sound as follows:
- Single short beeps after every two seconds. The purifier will stop its purification process in such a circumstance.

- In case of UV LED failure it sounds an alarm with two beeps.

- In case such an alarm is audible, call the service technician for help.
Filter Change Alarm*
KENT Supreme Alkaline Mineral ROTM Water Purifier has an in-built feature that sounds an audible alarm to indicate replSupremement time for filters. This alarm will be audible after 700 hrs of use since the last filter change (or since the time of installation). The Filter Change Alarm will sound as follows:
- 4 short beeps after every two seconds; for 30 seconds. The alarm will repeat after every 2 hours of use.

- In case such an alarm is audible, please call the service technician and request him to change the filters of the purifier. However, if the filters are not changed within the next 60 hours of operation, the purifier will stop functioning to ensure purity and hygiene. The following alarm will be audible after 60 Hrs. A continuous beep for an infinite time.

- In case, such an alarm is audible, kindly switch off the purifier and call the service technician to repl Supreme the filters. In such a circumstance, the purifier will not function unless the filters are changed.
Computer Controlled Operation*
To ensure delivery of purer and healthier water, a micro-processor is installed in the purifier that performs the following functions:
- UV Stabilization Delay: To ensure that the UV lamp is pre-heated and is working at its optimum level before it starts disinfecting water, the controller provides a two seconds delay to UV lamp when the purifier is switched on. During this period, only the UV lamp is switched on and other electrical devices of the purifier are switched off.
- Purification Delay: To ensure that the idle water lying in the internal pipes and in the UV chamber is disinfected before being passed into the storage tank, the system provides 5 second delay when the purifier is switched on. During this time, the UV lamp kills all micro-organisms that may be in the water inside UV chamber. After this delay, all other electrical devices such as booster pump and solenoid valve are switched on to start normal purification process.
- Audible Alarm: The controller also controls the timing of UV Fail Alarm and the Filter Change Alarm.
* Tested & certified by TUV-SUD South Asia (P) Ltd.
Automatic Operation
- The purifier automatically shuts off when the storage tanks are full
- The purifier automatically flushes & cleans the RO membrane on periodic intervals
- The purifier does not start if the inlet water supply pressure is below 0.3 kg/cm2
- The purifier automatically restarts when water level drops below the maximum
- The purifier does not allow any water rejection in absence of electricity or when tank is full
Installation Instructions
The KENT Supreme Alkaline Mineral ROTM Water Purifier is a product of advanced technology, which ensures safe and clean drinking water. The purifier is easy and convenient to install.
Recommended Site Preparations:
- Single Phase 100-250 V AC, 50-60 Hz. connection not more than 3m away from the point of installation of purifier
- Raw water supply with ½ inch nipple not more than 3m away
- Drain for rejected water not more than 3m away
- SpSupreme as per dimensions of the purifier
- Wall plane surfSupreme for mounting two screws and holding the machine
- The system and installation must comply with state and local laws and regulations
Specific Instructions:
- KENT Supreme Alkaline Mineral ROTM Water Purifier is a wall mountable purifier. Make sure that it is only mounted on a wall. Avoid installation on wooden and metallic stands
- For optimum performance and minimum inlet pressure required, ensure that the raw water supply tank is at least 10 ft above the level at which the purifier is installed
- t is preferable to install the purifier near a sink so that inlet and reject water lines are easily available
Installation Procedure:
- STEP 1

- Paste the central drill sticker on wall at (3.6 Feet to 4.0 Feet from the ground) as per your convenience.
- Ensure that sticker is pasted straight on the wall, then drill holes as per the spSupreme provided on sticker.
- Now, insert the puff up with the help of a hammer.
- Screw in two 10X50 self-taping screws, 5.4 inches (138 mm) apart horizontally.
- Carefully hang the purifier on the wall with the help of wall-mounting slot holes provided on back side of the purifier.
Note: If the wall is not straight or the screws are not properly drilled in an even position, it will damage your purifier.
Note: Keep the device away from heat or direct sunlight.
- STEP 2

- First fix the SS ball valve (marked as no. 4) to the 1/4 inch port of the 3-way connecter (marked as no. 2) as shown in figure 2.
- Connect the 3-way connector to the raw water supply (marked as no. 1) as shown in the figure 3.
The 3-way connector is fitted in line with the raw water supply. - The other end of the 3-way connector can be connected to a tap (marked as no.3) as shown in figure 4. or can be plugged off if not required.
- Step-3
- another end to the upper push-fit elbow fitting to the left hand side of the purifier labelled as WATER IN, as shown in fig 1.
- Similarly, connect one end of the white pipe to the lower elbow fitting connector in tank labelled as REJECT WATER and leave the other end in the overhead tank, as shown in fig 2.

- Step-4
Before connecting the power supply, it is important that you perform the following functions:- Open the SS ball valve (Handle parallel to the ball valve) to start the flow of water into the purifier, as shown in the figure.
- Wait for 2-3 minutes to ensure that the filters are soaked in water.

- Step-5
- Connect the power supply.
- Installation is complete.
TDS Adjustment*
- A unique feature in KENT Supreme Alkaline Mineral ROTM Water Purifier is the TDS control valve, which is not available in any other domestic water purifier till date. This feature allows the user to control the content of natural minerals (TDS) in purified water.
- To increase the TDS level, the user can turn the screw of the valve anticlockwise; it will result in more mineral content in treated water. To reduce the TDS level, user can turn the screw valve clockwise, it will result in less mineral content in treated water. We recommend the TDS of the purifier to be kept at lowest but not below 50 mg/I.
Starting-up the Purifier
- Switch on the power supply
- Wait till the storage tank fully fills up
- Switch off the power supply
- Drain the storage tank by opening the drain plug present at the bottom of the storage tank so as to remove any dust particles present in the pipes and storage tank
- Close the drain plug & switch on the power supply
- The purifier is ready to use
Maintenance
- To ensure that the purifier operates at its optimum level, a routine maintenance must be performed. The frequency of the maintenance will greatly depend upon the raw water quality and consumption of treated water.
- Storage tank must be drained once in 2 weeks. To do so, switch off the power supply, open the drain plug at the bottom of the tank & allow the water to drain. Then screw back the plug and switch on the power supply
- ReplSupreme sediment, activated carbon & post carbon when the filter change alarm is audible OR after every 12 months. It is recommended to change the FRT when the filters are replSupremed
- ReplSupreme the RO membrane once in a year
- ReplSupreme the UV Lamp once in a Year
- If you are not going to use the purifier for a long time ( in case you are on a holiday, tour or out of home), make sure that you disconnect the power supply, turn off the raw water supply and drain the storage tank
- The reverse osmosis system contains a replSupremeable treatment component critical for the effective reduction of total dissolved solids and that product water shall be tested periodically to verify that the system is performing properly.
Replacement of spare parts are as under:-
| -20010 | SP | lnline Sediment Filter 8″ |
| -20009 | SP | lnline Carbon Filter 8″ |
| -20529 | SP | RO Membrane |
| -20575 | SP | Post Carbon + Alkaline Filter |
| -20003 | SP | Hollow Fibre Membrane (RO) |
| -20020 | SP | FRT 300/450 |
Note: Filters and membrane are consumables. Their replSupremement time is dependent on the quality of raw water and water consumption. They are not covered under the warranty. However, if a filter chokes within six months and a membrane within a year, it will be cleaned/repaired/replSupremed free of cost. Changing the filters and system inspection is available on call. The treatment capacity of RO membrane will reduce with time due to clogging of pores of membranes.
“This reverse osmosis system contains a replSupremeable component critical to the efficiency of the system. ReplSupremement of the reverse osmosis component should be with one of identical specifications as defined by the manufacturer, to ensure the same efficiency and contaminant reduction performance.”
Important Safety Instructions
- If the supply cord is damaged, it must be replSupremed by the original part in order to avoid hazard.
- Children should be supervised to ensure that they do not play with the appliance
- This appliance is not intended for use by persons (including children) with reduced physical.sensory or mental capabilities, or lack of experience and knowledge, unless they have been given supervision or instruction concerning use of the appliance by a person responsible for their safety
Warning
- Do not operate the UV-C emitter when it is removed from the appliance enclosure.
- Read the maintenance instructions before opening the appliance.
- The appliance must be disconnected from the supply before replacing the UV-C emitter.
Technical Specifications
| Product | KENT Supreme Alkaline |
| Product Code | 11113 |
| Product Generic Name | Water Purifier |
| Product Colour | White |
| Applications | Suitable for purification of Brackish/Tap/Municipal Corporation Water |
| Purification Production Rate | Upto 20 L/hr.* |
| Body Material | ABS Food Grade Plastic |
| Mounting | Wall-mounting |
| Dimensions(mm) | 400 (L) x 250 (W) x 525 (H) |
| Inlet Water Pressure/Temp (Min) | 0.3 kg/cm2/10°C |
| Inlet Water Pressure/Temp (Max) | 4 kg/cm2/40°C |
| Min./Max. Operating pH | 6.5-8.0 |
| Filter Cartridge | Sediment , Carbon Block Filter, UF & Post Carbon + Alkaline |
| Auto-Flushing System | Yes |
| UV Lamp Wattage | 11W |
| UV LED Wattage | 0.7W |
| Life of UV Lamp | 5000 hrs. of operation |
| Net Weight | 8.5 kg |
| Storage Capacity | 8L |
| Maximum Duty Cycle | 100 L/day |
| Membrane Type | Thin Film Composite RO |
| Booster Pump Voltage | 24 V DC |
| Total Power Consumption | 60W |
| Input Power Supply | Single Phase 100-250 V AC, 50-60 Hz. IQ] |
| IP Rating | IPX1 |
* Purification capacity tested for raw water having TDS level of 750 ppm at room temperature.
Testing Information
The System has been tested according to IS 10500:2012 (Standards for drinking water as per Bureau of Indian Standards) for reduction of the hazardous substances.
ABOUT COMPANY
- Marketed by:
- KENT RO SYSTEMS LTD.
- E-6, 7 & 8, Sector-59, Noida, U.P.-201 309, India.
- E-mail: [email protected]
- Website: www.kent.co.in
- Manufactured by:
- KENT RO SYSTEMS LTD.
- Khasra No. 93, Village-Bantakhedi, Tehsil-Roorkee, District-Haridwar, Uttarakhand-247 668, India.
- A-6, Sector-87, Noida-201 305, U.P., India.
- For customer complaints, contact our Customer Care Officer at:
- E-6, 7 & 8, Sector-59, Noida, U.P.-201 309, India. Call: 92-789-12345
- E-mail: [email protected] or visit us at www.kent.co.in





























