SIEMENS NET-7M Communication Interface Instruction Manual
INTRODUCTION
The Model NET-7M from Siemens Industry, Inc. provides a Style 7 communication interface between the main MXL and multiple remote panels in an MXL system using two separate RS-485 pairs. Each NET-7M, except the NET7M connected to the MMB, electrically isolates the pairs from the local power supply and isolates ground faults to a single remote panel. The MMB provides ground fault detection for the two pairs.

Each NET-7M connected represents one network drop on the MXL System. There can be a maximum of 32 drops. Two green LEDs on the NET-7M indicate the state of two communication pairs. These light whenever the NET-7M receives a message on a given pair. Use these two LEDs when troubleshooting to determine if a pair is active.
CAUTION: NET-7s and NET-4s cannot be combined in the same system
APPLICATION
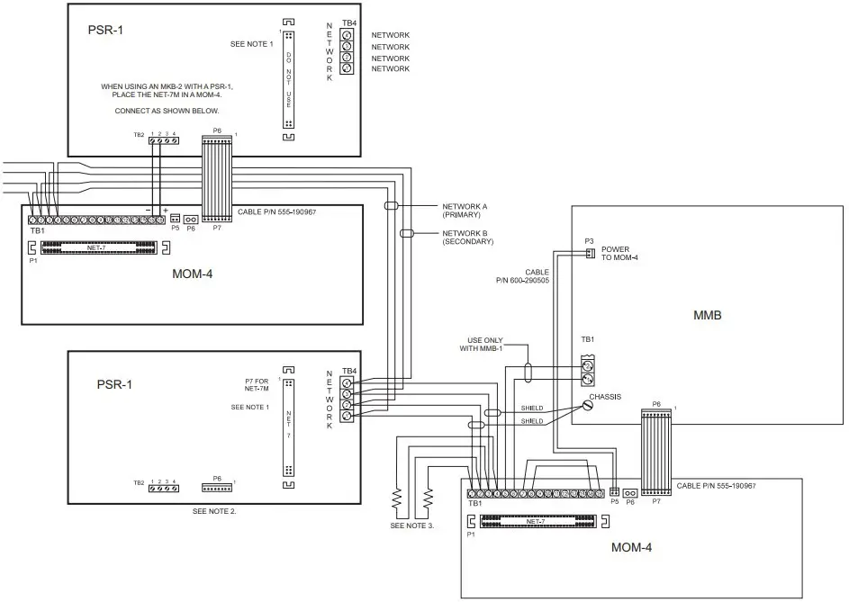
The NET-7M does not supervise the network wiring and must be used in combination with the NET-7. The NET-7M requires CSG-M Revision 9.01 or higher; however, the NET-7M does not support the NET-7 Panel Checking function. There are two ways to wire a Style 7 network — daisy chain and counter rotating. The majo difference in wiring is where the end-of-line resistors are located (See Figure 2).
The NET-7M cannot be located at the ends of either network pair. The end of a pair is defined as the point where an end-of-line resistor is installed. The basic rule is that if either network pair has an end-of-line on the screw terminals, a NET-7 must be used. Conversely, a NET-7M can only be used in locations where there are no end-of-line resistors on the network terminals. For additional information on the MXL/MXLV System, refer to the MXL/MXLV Manual, P/N 315-092036.


Style 7 Network Wiring Configurations
INSTALLATION
Remove all system power before installation, first battery and then AC. (To power up, first connect the AC and then the battery.)
All wiring must comply with national and local codes.
- Remove the NET-7M from the antistatic bag.
CAUTION: Do not touch the gold plated card edge on the NET-7M. - Decide whether to install the NET-7M into a PSR-1 or into the enclosure with the MMB. If the installation is in a PSR-1, skip to step 8.
- Install the NET-7M that is in the enclosure with the MMB in a MOM-4 slot. Any available MOM-4 slot can be used. Mount one of the two card guides provided in the MOM-4. Slip the guide under the mounting screw in the center of the MOM-4 and tighten.
- Refer to Figure 2 for the wiring diagram. Check all wiring prior to installing the NET-7M into the MOM-4. Failure to properly wire the NET-7M can cause damage to the board.
- Install the NET-7M into the MOM-4 slot. Be sure that the board is firmly seated in the card edge connector. This completes the installation of the NET-7M with the MMB.
- When used with a PSR-1, install the NET-7M into connector P7.
• If screws are in the location where the card guide is to be installed, remove the screws and mount the card guide with the hardware supplied.
• Mount the two card guides supplied onto the PSR-1 by loosening the screws above and below P7. Then slide the guides under the screws and tighten them. - Refer to Figure 2 for the wiring diagram. Connect the network wires to TB4 on the PSR-1 as shown.
- Install the NET-7M into P7. Be sure that the board is firmly seated.
ELECTRICAL RATINGS
| ACTIVE 5VDC MODULE CURRENT | 120mA |
| ACTIVE 24VDC MODULE CURRENT | 0mA |
| STANDBY 24VDC MODULE CURRENT | 30mA |

NOTES
- THE NET-7M IS NOT COMPATIBLE WITH THE PS-5N.
- TO CONNECT A NET-7 TO A MOI,USE A MER-8 CABLE FROM P5 ON THE MOI-7 TO P6 ON A PSR-1 THAT HAS A NET-7 INSTALLED IN IT.
- USE THE 120 ¼W, 5% END OF LINE RESISTOR OR RESISTOR ASSEMBLY, AS APPLICABLE: P/N 140-820150 (MMB-1/-2) OR P/N 140-049099 (MMB-3).
- FOR MMB-2, SET JUMPER P15 TO S7 WHEN USING NET-7. (SEE MMB-2 INSTALLATION INSTRUCTIONS, P/N 315-095097.)
- WHEN USING MMB-3 WITH A NET-7 INSTALLED IN MAIN ENCLOSURE, WIRING MUST BE CONNECTED AT THE NET-7 ONLY. SET JUMPER P7 TO POSITION 2,3. (SEEMMB-3 INSTALLATION INSTRUCTIONS, P/N 315-048860.)
- CSG-M CONFIGURATION MUST BE LOADED VIA NET-7 PROGRAMMING PORT (P1).
- MAKE SURE THE CSG-M SETTING “LOCAL NETWORK COMM STYLE” IS SET TO STYLE 7 AND “MMB-3 MNET STYLE 7” IS SET TO NO.
- REFER TO WIRING SPECIFICATION FOR MXL, MXL-IQ AND MXLV SYSTEMS, P/N 315-091772 REVISION 6 OR HIGHER, FOR ADDITIONAL WIRING INFORMATION.
8 AWG MIN. 80 MAX. PER PAIR
USE TWISTED PAIR OR SHIELDED TWISTED PAIR.TERMINATE THE SHIELD AT THE MMB ENCLOSURE ONLY. POWER LIMITED TO NFPA 70 PER NEC 760. MAX. VOLTAGE 8V P-P. MAX. CURRENT 150mA. EACH PAIR IS INDEPENDENTLY SUPERVISED BY NET-7s AT THE ENDS OF THE NETWORK
Siemens Industry, Inc.
Building Technologies Division
Florham Park, NJ
Siemens Building Technologies, Ltd.
Fire Safety & Security Products
2 Kenview Boulevard
Brampton, Ontario
L6T 5E4 Canada


















