LIFESPAN Cross Trainer X-41

IMPORTANT: All nuts and bolts are to be checked and tightened on a regular basis. This includes pedals and other moving parts. Failure to do so may cause damage to your threads and void your warranty.
NOTE:
This manual should not be used to guide your purchasing decision. Your product, and the contents inside its carton, may vary from what is listed in this manual. This manual may also be subject to updates or changes. Updated manuals are available through our website at www.lifespanfitness.com.au
IMPORTANT SAFETY INSTRUCTIONS
WARNING: Read all instructions before using this machine.
It is important your machine receives regular maintenance to prolong its useful life. Failing to regularly maintain your machine may void your warranty.
Please keep this manual with you at all times.
- It is important to read this entire manual before assembling and using the equipment. Safe and effective use can only be achieved if the equipment is assembled, maintained, and used properly. PLEASE NOTE: It is your responsibility to ensure that all users of the equipment are informed of all warnings and precautions.
- Before starting any exercise program, you should consult your doctor to determine if you have any medical or physical conditions that could put your health and safety at risk, or prevent you from using the equipment properly. Your doctor’s advice is essential if you are taking medication that affects your heart rate, blood pressure or cholesterol level.
- Be aware of your body’s signals. Incorrect or excessive exercise can damage your health. Stop exercising if you experience any of the following symptoms: pain, tightness in your chest, irregular heartbeat, and extreme shortness of breath, lightheadedness, dizziness, or feelings of nausea. If you do experience any of these symptoms, you should consult your doctor before continuing with your exercise program.
- Keep children and pets away from the equipment. This equipment is designed for adult use only.
- Use the equipment on a solid, flat level surface with a protective cover for your floor or carpet.
To ensure safety, the equipment should have at least 2 meters of free space around it. - Before using the equipment, check that the nuts and bolts are securely tightened. If you hear any unusual noises coming from the equipment during use and assembly, stop immediately. Do not use the equipment until the problem has been rectified.
- Wear suitable clothing while using the equipment. Avoid wearing loose clothing that may get caught vin the equipment or that may restrict or prevent movement.
- This equipment is designed for indoor and family use only.
- Care must be taken when lifting or moving the equipment so as not to injure your back.
- Always keep this instruction manual and assembly tools at hand for reference.
- The equipment is not suitable for therapeutic use.
- The pulse or heart rate sensors are not medical devices. Various factors, including the user’s movement, may affect the accuracy of heart rate readings. The pulse sensors are intended only as exercise aids in determining heart rate trends in general.
CARE INSTRUCTIONS
- Lubricate moving joints with grease after periods of usage.
- Be careful not to damage plastic or metal parts of the machine with heavy or sharp objects.
- The machine can be kept clean by wiping it down using dry cloth.
- All nuts and bolts are to be checked and tightened on a regular basis. This includes pedals and other moving parts. Failure to do so may cause damage to your thread and void your warranty.
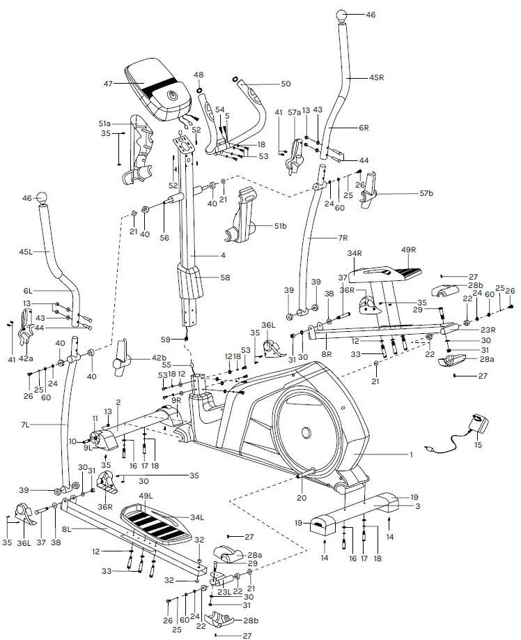
EXPLODED DIAGRAM

PARTS LIST
Some items on this list may come pre-installed on your equipment. If you feel like you’re missing anything, please double check your equipment.
| No. | Description | Qty | No. | Description | Qty | |
| 1 | Basic frame | 1 | 31 | Flat washer D10xΦ20×2 | 4 | |
| 2 | Front bottom tube | 1 | 32 | Bushing Φ18xΦ10×11 | 4 | |
| 3 | Rear bottom tube | 1 | 33 | Hex screw M8x45 | 6 | |
| 4 | Handlebar post | 1 | 34L/R | Pedal | 1/1 | |
| 5 | Fixed handlebar | 1 | 35 | Philips pan head screw | 12 | |
| 6L/R | Handlebar | 1/1 | 36L/R | Protective guard | 2/2 | |
| 7L/R | Swing tube | 1/1 | 37 | Screw Φ12xM10x80 | 2 | |
| 8L/R | Pedal support | 1/1 | 38 | Flat washer D12xΦ24×1.5 | 2 | |
| 9L/R | Front end cap | 1/1 | 39 | Bushing Φ12xΦ32×15 | 4 | |
| 10 | Hex screw M8x80 | 2 | 40 | Plastic bushing Φ16xΦ31×23 | 6 | |
| 11 | Roller | 2 | 41 | Philips pan head screw | 4 | |
| 12 | Flat washer D8xΦ16×1.5 | 12 | 42a/b | Protective guard | 1/1 | |
| 13 | Nylon nut M8 | 6 | 43 | Arc washer D8xΦ19×1.5xR30 | 4 | |
| 14 | Philips pan head screw ST4.2X25 | 2 | 44 | Carriage bolt M8xL45 | 4 | |
| 15 | Adaptor | 1 | 45L/R | Foam grip | 1/1 | |
| 16 | Arc washer d8x2xΦ25XR39 | 4 | 46 | Round cap | 2 | |
| 17 | Hex screw M8xL58 | 4 | 47 | Computer | 1 | |
| 18 | Spring washer D8 | 14 | 48 | Round cap | 2 | |
| 19 | Rear end cap | 2 | 49L/R | Pedal cushion | 1/1 | |
| 20 | Crank | 2 | 50 | Foam grip | 2 | |
| 21 | Wave washer Φ17xΦ23×0.3 | 4 | 51a/b | Protective guard | 1/1 | |
| 22 | Plastic bushing | 4 | 52 | Screw M4x10 | 4 | |
| 23L/R | Pedal tube joint | 1/1 | 53 | Hex screw M8x16 | 10 | |
| 24 | D-shape washer | 4 | 54 | Hand pulse wire | 2 | |
| 25 | Spring washer D10 | 4 | 55 | Sensor wire | 1 | |
| 26 | Hex screw M10x20 | 4 | 56 | Long axle | 1 | |
| 27 | Screw M5x10 | 4 | 57a/b | Protective guard | 1/1 | |
| 28a/b | Protective guard | 2/2 | 58 | Protective guard | 1 | |
| 29 | Hex bolt M10x55 | 2 | 59 | Extension wire | 1 | |
| 30 | Flat washer D10xΦ20×2 | 4 | 60 | Flat washerD10xΦ20×2 | 4 |
ASSEMBLY INSTRUCTIONS
NOTE: Before assembly ensure there is enough space around the item. Some nuts and bolts may be already attached to the machine.

- Remove the Plastic mat (A), Hex screw (17), Spring washer (18) and Arc washer (16) from the Front bottom tube (2) and Rear bottom tube (3).
- Install the Front bottom tube (2) and Rear bottom tube (3) to the Main frame (1) using removed parts from previous step.

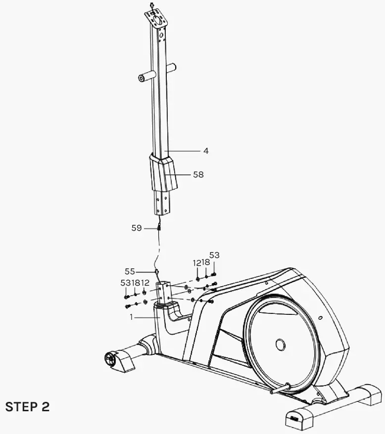
- Slide the Protective guard (58) onto Handlebar post (4).
- Connect the Extension wire (59) with Sensor wire (55). Then attach the Handlebar post (4) onto the Main frame (1) with Hex screw (53), spring washer (18) and Flat washer (12).
- Slide the Protective guard (58) down over the joint.

- Insert the Long axle (56) into the Handlebar post (4).
- Attach the Swing tube (7L/R) on the Handlebar post (4) with Hex screw (26), spring washer (25), Flat washer (60), D-shape washer (24) and Wave washer (21). Do not tighten yet.
Attach the Pedal support (8L/R) onto Crank (20) with Hex screw (26), spring washer (25), Flat washer (60), D-shape washer (24), and Wave washer (21). Do not tighten yet. - Attach the Pedal support (8L/R) onto Crank (20) with Hex screw (26), spring washer (25), Flat washer (60), D-shape washer (24), and Wave washer (21). Do not tighten yet.
- Attach the Pedal (34L/R) on the Pedal support (8L/R) tightly with Hex screw (33) and Flat washer (12).

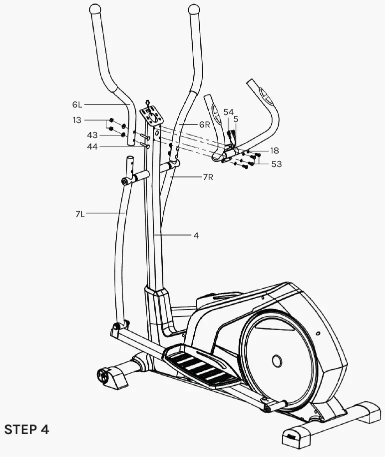
- Attach the Handlebar (6L/R) onto the Swing tube (7L/R) tightly with Carriage bolt (44), Arc washer (43) and Nylon nut (13).
- Thread the Hand Pulse wire (54) into the hole of Handlebar post (4), then feed it out of computer bracket.
- Attach the fixed handlebar (5) onto the Handlebar post (4) tightly with Hex screw (53) and spring washer (18).

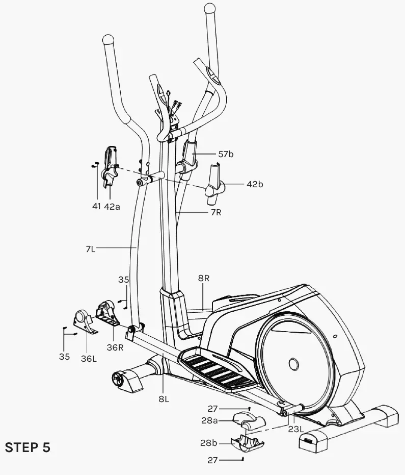
- Attach the Protective guard (42a/b) and the Protective guard (57a/b) onto the Swing tube (7L/R) with Philips pan head screw (41).
- Attach the Protective guard (36L/R) onto the connection of Swing tube (7L/R) and Pedal support (8L/R) with Philips pan head screw (35).
- Attach the Protective guard (28a/b) onto the Pedal tube joint (23L/R) with Screw (27).

- Connect the Extension wire (59) and hand pulse wire (54) with the connecting wire from the Computer (47).
- Attach the computer (47) on the bracket of the Handlebar post (4) with Screw (52).
- Lock the Protective guard (51a/b) on the Handlebar post (4) tightly with Philips pan head screw (35).
- Plug in the Adapter (15) at the back of the left-hand side of the flywheel (as shown on Exploded Diagram).
COMPUTER OPERATION
KEY FUNCTIONS
START/STOP Start or Stop workout.
RESET In STOP mode, press tore turn to the main menu; Hold for 2 seconds for the computer to reboot and start.
UP (+) Increase resistance level. Setting selection.
MODE/ENTER In STOP mode, press to confirm all settings or selection.
DOWN (-) Decrease resistance level. Setting selection.
RECOVERY Test heart rate recovery status.
BODY FAT Body Fat % measurement.
DISPLAY RANGE
TIME Display range 0:00 ~ 99:99 ; setting range 0:00 ~ 99:00 minutes
DISTANCE Display range 0 ~ 99.99 ; setting range0 ~99.00KM
CALORIES Display range 0 ~ 9999 ; setting range 0 ~ 9990Cal.
PULSE Display range P-30 ~ 230 ; setting range 0-30 ~ 230
WATT Display range 0 ~ 999 ; setting range 10 ~ 350
SPEED 0.0~99.9KM/H
RPM 0~999 revolutions
OPERATION PROCEDURE

- Plug in power supply (or hold RESET KEY for 2 seconds). The BUZZER will beep for 1 second. The LCD will display Image 1 for 2 seconds. The display will then enter Standby mode (Image 3).
- Select workout program in sequence: MANUAL→BEGINNER→ADVANCE→INTERVAL→CARDIO→WATT.

- MANUAL Mode.
When MANUAL is showing in the program select sequence, press MODE to select. Enter TIME setting using UP/DOWN keys (Image 4) and confirm with MODE. Then set DISTANCE CALORIES/PULSE (Image 5~8).
Press START/STOP to start. Use UP/DOWN keys to adjust LOAD level during workout.
- Selecting a Pre-set Program: (BEGINNGER, ADVANCED, SPORT).
If you are currently in a workout, Press START/STOP then RESET to return to the main menu. When MANUAL is flashing, use UP/DOWN to scroll through the program set options. Choose the program set with MODE. Then use UP/DOWN to choose the intensity option within the program set and then press MODE to confirm program.
- CARDIO Mode.
CARDIO Mode uses your age to calculate a target heart rate. LOAD will be applied during your workout.
Select CARDIO from the program set options (Image 15).
Then set your age using UP/DOWN keys (Image 16).
Select your Cardio Program from the following options: CARDIO 55%, CARDIO 75%, CARDIO 90%, and CARDIO TAG.
Then set your workout time. If no pulse is detected, the LCD will show “PULSE INPUT” (Image 18).
- WATT Mode.
WATT allows you to set a target power output for your workout. During your workout the computer will adjust LOAD according to your settings.
Select WATT from the program set options (Image 19).
Select desired WATT SETTING between 10~350 (default 120).
Select desired workout TIME between 1~99 minutes or START directly.
- RECOVERY Mode.
RECOVERY Mode assess your ability to recover after a workout.
Press RECOVERY after a workout and keep your hands on the pulse sensors. In this mode, all functions will stop except “TIME”, which will count down from 00:60 to 00:00 (Drawing 22). The screen will display your heart rate recovery status with the F1, F2….to F6 (Drawing 23). F1 is the best, F6 is the worst. (Press the RECOVERY button again to return the main display).
- BODY FAT Measurement.
Press BODY FAT button and use UP/DOWN to set user profile (Images 24~26). Once all values are set, place your hands on the pulse sensors for 8 seconds and the computer will take your reading (Image 27).
The display will then show your estimated Body Fat percentage (Image 28) and BMI (Image 29) for 30 seconds.
Error Codes:
E-1: User not holding pulse sensors correctly (Image 30)
E-2: Body Fat % exceeds setting range (Image 31)
SYSTEM SOUNDS
- Effective operation – one short beep.
- Any value reaching 0 during workout- 2 short beeps.
- In CARDIO & WATT CONTROL mode, when console is forced to stop.
- PULSE exceeds setting value- 2 short beeps every second.
- WATT exceeds setting value- 3 short beeps every second.
SPEAKER FUNCTION
Plug in your device via the AUX port.
EXERCISE GUIDE
PLEASE NOTE:
Before beginning any exercise program, consult your physician. This is important especially if you are over the age of 45 or individuals with pre-existing health problems.
The pulse sensors are not medical devices. Various factors, including the user’s movement, may affect the accuracy of heart rate readings. The pulse sensors are intended only as an exercise aid in determining heart rate trends in general.
Exercising is great way to control your weight, improving your fitness and reduce the effect of aging and stress. The key to success is to make exercise a regular and enjoyable part of your everyday life.
The condition of your heart and lungs and how efficient they are in delivering oxygen via your blood to your muscles is an important factor to your fitness. Your muscles use this oxygen to provide enough energy for daily activity. This is called aerobic activity. When you are fit, your heart will not have to work so hard. It will pump a lot fewer times per minute, reducing the wear and tear of your heart.
So as you can see, the fitter you are, the healthier and greater you will feel.

WARM UP
Start each workout with 5 to 10 minutes of stretching and some light exercises. A proper warm-up increases your body temperature, heart rate and circulation in preparation for exercise. Ease into your exercise.
TRAINING ZONE EXERCISE
After warming up, increase the intensity to your desired exercise program. Be sure to maintain your intensity for maximum performance. Breathe regularly and deeply as you exercise.
COOL DOWN
Finish each workout with a light jog or walk for at least 1 minute. Then complete 5 to 10 minutes of stretching to cool down. This will increase the flexibility of your muscles and will help prevent post-exercise problems.
WORKOUT GUIDELINES

This is how your pulse should behave during general fitness exercise. Remember to warm up and cool down for a few minutes.
WARRANTY
AUSTRALIAN CONSUMER LAW
Many of our products come with a guarantee or warranty from the manufacturer. In addition, they come with guarantees that cannot be excluded under the Australian Consumer Law. You are entitled to a replacement or refund for a major failure and compensation for any other reasonably foreseeable loss or damage.
You are entitled to have the goods repaired or replaced if the goods fail to be of acceptable quality and the failure does not amount to a major failure. Full details of your consumer rights may be found at www.consumerlaw.gov.au.
Please visit our website to view our full warranty terms and conditions: http://www.lifespanfitness.com.au/warranty-repairs
WARRANTY AND SUPPORT
Any claim against this warranty must be made through your original place of purchase.
Proof of purchase is required before a warranty claim may be processed.
If you have purchased this product from the Official Lifespan Fitness website, please visit https://lifespanfitness.com.au/warranty-form
For support outside of warranty, if you wish to purchase replacement parts or request a repair or service, please visit https://lifespanfitness.com.au/warranty-form and fill in our Repair/Service Request Form or Parts Purchase Form.
Scan this QR code with your device to go to lifespanfitness.com.au/warranty-form
HAND PULSE TECHNOLOGY
This product comes equipped with hand pulse sensors which are used to pick up tiny EKG/ECG signals that run through the body when your heart beats. These electrical EKG/ECG signals are very small and must be amplified 1000 times to make the signal viable for the computer to display your pulse.
To ensure proper operation:
- The user must maintain good, consistent contact on all four sensors.
- The users skin cannot be too dry or too wet.
Other factors that could affect the reading:
- Change of grip on the sensors (during slow pace walking and up to running).
- Tightening of hand muscles will produce small electrical signal.
- Static electricity charges from the air or from walking on the treadmill.
EKG/ECG Sensors may filter through actual EKG/ECG signals and “Noise” factors that may affect the reading. This will cause the pulse reading to be delayed and will take longer to update the display as the heart rate changes. Too much noise will create an incorrect reading. Medical conditions or having no electrical signal in the hands are other factors that may also affect pulse readings.
These are limitations of hand pulse technology and even the most expensive systems (which can cost upwards of $3,000) used in hospitals have the same problems. The difference is that a patient in a hospital is not running on a treadmill. Hand pulse technologies work well on stationary exercise machines like bikes and even elliptical cross trainers but are not perfect on a treadmill. We offer treadmills with a wireless heart rate receiver which may be the more accurate option.
To test if your hand pulse sensors are working up to specification, hold them while standing on the sidestep rails, not walking, and see if the reading is more in line with what you would expect. This will eliminate the movement and static electricity factors. If your hands are dry, then wet them slightly (saliva works as a great conductor if this doesn’t bother you).

























