SPIRIT XE 295 Elliptical Cross Trainer

ATTENTION!
This device is intended for use in private homes only.
Any other use leads to the loss of warranty and may cause serious hurts or damages. Any exercise program may endanger your health. Ask your physician before starting any exercise program with this appliance.
IMPORTANT SAFETY INSTRUCTIONS
This device is designed for optimum safety. Nevertheless, certain precautions need to be observed when using training or electronical devices. Read and observe all instructions before using this device.
ATTENTION
Disconnect the power supply after use and before any cleaning action to reduce the risk of electric shock!
WARNING!
To reduce the risk of burns, fire, electric shock, errors and personal injury, observe the following hints:
- Never leave the device unattended.
- When not in use or before cleaning or maintenance, the device needs to be separated from the power supply.
- Do not operate under a blanket or pillow. This may lead to overheating.
- Close supervision is necessary when this appliance is used by, on, or near children or disabled persons.
- Use this appliance only for its intended use as described in this manual. Do not use any parts not recommended by the manufacturer!
- Never operate this appliance if the cord or plug is damaged, if it is not working properly, if it has been dropped or damaged or dropped into water. Return the appliance to a service center for examination and repair.
- Do not carry this appliance by the cord or use the cord as a handle.
- Keep the cord away from heated surfaces.
- Never operate the appliance with blocked ventilation slots. Keep the air openings free of lint, hair, dust etc.
- Never insert objects or parts of the body (fingers etc.) into any opening.
- Do not use the device outdoors.
- Do not operate where aerosol (spray) products are being used or where oxygen is being administered.
- Install the device on an even, level surface with access to a 230-volt, 10-amp grounded outlet.
- DO NOT USE AN EXTENSION CABLE OR POWER STRIPS. DO NOT AMEND THE DEVICE AND DO NOT USE ANY PARTS NOT RECOMMENDED BY THE MANUFACTURER
- The appliance is intended for household use only.
- This device is not designed to be used by persons with limited physical, sensory or mental abilities, or by persons with insufficient experience and/or knowledge.
IMPORTANT SAFETY INSTRUCTIONS
- Before beginning this or any exercise program, consult a physician. This is especially important for persons over the age of 35 or persons with pre-existing health problems.
- To disconnect, turn all controls to the off position and remove the plug from the outlet.
- Do not operate the equipment on deeply padded floors, plush or shag carpet. Damage to both carpet and equipment may result.
- Keep hands away from all moving parts.
- The pulse sensors on this device are not suitable for medical purposes. Various factors, including the user’s movement, may affect the accuracy of heart rate readings. The pulse sensors are intended only as exercise aids in determining heart rate trends in general.
- Wear suitable clothing and shoes for your training and avoid too loose clothing. Never exercise with bare feet or with socks only. Always wear appropriate shoes, e.g. running or cross training shoes.
- The treadmill is not suitable for persons with more than 330 lb / 150 kg body weight.
- Only 1 person is allowed to use the device at a time.
WARNING!
- NEVER operate this device without reading and completely understanding the instructions for use and the safety instructions.
- Understand that changes in resistance do not occur immediately. Set your desired resistance on the computer console and release the adjustment key. The computer will change the setting gradually only.
- NEVER use your device during a thunderstorm. Surges may occur in your household power supply, that could damage treadmill components.
- Be careful when participating in other activities while exercising on your device; such as watching television, reading, etc. These activities may cause you to lose balance, which may result in serious injury.
- Do not use excessive pressure on console control keys. These will function properly with little finger pressure only.
Failure to follow these instructions may lead to ineffectiveness of the exercise, shorten the lifespan of the appliance or may lead to personal injury.
IMPORTANT ELECTRICAL INFORMATION
WARNING!
NEVER remove any cover without first disconnecting A/C power. If voltage varies by ten percent (10%) or more, the performance of your device may be affected. Such conditions are not covered under your warranty. If you think the voltage is low, contact your local power company or a licensed electrician for proper testing.
NEVER expose this device to rain or moisture. This product is NOT designed for outdoor use, near a pool or spa, or in any other environment with high humidity. The temperature should be within the range of 5 to 48 degrees Celsius (40-120°F) and humidity level should never be over 95%, non-condensing (no water drops forming on surfaces).
GROUNDING INSTRUCTIONS
This product needs to be grounded. If the electrical system should malfunction or breakdown, grounding provides a path of least resistance for electric current, reducing the risk of electric shock. This product is equipped with a cord having an equipment-grounding plug. The plug must be plugged into an appropriate outlet that is properly installed and grounded in accordance with all local codes and ordinances.
DANGER – Improper connection of the equipment-grounding conductor can result in a risk of electric shock. Check with a qualified electrician or serviceman if you are in doubt as to whether the product is properly grounded. Do not modify the plug provided with the product if it will not fit the outlet; have a proper outlet installed by a qualified electrician.
This product is for use on a nominal 220-volt circuit.
ASSEMBLY INSTRUCTIONS
BEFORE YOU START
- Carefully remove all parts from carton and inspect for any damage or missing parts. If damaged parts are found, or parts are missing, contact your dealer immediately.
- Locate the hardware package. The hardware is separated into four steps. Remove the tools first. Remove the hardware for each step as needed to avoid confusion.
ASSEMBLY TOOLS

Step 1: Rail & Console Mast
- Locate the CONSOLE MAST (12) and CONSOLE MAST COVER (72); put the cover onto the mast using the screws (120). Make sure the CONSOLE MAST COVER (72) is correctly orientated.
- At the top opening of the MAIN FRAME (1), there is the COMPUTER CABLE (50) tied to a tie wire. Guide the tie wire with the COMPUTER CABLE (53) into the bottom of the CONSOLE MAST (12) and out of the opening at the top.
- Install the CONSOLE MAST (12) onto the bracket on the top of the MAIN FRAME (1). Be extremely careful not to pinch any cables!
NOTE: Maybe there is one bolt already installed on the bracket that will engage with the slot at the bottom of the Console Mast. This needs to be tightened last, after the other mast bolts. - Place a SPLIT WASHER (152) onto the BOLT (105) and hand tighten through the left side of the console mast. Place a CURVED WASHER (153) onto each BOLT (103) and thread both into the front of the console mast tube. Fasten these front bolts as tight as possible with the WRENCH (155). Next tighten the two left side bolts with the same wrench firmly.
- Connect the 2 HAND PULSE CABLES (47), RESISTANCE CABLE (49), and COMPUTER CABLE
(53) to the back of the CONSOLE (43). Do not force the connectors; they will only fit one way and are different sizes to prevent confusion. Place the excessive cable in the CONSOLE MAST TUBE (12). - Attach the CONSOLE (43) to the bracket of the Console Mast tube with 4 PHILLIPS HEAD SCREWS (116). Tighten the screws using the PHILLIPS HEAD SCREW DRIVER (157).
- Attach the END CAPS (93) to the device as shown if not already in place.
- Slide the Rail Assembly into the MAIN FRAME (1). Insert one BUTTON HEAD SOCKET BOLT (176) and a FLAT WASHER (137) through each side and attach the BOLTS (130) with CURVED WASHERS (153) to each joint on the inside as shown in drawing.
Needed Hardware for this step:


Step 2: Connecting & swing arms
- Slide 2 WAVE WASHERS (150) onto each side of the Swing Arm Axle. Slide the LOWER SWING ARMS (10 LEFT, 11 RIGHT) onto the axles and secure with the 2 HEX HEAD BOLTS (99)
and FLAT WASHERS (141). Do not force the Swing Arms onto the axle. You may need to jiggle them a little to get them lined up properly. The Swing Arms have been previously
installed at the factory – so they do fit properly. - Remove the tie that holds the spacer in the rod end located at the end of the RIGHT CONNECTING ARM (9) and line up the rod end with the bracket at the bottom of the LOWER RIGHT SWING ARM (11). Slide the HEX HEAD BOLT (101) through the bracket of the Lower Swing Arm and then through the rod end and spacer. Install the FLAT WASHER (142) and NYLOC NUT (192) on the bolt and tighten firmly. Repeat this step for the left side.
Needed Hardware for this step:

Step 3: Handgrips
- Slide the RUBBER SLEEVE (162) onto the LEFT (16) and RIGHT (17) UPPER SWING ARMS. Make sure the wide part is at the bottom.
- Attach the WIRE (50) from the RIGHT UPPER SWING ARM (17) to the WIRE(49) that exits the CONSOLE MAST TUBE (12). Slide the SWITCH WIRE CAP (161) onto the wire with the wide side facing the Swing Arm.
- Fix UPPER SWING ARM (17) on Lower Swing Arm (11) with 3 HEX HEAD BOLTS (159), 2 CURVED WASHERS (160) and 3 NYLOC NUTS (127) as shown.
- Repeat step 3 from above on the left side.
Needed Hardware for this step:

Step 4: Plastic parts
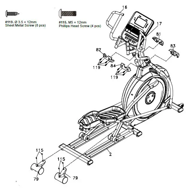
- Fix the two WHEEL COVERS (79) to the rollers with 4 PHILLIPS HEAD SCREWS (115).
- Install the LEFT HANDLE BAR COVERS (81 & 82) and RIGHT HANDLE BAR COVERS (83 & 84) to the Handle Bar axle connections with 4 SHEET METAL SCREWS (119) on each side.
- Look closely at the four floor levelers underneath the middle and rear of the elliptical. If any of these aren’t in contact with the floor, use the WRENCH to loosen the bottom nut.
Once the nut has been loosened, turn the rubber caster clockwise until solid contact with the floor is present. Retighten the bottom nut to prevent it from moving.
Needed Hardware for this step:
ATTENTION!
Make sure all screws are all firmly tightened after all parts have been installed.
USING THE DEVICE
Get on: Ensure the left foot pedal is in the lowest position and grasp the stationary handlebars with both hands. Place your left foot on the left foot pedal and then lift your right foot over machine and place on right foot pedal. Get balanced and begin your workout.

Get off: Stop your workout, until the device has come to a complete stop. Get off the device.
Workout: Stand in an upright position with straight back and look to the front. Exercise in a smooth, rhythmic movement forward or backward. If you are walking backwards, bend your knees slightly more.
TRANSPORTATION
The device is equipped with two transportation rolls. At the rear of the machine squat down and grasp the rear stabilizer bar as shown in the figure.
Lift the rear of the device, so that the rolls touch the ground. You may now freely move the device. 
ADJUSTING THE PEDALS
The Foot pedals are adjustable to meet the user’s style of pedaling the elliptical. There are three positions available with a simple pull-pin adjustment located under the pedals (see illustration below).
The lowest position will set the pedals at zero degrees (0°), the second position at five degrees (5°) and the top position at ten degrees (10°). There is no general best adjustment position, because everybody is different. Some users are uncomfortable at a fixed angle; therefore we added the adjustable pedal angles so everybody is able to find the adjustment, which feels the most comfortable for the individual workout. You may also change your setting from time to time to train your legs muscles in a different way. The highest angle works mostly on the quadriceps muscles while the lowest angle has more effect on your hamstrings and glutes.
COMPUTER OPERATION

POWER ON
When the power cord is connected properly, the console will automatically power up.
When initially powered on, the console will perform an internal self-test. During this time all the lights will turn on. When the lights go off, the Message Center will show the software version (i.e.: VER 1.0).The distance window shows the accumulated distance and the time window shows the total hours of use. After a few seconds the console will switch to startup display. The dot matrix display will be scrolling through the different workout profiles and the Message Window will be scrolling the start-up message. You may now begin to use the console.
Dot Matrix Center Display
Twenty columns of boxes (10xhigh) indicate each segment of a workout. The boxes only show an approximate level (resistance) of effort. They do not necessarily indicate a specific value – only an approximate proportion to compare levels of intensity.
0.4 KM (1/4 MILE) TRACK
The 1/4-mile track (one lap) will be displayed around the dot matrix window. The flashing segment indicates your progress. Once the 1/4-mile (Metric – 0.4km) is complete, this feature will begin again. The Lap track will move in a counterclockwise direction. There is a lap counter in the message window for monitoring your distance.
HEART RATE FEATURE
The Pulse (Heart Rate) window will display your current heart rate in beats per minute during the workout. You must use both left and right stainless steel sensors or a chest strap to pick up your pulse. Pulse values are displayed anytime the computer is receiving a pulse signal. You may use the pulse feature while in Heart Rate Control. The device will also pick up wireless heart rate transmitters that are Polar compatible, including coded transmissions.
Calorie Display
Displays the cumulative calories burned at any given time during your workout.
Note: This is only a rough guide used for comparison of different exercise sessions, and is not to be used for medical purposes.
Speakers
The console has built-in Speakers and an audio input jack. There is no volume control on the console. The volume must be controlled on the Audio Source.
QUICK START
This is the quickest way to start a workout. After the console powers up you just press the Start key to begin. This will initiate the Quick Start mode. In Quick Start the Time will count up from zero, all workout data will start to accrue and the workload may be adjusted manually by pressing the Up and Down buttons. The dot matrix display will show just the bottom row lit. As you increase the workload more rows will light indicating a harder workout. The elliptical trainer will get harder to pedal as the rows increase. There are 20 levels of resistance available for plenty of variety. The first 5 levels are very easy workloads, and the changes between levels are set to a good progression for de-conditioned users. Levels 6-10 are more challenging but the increases from one level to the next remain small. Levels 11-15 start getting tough as the levels jump more dramatically. Levels 16-20 are extremely hard and are good for short interval peaks and elite athletic training.
Basic Information
The Message Center will initially be displaying the Program name. When in scan mode during a program, speed will be displayed for 4 seconds, afterwards Watts (indication of workload) are displayed. The display then switches to Laps completed, Segment time, Max level. Pressing the Enter key again will bring you back to the beginning.
The Stop key actually has several functions. Pressing the Stop key once during a program will pause the program for 5 minutes. To resume your workout during Pause, just press the Start key. If the Stop key is pressed twice during a workout, the program will end and the console will display your workout summary (Total time, Avg. Speed, Avg. Watts, Avg. HR, total Laps). If the Stop key is held down for 3 seconds or pressed a third time during the program, the console will perform a complete Reset. During data entry for a program the Stop key performs a previous screen or segment function. This allows you to go back to change programming data.
Program Keys
The program keys are used to preview each program. When you first turn the console on you may press each program key to preview what the program profile looks like. If you decide that you want to try a program, press the corresponding program key and then press the Enter key to select the program and enter into the data-setting mode.
The device has a built-in heart rate monitoring system. Simply grasping the hand pulse sensors on the stationary handle bars or wearing the heart rate transmitter (see respective chapter) will start the heart icon flashing (this may take a few seconds). The pulse display window will display your heart rate in beats per minute.
The console includes a built-in fan to help keep you cool. To turn the fan on, press the key on the left side of the console.
Muscle Activation Profile
There is an anatomical figure located at the top of the console. This figure will light all areas that are activated when using the device. You can control which muscles are activated by customizing the resistance profile during the set up phase of console programming. If you accept the default program profile, the selected program will determine which muscles will be activated by automatically adjusting the resistance. Generally pay attention to the following:
- The upper body LED’s will light up any time your hands aren’t in contact with the pulse grip sensors
- The lower body lights will be activated in three degrees of engagement: Green represents minimal muscle involvement, amber represents medium involvement and red represents full activation.
- These are the different scenarios for lower body muscle activation:
Forward pedal rotation Gluteals & Quadriceps are Amber; Hamstrings & Calves are Green Reverse pedal rotation Calves, Hamstrings, and Quadriceps are Amber; Gluteals are Green
Heart Rate % Profile
The LCD screen will display your current heart rate anytime a pulse signal is detected. The bar graph, located to the right of the LCD screen, displays a graphical representation of your heart rate as a percentage of your maximum heart rate. When you enter your age during programming, the console will calculate your maximum heart rate then light up the graph to show the percent of maximum heart rate you are currently achieving.
The bar graph colors are assigned as follows:
- 50 – 60% of maximum heart rate: Amber
- 65 – 80% of maximum heart rate: Amber and green
- 85 – >90% of maximum heart rate: Amber, green and red
PROGRAMMING THE CONSOLE
Each of the programs can be customized with your personal information and changed to suit your needs. Some of the information asked for is necessary to ensure the readouts are correct. You will be asked for your Age and Weight. Your Age is necessary during the Heart Rate control program to ensure the correct settings are in the program for your Age. Otherwise the work settings could be too high or low for you; entering your Weight aides in calculating a more correct calorie reading. Although we cannot provide an exact calorie count we do want to be as close as possible.
NOTE ON CALORIES VALUE: Calorie readings on every piece of exercise equipment, whether it is in a gym or at home, are not accurate and tend to vary widely. They are meant only as a guide to monitor your progress from workout to workout. The only way to measure your calorie burn accurately is in a clinical setting connected to a host of machines. This is because every person is different and burns calories at a different rate. Some good news is that you will continue to burn calories at an accelerated rate for at least an hour after you have finished exercising!
ENTERING A PROGRAM & CHANGING SETTINGS
When you enter a program (by pressing a program key and then Enter key) you have the option of entering your own personal settings. If you want to work out without those personal settings, just press Start key. This will bypass the entering section and take you directly to the start of your workout. If you want to change the personal settings, then just follow the instructions in the Message Window. If you start a program without changing the settings, the default, or pre-saved settings will be used.
NOTE: Age and Weight default settings will change when you enter a new number. So the last age and weight values entered will be saved as the new default settings. If you enter your age and weight the first time, you will not have to enter it every time you work out, unless either your age or weight changes or someone else enters a different age and weight.
MANUAL
The Manual program allows you to control the workload manually. To start the Manual program, follow the instructions below or just press the START key.
- Press the Manual key then press the Enter key.
- The Message Window will ask you to enter your Age. You may enter your Age, using the Up and Down keys, then press the Enter key to confirm and proceed on to the next screen.
- You are now asked to enter your Weight. You may adjust the Weight number using the Up and Down keys, then press Enter to continue.
- The next setting is Time. You may adjust the Time and press Enter to continue.
- Now you are finished with the setting procedure and you may begin your workout by pressing the Start key. You can also go back and modify your settings by pressing the Enter key.
- The program automatically starts at level 1. This is the easiest level and it is a good idea to stay at level 1 for a while to warm up. If you want to increase the work load at any time press the Level Up key; the Level Down key will decrease the workload.
- During manual program you may press Enter to scroll through the data in message window.
- When the program ends you may press Start to begin the same program again or Stop to exit the program. You may also store the program by pressing a User key and following the instructions.
PRESET PROGRAMS
The elliptical trainer has five different programs that have been designed for a variety of workouts. These five programs feature a factory preset work level in order to achieve different goals.
HILL
This program follows a triangle or pyramid type of gradual progression from approximately 10% of maximum effort (the level that you chose before starting this program) up to a maximum effort which lasts for 10% of the total workout time, then a gradual regression of resistance back to approximately 10% of maximum effort. 
FATBURN
This program follows a quick progression up to the maximum resistance level (default or user input level) that is sustained for 2/3 of the workout. This program will challenge your ability to sustain your energy output for an extended period of time. 
CARDIO
This program presents a quick progression up to near maximum resistance level (default or user input level). It has slight fluctuations up and down to allow your heart rate to elevate, and then recover repeatedly, before beginning a quick cool down. This will build up your heart muscle and increase blood flow and lung capacity. 
STRENGTH
This program has a gradual progression of resistance up to 100% of maximum effort that is sustained for 25% of workout duration. This will help build strength and muscular endurance in the lower body and glutes. A brief cool down follows. 
INTERVAL
This program takes you through high levels of intensity followed by recovery periods of low intensity. This program utilizes and develops your “Fast Twitch” muscle fibers which are used when performing tasks that are intense and short in duration. These deplete your oxygen level and spike your heart rate, followed by periods of recovery and heart rate drop to replenish oxygen. Your cardiovascular system gets programmed to use oxygen more efficiently. 
PROGRAMMING PRESET PROGRAMS
- Select the desired program button then press the Enter key.
- The Message Window will ask you to enter your Age. You may adjust the age setting, using the Up and Down keys, then press the Enter key to accept the number and proceed on to the next screen.
- You are now asked to enter your Weight. You may adjust the weight number using the Up and Down keys, then press Enter to continue.
- Next is Time. You may adjust the Time and press Enter to continue.
- Now you are asked to adjust the Max Level. This is the peak exertion level you will experience during the program (at the top of the hill). Adjust the level and then press Enter.
- Now you are finished editing the settings and can begin your workout by pressing the Start key. You can also go back and modify your settings by pressing the Enter key.
- If you want to increase or decrease the workload at any time during the program press the Level Up or Down key. This will change the workload settings of the entire profile, although the profile picture on the screen will not change. The reason for this is so that you can see the entire profile at all times. If the profile picture is changed it will look distorted and not a true representation of the actual profile. When you make a change to the workload, the Message Window will show both the current column and program maximum levels of work.
- During the program you will be able to scroll through the data in the Message Window by pressing the Enter key.
- When the program ends, the Message Window will show a summary of your workout. The summary will be displayed for a short time then the console will return to the start-up display.
Custom User Defined Programs
There are two customizable user programs that allow you to build and save your own workout. You can build your own custom program by following the instructions below or you can save any other preset program you have completed as a custom program. Both programs allow you to further personalize it by adding a name.
- Press the User 1 or User 2 key. The Message Center will show a welcome message. If you had previously saved a program, the message will contain a name. Press the Enter key.
- If you have already saved a program to either U1 or U2, it will be displayed and you are ready to begin. If not, you will have the option of naming the program. In the Message Window, the letter “A” will be flashing. Use the Level Up/ Down buttons to select the appropriate first letter (pressing the up button will switch to the letter “B”; pressing the Down button will switch to letter “Z”). Press Enter to proceed. Repeat this process until all of the characters of the desired name have been set (maximum 7 characters). When finished, press Stop.
- If there is a program already stored, you will have the option to run the program as it is or delete the program and build a new one. At the welcome message screen, when pressing Start or Enter you will be prompted: Run Program? Use the Level Up/Down keys to select Yes or No. If you select No, you will then be asked if you want to delete the currently saved program. It is necessary to delete the current program if you want to build a new one.
- The Message Center will ask you to enter your Age. You may enter your age, using the Level
Up/Down keys, then press the Enter key to confirm and proceed on to the next screen. - Enter your weight, the time and the max. resistance level the same way. Press Enter to proceed.
- Now the first column will be flashing and you are asked to adjust the resistance level for the first segment by using the Level Up key. Press Enter to continue to the next segment.
- The next segment will show the same workload resistance level as the previously adjusted segment. Adjust accordingly and press Enter. Continue this process until all twenty segments have been set.
- The Message Center will then ask you to press Enter to save the program. After saving the program the message “PROG SAVED” appears. Now you may Start or modify the program. Pressing Stop will exit to the start-up screen.
HEART RATE TRAINING
The old motto, “no pain, no gain”, is a myth that has been overpowered by the benefits of exercising comfortably. A great deal of this success has been promoted by the use of heart rate monitors. With the proper use of a heart rate monitor, many people find that their usual choice of exercise intensity was either too high or too low and exercise is much more enjoyable by maintaining their heart rate in the desired benefit range.
To determine the benefit range in which you wish to train, you must first determine your Maximum Heart Rate. This can be accomplished by using the following formula: 220 minus your age. This will give you the Maximum heart rate (MHR) for someone of your age. To determine the effective heart rate range for specific goals you simply calculate a percentage your MHR. Your Heart rate training zone is 50% to 90% of your maximum heart rate. 60% of your MHR is the zone that burns fat while 80% is for strengthening the cardio vascular system. This 60% to 80% is the zone to stay in for maximum benefit.
For someone who is 40 years old their target heart rate zone is calculated:
- 220 – 40 = 180 (maximum heart rate)
- 180 x .6 = 108 beats per minute (60% of maximum) 180 X .8 = 144 beats per minute (80% of maximum)
So for a 40 year old the training zone would be 108 to 144 beats per minute.
If you enter your age during programming the console will perform this calculation automatically. Entering your age is used for the Heart Rate control programs. After calculating your Maximum Heart Rate you can decide upon which goal you would like to pursue.
The two most popular reasons for, or goals, of exercise are cardiovascular fitness (training for the heart and lungs) and weight control. The black columns on the chart above represent the Maximum Heart Rate for a person whose age is listed at the bottom of each column. The training heart rate, for either cardiovascular fitness or weight loss, is represented by two different lines that cut diagonally through the chart. A definition of the lines’ goal is in the bottom left-hand corner of the chart. If your goal is cardiovascular fitness or if it is weight loss, it can be achieved by training at 80% or 60%, respectively, of your Maximum Heart Rate on a schedule approved by your physician. Consult your physician before participating in any exercise program.
With all Heart Rate Control bike machines you may use the heart rate monitor feature without using the Heart Rate Control program. This function can be used during manual mode or during any of the nine different programs. The Heart Rate Control program automatically controls resistance at the pedals.
RATE OF PERCEIVED EXERTION
Heart rate is important but listening to your body also has a lot of advantages. There are more variables involved in how hard you should workout than just heart rate. Your stress level, physical health, emotional health, temperature, humidity, the time of day, the last time you ate and what you ate, all contribute to the intensity at which you should workout. If you listen to your body, it will tell you all of these things.
The rate of perceived exertion (RPE), also known as the Borg scale, was developed by Swedish physiologist G.A.V. Borg. This scale rates exercise intensity from 6 to 20 depending upon how you feel or the perception of your effort.
The scale is as follows:
- Rating Perception of Effort
- 6 Minimal
- 7 Very, very light
- 8 Very, very light +
- 9 Very light
- 10 Very light +
- 11 Fairly light
- 12 Comfortable
- 13 Somewhat hard
- 14 Somewhat hard +
- 15 Hard
- 16 Hard +
- 17 Very hard
- 18 Very hard +
- 19 Very, very hard
- 20 Maximal
You can get an approximate heart rate level for each rating by simply adding a zero to each rating. For example a rating of 12 will result in an approximate heart rate of 120 beats per minute. Your RPE will vary depending up the factors discussed earlier. That is the major benefit of this type of training. If your body is strong and rested, you will feel strong and your pace will feel easier. When your body is in this condition, you are able to train harder and the RPE will support this. If you are feeling tired and sluggish, it is because your body needs a break. In this condition, your pace will feel harder. Again, this will show up in your RPE and you will train at the proper level for that day.
Using a chest belt (optional)
- Attach the transmitter to the elastic strap using the lock button.
- Adjust the strap as tightly as possible as long as the strap is not too tight to remain comfortable.
- Position the transmitter with the logo centered in the middle of your torso facing away from your chest (some people must position the transmitter slightly left of center). Attach the final end of the elastic strap by inserting the round end and, using the locking parts, secure the transmitter and strap around your chest.
- Position the transmitter directly below the pectoral muscles.
- Sweat is the best conductor to measure very minute heart beat electrical signals.
- However, plain water can also be used to pre-wet the electrodes (2 ribbed oval areas on the reverse side of the belt and both sides of the transmitter). It’s also recommended that you wear the transmitter strap a few minutes before your work out. Some users, because of body chemistry, have a more difficult time in achieving a strong, steady signal at the beginning. After “warming up”, this problem lessens.
- Your workout must be within range – distance between transmitter/receiver – to achieve a strong steady signal. The length of range may vary somewhat but generally stay close enough to the console to maintain good, strong, reliable readings. Wearing the transmitter directly on bare skin assures you of proper operation. If you wish, you may wear the transmitter over a shirt. To do so, wet the areas of the shirt that the electrodes will rest upon.

Note: The transmitter is automatically activated when it detects activity from the user’s heart. Additionally, it automatically deactivates when it does not receive any activity. Although the transmitter is water resistant, moisture can have the effect of creating false signals, so you should take precautions to completely dry the transmitter after use to prolong battery life (estimated transmitter battery life is 2500 hours). The replacement battery needs to be of the type CR2032.
ERRATIC OPERATION
Caution! Do not use this exercise equipment for Heart Rate Control unless a steady, solid Actual Heart Rate value is being displayed. High, wild, random numbers being displayed indicate a problem.
Areas to look for interference which may cause erratic heart rate:
- Microwave ovens, TV’s, small exercise equipment, etc.
- Fluorescent lights.
- Some household security systems.
- Perimeter fence for a pet.
- Some people have problems with the transmitter picking up a signal from their skin. If you have problems try wearing the transmitter upside down. Normally the transmitter will be oriented so the logo is right side up.
- The antenna that picks up your heart rate is very sensitive. If there is an outside noise source, turning the whole machine 90 degrees may de-tune the interference.
- Another Individual wearing a transmitter within 3’ of your machine’s console.
If you continue to experience problems contact the service center.
Using the Spirit Fit App
In order to help you achieve your exercise goals, your new exercise machine comes equipped with a Bluetooth® transceiver that will allow it to interact with selected phones or tablet computers via the Spirit Fit App.
Just download the free Spirit Fit App from the Apple Store or Google Play, and then follow the instructions in the App to sync with your exercise machine. Now you can view current workout data in three different Display screens on your device. You can also easily switch back and forth from the workout display view to internet/social media/email sites via icons on the display screen. When your workout is finished, the data is automatically saved to the built-in personal calendar for future reference.
The Spirit Fit App also allows you to sync your workout data with one of many fitness cloud sites we support: iHealth, Map My Fitness, Record or Fitbit – more to come!
Syncing the App with your exercise machine:
- Download the App.
- Open the App on your device (phone or tablet) and make sure Bluetooth® is enabled on your device (phone or tablet).
- In the App click the icon in the top left corner to search for your Spirit equipment (shown right).
- After the equipment is detected, click Connect. When the App and equipment are synced, the Bluetooth® icon on the equipment’s console display will light up. You may now start using your new Spirit Fitness product.
- When you workout is finished, the data is automatically saved and you will be prompted to sync your data with each available fitness cloud site. Please note you will have to download the applicable compatible fitness App, such as iHealth, Map My Fitness, Record, Fitbit, etc., in order for the icon to be active and available.
*Note: Compatible operating systems for the Spirit Fit App:
- iOS 7 or higher
- Android 4.4 or higher.
Heart Rate Control Programs
Note: You must wear a compatible chest belt for these programs
Both programs operate the same, the only difference is that HR1 is set to 60% and HR2 is set to 80% of the maximum heart rate. To start an HR program follow the instructions below or just select the HR1 or HR2 program, then press the Enter button and follow the directions on the display.
After selecting your heart rate target, the program will attempt to keep you at or within 3 – 5 heart beats per minute of this value. Follow the prompts in the display to maintain your selected heart rate value.
- Press the HR 1 or HR2 key, then press the Enter key.
- Enter all values the computer will ask you in the following: Age, Bodyweight, Time, Target heart rate. You always use the Level up/down keys to adjust, then press Enter to confirm.
- Now you can begin your workout by pressing the Start key. You may also go back and modify your settings by pressing the Enter key.
- If you want to increase or decrease the workload at any time during the program, press the Level up/down keys. This will allow you to change your target heart rate at any time during the program.
- During the HR 1 or HR 2 programs you will be able to scroll through the data in the Message Center by pressing the Enter key.
- Upon the end of the program, you may press Start to begin the same program again or Stop to exit.
GENERAL MAINTENANCE
In order to maintain the safety level and the ease of use of the device, the below instructions for general maintenance should be followed:
Daily
Computer, upholstery, handgrips
Clean the device after every workout with a soft cloth, so that the following users have a clean device available.
Daily
Complete unit
Complete cleaning and removal of all traces of sweat with a suitable cleaning cloth to ensure a clean, efficient device.
Weekly
Visible fixings / screws
Check for tightness using a screwdriver or Allen key to ensure that no loose parts interfere with the operation during workout.
Mains cable
Check the mains cable for integrity to avoid power shocks or damages.
Computer operation
Check the computer functions for proper working.
Hand pulse
Start the device with the quick start function, grasp the hand pulse sensors and check, if the pulse is displayed properly.
Foam grips
Check for integrity.
Positioning
The device should be positioned between 150 and 300 mm away from the mains source.
Even stand
Check that the unit is properly leveled. You may adjust the device by the leveling pads on the stabilizers.
WARNING
The safety level of the equipment can only be maintained if it is examined for damage and wear on a regular base. Replace defective components immediately and keep the equipment out of use until repair. These parts are particularly prone to wear: Belt, PU wheel, bearing, idler, shaft and pedals.
The console has built-in maintenance/diagnostic software. The software will allow you to change the console settings from English to Metric and turn off the beeping of the speaker when a key is pressed for example. To enter the Maintenance Mode, pedal the elliptical and press and hold down the Start, Stop and Enter keys. Keep holding the keys down for about 5 seconds and the Message Center will display Engineering Mode Menu. Press the Enter key to access the menu below:
- Key Test (Will allow you to test all the keys to make sure they are functioning)
- LCD Test (Tests all the display functions)
- Functions (Press Enter to access settings and Up arrow to scroll)
- Display Mode (Turn off to have the console power down automatically after 20 minutes of inactivity)
- Pause Mode (Turn on allow 5 minutes of pause, turn off to have the console pause indefinitely)
- ODO Reset (Resets the odometer)
- Units (Sets the display to readout in English or Metric display measurements)
- Beep (Turns off the speaker so no beeping sound is heard)
- Safety
- Security (Allows the keypad to be locked to prevent unauthorized use)
EXPLODED VIEW DIAGRAM

PARTS LIST
| NO. | DESCRIPTION | Q’TY |
| 1 | Main Frame | 1 |
| 2 | Rear Rail Assembly | 1 |
| 3 | Console Holder Assembly | 1 |
| 4 | Cross Bar | 2 |
| 5 | Bushing Housing, Pedal Arm | 2 |
| 6 | Pedal Arm (L) | 1 |
| 7 | Pedal Arm (R) | 1 |
| 8 | Connecting Arm (L) | 1 |
| 9 | Connecting Arm (R) | 1 |
| 10 | Lower Handle Bar (L) | 1 |
| 11 | Lower Handle Bar (R) | 1 |
| 12 | Console Mast | 1 |
| 13 | Idler Wheel Assembly | 1 |
| 14 | Crank Axle | 1 |
| 16 | Swing Arm (L) | 1 |
| 17 | Swing Arm (R) | 1 |
| 18 | Adjustable Pedal (L) | 1 |
| 19 | Adjustable Pedal (R) | 1 |
| 20 | Rod End Sleeve | 4 |
| 22 | Locking Pin Assembly | 2 |
| 23 | Carriage Bolt | 2 |
| 24 | Axle Of Locking Pin | 2 |
| 27 | Aluminum Rail | 4 |
| 28 | 6005_Bearing | 1 |
| 28-1 | 6005_2RS_Bearing | 1 |
| 29 | 6003_Bearing | 16 |
| 30 | 6203_Bearing | 2 |
| 31 | Rod End Bearing | 2 |
| 32 | Drive Belt | 1 |
| 33 | Flywheel | 1 |
| 34 | Magnet | 1 |
| 35 | Latch Spring | 2 |
| 36 | Steel Cable | 1 |
| 37 | Pedal Tension Spring | 2 |
| 39 | Drink Bottle Holder | 1 |
| 40 | Resistance Button W/Cable | 1 |
| 42 | Handgrip Resistance Label (LEVEL) | 1 |
| 43 | Console Assembly | 1 |
| 43~1 | Console Top Cover | 1 |
| 43~2 | Console Bottom Cover | 1 |
| 43~3 | Deflector Fan Grill | 1 |
| 43~4 | Wind Duct (L) | 1 |
| NO. | DESCRIPTION | Q’TY |
| 43~5 | Wind Duct (R) | 1 |
| 43~6 | Speaker Grill Anchor | 6 |
| 43~7 | Fan Grill Anchor | 2 |
| 43~8 | LCD Transparent Piece | 1 |
| 43~9 | Water-resist Rubber | 1 |
| 43~10 | Book Rack | 1 |
| 43~11 | Console Bottom Cover | 1 |
| 43~12 | Fan Fixing Plate | 2 |
| 43~13 | Console Display Board | 1 |
| 43~14 | Interface Board | 1 |
| 43~15 | Key Board | 1 |
| 43~16 | 400m/m_Fan Assembly(White) | 1 |
| 43~17 | 300m/m_Speaker W/Cable | 2 |
| 43~18 | Amplifier Controller | 1 |
| 43~19 | 300m/m_W/Receiver, HR | 1 |
| 43~20 | Earphone socket with cable and securing metal | 1 |
| 43~21 | 250m/m_Amplifier Cable | 1 |
| 43~22 | Bluetooth | 1 |
| 44 | 600m/m_DC Power Cord | 1 |
| 45 | Gear Motor | 1 |
| 46 | Sensor W/Cable | 1 |
| 47 | 850m/m_Handpulse W/Cable Assembly | 2 |
| 48 | Power Adaptor | 1 |
| 49 | 450m/m_Handle Wire (Upper), Resistance | 1 |
| 50 | 900m/m_Handle Wire (Lower), Resistance/Incline | 1 |
| 52 | 400m/m_Audio Cable | 1 |
| 53 | 1300m/m_Computer Cable | 1 |
| 58 | Transportation Wheel | 2 |
| 59 | Slide Wheel , Urethane | 4 |
| 60 | Rubber Foot | 4 |
| 61 | WFM-2528-21_Bushing | 4 |
| 63 | Button Head Plug | 2 |
| 64 | Ø32 × 1.8T_Round Cap | 4 |
| 65 | 32 × 2.5T_Round Cap | 2 |
| 66 | Ø25.5 × 33.5 × 1.5T_Nylon Wave Washer | 2 |
| 69 | Mast Bushing | 2 |
| 70 | Pedal (L) | 1 |
| 71 | Pedal (R) | 1 |
| 72 | Console Mast Cover (L) | 1 |
| 72~1 | Console Mast Cover (R) | 1 |
| 73 | Side Case (L) | 1 |
| 74 | Side Case (R) | 1 |
| 75 | Round Disk | 2 |
| NO. | DESCRIPTION | Q’TY |
| 76 | Round Disk Cover | 2 |
| 77 | Pedal Arm Cover (L) | 1 |
| 78 | Pedal Arm Cover (R) | 1 |
| 79 | Slide Wheel Cover | 2 |
| 81 | Front Handle Bar Cover (L) | 1 |
| 82 | Rear Handle Bar Cover (L) | 1 |
| 83 | Front Handle Bar Cover (R) | 1 |
| 84 | Rear Handle Bar Cover (R) | 1 |
| 89 | Spacer Bushing | 1 |
| 90 | Drive Pulley | 1 |
| 93 | Handgrip End Cap | 6 |
| 94 | Sensor Rack | 2 |
| 96 | Handle Switch Bracket | 1 |
| 97 | 7 × 7 × 19L_Woodruff Key | 2 |
| 98 | 1/4″ × 3/4″_Hex Head Bolt | 4 |
| 99 | 5/16″ × UNC18 × 15m/m_Hex Head Bolt | 6 |
| 101 | 5/16″ × 1-1/4″_Hex Head Bolt | 2 |
| 103 | 3/8″ × 3/4″_Hex Head Bolt | 2 |
| 105 | 3/8″ × 2-1/4″_Hex Head Bolt | 2 |
| 108 | 3/8″ × 2-1/4″_Socket Head Cap Bolt | 2 |
| 109 | 5/16″ × UNC18 × 15m/m_Flat Head Socket Bolt | 2 |
| 110 | M8 × 40m/m_Socket Head Cap Bolt | 2 |
| 111 | 3/8″ × 1-3/4″_Flat Head Socket Bolt | 4 |
| 112 | 5/16″ × 1-3/4″_Button Head Socket Bolt | 2 |
| 115 | M5 × 12m/m_Phillips Head Screw | 14 |
| 116 | M5 × 10m/m_Phillips Head Screw | 6 |
| 117 | M5 × 10m/m_Phillips Head Screw | 14 |
| 118 | 5 × 19m/m_Tapping Screw | 12 |
| 119 | 3.5 × 12m/m_Sheet Metal Screw | 8 |
| 120 | 3.5 × 16m/m_Sheet Metal Screw | 13 |
| 121 | 5 × 16m/m_Tapping Screw | 16 |
| 123 | 3 × 20m/m_Tapping Screw | 4 |
| 124 | Ø25_C Ring | 2 |
| 125 | Ø17_C Ring | 5 |
| 126 | 1/4″_Nyloc Nut | 4 |
| 127 | 5/16″ × 7T_Nyloc Nut | 9 |
| 128 | M8 × 7T_Nyloc Nut | 1 |
| 129 | M8 × 9T_Nyloc Nut | 1 |
| 130 | 3/8″ × UNC16 × 3-3/4″_Button Head Socket Bolt | 4 |
| 131 | 3/8″ × 11T_Nyloc Nut | 2 |
| 132 | 3/8″ -UNF26 × 4T_Nut | 2 |
| 133 | 3/8”-UNF26 × 11T_Nut | 2 |
| 134 | 3/8″ × 7T_Nut | 8 |
| NO. | DESCRIPTION | Q’TY |
| 135 | M8 × 6.3T_Nut | 4 |
| 136 | Ø17 × Ø23.5 × 1T_Flat Washer | 1 |
| 137 | Ø3/8″ × Ø19 × 1.5T_Flat Washer | 14 |
| 139 | Ø5/16″ × Ø35 × 1.5T_Flat Washer | 5 |
| 141 | Ø5/16″ × Ø23 × 1.5T_Flat Washer | 8 |
| 142 | Ø5/16″ × Ø20 × 1.5T_Flat Washer | 2 |
| 144 | Ø1/4″ × 19m/m_Flat Washer | 17 |
| 145 | M8 × 170m/m_J Bolt | 1 |
| 146 | M8 × 20m/m_Carriage Bolt | 1 |
| 149 | Ø25_Wave Washer | 2 |
| 150 | Ø17 × 0.3T_Wave Washer | 4 |
| 152 | Ø10 × 2T_Split Washer | 2 |
| 153 | Ø3/8″ × 23 × 2T_Curved Washer | 6 |
| 155 | 13/14m/m_Wrench (160m/m) | 1 |
| 157 | Schraubendreher | 1 |
| 158 | 12/14m/m_Wrench (160m/m) | 1 |
| 159 | 5/16″ × 1-3/4″_Hex Head Bolt | 6 |
| 160 | Ø8 × 23 × 1.5T_Curved Washer | 4 |
| 161 | Switch Wire Cap | 1 |
| 162 | Swing Arm Bushing | 2 |
| 163 | Pedal Foam (L) | 1 |
| 164 | Pedal Foam (R) | 1 |
| 168 | Oval End Cap | 2 |
| 170 | Ø19 × Ø14 × Ø10 × (5+4)_Bushing | 4 |
| 171 | 5/16″ × 25 × 3T_Nylon Washer | 2 |
| 172 | 5/16″ × 2-1/2″_Hex Head Bolt | 1 |
| 173 | Ø5 × Ø15 × 1.5T_Flat Washer | 4 |
| 174 | M5 × 15m/m_Flat Head Socket Screw | 2 |
| 175 | Ø10_C Ring | 2 |
| 176 | 3/8″ × 2-1/4″_Button Head Socket Bolt | 2 |
| 177 | Innensechskantschlüssel | 1 |
| 178 | 13m/m_Bolt Cap | 1 |
| 179 | Chest Strap (Optional) | 1 |
| 180 | Rubber Foot Pad | 2 |
| 181 | Transformer Power Cord | 1 |
| 192 | 5/16″ × 9T_Nyloc Nut | 2 |
| 193 | Ø17 × 0.5T_Wave Washer | 8 |
TECHNICAL SPECIFICATIONS
| Manufacturer | Dyaco International Inc. 12F, No.111, Songjiang Rd., Taipe City, Taiwan 10486 |
| Importer | Dyaco Europe GmbH Friedrich-Ebert-Straße 75, 51429 Bergisch Gladbach |
| Item | Art. 78301 XE295 |
| Max. user weight | 150 kg (330 lb) |
| Rated Voltage | DC12V, 19.2W |
| Class | HB |
| Standard | EN 60335-1, EN ISO 20957-1, EN 957-9 |
| Country of origin | Made in Taiwan |
DISPOSAL
This product must not be disposed of together with domestic waste.
All users are obliged to hand in all electrical or electronic devices, regardless of whether or not they contain toxic substances, at a municipal or commercial collection point so that they can be disposed of in an environmentally acceptable manner.
Consult your municipal authority or your dealer for information about disposal.

















