LIFESPAN Cross Trainer X-18 User Manual

Read all instructions carefully before using this product.
Retain this owner’s manual for future reference.
IMPORTANT
All nuts and bolts are to be checked and tightened regularly. This includes pedals and other moving parts. Failure to do so may cause damage to your threads and void your warranty.
NOTE: Product may vary slightly from the item pictured due to model upgrades. This manual may be subject to updates or changes. Up to date manuals are available through our website at www.lifespanfitness.com.au
I. IMPORTANT SAFETY INSTRUCTIONS
WARNING: Read all instructions before using this machine.
It is important your machine receives regular maintenance to prolong its useful life. Failing to maintain your machine regularly may void your warranty.
Please keep this manual with you at all times.
- It is important that you read this entire manual before assembling and using the Safe and effective use can only be achieved if the equipment is assembled, maintained, and used correctly. PLEASE NOTE: It is your responsibility to ensure that all users of the equipment are informed of all warnings and precautions
- Before starting any exercise program, you should consult your doctor to determine if you have any medical or physical conditions that could put your health and safety at risk or prevent you from using the equipment Your doctor’s advice is essential if you take medication that affects your heart rate, blood pressure or cholesterol level.
- Be aware of your body’s signals. Incorrect or excessive exercise can damage your health. Stop exercising if you experience any of the following symptoms: pain, tightness in your chest, irregular heartbeat, extreme shortness of breath, lightheadedness, dizziness, or feelings of nausea. If you experience any of these symptoms, you should consult your doctor before continuing with your exercise
- Keep children and pets away from the This equipment is designed for adult use only.
- Use the equipment on a solid, flat level surface with a protective cover for your floor or To ensure safety, the equipment should have at least 2 meters of free space around it.
- Before using the equipment, check that the nuts and bolts are securely tightened. If you hear any unusual noises coming from the equipment during use and assembly, stop Do not use the equipment until the problem has been rectified.
- Wear suitable clothing while using the Avoid wearing loose clothing that may get caught in the equipment or that may restrict or prevent movement.
- This equipment is designed for indoor and family use
- Care must be taken when lifting or moving the equipment so as not to injure your
- Always keep this instruction manual and assembly tools at hand for
- The equipment is not suitable for therapeutic
- The pulse or heart rate sensors are not medical devices. Various factors, including the user’s movement, may affect the accuracy of heart rate The pulse sensors are intended only as exercise aids in determining heart rate trends in general.
II. CARE INSTRUCTIONS
a. Lubricate moving joints with grease after periods of usage.
b. Be careful not to damage plastic or metal parts of the machine with heavy or sharp objects.
c. The machine can be kept clean by wiping it down using a dry cloth.
d. All nuts and bolts are to be checked and tightened regularly. This includes pedals and other moving parts. Failure to do so may cause damage to your thread and void your warranty
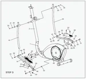
III. EXPLODED DIAGRAM

IV. PARTS LIST
Some items on this list may come pre-installed on your equipment. If you feel like you’re missing anything, please double check your equipment.
| No. | Description | Qty | No. Description | Qty | |
| 1 | Main frame | 1 | 27 Arc washer Φ20xd8.5xR12.5 | 12 | |
| 2 | Handlebar post | 1 | 28 Cross pan head screw ST3.5×10 | 2 | |
| 3L/R | Pedal support tube | 1/1 | 29 Cap S17 | 4 | |
| 4L/R | Swing tube | 1/1 | 30 Extension wire | 1 | |
| 5L/R | Swing bar | 1/1 | 31 Sensor wire | 1 | |
| 6 | Handlebar | 1 | 32 Tension cable | 1 | |
| 7 | Front stabilizer | 1 | 33 Cross pan head screw | 4 | |
| 8 | Rear stabilizer | 1 | 34 Cross pan head screw ST4.2×18 | 2 | |
| 9L/R | Pedal | 1/1 | 35 Cap S14 | 4 | |
| 10 | Computer | 1 | 36 Pulse wire | 1 | |
| 11 | Carriage bolt M8x74 | 4 | 37 End cap | 2 | |
| 12 | Arc washer Φ20xd8.5xR30 | 8 | 38 End cap | 2 | |
| 13 | Acorn nut M8 | 12 | 39 Handlebar foam grip | 2 | |
| 14 | Inner hex pan head screw M8x40 | 4 | 40 Cap | 2 | |
| 15 | Allen screw M8x20 | 6 | 41 Armrest foam grip | 1 | |
| 16 | Carriage bolt M8x45 | 4 | 42 Plastic spacer (1) Φ32×59 | 2 | |
| 17 | Tension controller | 1 | 43 Axle bushing (1) Φ26.8×28 | 8 | |
| 18 | Arc washer D5 | 1 | 44 Round end cap | 2 | |
| 19 | Cross pan head screw M5X55 | 1 | 45 Cap S13 | 2 | |
| 20 | Flat washer Φ8.2xΦ32×2 | 4 | 46 Connecting joint | 2 | |
| 21 | Hex bolt M8x15 | 2 | 47 Flat washer d8 | 2 | |
| 22 | Round cap | 2 | 48 Nylon nut M8 | 2 | |
| 23 | Hex bolt M10x45 | 4 | 49 Crank | 2 | |
| 24 | Washer d10 | 6 | 50 Alloy sleeve | 4 | |
| 25 | Nylon nut M10 | 6 | 51 Hex bolt M10X50 | 2 | |
| 26 | Hex bolt M8x55 | 2 | 52 Waved washer | 2 |
V. ASSEMBLY INSTRUCTIONS

- Fix the Front stabilizer (7) and Rear stabilizer (8) to the Main frame (1) with Carriage bolt (11), Arc washer (12) and Acorn nut (13).

NOTE: Set the Tension controller to the highest setting (8), this will provide a little more slack in the cable and allow you to assemble the cable easier.
1. Connect the Sensor wire (31) well with the Extension wire (30) and then connect the Tension cable (32) well with the wire of the Tension controller (17) as shown A.
2. Fix the Handlebar post (2) to the Main frame (1) with the Allen screw (15), and Arc washer (12).
Video Tutorial for Connecting a Tension Cable: https://youtu.be/hsoOD0sCxRI

- Fix the Swing tube (4L/R) on the long axle of the Handlebar post (2) with a Hex bolt (21), Flat washer (20). Do not tighten them this time.
- Fix Pedal Support tube (3L/R) to the Crank (49) with the Allen screw (15), Flat washer (20) and Waved washer (52). Please do not tighten them this time.
- Connect the swing tube (4L/R) with the Pedal support tube (3L/R) using Hex bolt (26), Flat washer (47) and Nylon nut (48). Tighten the Hex bolt (21), Hex bolt (26), Allen screw (15). Finally, cover the Nut caps (35) (45) (29).
- Fix the Pedal (9L/R) to the Pedal support tube (3L/R) with a Hex bolt (23), Washer (24) and Nylon nut (25).

- Fix the Handlebar (6) onto the handlebar post (2) with an Inner hex pan head screw (14), Arc washer (27) and Acorn nut (13).

- Lock the Swing bar (5L/.R) onto the Swing tube (4L/R) with a Carriage bolt (16), Arc washer (27) and Acorn nut (13).
- Connect the Extension wire (30) with the wire from Computer (10). Then fix the Computer (10) onto the bracket board of the Handlebar post (2) with a Cross pan head screw (33). Lastly, Insert the round plug of the Pulse wire (36) into the bottom of the Computer (10).
VI. COMPUTER OPERATION
I. User Data
You should input your personal data before a workout. Press the BODY FAT key to enter your personal data of sex, age, height and weight. The computer will record and save the data unless the batteries are removed.
II. Clock Mode
- The computer will enter clock mode when there is no signal input or when no keys have been pressed after 4 You can press the ENTER key to switch between clock and temperature mode. To exit clock mode, press any key other than ENTER.
- Press and hold down the ENTER button for 2 seconds to reset the Once reset, you can adjust and set the time using the UP or DOWN keys. If the time is not manually set the time will automatically reset after 30seconds. Any other adjustments can be made by searching through the display by pressing the ENTER key.
FUNCTIONS AND FEATURES
- CLOCK: Digital diplay shows hours and
- TEMPERATURE: Digital display shows the current
- TIME: The digital display shows your elapsed workout time in minutes and Your computer will automatically count up from 0:00 to 99:59 in one-second intervals. You may also program your computer to count down from a set value using the UP and DOWN keys from 0:00 to 99:00. In the case you continue exercising once the time has reached 0:00, the computer will begin beeping and reset itself to the original time set, letting you know your workout is done.
- SPEED: The digital display shows your workout speed value in KM or MILES per
- DISTANCE: Digital display of the accumulative distance traveled during each workout up to a maximum of 9KM/MILE.
- CALORIES: Your computer will estimate the cumulative calories burned at any given time during your
- AGE: Your computer is age-programmable from 10 to 99 years. If you do not set an age, this function will always default to age
- PULSE: During your workout, the computer reads and displays your pulse rate in beats per
- RPM: The number of revolutions of the crank per minute; this is the rate at which a cyclist is pedalling/turning the
- SCAN: When starting a workout, the display will automatically scan Time, Distance, Calorie, Rpm, Pulse, and Each function will remain on the main screen for 6 seconds.
- PULSE RECOVERY: During the START stage, keep your hand on the pulse grips or keep your chest transmitter securely attached and press the “PULSE RECOVERY” All function displays will stop except “TIME”. The timer will start counting down from 01:00 to 00:00. As soon as 00:00 is reached, the computer will show your heart rate recovery status with a grade from F1.0 to F6.0.
1.0 OUTSTANDING
1.0<F<2.0 EXCELLENT
2.0≦F≦2.9 GOOD
3.0≦F≦3.9 FAIR
4.0≦F≦5.9 BELOW AVERAGE
6.0 POOR
NOTE: If no pulse signal is detected, the computer will show “P” on the PULSE window. If the computer displays “Err” on the message window, take your hands off the pulse sensors, then press the ENTER key, followed by the RECOVERY key.
KEY FUNCTION
There are 6 buttons/keys that perform the following:
1. UP key
During the setting mode, this key is used to increase the Time, Distance, Calories, Age, Weight, Height, etc. During CLOCK mode, you can set up the clock and alarm
2. DOWN key
During the setting mode, this key is used to decrease the Time, Distance, Calories, Age, Weight, Height, etc. During CLOCK mode, you can set up the clock and alarm
3. ENTER/RESET key
- Press the key to accept the current data
- During the no-speed mode, hold this key for over 3 seconds the computer will
4. BODY FAT key
Press the key to enter your personal data before measure your body fat ratio.
5. MEASURE key
Press the key to get your body fat ratio and BMI and BMR.
- FAT %: Indicates your body fat percentage after
- BMI (Body Mass Index): BMI is a measure of body fat based on height and weight this applies to both adult men and
- BMR (Basal Metabolic Rate): Your Basal Metabolic Rate (BMR) shows the number of calories your body needs to operate properly in a resting setting
NOTE: Press the MEASURE key, keep both hands on the holding sheet. After about 10 seconds, the display will show the test result. If your hands are placed on the holding sheet incorrectly, the display will show the message “Err.” Use either the ENTER, UP, or DOWN key to exit the test results.
6. PULSE RECOVERY key
Press the key to activate heart rate recovery function.
BATTERY
If the wrong display is shown on the monitor, remove and reinstall the batteries.
VII. EXERCISE GUIDE
PLEASE NOTE:
Before beginning any exercise program, consult your physician. This is important especially if you are over the age of 45 or individuals with pre-existing health problems.
The pulse sensors are not medical devices. Various factors, including the user’s movement, may affect the accuracy of heart rate readings. The pulse sensors are intended only as an exercise aid in determining heart rate trends in general.
Exercising is a great way to control your weight, improve your fitness and reduce the effects of aging and stress. The key to success is to make exercise a regular and enjoyable part of your everyday life.
Your heart and lungs’ condition and how efficient they are in delivering oxygen via your blood to your muscles are crucial factor to your fitness. Your muscles use oxygen to provide enough energy for daily activities; this is called aerobic activity. When you are fit, your heart will not have to work so hard and it will pump fewer times per minute, reducing the wear and tear on your heart.
As a result, the fitter you are, the healthier and greater you will feel

WARM UP
Start each workout with 5 to 10 minutes of stretching and some light exercises. A proper warm-up increases your body temperature, heart rate and circulation in preparation for exercise. Ease into your exercise.
TRAINING ZONE EXERCISE
After warming up, increase the intensity to your desired exercise program. Be sure to maintain your intensity for maximum performance. Breathe regularly and deeply as you exercise.
COOL DOWN
Finish each workout with a light jog or walk for at least 1 minute. Then complete 5 to 10 minutes of stretching to cool down. This will increase the flexibility of your muscles and will help prevent post- exercise problems.
WORKOUT GUIDELINES

The above image illustrates how your pulse should behave during a general fitness exercise. Remember to warm up and cool down for a few minutes. The most important factor here is the amount of effort you put in. The harder and longer you work, the more calories you will burn.
VIII. WARRANTY
AUSTRALIAN CONSUMER LAW
Many of our products come with a guarantee or warranty from the manufacturer. In addition, they come with guarantees that cannot be excluded under the Australian Consumer Law. You are entitled to a replacement or refund for a major failure and compensation for any other reasonably foreseeable loss or damage.
You are entitled to have the goods repaired or replaced if the goods fail to be of acceptable quality and the failure does not amount to a major failure. Full details of your consumer rights may be found at www.consumerlaw.gov.au.
Please visit our website to view our full warranty terms and conditions: http://www.lifespanfitness.com.au/warranty-repairs
WARRANTY AND SUPPORT
Any claim against this warranty must be made through your original place of purchase. Proof of purchase is required before a warranty claim may be processed.
If you have purchased this product from the Official Lifespan Fitness website, please visit https://lifespanfitness.com.au/warranty-form
For support outside of warranty, if you wish to purchase replacement parts or request a repair or service, please visit https://lifespanfitness.com.au/warranty-form and fill in our Repair/Service Request Form or Parts Purchase Form.
Scan this QR code with your device to go to lifespanfitness.com.au/warranty-form

IX. HAND PULSE TECHNOLOGY
This product comes equipped with hand pulse sensors which are used to pick up tiny EKG/ECG signals that run through the body when your heart beats. These electrical EKG/ECG signals are very small and must be amplified 1000 times to make the signal viable for the computer to display your pulse.
To ensure proper operation:
- The user must maintain good, consistent contact on all four
- The users skin cannot be too dry or too
Other factors that could affect the reading:
- Change of grip on the sensors (during slow pace walking and up to running).
- Tightening of hand muscles will produce small electrical
- Static electricity charges from the air or from walking on the
EKG/ECG Sensors may filter through actual EKG/ECG signals and “Noise” factors that may affect the reading. This will cause the pulse reading to be delayed and will take longer to update the display as the heart rate changes. Too much noise will create an incorrect reading. Medical conditions or having no electrical signal in the hands are other factors that may also affect pulse readings.
These are limitations of hand pulse technology and even the most expensive systems (which can cost upwards of $3,000) used in hospitals have the same problems. The difference is that a patient in a hospital is not running on a treadmill. Hand pulse technologies work well on stationary exercise machines like bikes and even elliptical cross trainers but are not perfect on a treadmill. We offer treadmills with a wireless heart rate receiver which may be the more accurate option.
To test if your hand pulse sensors are working up to specification, hold them while standing on the sidestep rails, not walking, and see if the reading is more in line with what you would expect. This will eliminate the movement and static electricity factors. If your hands are dry, then wet them slightly (saliva works as a great conductor if this doesn’t bother you).




















