User’s manual
SMD Repairing System INT701A++
90701A++
Illustration similar, may vary depending on model
INT701A Plus Plus Repairing Station Desoldering Pump with Soldering Iron
Please read and follow the operating instructions and safety information prior to initial operation.
Technical changes reserved!
Illustrations, functional steps, and technical data may deviate insignificantly due to continuous further developments.
The information contained in this document may alter at any time without prior notice. No part of this document may be copied or otherwise duplicated without prior written consent. All rights reserved. WilTec Wildanger Technik GmbH cannot be held liable for any possible mistakes in this operating manual, nor in the diagrams and illustrations shown.
Although WilTec Wildanger Technik GmbH has made every possible effort to ensure that this operating manual is complete, accurate, and up-to-date, errors cannot be ruled out entirely. If you have found an error or wish to suggest an improvement, we look forward to hearing from you. Send us an e-mail to:
[email protected]
or use our contact form: https://www.wiltec.de/contacts/
The most recent version of this manual in several languages can be found in our online shop: https://www.wiltec.de/docsearch
Our postal address is:
WilTec Wildanger Technik GmbH
Königsbenden 12
52249 Eschweiler – Germany
To return your goods for exchange, repair, or other purposes, please use the following address. Attention! To allow for a trouble-free complaint or return, it is important to contact our customer service team before returning your goods.
Retourenabteilung
WilTec Wildanger Technik GmbH
Königsbenden 28
52249 Eschweiler – Germany
E-mail: [email protected]
Tel: +49 2403 55592–0
Fax: +49 2403 55592–15
Introduction
Thank you for choosing to purchase this quality product. To minimise the risk of injury, we ask you to always take some basic safety precautions when using this product. Please read this operating manual carefully and make sure that you understand it.
Keep these operation instructions in a safe place.
WARNING:
Read all safety precautions and instructions. Failure to obey the safety precautions and instructions might cause an electric shock, a fire, and/or severe injuries.
Keep all safety precautions and instructions for future use.
Safety instructions
General safety instructions
ATTENTION: The use of this device is only allowed with a fault current protection switch
with a triggering nominal current up to 30 mA (according to VDE ma Article 702 and 738).- The device is not intended for use by persons (including children) with impaired or limited physical, sensory, and mental abilities, or lack of experience and/or real knowledge unless they are supervised by a person responsible for their safety or follow the instructions made by this person on how to correctly use the device. Children should be supervised to ensure that they do not play with the device.
- Always use an earthed power supply with the correct voltage. The corresponding voltage value is given on the nameplate. If there are doubts concerning the earthing of the power supply, contact a qualified person for checking it. Never use a damaged power cable.
- Do not open this device in a damp or wet area or with yourself being wet and protect it from direct sunlight. Install the device in a safe place so that nobody can walk on the cables, fall over them, and/or damage them. Make for sufficient cooling by ambient air and avoid any heat build Before cleaning the device, pull out the plug and only use a damp cloth for cleaning. Avoid using cleaning agents and make sure that liquids cannot enter the device.
- The inner parts of the device do not contain components requiring maintenance by the user. Leave all maintenance, control, and repair works to a qualified person.
- During operation, the unsoldering gun, hot air piston, and nozzle have temperatures between zoo °C and 480 ° Therefore, personal injuries or material damage inside the work area might happen in case the unsoldering station is not handled with care.
Obey the following principles when working with this device:
- After opening the parcel, check if every individual part of the device is in good condition or if you can detect visible damage caused by transport. If there are damages visible, do not operate the device, but Immediately contact your vendor.
- Switch off the device and pull out the plug before moving it.
- Avoid exposing parts of the device to too high a mechanical stress (shocks, pushes, etc.).
ATTENTION:
- Perform a visual inspection of the device before every use. Do not use the device if the safety appliances are damaged or worn out. Never override safety regulations.
- Only use the device accordingly to the intended purpose stated in this manual.
- You are responsible for the safety of the working zone.
- If the cable or plug is damaged due to external influences, the cable must not be repaired but must be replaced with a new one.
- The voltage of 230 V AC indicated on the nameplate of the device must match the existent mains voltage.
- Never lift, carry, or fix the device by using the power cable.
- Make sure that the electrical plug connection is protected from flood and moisture.
- Always unplug the appliance before working on it.
- Avoid exposing the device to direct jets of water.
- The user is responsible for complying with local safety and mounting regulations. Ask an electrician, if necessary.
- In case of device failure, repairs can only be carried out by an electrician.
Special safety instructions
ATTENTION:
For your own safety, obey the following instructions, for otherwise material damage and/or personal injuries might result:
During operation, parts of this station can reach temperatures up to 480 ℃; therefore:
- do not use the station near flammable gases, paper, or other flammable substances;
- avoid touching hot parts of the station, for otherwise you might seriously injure yourself;
- do not touch metallic pieces that are near the unsoldering tip.
Overheating protection
- The device is equipped with an automatic overheating protection that switches off the device in case one of the temperatures is too high.
- The device re-switches itself on as soon as its condition has normalised.
Handle the device with care.
- Never drop it, never expose it to shock/pushes!
The device contains fragile components that might be destroyed when not handled with care.
Disconnect the device from the mains before not using it for a longer period, if the power has gone off, or before opening it.
During soldering, vapours form that might be harmful. Only perform soldering inside a well-ventilated work zone to avoid harmful accumulations.
Do not modify the device in any way.
Electrical connection
The electrical connection is made to an earthed socket 230 V ~ 50 Hz, fuse min. 10 A.
Commissioning
- Place the device on a level and solid surface the temperature of which does not exceed 40 ℃.
Place the device horizontally to allow the station to operate correctly. - Connect to mains.
Scope of delivery

| No 1 | Name | No 16 | Name |
| Main station 701 At | Unsoldering tips | ||
| 2 | Soldering iron | 7 | Power cord and plug |
| 3 | Unsoldering gun with holder | 8 | Cleaning needle 201242 |
| 4 | Soldering-iron holder with tin-solder holder (tin-solder not included) | 9 | Cover cap |
| 5 | Filter spring 20125 | to | Filter 3o17J |
Technical specifications
| Intake voltage (V) Size WxHxD (mm) | 230 |
| 188x126x250 | |
| Weight (kg) | 6. |
| Soldering iron | |
| Power (W) | 35 |
| Temperature range (t) | 200-480 |
| Heating element | ceramic |
| Output voltage (V) | 24 |
| Resistance of earth (0) Potential difference of earth (my) | < 2 |
| < 2 | |
| Unsoldering gun | |
| Temperature range (t) | 200-480 |
| Heating element Output voltage (V) | ceramic |
| 24 | |
Features and functions
- Large temperature adjustment range
- Very short heating periods
- Antistatic design (ESD safe)
- Useful handle
- Holder for soldering iron
- Unsoldering gun holder
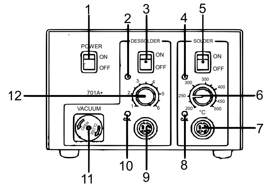
Operational components

| Ne | Name | N2 | Name |
| 1 2 | ON/OFF switch | 7 8 | Connection for soldering iron |
| LED status light for unsoldering function | Calibration function for soldering iron (to calibrate temperature after replacement of heating element, soldering iron, or soldering tip) | ||
| 3 | On/off switch unsoldering function | 9 | Unsoldering iron connection |
| 4 | LED status light for soldering function (flashes when temperature of soldering tip has reached the value adjusted) | 10 | Calibration function for unsoldering iron (to calibrate temperature after replacement of heating element, unsoldering iron, or soldering tip) |
| 5 | On/off switch soldering function | ii Vacuum hose connection of unsoldering iron | |
| 6 | Control dial for temperature of soldering iron | 12 | Control dial for temperature of unsoldering iron |
Structure

Soldering iron
Soldering tip heats up, wear part
Connection cable to connect to station
Unsoldering gun
Preparations
A. Main unit
Remove the red safety screw on the underside of the station before operating the station.
B. Soldering iron
- Insert the tin-solder roll into the holder.

- Plug the 6-pin plug of the soldering iron into the matching socket on the soldering station. The socket is on the right side of the front plate at the bottom.
- Place the soldering iron in its holder Refer to the figure above.
C. Unsoldering station
- Plug the 8-pin plug of the unsoldering gun into the appropriate socket of the unsoldering station.
- Connect the vacuum hose to the vacuum socket.
Place the unsoldering gun in its holder.

Basics
- Humidify the filter pads before use to allow them to be very efficient. It is recommended to regularly re-humidify the pads.
- Clean the filter spring and exchange the filters when they are dirty.
- The solder channel inside the gun can be cleaned with the help of the cleaning needle if necessary.

| No | Name | No | Name |
| 1 | Filter tube cap | 6 | Body of unsoldering |
| 2 3 | Filter spring | 7 8 | Heating element |
| Filter tube | Nozzle | ||
| 4 | Filter pad | 9 | Heating element casing |
| 5 | Filter holder | io | Safety cap |
Maintaining the unsoldering gun
- Checking and cleaning the unsoldering gun in case of an obstruction
a) Plug in the power plug of the station, turn on the unsoldering function of the station, and wait for the nozzle to heat up.
b) Wait until the nozzle has heated up completely before beginning cleaning.
c) Clean the nozzle opening with the help of the cleaning needle.
d) In case the cleaning needle does not penetrate the opening, instead use the cleaning drill.
CAUTION
Should the cleaning drill get stuck inside the nozzle, it could break or be damaged. - Check the nozzle for signs of wear and tear.
a) Check the condition of the nozzle tip coating.
b) The inner part of the nozzle and its surface are coated with a special alloy. If this alloy is damaged by high temperatures, the nozzle is not able any longer to heat up correctly and regularly.
- Replacing the heating element

a) Release the holder and remove the cover and tip.
b) Remove the old heating element, place a new one.
c) Replace the nozzle and cover on their correct places. Re-tighten the locking screw to prevent any air leak. In case the locking screw is not correctly tightened, the unsoldering cannot heat up correctly any longer.
-
Checking the filters
a) The filters must be checked regularly.
b) If the filter cover has cooled down to the point that one may touch it, press the ejection knob
on the rear part of the gun and remove the cover.
c) Remove the front holder and filter spring to avoid damages and obstructions.
d) Remove the filter.
e) Exchange the filter if you remark one of the following changes:
• The filter is rigid and brittle;
• two thirds of filter spring are full of tin-solder;
• the filter spring is rigid and obstructed with flux and solder. - Securing the filter
a) Attach the filter spring to the front holder.
b) Attach the front holder to the filter cover, making sure that it is correctly oriented.
Working with the soldering station
Soldering
- Put the on/off switch to the on position.
- Use the control knob to set the desired soldering temperature.
- Begin soldering as soon as the temperature desired has been reached. This is shown by the LED light above the switch flashing.
- Use the on/off switch “Smoke Absorber” to activate soldering-smoke absorption.
Maintenance instructions for soldering tips
- Temperature of soldering tip – High temperatures reduce the service life of the soldering tip and increase the thermal stress of the components during soldering. If possible, use the smallest recommended processing temperature for the individual tin-solder.
- Cleaning – Always clean the soldering tip before use to remove redundant tin-solder and flux agent residues. To do so, use a wet and clean cleaning sponge. All residues found on the soldering tip can affect soldering and provoke a bad soldering result. To ease cleaning, we recommend the use of our tin-solder scrapers.
- After use – Always clean the soldering tip and re-tin-coat it before switching off. This will protect the soldering tip from oxidation and increase the service life of your soldering tip.
- Never leave the station switched on without being used during a longer period and with a high temperature. This would facilitate the oxidation of the soldering tip. Switch the device off at the main switch if it is not used during several hours. If it is not used for a longer period, its plug should be unplugged.
Cleaning the soldering tip
Clean to soldering tip as often as possible (if necessary, every day) to increase its service life.
- Set the temperature to pprox.. 250 ℃.
- As soon as the temperature has stabilised, clean the tip and check its condition. If it is much worn or deformed, replace it.
- If the pre-tin-coated part of the soldering tip is covered with black oxide, apply new flux-agent containing tin-solder onto the tip and clean it again. Repeat this until all black oxidised spots have been removed, then apply a new tin-solder layer.
- Switch off the station and wait that the soldering iron cools down, then remove the soldering tip.
Wait again that the soldering tip cools down. - Now you can remove residues, e.g., yellowish discolorations, with isopropanol cleaning agent.
CAUTION:
To remove residues, never use a file!
Unsoldering
- Set the unsoldering switch to the “on” position.
- Adjust the temperature.
a) Always adjust a temperature as low as possible.
b) To be able to precisely set the temperature, measure the nozzle temperature with a thermometer and adjust the temperature regulation.
c) The temperature may be between 380 ℃ and 480 ℃. - Wipe off old solder on the nozzle in the central hole of the sponge. (If the nozzle tip is stuck with old solder, the tip cannot correctly heat up any longer. Coat the nozzle with a thin layer of new solder to ensure optimal heating power.)
- Allow the tip to touch the soldered spot to melt the solder.
a) Never touch the board itself with the hot nozzle.
b) Make sure that the tin-solder is entirely molten (partially molten tin-solder will obstruct the unsoldering gun).
c) Never try to move the solder by force. It will move easily if molten, and its not moving easily means that the tin-solder is not entirely molten. - After ensuring that all the solder has melted, suck it in by pressing the gun trigger.
a) Hold the trigger for another 1–2 s to be sure that no solder rests stay in the channel and that all solder gets into the filter.
b) Do not leave any solder rests in the hole on the board.
c) After removing all solder, wait for the board to cool down to avoid any accidental unsoldering. - Clean the filter and regularly humidify the sponge during and after use to ensure constant efficiency.
- After work is done, switch off the unsoldering unit.
- Before putting the device away, wait that the unsoldering gun cools down.
Remove the component to be unsoldered. Once the tin-solder molten, the component can be removed from the board with the help of the component holder. 
Switch the device off on the main switch. After you have pressed the main switch, the device will be cooled down automatically. During this process, the handle and heating element are cooled by cool air. This process must not be interrupted by plugging off the plug; otherwise, the service life of the device will be considerably reduced.
Remove all rests of tin-solder. After you have removed the component from the board, all rests of tinsolder should be removed from the board with the help of an appropriate tool.
B. Soldering
Apply soldering paste. To solder the component (e.g., an SMD) to the board, you need an appropriate quantity of soldering paste. Soldering: Heat up the component and the line terminals.
Clean the board. After the soldering has been finished, you should clean the board and remove all flux agent.
C. Calibrating the temperature of the soldering iron
After replacing the heating element or exchanging the handle or soldering tip, the soldering iron should be re-calibrated.
- Plug the 5-pin plug of the soldering iron into the matching socket on the soldering station.
- Set the temperature to approx. 400 ℃.
- Put the main switch to the on position and wait for the device to reach the temperature set. Remove the cover cap of the calibrating screw.
- When the temperature of 400 ℃ has been reached (shown by the lower LED light flashing), measure the actual temperature at the measuring tip and use a small screwdriver to adjust the calibrating screw. If turned clockwise, the temperature will be increased, if turned counterclockwise, it will be reduced. Then re-fix the cover cap.
Should you use different soldering tips and require an exact temperature, it is advisable to realise one calibration at once, as the actual temperatures of the individual soldering tips might differ even with identical temperature settings.
D. Checking the 5-pin plug of the soldering iron plug for damage Should the soldering iron not work perfectly, you can proceed as follows to exclude a damage of the connection plug and to localise the fault: Remove the connection cable and measure the values of resistance between the individual pins. The below sheet shows the values to be expected normally.
| Spot | Resistance (0) | |
| A | between tip 4 and 5 (heating element) | 1.7-1.9 |
| B | between tip 1 and 2 (sensor) | 16-18 |
| C | between pin 3 and soldering iron tip | < 2 |
- Should the values of A and B differ considerably from the ones stated above, replace the plug and heating element or sensor.
- If the value measured exceeds 2 Ω, the soldering iron should be cleaned with steel wool or sandpaper (s. Fig.).
Unmounting a defective heating element:

To replace a defective heating element, the soldering iron must be unmounted as follows:
- Turn the fixing nut (1) counter-clockwise and untighten the cover of the soldering tip (2) and soldering tip (3).
- Turn the nipple (4) counter-clockwise and remove it from the soldering tip.
- Remove the heating element (6) and plug connection (11) from the handle.
- Remove the base spring (5) from the distancing sleeve.
Any defective heating element can be detected with the following measurement of the resistance values:
- The value of resistance of the heating element (red) is normally comprised between 1.7 and 1.9 Ω.
- The value of resistance of the sensor (blue) is normally comprised between 16 and 18 Ω.
If the values measured differ from the once stated above, the heating should be replaced as follows:
- Unsolder the contacts of the heating element and sensor.
- Replace the old heating element with a new one. When installing, make sure that the cable have a convenient bending radius to keep the line resistance as small as possible.
Construction of different types of soldering irons:

(913 and 914 types differ from 907 and 908 types in the form of the handle.)
| No | Name | No | Name |
| 1 | Nut | 6 | Thermal isolation |
| 2 | Distancing sleeve | 7 | Handle |
| 3 | Soldering tip | 8 | Heating element |
| 4 | Nipple | 9 | Quartz crystal glass tube |
| 5 | Spring | 10 | Junction plate |

Troubleshooting
- Only perform maintenance jobs with the device being switched off and the power plug being unplugged
- The power cable and all electric or electronic components may only be replaced or repaired by a person trained in electrotechnics.
| Problem | Possible cause |
| The LED lights are not lit. | Make sure that the plug is plugged in correctly. |
| Is the current flow ensured? There could be a short circuit inside the soldering iron or heating element or an earth leakage to the heating element could have happened. | |
| The heating LED light is lit, but heating up of the soldering tip is intermittent or absent. | There may be a wire break in the connection cable of the soldering iron or a defect in the connection plug of the soldering iron. |
| The heating element of the soldering iron can be defective and must then be replaced. | |
| The soldering tip does not pick up solder. | The soldering tip temperature may be set too high and needs to be lowered. |
| The soldering tip could be dirty (see chapter “Care instructions for soldering tips”). | |
| The soldering tip temperature is too low. | Is the soldering tip oxidised? (See chapter “Care instructions for soldering tips”) The soldering tip temperature could need to be re-ca li brated. |
Regulations for waste disposal
The Waste Electrical and Electronic Equipment Directive (WEEE Directive, 2012/19/EU) of the EU was implemented in the German law related to electrical and electronic equipment and appliances.
All WilTec electric devices that fall under the WEEE directive are labelled with the symbol of a crossedout wheeled rubbish bin. This symbol indicates that this electric devicemust not be disposed of with the domestic waste.
WilTec Technik GmbH is registered with the German registration authority EAR (Stiftung ElektroAltgeräte Register) under the WEEE-registration number DE45283704.
Disposal of used electrical and electronic devices (intended for use in the countries of the European Union and other European countries with a separate waste collection system for these devices). The symbol on the packaging or the product itself indicates that this product must not be treated as normal domestic waste but must be disposed of at a recycling collection station for electrical and electronic waste. By disposing of this product correctly, you contribute to the protection of the environment and the health of your fellow people. Inappropriate disposal threatens the environment and health.
Material recycling helps to reduce the consumption of raw materials.
Additional information about the recycling of this product can be provided by your local commune, the municipal waste disposal facilities, or the store where you purchased the product.
Address:
WilTec Wildanger Technik GmbH
Königsbenden 12 / 28
52249 Eschweiler Germany
Important Note:
Reproduction and any commercial use (of parts) of this operating manual, requires a written permission of WilTec Wildanger Technik GmbH.
© by WilTec Wildanger Technik GmbH
http://www.WilTec.de
http://www.aoyue.eu
http://www.teichtip.de

CAUTION






















