MONDOLUX MK03SS Power Track 3-Circuit Surface Mounted

The Power Track 3-Circuit Surface Mounted/Suspended is a lighting system that can be installed on the ceiling. It comes in two variants with product codes MK03SS and MK04SS. The system is IEC 60570:2003+AMD1:2017 certified, ensuring its safety and compliance with international standards. The product is manufactured and distributed by Mondolux.
Warnings
- Always turn off the mains before installation.
- The installation must be carried out by a licensed electrician.
- Prior to installation or maintenance, disconnect the fitting from the power supply and other control wiring.
- Faulty cables and wiring should be replaced by the manufacturer only.
- The fitting’s surface may reach high temperatures during use and can cause skin burns. It is recommended to install the fitting out of reach to avoid any physical contact.
- It is recommended to always wear safety glasses and gloves during installation.
- For safety reasons, keep children away from the installation site.
Notes
Contact Mondolux distributor for more information: https://www.mondolux.com.au/
Prior to Installation
- Ensure that the power to the circuit you are working on is turned off before proceeding with any electrical work.
- Before unwrapping, layout all the components in a clean area to ensure that no parts are missing. Contact your Mondolux distributor if there is an issue.
Installation Steps
- Surface mount or suspend the track according to your preference.
MODEL
- Suspended
- Surface Mounted
Warnings
The safety and compliance of this fitting are not assured unless the following instructions are adhered to.
Please retain these instructions for future reference.
- Always turn the mains OFF prior to installation. See Picture below.
- The system is IEC 60570:2003+AMD1:2017 certified and Installation must be carried out by a licensed electrician
- Risk of Electric Shock: Prior to installation or maintenance, disconnect the fitting from power supply and other control wiring. Faulty cables and wiring need to be replaced by manufacturer only.
- Risk of Burns: When in use, the fitting’s surface may reach high temperatures and can cause skin burns. It is recommended to install the fitting out of reach to avoid any physical contact.
- It is recommended to always wear safety glasses and gloves during installation.
- For safety reasons please keep children away from installation site.
- Please follow below instructions for disposal in accordance with EU Directive WEEE (Waste Electrical and
Electronic Equipment):- Fittings cannot be disposed alongside other household waste.
- Remove the lamp/ battery for decommissioning (if applicable)
- Send them to nearest WEEE collection center.
- For further inquiries, please contact Mondolux at https://www.mondolux.com.au/

Prior to Installation
- The system is IEC 60570:2003+AMD1:2017 certified and Installation must be carried out by a licensed electrician according to local and national wiring regulations (e.g. AS/NZS 3000:2018).
- Only genuine Mondolux parts and accessories are to be used for this installation.
- Mondolux shall not responsible for the safety and functioning of the system if genuine Mondolux parts are not used and these installation instructions are not followed.
- It is the responsibility of the user to ensure that the electrical, mechanical and thermal requirements between the track system, mounting/suspending substrate and the lighting fixtures are met.
Notes
- System rating: 400V/16A 3-phase (11KW) or 1-phase 3 circuit 230V/16A (3×3.7 KW).
- FOR INDOOR USE ONLY, in a dry and dust free space. System is rated IP20.
- DO NOT electrically or physically overload the system. (Refer to Load Capacity section.)
- Use only products intended for operation on this track or compatible with it.
- Never force the adapter into a position or connection. Requiring excessive force normally indicates a problem.
- All electrical connections feeding power to the track must be carried out to comply with “Fixed Wiring Standards”. (E.g. as defined in the AS/NZS 3000 Wiring Rules)
- NEVER SUPPLY POWER TO THE TRACK AT MORE THAN ONE POINT.
- Follow the prescribed fixing distances. Refer to Suspension Points and Surface Mounted Fixing Points section.
- Always terminate the track with a suitable component (eg. End Cap) to ensure that the system is properly insulated.
- If you have any questions about the installation of this product, please contact your Mondolux distributor. https://www.mondolux.com.au/
Installation Steps
- Ensure the power to the circuit you are working on is turned off before proceeding with any electrical work.
- Before unwrapping, layout all the components in a clean area to ensure that no parts are missing. Contact your Mondolux distributor if there is an issue.
- Surface mount or suspend the track.
Surface Mounted Installation Steps
- Position a length of track to substrate as required. 3.2. Screw an appropriate fastener into ALL the drilled mounting points, as shown in the Suspension points and Surface Mounted Fixing Points section. Use fasteners that are suitable for the substrate and capable of handling a load up to 10kg/m.
NOTE: Mondolux shall not be responsible for any issues arising from the incorrect selection of suitable fasteners.
Suspended Installation Steps using Mondolux Suspension Kits (MAK3SK)
Ezyclick Suspension Kit
- Pass the open end of the Suspension wire through the hole in the mounting bracket and the cover cup.
Pull the wire all the way through to the end stopper.
- Loosen the safety lock on the EzyClick mounting clip.

- Pass the wire through the safety lock until it comes out of the hole. Tighten safety lock to secure and lock.(To release the wire, loosen the safety lock and press down on the adjustment toggle.)

- Attach the Ezyclick mounting clip to the track and rotate the clip plate clockwise to secure in place.

- Screw an appropriate fastener into the substrate. Use fasteners that are suitable for the substrate and capable of handling a load up to 10kg/m.

- Slide the mounting bracket over the fastener and tighten the fastener.
- Lift cover cone up to cover the mounting bracket and secure it by tightening the screw.

- Affix all necessary suspension kits. as per Suspension Points and Surface Mounted Fixing Points section.
Maximum distance between suspension points is 2000mm.
For surface mounted application use all the drilled mounting points. 3.9.
Once the complete length of track has been suspended, adjust to the required height by loosening the safety lock on the EzyClick mounting clip and adjust the cable further as required.
To release the wire, loosen the safety lock and press down on the adjustment toggle. - Cut off the excess wire, leaving about 20cm spare. Tuck the remainder into the top of the track.

Load Capacity
The Power Track maximum load capacity is 10kg per metre, or 2kg every 200mm.
Suspension Points and Surface Mounted Fixing Points
- The maximum recommended distance between suspension points for a 10kg load is 1000mm. The maximum distance between suspension points is 2000mm.
- The 1, 2, 3 and 4 metre lengths of track are supplied with pre-drilled mounting point holes at the measurements shown in the table below.

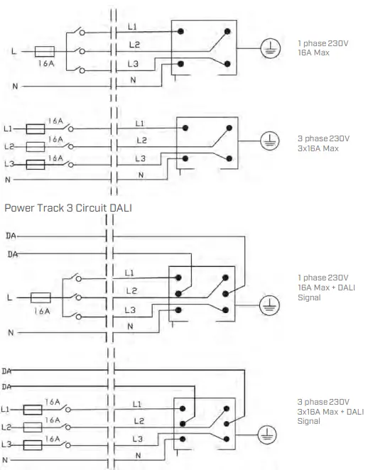
Wiring Diagrams
Power Track 3 Circuit

Manufacturer and Importer Details
- Manufacturer: Mondolux
- Address: 10 Plane Tree Ave, Dingley Village VIC, 3172, Australia
- Phone: +61 9551 3748
- Web: www.mondolux.com.au
- mondolux.com

NOTE: Mondolux shall not be responsible for any issues arising from the incorrect selection of suitable fasteners.
























