MK03SS, MK04SS Power Track 3
Circuit Surface Mounted Suspended
mondolux.com
Installation Guide![]()

MK03SS, MK04SS Power Track 3 Circuit Surface Mounted Suspended
Prior to Installation
- The system is IEC 60570:2003+AMD1:2017 certified and Installation must be carried out by a licensed electrician according to local and national wiring regulations (e.g. AS/NZS 3000:2018).
- Only genuine Mondolux parts and accessories are to be used for this installation.
- Mondolux shall not responsible for the safety and functioning of the system if genuine Mondolux parts are not used and these installation instructions are not followed.
- It is the responsibility of the user to ensure that the electrical, mechanical and thermal requirements between the track system, mounting/suspending substrate and the lighting fixtures are met.
Notes
- System rating: 400V/16A 3-phase (11KW) or 1-phase 3 circuit 230V/16A (3×3.7 KW).
- FOR INDOOR USE ONLY, in a dry and dust free space. System is rated IP20.
- DO NOT electrically or physically overload the system. (Refer to Load Capacity section.)
- Use only products intended for operation on this track or compatible with it.
- Never force the adapter into a position or connection. Requiring excessive force normally indicates a problem.
- All electrical connections feeding power to the track must be carried out to comply with “Fixed Wiring Standards”. (E.g. as defined in the AS/NZS 3000 Wiring Rules)
- NEVER SUPPLY POWER TO THE TRACK AT MORE THAN ONE POINT.
- Follow the prescribed fixing distances. Refer to Suspension Points and Surface Mounted Fixing Points section.
- Always terminate the track with a suitable component (eg. End Cap) to ensure that the system is properly insulated.
- If you have any questions about the installation of this product, please contact your Mondolux distributor.
Installation Steps
- Ensure the power to the circuit you are working on is turned off before proceeding with any electrical work.
- Before unwrapping, layout all the components in a clean area to ensure that no parts are missing. Contact your Mondolux distributor if there is an issue.
- Surface mount or suspend the track.
Surface Mounted Installation Steps:
3.1. Position a length of track to substrate as required.
3.2. Screw an appropriate fastener into ALL the drilled mounting points, as shown in the Suspension points and Surface Mounted Fixing Points section. Use fasteners that
are suitable for the substrate and capable of handling a load up to 10kg/m.
NOTE:
Mondolux shall not be responsible for any issues arising from the incorrect selection of suitable fasteners.
Suspended Installation Steps using Mondolux Suspension Kits (MAK3SK):
Ezyclick Suspension Kit
3.1. Pass the open end of the Suspension wire through the hole in the mounting bracket and the cover cup.
Pull the wire all the way through to the end stopper.
3.2. Loosen the safety lock on the EzyClick mounting clip.
3.3. Pass the wire through the safety lock until it comes out of the hole.
Tighten safety lock to secure and lock.(To release the wire, loosen the safety lock and press down on the adjustment toggle.)
3.4 Attach the Ezyclick mounting clip to the track and rotate the clip plate clockwise to secure in place.
3.5. Screw an appropriate fastener into the substrate. Use fasteners that are suitable for the substrate and capable of handling a load up to 10kg/m.
3.6 Slide the mounting bracket over the fastener and tighten the fastener.
3.7. Lift cover cone up to cover the mounting bracket and secure it by tightening the screw.
3.8. Affix all necessary suspension kits.
as per Suspension Points and Surface Mounted Fixing Points section.
Maximum distance between suspension points is 2000mm.
For surface mounted application use all the drilled mounting points.
3.9. Once the complete length of track has been suspended, adjust to the required height by loosening the safety lock on the EzyClick mounting clip and adjust the cable further as required.
To release the wire, loosen the safety lock and press down on the adjustment toggle.
3.10. Cut off the excess wire, leaving about 20cm spare. Tuck the remainder into the top of the track.
4. Construct the track layout as per the lighting designer’s Reflected Ceiling Plan, using the necessary L Connectors, T Connectors, X Connectors, Joiners, Flexible Connectors, End Caps and Live Ends and respective covers.
- For a suspended installation use a Suspension Clamp (product code MAK3SC) over every Joiner.
- Match the ridgeline key for left and right wiring, by referring to the WHITE line on the Connector Guide diagram. The WHITE line indicates the polarity ridgeline live wire.
- Do not leave any ends uncovered.
- NEVER SUPPLY POWER TO THE TRACK AT MORE THAN ONE POINT.

5.1. Wire the Live End(s) to the main power.
5.2. The Live End and Connector pieces come in LEFT and RIGHT live wire versions. To determine which component to use, match the ridgeline key on each piece with the track
5.3. Detach the Live End cover by removing the screw and prying it open.
5.4. Knockout either detachable wall 1 (end), or 2 (rear) to make a hole.
5.5. Pass the power supply cable through the hole. If using hole 1, secure the cable with the strain relief within the Live End. If using hole 2, use a plastic cord grip (not included).
5.6. Strip approximately 80mm of the insulated covering, then strip 10mm of the wires.
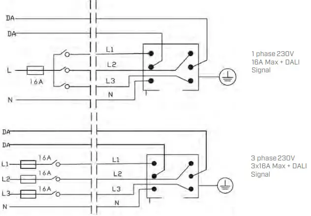
5.7. Connect the wires to the respective circuits. Refer to Wiring Diagram.
5.8. Secure the Live End cover back on.
5.9. Slide the Live End into the end of the track (matching the ridgeline key) and tighten the ground screw to secure it.
6.1. Click the required track lights (with included track adapters) into the track, noting the position of the lip on the track adaptor and the lip on the opposite side of the track.
6.2 Slide the track adaptor into the required position and lock it by swivelling the adapter lock. Rotate the adapter switch to select which circuit to run it on. Do not use excessive force on the lock or switch.
6.3 To remove the track light, swivel the adaptor lock, then, rather than pulling the fitting out at right angles to the track, pivot it 90. anticlockwise so that the track adaptor side with the lock is released first, then the other end.
Load Capacity
The Power Track maximum load capacity is 10kg per metre, or 2kg every 200mm.
Suspension Points and Surface Mounted Fixing Points
The maximum recommended distance between suspension points for a 10kg load is 1000mm.
The maximum distance between suspension points is 2000mm.
The 1, 2, 3 and 4 metre lengths of track are supplied with pre-drilled mounting point holes at the measurements shown in the table below.
Wiring Diagrams
Power Track 3 Circuit
Power Track 3 Circuit DALI


















