IBX TM40B Planetary Mixer

Product Information
The Planetary Mixer TM90B is a versatile and high-quality machine designed for mixing ingredients in bakery applications. Manufactured by International Bakery Equipment Pty Ltd, this mixer offers reliable performance and durability.
General Information
- Documentation supplied:
- Instruction Manual
- Spare parts list
- Wiring diagrams
- Contact details:
International Bakery Equipment Pty Ltd, 20 Brewer Street, Clontarf Queensland 4019 Australia. Phone: 1300 099 011 or +61 7 3889 5700. Email: [email protected] - Use of this manual:
Please read the manual carefully before installation, operation, or maintenance of the machine. Keep the manual in good condition and easily accessible. - Intellectual property rights:
- This manual contains copyright information. All rights are reserved. No part of this manual can be reproduced or photocopied without prior written permission of International Bakery Equipment Pty Ltd. Permission to use this documentation has only been given to the customer who this manual has been supplied as part of the machine’s equipment and only for the purpose of installation, operation and maintenance of the machine to which the manual refers.
- International Bakery Equipment Pty Ltd declares that the information contained herein is in accordance with the technical and safety specifications of the machine to which the manual refers. International Bakery Equipment Pty Ltd will not be held responsible for direct or indirect damage or injury to people or objects resulting from the misuse of this documentation or the machine for which it has been intended.
- The manufacturer reserves the right to introduce technical modifications or improvements both to the documentation and to the machines without prior notice. The information contained herein refers in particular to the machine specified in section 1.7 “Machine identification details “.
Warranty Terms and Conditions
- Warranty becomes effective from date of delivery.
- Warranty claims may be made by telephone, letter, email or fax.
However, all verbal claims must be confirmed in writing. I.B.E. Pty Ltd reserves the right to require return of all claimed defective parts. - I.B.E. Pty Ltd will ship the part(s) in an expeditious manner as requested.
- Mechanical and Electrical parts are warranted for a period of 12 months from date of delivery.
- During the first 12 months, I.B.E. Pty Ltd will reimburse the Authorized Agent or Purchaser for the cost of reasonable labour during normal working hours, 8.00a.m. –5.00p.m., to remove the failed part(s) and install the replacement(s). After 12 months all charges will be the Purchasers responsibility.
- After the initial 12 months warranty, any replacement parts are warranted for 3 months excluding labour.
- This Warranty may not be changed or modified and is not subject to any other Warranty expressed or implied by any other Agent, Dealer or Distributor unless approved in writing by I.B.E. Pty Ltd in advance of any claim being filed. This Warranty gives you specific legal rights which vary from State to State.
Note:
I.B.E. Pty Ltd reserves the right to make the final decision on all Warranty coverage questions. The decision of the Company is final.
What is covered under this Warranty:
- Parts that fail due to defects in material workmanship.
- Parts that fail due to faulty assembly by I.B.E. Pty Ltd
- Parts that fail due to improper set-up by I.B.E. Pty Ltd
What is not covered under this Warranty:
- Parts that fail due to improper usage or overloading of the machine.
- Parts that fail due to lack of maintenance.
- Parts that fail due to abuse, misuse or modification.
- Mixer attachments – Bowl, whisk, beater and/or hook
- Normal wear parts, such as, Conveyor belts, ‘v’ belts, ‘o’ rings and scraper and slicer blades. The Warranty on these parts is, they will be in satisfactory operating condition at time of delivery and initial start-up. Claims in such parts must be made immediately.
- Loss of time, potential revenue and/or profits.
Personal injury or property damage resulting from the operation of the machine.
Specifications
Crate Dimensions:
| Length (cm) | Width (cm) | Height (cm) | Weight (Kg) |
| 69 | 71.5 | 163 | 230 |
Machine Specifications:
| Model | Bowl | Motor HP | First Speed R.P.M | Second | Third | Dimensions | Weight Kg (Net) | ||
| Capacity Lt | Speed R.P.M | Speed R.P.M | L cm | W cm | H cm | ||||
| TM90B | 40 | 4 1/2 | 80 | 166 | 316 | 53 | 64 | 105 | 180 |
Power Supply Details:
Single Phase, 10amp 3-pin plug top (supplied)
Note:
The Manufacturer will not be Liable for electrical defects, breakdowns or malfunctioning of the machine for the non compliance with the power supply stated.
Machine Identification Details
Type: Planetary Mixer
Model: TM40B
Position of Serial Number Identification Plate
Note:
When requesting spare parts please state the serial number found on the serial number identification plate.
Main Machine Components
- Body of the Machine

- Stainless Steel Bowl

- Gear Selector

- Attachments; Beater, Whisk, Hook

Safeguards
This machine has been fitted with safeguards to ensure safe operation of this machine, in accordance please ensure the following;
- Do not place foreign objects in the bowl during the mixing cycle.
- Ensure training in the safe operation of this machine is carried out with all operators.
- Do not wear loose clothing, ties, chains, or watches that could get caught into the moving parts of the machine.
- Ensure safeguards are in operable order before using the machine on a daily basis.
- Tampering with the safety devices creates hazards for the machine operator, for which International Bakery Equipment Pty Ltd or its agents will not be liable.
Note:
In the event that one or more of the safe guards do not operate or fail contact your supplier immediately. DO NOT OPERATE THE MACHINE.
Tampering with or modifying the machine will void warranty.
Emergency Stop Button.
The machine is equipped with a red emergency stop button located on the top right of the front control panel and allows the operator to stop the machine in case of emergency
Note:
If the emergency stop button is depressed do not try to pull it out this may result in damage to the button , to reset the button turn it clockwise and it will reset out on its own.
Limit switched safety guard.
The safety guard of this machine has been fitted with a limit switch which will stop the machines operation when the guard is opened.
Limit switched bowl Lift
The bowl lift cradle of this machine has been fitted with a limit switch which will stop the machines operation if the bowl is lowered
Product Usage Instructions
Transport and Installation
Transport
The instructions given in this section must be carefully followed when transporting the machine. This operation may include but is not limited to the following:
- Storage of the machine
- Installation of the machine
- The machine comes supplied in a secure packing crate which needs to be handled with care to protect the machine.
- When being transported the machine crate should be secure to the transporting veichcle using approved tie down straps to avoid the machine tipping over.
- The machine should not be placed on top of other items during transport.
- When lifting the machine ensure all persons are at a safe distance.
- The forklift operator is to hold the appropriate qualifications.
- Do not climb on or place body under machine crate when it is being lifted from the ground or transport veichcle.
- When lifting the machine crate ensure forks are spread to the maximum width of the crate and the crate is against the cradle of the forklift.

Installation
- Ensure transport crate and all protective packaging is removed.
- Carefully clean the machine using a damp clean cloth, removing dust on all surfaces.
- When the machine has been unpacked, check the condition of the machine. Any visible damage indicates that the machine has been dropped or hit by something during transport. This could lead to malfunctioning. If damage has occurred during transport it should be attributed to the carrier and International Bakery Equipment Pty Ltd or its agent should be informed immediately of the situation
- Locate the mixer in a level convenient position where the operation and the machine is safe and accessible.
- Before making the electrical connections check the speciations found in section 1.6 of this manual and ensure they match those of your electrical service.
- Make certain the electrical supply is correct and the correct breaker is in place to ensure protection from a short circuit.
- Ensure the three-phase rotation of the mixer is correct. The planetary direction is marked by an arrow and should rotate in the direction of this arrow.
- A qualified person should correct electrical connection if required.
- Train all operators in the safe operation of this machine.
Testing the safeguards
Before starting the machine, the safety devices should be checked according to the following procedure:
- Correct operation of the emergency stop button;
While the machine is operating, press the emergency button, the machine should stop immediately. - Correct operation of the safety limit switches ;
While the machine is operating open the safety guard, the machine should stop immediately. - Correct operation of the safety limit switches ;
While the machine is operating lower the bowl cradle with the stainless-steel bowl in its position, the machine should stop immediately.
Machine Operation
Intended Operation
This machine has been designed and manufactured for the safe mixing of cake batters, muffin batters and whipping creams and icings.
The use of one of the appropriate attachments and machine speed accordingly to achieve the desired results of a more uniform texture in the final product.
This machine has been designed and built to operate indoors.
Note:
This machine is not intended for the mixing of dough’s.
Note:
The intended use of this mixer outside of these guidelines may void warranty.
Control Panel components

| Location | Description | Operation Performed |
| a | Gear Speed Selector | Controls the speed of the machine as set by the operator, when changing speeds, the machine should be stopped |
| b | Start Button | Starts the machine when the bowl is in the raised position and the safety guard is closed |
| c | Over load reset button | If the machine stops due to over heating this button can be depressed once the machine has cooled down to reset it . |
| d | Emergency stop Button | Emergency button. When pressed it stops the machine completely. |
Operation
- Place the ingredients in the bowl with the appropriate attachment.
- Place the bowl in the cradle being sure to locate the bowl lug into the position on the cradle and lock the bowl with the lock wings.
- Slide the attachment up on the shaft and turn it until the drive pin in the shaft reaches the L-Shaped slot in the attachment shank.
- Raise the bowl using the hand wheel, ensuring that the bowl is fully raised.
- Close the safety guard completely.
- Select appropriate gear speed and press the green start button.
- The machine will now operate until the emergency stop button is pressed, the safety guard is opened or the bowl is lowered.
- When changing gears, open the safety guard to stop the machine, change to the new speed, close the guard and press the green start button to recommence machine operation.
Note:
Machine must be stopped before changing speeds, failure to do so could result in damaging the machine and voiding warranty.
Cleaning & Maintenance
Cleaning
- Always turn power off at the wall and unplug machine prior to any cleaning or maintenance procedures to be carried out.
- Keeping the machine clean helps to maintain the efficient hassle-free operation of the machine.
- This machine should be cleaned at the end of every day, to prevent a build up of cake batter etc.
- Remove excess flour dust with a soft brush
- Using a plastic scraper remove any cake remnants from the machine body
- Wipe over the entire machine with a damp cloth with a neutral detergent, (Harsh chemicals will damage the machine)
- Stainless steel bowls and attachments can be washed in the sink with other utensils.
Note:
Do not use water jets or hoses to clean the machine as excess water can damage the machine, and the safe operation of the electrical components.
Maintenance
It is recommended that this machine should be serviced once every 12 months by a qualified technician to maintain hassle free operation.
If in the event the machine does not operate correctly it is recommended that you contact your supplier to ensure a qualified technician services the machine for you.
It is not advisable to attempt any repairs without prior knowledge of the mechanical or electrical systems used in the manufacture of this machine, use only qualified technicians.
Note:
Any attempt to modify this machine in any way will result in the warranty being voided. Tampering with the mechanical or electrical systems in this machine will void
For more detailed information and support, visit www.allaboutbakery.com.au.
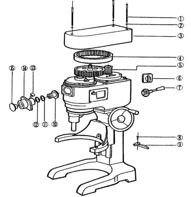
Spare Parts List
| No. | Description |
| 1 | Hex Screw |
| 2 | Washer |
| 3 | Top Cover |
| 4 | Drive Belt |
| 5 | Pulley |
| 6 | Switch |
| 7 | Gear Selector Handle |
| 8 | Screw |
| 9 | Fix Handle |
| 10 | Drive Gear |
| 11 | Washer |
| 12 | Washer |
| 13 | Thumb Screw |
| 14 | Hub |
| 15 | Plug |
| 16 | Stop Nut |
| 17 | Pulley |
| 18 | Ball Bearing |
| 19 | Stop Nut |
| 20 | Screw |
| 21 | Washer |
| 22 | Housing |
| 23 | Ball bearing |
| 24 | Ball bearing |
| 25 | Level Gear 27 x 37T |
| 26 | Gear 46T |
| No. | Description |
| 27 | Shaft |
| 28 | Ball Bearing |
| 29 | Oil Seal |
| 30 | Gear M2.25 x 22T |
| 31 | Ball Bearing |
| 32 | Ball Bearing |
| 33 | Oil Seal |
| 34 | Gear Shaft |
| 35 | Gear 34T |
| 36 | Gear 24T |
| 37 | Gear 15T |
| 38 | Ball Bearing |
| 39 | Stop Nut |
| 40 | Pulley |
| 41 | Screw |
| 42 | Washer |
| 43 | Motor |
| 44 | Ball Bearing |
| 45 | Shaft |
| 46 | Ball Bearing |
| 47 | Head Case |
| 48 | Gear M2.25 x 69T |
| 47 | Washer |
| 48 | Planetary |
| 49 | Washer |
| 50 | Screw |
| No. | Description |
| 51 | Washer |
| 52 | Screw |
| 53 | Stainless Steel Cup |
| 54 | Wind Wheel |
| 55 | Bowl Cradle |
| 56 | Stop Nut |
| 57 | Gear 14P x 14T |
| 58 | Gear M2.25 x 18T |
| 59 | Gear M2.25 x 18T |
| 60 | Ball Bearing |
| 61 | Lift Rod |
| No. | Description |
| 62 | Pedestal |
| 63 | Sub- Support |
| 64 | Stop Nut |
| 65 | Base |
| 66 | Yoke- Shifter |
| 67 | Rod- Shifter Guide |
| 68 | Whisk |
| 69 | Hook |
| 70 | Beater |
| 71 | Stainless Steel Bowl |




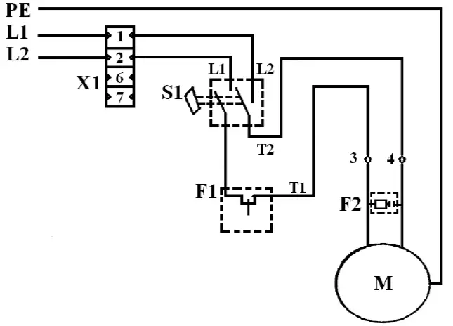
Electrical Wiring Diagram




















