SIRMAN WSPM0010 Med Duty Planetary Mixer Instruction Manual
PREMISE
- This manual has been edited to supply the client with information on the machine and on the rules connected to it, as well as the use and maintenance instructions for a better use of the mean, keeping its efficiency intact in time.
- This manual must be handed over to the persons in charge of using the machine and its periodic maintenance.
INFORMATION ON THE MACHINE
GENERAL PRECAUTIONS
- The machine must only be used by trained staff who must be perfectly aware of the safety rules contained in this manual.
- In case of personnel turnover, provide training in time.
- Disconnect the machine from the mains before cleaning and maintaining.
- When intervening for machine maintenance or cleaning (and therefore protections are removed), carefully evaluate the residue risks.
- During maintenance or cleaning, keep concentrated on the operations in progress.
- Periodically check the state of the power supply cable; a worn cable or not intact, represents a serious electrical danger.
- Should the machine give reason to presume or show a malfunctioning, do not use it and do not try to repair it; but call the “After-Sales Centre”.
- Do not use the machine for frozen products, products with bones and, however, non-food products.
- Do not try to place your hands or other objects in the container whilst the machine is working.
- The manufacturer is lifted of every responsibility in the following cases:
- the machine is tampered with by unauthorised personnel;
- components are replaced with other non originals;
- the instructions in this annual are not attentively followed;
- the machine surfaces are treated with unsuitable products.
SAFETY DEVICES INSTALLED ON THE MACHINE
- mechanical safety devices
With regard to mechanical safety, the machine described in this manual is in compliance with Directive EEC 2006/42. - electrical safety devices
With regard to mechanical safety, the machine described in this manual is in compliance with Directive EEC 2006/95, 2004/108.
Therefore, the machine is provided with micro which causes the machine to stop in case the protection grid on the bowl is removed (see FIG. n°1).
Despite the machine being equipped with the electrical and mechanical protections (both during functioning and during cleaning and maintenance), RESIDUE RISKS do however exist, which cannot be completely removed, recalled in this manual with ATTENTION. They refer to the danger of bruising during cleaning of the machine and of accessories.
DESCRIPTION OF THE MACHINE
general description
Planetary mixer has been designed and realised by our company, with the precise aim to homogenise, emulsify, whip-up food products like eggs, flour, cream and, however, not particularly hard or consistent, and guarantee:
- Maximum safety in use, cleaning and maintenance;
- Maximum hygiene thanks to the careful selection of the materials which come into contact with food products, and with the elimination of the rough edges in the parts of the machine which come into contact with the product, in order to obtain an easy and complete cleaning as well as easy dismantling;
- Maximum yield;
- Robustness and stability of all its components;
- Maximum noiselessness;
- Easy handling.
constructive features
Planetary mixer is made with the following materials:
- Painted aluminium and cast iron body;
- Easily removable stainless steel bowl;
- Stainless steel and aluminium tools;
- Chrome steel protection grid.
machine composition
FIG. n°1 – General view of the machine
KEY:
- Machine body
- Protection grid
- Bowl fixing hook
- Bowl support
- Whisk
- Spatula
- Hook
- Bowl
- Power supply cable
- Bowl lift/lower lever
- Protection grid handle
- 0/I Switch
- Speed selector
TECHNICAL DATA
SIZE, WEIGHT, FEATURES …
FIG. n°2 – Overall dimensions
| Model | um | 10 lt. | 20 lt. | 30 lt. |
| AxB | mm | 360×345 | 420×440 | 580×660 |
| CxDxE | mm | 440x500x630 | 515x560x770 | 630x650x1160 |
| Bowl capacity | lt | 10 | 20 | 30 |
| Whisk revolutions | rpm | 1 = 108 | 1 = 97 | 1 = 93 / 112 |
| 2 = 195 | 2 = 220 | 2 = 167 / 206 | ||
| 3 = 355 | 3 = 316 | 3 = 285 / 351 | ||
| Motor | Watt | 450 | 1100 | 1500 |
| Power supply | 230V/50Hz | 230V/50Hz | 230V/50Hz | |
| Net weight | kg | 40 | 99 | 175 |
| Noise level | dB | £ 70 | £ 70 | £ 70 |
ATTENTION: The electrical features for which the machine is prepared, are indicated on a plaque applied on the back of the machine; before carrying out the electrical connection, see 4.2 electrical connection.
RECEIVING THE MACHINE
SHIPPING THE MACHINE (see FIG. n°3)
Planetary mixer leaves our warehouses accurately packed; the packaging is made of:
- a) external wooden box;
- b) the machine;
- c) this manual;
- d) CE declaration of conformity.

FIG. n°3 – Packaging description
CHECKING THE PACKAGE UPON RECEIPT
Upon receiving the package, if there are no external damages, open it to check that all the material is contained within (see FIG. n°3). Whereas, if, upon receiving the package it shows signs of mistreatments, impacts or falls, show the damage to the carrier and, within 3 days from delivery date, shown on the documents, draft a precise report on the damages sustained by the machine. Do not turn the package upside down!! When transporting, be sure that it is firmly held from the 4 fundamental points (keeping it parallel to the ground).
DISPOSAL OF PACKAGING
The packaging components (cardboard, plastic strap) are products assimilable with municipal solid waste; for this reason, they can be easily disposed of.
In case the machine is installed in countries where particular rules exist, dispose of the packaging in compliance with that provided by the rules in force.
INSTALLATION
PLACING THE MACHINE
The surface on which the machine will be located must allow for the support dimensions indicated in the table (see Chap. 2), and, therefore, be sufficiently wide, correctly levelled, dry, smooth, robust and stable.
Also, the machine must be installed in a room with 75% max humidity, not salty and a temperature between +5°C and +35°C; however, in rooms which do not entail disorders of the same.
SINGLE PHASE ELECTRICAL CONNECTION
The machine is equipped with a power supply cable with 3×1.5 mm² section; 1.5m length and a “SHUKO” plug.
Connect the machine 230 Volt 50 Hz, interposing a 10A, Δ I = 0.03A magnetothermal circuit breaker. Ensure the earthing plant is perfectly functional.
Also check that the data reported on the technical-serial number plaque (FIG.n°4) corresponds to the data reported on the delivery and accompanying documents.
FIG. n°4 – Technical-serial number plaque
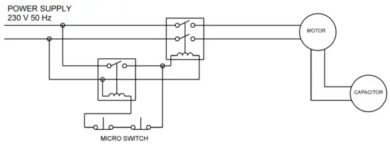
ELECTRICAL LAYOUT
Electrical system layout
FIG. n°5 – Electrical layout
FUNCTIONING CHECK (FIG. n°1)
Before testing the machine ensure that:
- The mixing bowl (FIG. n°1 – ref.8) is perfectly housed;
- The tool (FIG. n°1 – ref.5-6-7) is perfectly mounted;
- There are no accessories inside the bowl (FIG. n°1 – ref.8);
- The grid (FIG. n°1 – ref.2) is perfectly closed.
The procedure is the following:
- action the Planetary mixer by pressing start button “I”, and subsequently stop button “0”;
- Check if by opening the grid or lowering the bowl (FIG. n°1 – ref.2-8) the Planetary mixer switches off.
USE OF MACHINE
CONTROLS
The controls are arranged on the body of the machine as highlighted in the following figure.
- 0/I switch
- speed selector 1-2-3
LOADING THE PRODUCT
The goods to be mixed must be loaded into the bowl exclusively with the motor still, paying attention to the tool.
ATTENTION! Do not introduce solid products!
The procedure is the following:
- Lower the lever (Fig.1 – ref.10) clockwise.
- Insert the tool suitable for the work to be carried out;
- Insert the bowl in the appropriate supports and fix it with the hooks present in the supports (Fig.1 – ref.3).
- (ATTENTION) place the product into the bowl paying attention to the inserted tool;
- Lift the lever (Fig.1 – ref.10) anti-clockwise, in order to bring the bowl in working position;
- Assume a correct position in order to avoid accidents (see FIG. n°7): the body must be perpendicular to the work surface; the hands must not force the machine components or obstruct the movements of the same.
In any case, do not lean on to the machine, avoiding assuming positions which might entail direct contact with the machine.
ATTENTION!
Please use the planetary mixer for maximum 30 minutes ON and then leave it 10 minutes OFF - Start the machine by pressing the “I” button.
- To change speed, turn power off, select the desired speed then turn power on,
- At the end of the work stop the machine by pressing stop button “0”;
- Lower the lever (Fig.1 – ref.10) clockwise the bowl lowers, therefore cautiously remove the bowl.
FIG. n°7 – Correct position
ROUTINE CLEANING
GENERALITY
- The machine must be cleaned at least once a day or, if necessary, more frequently.
- All parts of the machine which come into direct or indirect contact with the product to be worked, must be scrupulously cleaned.
- The machine must not be cleaned with high pressure cleaners or water jets but with water and neutral detergents. Tools, scrubbers and anything else which might superficially damage the machine must not be used.
Before carrying out any cleaning operation it is necessary to:
- Disconnect the mains to completely isolate the machine from the rest of the plant;
PROCEDURE TO FOLLOW WHEN CLEANING THE MACHINE
cleaning the tools and bowl
To clean the tools holder it is necessary to:
- a) Remove the bowl from the machine body;
- b) CAREFULLY dismantle the tool.
Once the components have been removed, clean them with warn water and a neutral detergent.
The bowl and tool used must be washed with hot water and neutral detergent every time they are to be left unused for more than two hours or at least once a day.
ATTENTION! Do not wash any Planetaria component in the dishwasher.
general cleaning
NB.: Disconnect the power supply
The body of the machine can be cleaned with a neutral detergent and a damp cloth, frequently rinsed with warm water.
When finished, accurately dry all parts.
FIG. n°8 – General view of the machine
MAINTENANCE
GENERALITY
Before carrying out any maintenance operation it is necessary to:
Disconnect the power supply from the mains to completely isolate the machine from the rest of the plant.
POWER SUPPLY CABLE
Periodically check the wear of the cable and eventually call the “AFTER-SALES CENTRE” to replace it.
TOOLS
If the tools should not work the product correctly, call the “AFTER-SALES CENTRE”.
DISMANTLING
DECOMMISSIONING
If, for any reason it should be decided to place the machine out of order, ensure it cannot be used by any other person: disconnect and cut the electrical connections.
RAEE Waste of Electrical and Electronic Appliances
According to art.13 of Legislative Decree 25 July 2005, n.151 ”Implementation of Directives 2002/95/EC, 2002/96/EC and 2003/108/EC, concerning the restriction on the use of certain hazardous substances in electrical and electronic equipment, as well as the disposal of waste”.
The symbol of the crossed out wheeled bin on the appliance or on its packaging indicates that, at the end of its life-span, the product must be collected separately from other waste.
Once reached the end of its life-span, the differential collection of this appliance is arranged and managed by the manufacturer. The user wanting to dispose of this appliance will therefore have to contact the manufacturer and follow the system adopted by him to allow the separate collection of the appliance that has reached the end of its life-span.
The adequate differential collection for the subsequent start of the appliance dismantled for recycling, treatment and compatible environmental disposal, contributes to avoid possible negative effects on the environment and on health, and favours the re-use and/or recycle of the materials composing the machine.
The unlawful disposal of the product on behalf of the owner, involves the application of administrative sanctions provided by the normative in force.
















