IBE KL202E Spiral Mixer Instruction Manual
Use of this Manual
Please read carefully the information supplied in this manual before installing, operating or carrying out maintenance on this machine.
This manual must be kept in good condition and stored where it can be easily found when required.
Intellectual Property Rights
This manual contains copyright information. All rights are reserved. No part of this manual can be reproduced or photocopied without prior written permission of International Bakery Equipment Pty Ltd. Permission to use this documentation has only been given to the customer who this manual has been supplied as part of the machine’s equipment and only for the purpose of installation, operation and maintenance of the machine to which the manual refers.
International Bakery Equipment Pty Ltd declares that the information contained herein is in accordance with the technical and safety specifications of the machine to which the manual refers. International Bakery Equipment Pty Ltd will not be held responsible for direct or indirect damage or injury to people or objects resulting from the misuse of this documentation or the machine for which it has been intended.
The manufacturer reserves the right to introduce technical modifications or improvements both to the documentation and to the machines without prior notice. The information contained herein refers in particular to the machine specified in section 1.7 “Machine identification details
Warranty Terms and Conditions
- Warranty becomes effective from date of delivery.
- Warranty claims may be made by telephone, letter, email or fax. However all verbal claims must be confirmed in writing. I.B.E. Pty Ltd reserves the right to require return of all claimed defective parts.
- I.B.E. will ship the part(s) in an expeditious manner as requested.
- Mechanical and Electrical parts are warranted for a period of 12 months from date of delivery.
- During the first 12 months, I.B.E. Pty Ltd will reimburse the Authorized Agent or Purchaser for the cost of reasonable labour during normal working hours, 8.00a.m. – 5.00p.m., to remove the failed part(s) and install the replacement(s). After 12 months all charges will be the Purchasers responsibility.
- After the initial 12 months warranty, any replacement parts are warranted for 3 months excluding labour.
- This Warranty may not be changed or modified and is not subject to any other Warranty expressed or implied by any other Agent, Dealer or Distributor unless approved in writing by I.B.E. Pty Ltd in advance of any claim being filed. This Warranty gives you specific legal rights which vary from State to State.
Note:
I.B.E. reserves the right to make the final decision on all Warranty coverage questions. The decision of the Company is final.
What is covered under this Warranty:
- Parts that fail due to defects in material workmanship.
- Parts that fail due to faulty assembly by I.B.E. Pty Ltd
- Parts that fail due to improper set-up by I.B.E. Pty Ltd
What is not covered under this Warranty:
- Parts that fail due to improper usage or overloading of the machine.
- Parts that fail due to lack of maintenance.
- Parts that fail due to abuse, misuse or modification.
- Mixer attachments – Bowl, whisk, beater and/or hook.
- Normal wear parts, such as, Conveyor belts, ‘v’ belts, ‘o’ rings and scraper and slicer blades. The Warranty on these parts is, they will be in satisfactory operating condition at time of delivery and initial start-up. Claims in such parts must be made immediately.
- Loss of time, potential revenue and/or profits.
- Personal injury or property damage resulting from the operation of the machine.
Specifications
Crate Dimensions:
| Length (cm) | Width (cm) | Height (cm) | Weight (Kg) |
| 84 | 131 | 143.5 | 420 |
Machine Specifications
| Model | Flour CapacityKg | Dough CapacityKg | Spiral MotorH.P. | Bowl MotorH.P. | Dimensions | Weight Kg (Net) | ||
| Lcm | Wcm | Hcm | ||||||
| KL202E | 50 | 80 | 6 | 3/4 | 68 | 110 | 115 | 370 |
Power Supply Details:
3 Phase, 20amp 4-pin plug top (supplied)
Note:
The Manufacturer will not be Liable for electrical defects, breakdowns or malfunctioning of the machine for the non compliance with the power supply stated.
Machine Identification Details
Type: 2 Bag Spiral Mixer
Model: KL202E
Position of Serial Number Identification Plate (Fig 1.1)
Note:
When requesting spare parts please state the serial number found on the serial number identification plate.
Main Machine Components
- Body of the Machine (Fig 1.2)
- Stainless Steel Bowl & Dough Hook (Fig 1.3)
- Control Panel (Fig 1.4)
- Electrical Panel (Fig 1.5)
Fig1.2
Fig1.3
Fig 1.4
Fig 1.5
Safeguards
This machine has been fitted with safeguards to ensure safe operation of this machine, in accordance please ensure the following;
- Nothing should interfere with free movement of the bowl or dough hook during the mixing cycle of this machine.
- Do not place foreign objects in the bowl during the mixing cycle.
- Ensure training in the safe operation of this machine is carried out with all operators.
- Do not wear loose clothing, ties, chains, or watches that could get caught into the moving parts of the machine.
- Ensure safeguards are in operable order before using the machine on a daily basis.
- Tampering with the safety devices creates hazards for the machine operator, for which International Bakery Equipment Pty Ltd or its agents will not be liable.
Note:
In the event that one or more of the safe guards do not operate or fail contact yoursupplier immediately. DO NOT OPERATE THE MACHINE.
Tampering with or modifying the machine will void warranty.
Emergency Stop Button.
The machine is equipped with a red emergency stop button located on the bottom right of the control panel and allows the operator to stop the machine in case of emergency (Fig 1.6)
Note:
If the emergency stop button is depressed do not try to pull it out this may result in damage to the button , to reset the button turn it clockwise and it will reset out on its own
Limit switched safety guard.
The safety guard of this machine has been fitted with a limit switch which will stop the machines operation when the guard is lifted. (Fig 1.7)
Fully enclosed bowl guide wheels.
The bowl guide wheels of this machine are fitted with a fully enclosed cover (Fig1.8)
Note:
Do not place hand/s or other implements between cover and bowl when machine is plugged in, non conformance may result in personal injury.
Transport and Installation
Transport
The instructions given in this section must be carefully followed when transporting the machine. This operation may include but is not limited to the following:
- Storage of the machine
- Installation of the machine
- The machine comes supplied in a secure packing crate which needs to be handled withcare to protect the machine.
- When being transported the machine crate should be secure to the transporting veichcle using approved tie down straps to avoid the machine tipping over.
- The machine should not be placed on top of other items during transport.
- When lifting the machine ensure all persons are at a safe distance.
- The forklift operator is to hold the appropriate qualifications.
- Do not climb on or place body under machine crate when it is being lifted from the ground or transport veichcle.
- When lifting the machine crate ensure forks are spread to the maximum width of the crate and the crate is against the cradle of the forklift (Fig2.1).

Installation
- Ensure transport crate and all protective packaging is removed.
- Carefully clean the machine using a damp clean cloth, removing dust on all surfaces.
- When the machine has been unpacked, check the condition of the machine. Any visible damage indicates that the machine has been dropped or hit by something duringtransport. This could lead to malfunctioning. If damage has occurred during transport it should be attributed to the carrier and International Bakery Equipment Pty Ltd or its agent should be informed immediately of the situation
- Locate the mixer in a level convenient position where the operation of the machine is safe and accessible.
- When machine has been placed in its location ensure stabiliser feet are locked down on the floor using two hands to ensure even pressure. See Fig 2.2
- Before making the electrical connections check the specifications found in section 1.6 of this manual and ensure they match those of your electrical service.
- Make certain the electrical supply is correct and the correct breaker is in place to ensure protection from a short circuit.
- Ensure the three phase rotation of the mixer is correct. The spiral agitator direction is marked by an arrow and should rotate in the direction of this arrow.
- A qualified person should correct electrical connection if required.
- Train all operators in the safe operation of this machine.

Testing the safeguards
Before starting the machine, the safety devices should be checked according to the following procedure:
- Correct operation of the emergency stop button (Fig 1.6, page.9); While the machine is operating, press the emergency stop button, the machine should stop immediately.
- Correct operation of the safety limit switches (Fig 1.7, page.10); While the machine is operating raise the safety guard, the machine should stop immediately
Machine Operation
Intended Operation
This machine has been designed and manufactured for the safe mixing of bread dough’s with water content of 56% or more, to obtain a more efficient mixing time with excellent results.
The use of positive timers to control the mixing cycles exactly and change the speed accordingly to achieve the desired results of a more uniform texture in the final product.The mixing cycle can be manually controlled or automatic with low and high speed change over, controlled via the timers located on the control panel(Fig3.1 b & c). The bowl has two directions controlled with the bowl direction buttons (Fig3.1g). This machine has been designed and built to operate indoors.
Note:
If you are mixing dough’s with a lower water content( e.g. pastry dough) the flourcapacity should be not more than 60% of total allowable flour for this Model (see Machine Specifications, Page 6), and mix in low speed only
Note:
The intended use of this mixer outside of these guidelines may void warranty.
Control Panel components
Fig 3.1 KL202 Control Panel
| Location | Description | Operation Performed |
| a | Timer/ Low Speed | Controls time of operation in low speed as set by the operator by using the two buttons under the timer display. |
| b | Timer/ High Speed | Controls time of operation in high speed as set by the operator by using the two buttons under the timer display. |
| c | Automatic/Manual Control Button | When left led is lit; automatic control is in operation. When right led is lit; manual control is in operation. |
| d | Bowl direction Buttons | 1) Clockwise bowl rotation2) Neutral- no bowl rotation 3)Anti-clockwise bowl rotation |
| e | Start Button/ Low speed | When pressed the spiral rotates at low speed and the bowl rotates at chosen direction according to selection.Bowl can operate in either direction. |
| f | Start Button/ High speed | When pressed the spiral rotates at high speed and thebowl must only be rotating in an anti-clockwise direction. |
| g | Power Indicator LED’S | Indicates power supply to the machine. |
| h | Emergency stop Button | When pressed it stops the machine completely. |
Manual Operation
Set Automatic/Manual button (c) so that the right LED is lit; the timers are now out of function. The speed, bowl direction and mixing time are now controlled by the operator.
Place ingredients in the bowl and lower the safety guard push the low speed start button (e) on the control panel, the machine will now operate in low speed until one of the following actions is done;
- The high speed button (f) is pressed, changing the operation to high speed.
- The safety guard is raised.
- The stop button is pressed (h).
Change to high speed by pushing the high speed button(f ) on the control panel while running
in low speed first, if the bowl is rotating in a clockwise direction this must be changed to anticlockwise using (d,3), the machine will now operate in high speed until one of the following actions is done;
- The safety guard is raised.
- The stop button is pressed (h)
Note:
Always start the machine in low speed before proceeding to high, as starting the machine in high speed with dry ingredients in the bowl will result in the spiral tool expelling them from the bowl and unnecessary wear to belts.
Automatic Operation
Set Automatic/Manual switch (c)so that the left LED is lit the timers will now control the mixing time/s as set by the operator and change the machine speed from low to high if required. The speed and mixing time are now controlled by the timers.
- Place ingredients in the bowl and lower the safety guard.
- Set the low (a) and high (b) speed timers to required time.
- If only a low speed mix is required set the high speed timer to zero, the machine will stop when the time set on the low timer is reached.
- Set the desired bowl direction (d).
- Push the low speed start button (e) on the control panel, the machine will now operate in low speed until the time is reached at which time the machine will change to high speed automatically.
- When machine changes to high speed the bowl direction should be in an anticlockwise direction.
- The machine will stop when the time set is reached.
Note:
Bowl direction can be changed during mixing process in low speed by switching bowl direction (d) from set direction to required direction pressing the neutral button first. However when the machine is in high speed the bowl must always be rotating in an anti-clockwise direction.
Cleaning & Maintanance
Cleaning
- Always turn power off at the wall and unplug machine prior to any cleaning or maintenance procedures to be carried out.
- Keeping the machine cleaned helps to maintain the efficient hassle free operation of the machine.
- This machine should be cleaned at the end of every day, to prevent a build up of dough crumb and flour dust.
- Remove excess flour dust with a soft brush
- Using a plastic scraper remove any dough remnants from bowl
- Wipe over the entire machine with a damp cloth with a neutral detergent, ( Harsh chemicals will damage the machine)
Note:
Do not use water jets or hoses to clean this machine as excess water can damage the machine, and the safe operation of the electrical components.
Maintenance
It is recommended that this machine should be serviced once every 12 months by a qualified
technician to maintain hassle free operation.
If in the event the machine does not operate correctly it is recommended that you contact your supplier to ensure a qualified technician services the machine for you
It is not advisable to attempt any repairs without prior knowledge of the mechanical or electrical systems used in the manufacture of this machine, use only qualified technicians.
Note:
Any attempt to modify this machine in any way will result in the warranty being voided. Tampering with the mechanical or electrical systems in this machine will void warranty.
Spare Parts List
| No. | Description |
| 1 | Bowl |
| 2 | Control Panel |
| 3 | Bowl Base |
| 4 | Bowl shaft |
| 5 | Spiral Shaft |
| 6 | Bearing Seat |
| 7 | Kneading Bar |
| 8 | Spiral Tool |
| 9 | Safety Guard |
| 10 | Stabilizer Foot Adjuster |
| 11 | Machine Base |
| 12 | Stabilizer Foot |
| 13 | Axel Bracket |
| 14 | Wheel |
| 15 | Wheel Axel Sleeve |
| 16 | Wheel Axle |
| 17 | Chain Pulley |
| 18 | Double V-Belt Pulley |
| 19 | Pulley Axel |
| 20 | Double Row Gear |
| 21 | Bearing Seat |
| 22 | Bowl Motor mounting Plate |
| 23 | Distance Regulating Plate |
| 24 | Access Cover |
| 25 | Machine Body |
| No. | Description |
| 26 | Safety Guard Hinge |
| 27 | Safety Guard Axel |
| 28 | Safety Guard Bracket |
| 29 | Top Cover Hinge Rod |
| 30 | Rear Access Panel |
| 31 | Spiral Tool Pulley |
| 32 | Bearing Plate |
| 33 | Spiral Motor Mounting Plate |
| 34 | Auxiliary Wing |
| 35 | Top Cover |
Exploded Parts Drawing

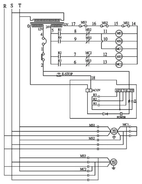
Electrical Wiring Diagrams
















