VEVOR IB220MF Electric Stick Hand Mixer Instruction Manual
Dear Customer,
Thank you for purchasing this appliance. Please take a few minutes before starting operation of the appliance and read the following operating instructions.
Intended use
- This machine is designed for food processing in restaurants, canteens and similar catering establishments.
- The machine is not intended to process for meet which has bone, tough skin, shells or fish scales. Neither use this machine to cutter vegetable or fruit with nut or tough skin.
Otherwise, it might lead to damage of the machine, property or personal injury. - The machine is intended for commercial and indoor use by trained and skilled personnel familiar with these instructions.
The assortment is made up of 4 different sizes: IB220MF/IB220MV/IB350CF/IB350CV/IB500LF/IB500LV/IB750LF/IB750LV.
The machine body is built in PA66+GF30% and stainless steel for easy cleaning and maintenance. It has safety features compliant with the applicable safety Directives.
Safety regulations
Safety regulations
- This appliance is intended for commercial use only and must not be used for household use.
- The appliance must only be used for the purpose for which it was intended and designed. The manufacturer is not liable for any damage caused by incorrect operation and improper use.
- Keep the appliance and electrical plug away from water and any other liquids. In the event that the appliance should fall into water, immediately remove plug from the socket and do not use until the appliance has been checked by a certified technician.
Failure to follow these instructions could cause a risk to lives. - Never attempt to open the casing of the appliance yourself.
- Do not insert any objects in the casing of the appliance.
- Do not touch the plug with wet or damp hands.
- Danger of electric shock! Do not attempt to repair the appliance yourself. In case of malfunctions, repairs are to be conducted by qualified personnel only.
- Never use a damaged appliance! Disconnect the appliance from the electrical outlet and contact the retailer if it is damaged.
- Do not immerse the electrical parts of the appliance in water or other liquids. Never hold the appliance under running water.
- Regularly check the power plug and cord for any damage. If the power plug or power cord is damaged, it must be replaced by a service agent or similarly qualified persons in order to avoid danger or injury.
- Make sure the cord does not come in contact with sharp or hot objects and keep it away from open fire. To pull the plug out of the socket, always pull on the plug and not on the cord.
- Ensure that the cord (or extension cord) is positioned so that it will not cause a trip hazard.
- Always keep an eye on the appliance when in use.
- As long as the plug is in the socket the appliance is connected to the power source.
- Turn off the appliance before pulling the plug out of the socket.
- Never carry the appliance by the cord.
- Do not use any extra devices that are not supplied along with the appliance.
- Only connect the appliance to an electrical outlet with the voltage and frequency mentioned on the appliance label.
- Connect the power plug to an easily accessible electrical outlet so that in case of emergency the appliance can be unplugged immediately. To completely switch off the appliance pull the power plug out of the electrical outlet.
- Always turn the appliance off before disconnecting the plug.
- Never use accessories other than those recommended by the manufacturer.
Failure to do so could pose a safety risk to the user and could damage the appliance.
Only use original parts and accessories. - This appliance is not intended for use by persons (including children) with reduced physical, sensory or mental capabilities, or lack of experience and knowledge.
- This appliance must not be used by children under any circumstances.
- Keep the appliance and its cord out of reach of children.
- Always disconnect the appliance from the mains if it is left unattended or is not in use, and before assembly, disassembly or cleaning.
- Never leave the appliance unattended during use.
Special Safety Regulations
- The appliance is intended for commercial and indoor use by trained and skilled personnel familiar with these instructions.
- This machine is designed for food processing in restaurants, canteens and similar catering establishments.
- Any other use might lead to damage to the appliance or personal injury.
- Do not place the appliance on a heating object (gasoline, electric, charcoal cooker, etc.) Keep the appliance away from any hot surfaces and open flames. Always operate the appliance on a level, stable, clean, heat-resistant and dry surface.
- Danger of injury! Care is needed when operating or cleaning. Wear protective gloves (not supplied) if necessary.
- Caution! Securely route the power cord if necessary, in order to prevent unintentional tripping over and falling.
- Do not use the appliance before it is properly assembled.
PRODUCT DESCRIPTION
Parts of description
IB220MF/IB220MV/IB350CF/IB350CV/IB500LF/IB500LV/IB750LF/IB750LV
MAIN TECHNICAL PARAMETERS

| Model | Voltage Supply | Power | Speed | Net Weight | A (Length) | B (Diameter) |
| IB220MF | 100-120V- 60Hz 220-240V- 50Hz | 220W | 20000RPM | 1.15KGS | 304mm | 0 75 mm |
| IB220MV | 220W | 4000-20000RPM | 1.15KGS | 304 mm | 075 mm | |
| IB350CF | 350W | 16000RPM | 1.76KGS | 359 mm | 0 91 mm | |
| IB350CV | 350W | 4000-16000RPM | 1.76KGS | 359 mm | 0 91 mm | |
| IB5OOLF | 500W | 16000RPM | 1.98KGS | 359 mm | 0 91 mm | |
| IB500LV | 500W | 4000-16000RPM | 1.98KGS | 359 mm | 0 91 mm | |
| IB750LF | 750W | 20000RPM | 2.81 KGS | 396 mm | 0 116 mm | |
| IB75OLV | 750W | 8000-20000RPM | 2.81KGS | 396 mm | 0 116mm |
NOTE:
Above machine don’t include any following attachments. Below chart you can find available attachments for your choice.
| Model | Net Weight | C Length | D Diameter | Remark |
| WIK185 | 0.81KGS | 185 mm | / | USE FOR 1B220MV ONLY |
| BLD160 | 0.46KGS | 160 mm | 0 25mm | USE FOR IB220MF/IB220MV ONLY |
| WIK250 | 0.86KGS | 250 mm | / | USE FOR 1B350CV/IB500LV/IB750LV |
| BLD200 | 0.69KGS | 200 mm | 0 35 mm | USE FOR 1B350CF/IB350CV/IB500LF/IB500LV/ IB750LF/I B750LV |
| BLD250 | 0.82KGS | 250 mm | 0 35 mm | |
| BLD300 | 1.02KGS | 300 mm | 0 35 mm | |
| BLD350 | 1.12KGS | 350 mm | 0 35 mm | |
| BLD400 | 1.28KGS | 400 mm | 0 35 mm | |
| BLD450 | 1.38KGS | 450 mm | 0 35 mm | |
| BLD500 | 1.56KGS | 500 mm | 0 35 mm | |
| BLD550 | 1.74KGS | 550 mm | 0 35 mm | USE FOR IB750LF/IB750LV ONLY |
INTRODUCTION
Preparation for first use
- Check to make sure the appliance is undamaged. In case of any damage, contact your supplier immediately and do NOT use the appliance.
- Remove all the packing material and protection film (if applicable). Keep the packaging for future storage.
- Clean the appliance, see: 4.6 Cleaning.
- Place the food bowl or other container on a level and steady surface, unless mentioned otherwise. It is forbidden to put the machine above different objects from the working ground used in the food field of height included between 900 — 1100mm from the trampling level.
- Position the appliance in such a way that the plug is accessible at all times.
- Make sure the power outlet ratings correspond to the specifications printed on the rating plate.
- Make sure that the machine is connected to a grounding system if it’s needed.
- Even if safety systems are installed on the machine, prevent approaching moving parts with hands and do not touch the machine with wet or damp hands.
- Warning! When the whisk is used, make sure to start appliance with low speed.
- Warning! It is forbidden the use of the whisk in the machines with fixed speed.
- Disconnect the machine’s socket from the electric before carrying out any cleaning or maintenance operations.
- Do not clean with high-pressure water jet.
- It is strongly recommended that the operator contact the after sales center if there is any problem or malfunction occurred. Please do not dismantle the machine or in place of unauthorized parts.
Warning: This machine must be properly immersed and used in water. To avoid overheating or damage, DO NOT allow it to run in air for more than 10 seconds.
The manufacturer will be not responsible for following cases:
- If the machine is tampered with or safety functions are installed by non authorized staff.
- If the components are replaced by unauthorized parts.
- If the instruction in this manual is not carefully followed.
- If the machine surfaces are treated with unsuitable substance or solvent.
Safety devices
- Safety Switch: The safety switch is equipped for
IB350CF/IB350CV/IB500LF/IB500LV/ IB750LF/IB750LV, to make sure both hands are away from the blade while starting machine. - Overcurrent protection switch (Circuit breaker): The switch is designed to protect the electrical circuit from damage caused by excess current as a result of an overload or short circuit. The switch interrupts current flow after a fault is detected.
Note: To reset the machine, wait a few minutes till the motor cool down, then restart the machine.
INSTALLATION
Packing and unpacking
- Remove all packaging materials. Keep the packaging for future storage.
- After unpacking all accessories, read the manual carefully before installation.

- Make sure the delivery contents are complete and free of any damage. If you find that parts are missing or show damage, do not use the appliance but contact your dealer.
STARTING AND STOPPING THE BLENDER
- Check that the on-off button (No.3) is in the released position.
- Connect the appliance to the power supply.
- Insert the tube or whisk into the appliance.
- Press and hold down the safety button (No.1) if the appliance has.
- Press the on-off button (No.3), and the blender will start up. Now, release safety button (No.1).
- To stop the blender, release the on-off button (No.3), then blender stop.
CONTINUOUS OPERATION:
Follow above steps 4.4.2.1 to 4.4.2.6 above, then:
- While the on-off button (No.3) is in the depressed position, press the locking button (No.4).
- Release the on-off button (No.3), and the appliance will function continuously.
To stop the appliance, press the on-off button (No.3) and release it.
VARIABLE-SPEED OPERATION
Follow above steps 4.4.2.1 to 4.4.2.6, then:
Change the speed of the motor by turning the variable speed button (No.2) towards the
maximum or minimum as required. With the self-regulating speed system, once you have
selected a speed, it will remain constant, even if the consistency of your mixture changes.
Warning: It is strongly advisable to start a low speed when using the variable-speed blender!
Working position:
- Blender function: For better control, we recommend that you hold the bender by the handle and the bottom of the motor unit. Furthermore, we recommend that you tilt the bender at a slight angle to prevent the bell from touching the bottom of the container. Always make sure that the bell is sufficiently immersed to avoid splashing and that the air vents of the motor unit does not come into contact with any liquid. For optimum efficiency, two thirds of the tube should be immersed in preparation.
- Whisk function: You can also hold the appliance by the handle with one hand, leaving the other hand free to hold the bowl, if necessary. While you process the
preparation, we recommend that you move the whisk around in the bowl, in order to ensure that the mixture is completely homogeneous. We strongly advise you to keep the whisk from touching the sides of the bowl. For Maximum efficiency, at least one-fifth of the whisk length should be immersed. But never immerse the whisk holder into the preparation.
Warning: It is strongly advisable to start a low speed when using the whisk!
ASSEMBLING / DISMANTLING:
The assembly / disassembly operations of every device of the appliance are performed with the appliance stop and with the plug disconnected from the socket.
Assembly Model IB220MF and IB220MV:
- Align and insert the coupling (5) of the tube (3) or whisk (6) in the clutch (2) of the machine body (1).
- Screw the tube (3) or whisk (6) up to fasten it firmly to the machine body (1).

Assembly Model IB350CF, IB350CV, IB500LF, IB500LV, IB750LF AND IB750LV:
- Align and insert the coupling (5) of the tube (3) or whisk (4) in the clutch (2) of the machine body (1). Be sure the concave side of coupling must catch into the convex of the clutch.
- Screw the nut (6) up to fasten them firmly to the machine body (1).
The disassembly activities perform following in a backgrounds way the assembly phases previously described.
CLEANING
As a precaution, always unplug your appliance before cleaning it.
- After using the immersion blender and whisk in a hot preparation, cool the bottom of the tube in cold water before dismantling the bell from the tube. After completion of preparation, clean immediately to prevent food from sticking to surfaces.
- Never put the motor unit and its handle in water, clean them with a damp cloth or a sponge.
- Blender tube and bell cleaning: Place the tube and bell into a suitable container with water and switch on for a few seconds to clean the bell and tube.
WARNING: Always dry the blades thoroughly after cleaning to avoid spotting. - Never immerse the whisk holder in water, clean it with a slightly damp cloth or sponge.
- It is vital to clean it thoroughly between each job using a detergent or disinfectant, but never use pure bleach. For plastic parts, do not use detergents that are too alkaline.
Warning 1: The blender tubes and whisks are not suitable for the dishwasher!
Warning 2: Blender tubes and whisk cannot be immersed thoroughly in water!
Storage
- Before reassembling, make sure that all parts are dry. Before storing, remove all residues from the appliance and attachments, disconnect it from the supply and clean the appliance and its accessories thoroughly.
- Store the appliance in a dry, protected environment at room temperature and out of the reach of children.
- We recommend to put the appliance and attachments onto “wall hanger” for dry and safe storage.
Troubleshooting
- If it is due to a power cut if the appliance had been unplugged, release the on-off button (No.3), check the power supply and then restart the appliance.
- If it is due to overheating of the machine, release the on-off button (No.3), and then unplug the appliance, wait a few minutes for the motor to cool down and the thermal safety mechanism to be reset, and then restart the appliance.
- If you cannot locate the cause of the problem: release the on-off button, unplug the appliance, check below:
- the plug.
- that the blades are free to rotate in the bell, be careful the blade is very sharp.
- that state of the power cord.
- the drive shaft is free to rotate. To do this, remove the bell and test the rotation of the end of drive shaft manually.
If a malfunction occurs which is not on our list of possible faults, consult your retailer or return the appliance to the after-sales services.
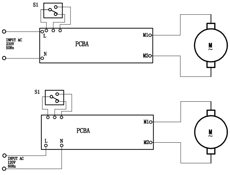
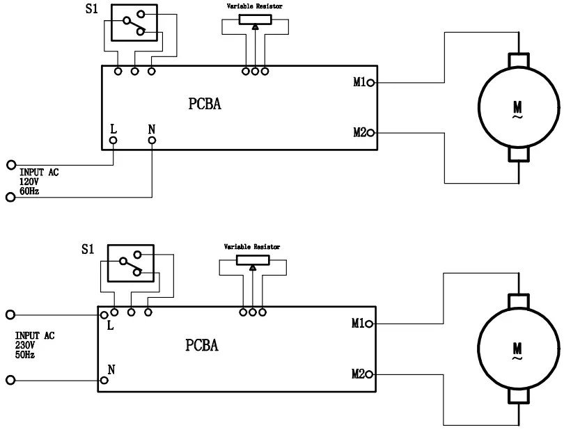
Circuit diagram
Circuit diagram
IB220MF / IB350CF / IB500LF / IB750LF
IB220MV / IB350CV / IB500LV / IB750LV
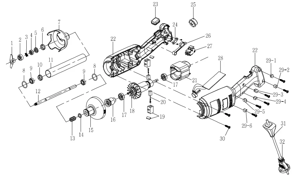
Exploded view and spare parts lists
IB220MF/IB220MV
spare parts lists
| No. | Name | Part | English Name | Part | English Name |
| 1 | Blade | 12 | Output axis | 23 | Rubber interlocking protector |
| 2 | Convex ring | 13 | Spline | 24 | Pressing board |
| 3 | Graphite ring spring | 14 | Rubber ring | 25 | Speed control key/cover |
| 4 | Graphite ring | 15 | Plastic head housing | 26 | Switch osculant staff |
| 5 | Ceramic ring | 16 | Spline sleeve | 27 | Switch |
| 6 | Ceramic ring sleeve | 17 | Bearing | 28 | PCB speed control board |
| 7 | Knife protector | 18 | Rotor | 29 | One set of screw plungers |
| 8 | Seal ring | 21 | Stator | 30 | Housing screw |
| 9 | W688Z Bearing | 19 | Brush barrel+ Cover | 31 | Cable sheath |
| 10 | Bearing sleeve | 20 | Carbon brush | 32 | Power cord |
| 11 | S/S tube | 22 | Left and right housing | Emulsifying blade |
IB350CF / IB350CV / IB500LF / IB500LV
IB350CF, IB350CV, IBSOOLF, IBSOOLV Spare Parts Lists
| No. | Name | No. | Name | No. | Name |
| 1 | Screw plunger | 13 | 608 Bearing | 25 | Cable sheath |
| 2 | 3*10 CB Screw | 14 | Motor fixed board Screw | 26 | Power cord with tail |
| 3 | 3*15 CB Screw | 15 | Motor fixed board | 27 | Pressing board |
| 4 | 4*15PA Screw | 16 | IB500W Stator | 28 | Rubber push sheath |
| 5 | Brush cover | 17 | IB500W Rotor | 29 | Speed control key/cover |
| 6 | Brush | 18 | Brush fixed rack | 30 | Switch sheath |
| 7 | 3246 Brush cylinder spring | 19 | Interlocking push bolt | 31 | Male plug |
| 8 | Brush rack | 20 | Interlocking push bolt Spring | 32 | Speed control board |
| Rubber interlocking protector | 21 | Switch osculant staff | 33 | Female plug | |
| 10 | Housing | 22 | Switch | 34 | Lead wire of female plug |
| 11 | Spline sleeve | 23 | Push bolt spring | ||
| 12 | Aluminium head | 24 | Push bolt |
BLD200, BLD250, BLD300, BLD350, BLD400, BLD450, BLD500, BLD550 Spare Parts Lists
| No. | Name | No. | Name | No. | Name |
| 1 | Spline sleeve | 7 | Output axis | 13 | Graphite ring |
| 2 | Spline sleeve seal ring | 8 | 304 SiS tube | 14 | Graphite ring spring |
| 3 | Connect sleeve seal ring | 9 | Bearing sleeve | 15 | Convex ring |
| 4 | Connect sleeve | 10 | Knife protector | 16 | Smooth blade |
| 5 | Fastening sleeve | 11 | Ceramic ring sleeve | Emulsifying blade | |
| 6 | 608 Bearing | 12 | Ceramic ring |
IB750LF / IB750LV
| No. | Name | No. | Name | No. | Name |
| 1 | Power cord with tail | 10 | Speed control board | 19 | Screw plunger |
| 2 | Cable sheath | 11 | Interlocking push bolt Spring | 20 | Motor cover |
| 3 | Pressing board | 12 | Interlocking push bolt | 21 | Motor gasket |
| 4 | Pressing board screw | 13 | Rubber interlocking protector | 22 | Motor |
| 5 | Housing | 14 | Switch | 23 | Rubber ring |
| 6 | Push bolt spring | 15 | Switch osculant staff | 24 | Spline sleeve |
| 7 | Push bolt | 16 | Switch sheath | 25 | Screw |
| 8 | Rubber push sheath | 17 | Screw | 26 | Aluminium head |
| 9 | Speed control key | 18 | Screw |
WIK185 / WIK250

WIK185, WIK250 SPARE PARTS LISTS
| No. | Name | No. | Name | No. | Name |
| 1 | Silicone rubber ring | 11 | Upper cover | 21 | Key |
| 2 | Spline | 12 | Needle bearing | 22 | Down seal ring |
| 3 | 08 Snap ring | 13 | Screw | 23 | Shaft sleeve |
| 4 | Bearing washer | 14 | Screw | Lower cover | |
| 5 | Bearing | 15 | Baffle plate | 24 | Oil sealing |
| 6 | Connect sleeve | 16 | 016 Snap ring | 25 | Set screw |
| 7 | Helical gear bearing | 17 | Helical gear bearing | 26 | Cylindrical pin |
| 8 | Screw plunger | 18 | Cylindrical pin | 27 | Fixed board |
| 9 | Housing screw | 19 | Straight gear | 28 | Steel ring |
| 10 | Up seal ring | 20 | Output axis | 29 | Steel bar |



















