ANOLiS Arcsource Outdoor 24MC Integral

INSTALLATION INSTRUCTIONS
![]() | Fixture must be installed by a qualified electrican in accordance with all national and local electrical and construction codes and regulations. This device falls under class one and must be grounded! | ![]() |


Use an Allen key 6 to release M8 tilting lock on each side of luminaire and adjust tilt of LED module in range of +35°/-90°.
STEP 1A
MOUNTING – USING YOKE1

Mount the fixture via suitable mounting holes. Ensure that you are mounting the fixture to a secure and non-flammable surface.
![]() | Use fasteners that are appropriate for use with your mounting surface. | ![]() |
2

Fasten the Yoke of the fixture to the surface by three screws.
STEP 1B
MOUNTING – USING FLOOR STAND

Floor stand.
![]() | Use fasteners that are appropriate for use with your mounting surface. | ![]() |
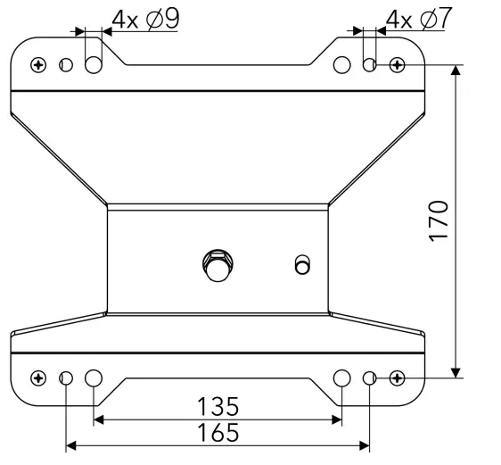
1
Mount the floor stand to the surface via 4 mounting holes of 9mm or 7mm in diameter.2
Mount the luminaire to the Floor stand as illustrated on picture above and fasten it by nut with washer to bolt on floor stand.
ArcSource Outdoor 24MC Integral mounted on the Floor stand.
STEP 1C
MOUNTING – USING LAND SPIKE
100 MM / 130 MM
Land spike 100mm and land spike 130mm.

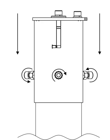
Insert the Land Spike into ground. Underground part of Land Spike should be placed perpendicularly into the ground. (if you need to use tools to insert spike in the ground, use of some protective layer, and applying pressure in the middle is recommended to prevent damaging of land spike)
2X
M8x20
Mount the luminaire to the Land spike as illustrated on picture above and fasten it by two screws M8x20 with washers and spring washers.
Arc Source Outdoor 24MC Integral mounted on the Land Spike.
STEP 1D
MOUNTING – USING TENON ADAPTOR
DIAMETER 63 – 80 MM / 80 – 106 MM

Tenon Adaptor 63 – 80 mm and Tenon adaptor 80 – 106 mm1
Slide the Tenon Adaptor (mortise) of suitable size on a tenon (e.g. top of a metal post) and fasten in with three screws included in the adapter.
2
2X
M8x25

Mount the luminaire to the Tenon Adaptor as illustrated on picture above and fasten it by two screws M8x25 with washers and spring washers.
ArcSource Outdoor 24MC Integral mounted on the Tenon Adaptor.
STEP 1E
MOUNTING – USING POLE CLAMP
DIAMETER 63 – 80 MM / 80 – 105 MM

1
Disassemble the Pole Clamp by unscrewing both nuts from bolts.
2

Mount the Pole Clamp to a pole and fasten it by screwing both nuts with washers back to its bolts. Adjust the Pole Clamp to ensure its correct position before tightening it completely..3
When in correct position, tighten both nuts completely.4
2X
M8x25
Place the luminaire to the Pole Clamp as illustrated on picture above and fasten it by two screws M8x25 with washers.

ArcSource Outdoor 24MC Integral mounted on each side of Pole Clamp.
STEP 2
CONNECTION

Single luminaire connection. Connect DMX IN and Power cable to a Junction box and Power/data cable from the Junction box to the luminaire.
Multiple luminaire connection.
Use power/data cable for connection between Junction boxes as illustrated on picture bellow. Notice the change of connection between first two and all following junction boxes of the daisy chain line.
1Removing the Cover of Junction Box
4X
M4x20
Open the Junction Box by unscrewing 4 M4x20 screws and lifting up the cover.2Install Housing
![]() | Use fasteners that are appropriate for use with your mounting surface. | ![]() |

Mount the Junction Box to a surface via two mounting holes and suitable fasteners.
3Strip these lengths for wire connections
4Connection – colour coding
| Power Connection – Power IN | |||
| L | N | GROUND | |
| Core (EU) | Brown | Blue | Green/Yellow |
| Core (US) | Black | White | Green |
DMX CONNECTION
| 0 V | D- | D+ |
| Data Ground | Data – | Data + |
Cable CE/US Leader – LED Output
| WIRE | DATA AND POWER CONNECTION |
| Brown | Live |
| Blue | Neutral |
| Yellow/Green | Ground |
| Red | + |
| White | – |
| Shielding | 0 |
A
| Power Connection | 9 mm |
| Data Connection | 7 mm |
5A
EU color code shown Connection scheme for the installations of single luminaire.
5BWiring connection – Daisy chain – First Junction Box

EU color code shown Connection scheme for the first Junction Box in daisy chain line
5CWiring connection – Daisy chain – Following Junction Bo

EU color code shown Connection scheme for each following Junction Box in daisy chain line. Only power/data cables are used.
6Cable gland installation
Use wrench size 24 for cable gland M20x1.5 Install Cable glands individually!

Apply Loctite 5331 thread sealant on the plastic holder and Loctite 577 thread locking compound on the gland body in the indicated locations prior to assembly
Failure to properly install cable glands will result in failure of the water tight seal!
7Close junction box
4X
2 Nm

Install safety cover and top cover back.
Before applying the torque, make sure the thread is clean and functional.
STEP 3
INSTALLATION ACCESSORIES

Top Hat and Half Top Hat. (Identical installation instructions)
1
4X
M6x12

Unscrew 4 M6x12 screws from rear side of the luminaire as highlighted on picture above.
2
Slide the accessory on the luminaire from a side.
3
4X
M6x12
Fasten the accessory to the rear side of luminaire with four M6x12 screws and spring washers.
4

ArcSource Outdoor 24MC Integral with Half Top Hat.
1
2X
M6x12

Unscrew two M6x12 screws from the rear side of luminaire as highlighted on a picture above.
2
Slide the Optical demo set on the luminaire.3
2x
M6x12
Fasten the accessory to the rear side of luminaire with two original screws and washers.4
Slide an optical foil into Optical demo set.

Arc Source Outdoor 24MC Integral with Optical demo set.
ROBE lighting s. r. o. | Palackeho 416 | 757 01 Valasske Mezirici | Czech Republic | Tel.: +420 571 751 500 | E-mail: [email protected] | www.anolislighting.com
VERSION 2.0 / 02_2022

















