
Intercom Kiosk
Installation Manual
December 1, 2022
PN 215778 Rev A
215778 Scale Intercom
© Rice Lake Weighing Systems. All rights reserved.
Rice Lake Weighing Systems® is a registered trademark of Rice Lake Weighing Systems.
All other brand or product names within this publication are trademarks or registered trademarks of their respective companies.
All information contained within this publication is, to the best of our knowledge, complete and accurate at the time of publication. Rice Lake Weighing Systems reserves the right to make changes to the technology, features, specifications and design of the equipment without notice.
The most current version of this publication, software, firmware and all other product updates can be found on our website:www.ricelake.com
Revision History
This section tracks and describes manual revisions for awareness of major updates.
| Revision | Date | Description |
| A | 1-Dec-22 | Initial manual release with the launch of the product |
Table i. Revision Letter History
Technical training seminars are available through Rice Lake Weighing Systems.
Course descriptions and dates can be viewed at www.ricelake.com/training or obtained by calling 715-234-9171 and asking for the training department.
Rice Lake continually offers web-based video training on a growing selection of product-related topics at no cost. Visit www.ricelake.com/webinars
Visit our website www.RiceLake.com
Introduction
This manual is intended for use by service technicians responsible for installing and servicing the product. The intercom kiosk features FRP enclosure with a speaker, microphone and call button.
Manuals and additional resources are available from Rice Lake Weighing Systems at www.ricelake.com/manuals
Warranty information can be found on the website at www.ricelake.com/warranties
1.1 Safety
Safety Signal Definitions:
DANGER: Indicates an imminently hazardous situation that, if not avoided, will result in death or serious injury. Includes hazards that are exposed when guards are removed.
WARNING: Indicates a potentially hazardous situation that, if not avoided, could result in serious injury or death. Includes hazards that are exposed when guards are removed.
CAUTION: Indicates a potentially hazardous situation that, if not avoided, could result in minor or moderate injury.
IMPORTANT: Indicates information about procedures that, if not observed, could result in damage to equipment or corruption to and loss of data.
General Safety
Do not operate or work on this equipment unless this manual has been read and all instructions are understood.
Failure to follow the instructions or heed the warnings could result in injury or death. Contact any Rice Lake Weighing Systems dealer for replacement manuals.
WARNING: Failure to heed could result in serious injury or death.
Do not allow minors (children) or inexperienced persons to operate this product.
Do not operate without the enclosure completely assembled.
Do not place fingers into slots or possible pinch points.
Do not use this product if any of the components are cracked.
Do not make alterations or modifications to the product.
Do not remove or obscure warning labels.
Do not submerge product or parts.
Do not use solvents or aggressive substances to clean the product.
Product maintenance and repair must be performed by qualified service personnel only.
Before opening the product, ensure the power cord is disconnected from the power source.
For permanently connected equipment, a readily accessible disconnect device must be incorporated in the installation wiring.
Pluggable units must be installed near the power outlet and be easily accessible.
Specifications
Product Dimensions:

| A | B | C | D | E |
| 12.55 in (31.88 cm) | 14.55 in (36.96 cm) | 8.31 in (21.11 cm) | 10.0 in (254.0 cm) | 15.0 in (381.0 cm) |
Table 1-1. Product Dimensions
Wiring: CAT5 to Ethernet adapter
Communication: PC software functions as base station for networked intercom system
Software Program: TalkMaster FOCUS, download directly from: www.digitalacoustics.com/talkmaster-focus-software-download For more details on the intercom software, see Section 2.9 on page 11.
Installation
This section describes installation details for mounting and cable connections. Assembly drawings and parts lists are also included for the service technician.
WARNING
Risk of electrical shock.
Disconnect power before servicing.
WARNING: Failure to heed the following statements could result in serious injury or death.
- Procedures requiring work inside the product enclosure must be performed by qualified service personnel only.
- Use a grounding wrist strap to protect components from electrostatic discharge (ESD) damage when working inside the product enclosure.
- Power disconnect must be near the equipment and must be easily accessible.
2.1 Unpacking
Immediately after unpacking, visually inspect product to ensure all components are included and undamaged. If parts were damaged in shipment, notify Rice Lake Weighing Systems and the shipper immediately.
IMPORTANT: Retain the packaging for use in the event that the product must be returned or moved. Damage caused by improper packaging in future transportation is not covered by the warranty.
2.2 Mounting
The intercom kiosk includes two mounting holes at the top and the bottom of the enclosure. The kiosk is intended to be mounted to a flat vertical surface, such as a wall or a swing arm with an appropriate mounting plate.
Using the mounting holes as a template, mark the screw locations and pre-drill holes if needed. Secure the intercom kiosk to the vertical surface with appropriate hardware for the application (not included).
2.3 Interior Access
Open the front door of the of the intercom kiosk to gain access to the interior to connect necessary cables. The kiosk is secured close with two door screws in the corners of the kiosk opposite the hinge.
WARNING: Before opening the unit, ensure power is disconnected.
NOTE: Torque door screws to 15-20 in-lb (1.7-2.2 N-m) when work inside the enclosure is complete.
2.4 Torque Ratings
Refer to Table 2-1 throughout installation and use of product to maintain proper torque ratings for intercom kiosk components.
| Indicator Component | Torque Rating |
| Door Screw | 15-20 in-lb (1.7-2.2 N-m) |
| Cord Grip Nut (to enclosure) | 33 in-lb (3.7 N-m) |
| Cord Grip Dome Nut (around cable) | 22 in-lb (2.5 N-m) |
Table 2-1. Component Torque Ratings
2.5 Cable Connections
The intercom kiosk provides three cord grips at the bottom of the enclosure for cabling into the kiosk. One of the cord grips is used for the power supply cable and one is used for the Ethernet communications cable that connects the intercom to the local network. The third cord grip can be used to accommodate an auxiliary device cable.
IMPORTANT: Properly seal cord grips to prevent moisture damage inside of the enclosure. A cable plug must be installed in an unused cord grip. Cord grip dome nuts around a cable or a plug must be torqued to 22 in-lb (2.5 N-m). The cord grip nut against the enclosure must be torqued to 33 in-lb (3.7 N-m).
IMPORTANT: Prohibit open/bare wires outside of enclosure. Ensure stripped portion of cables are entirely inside cord grips.
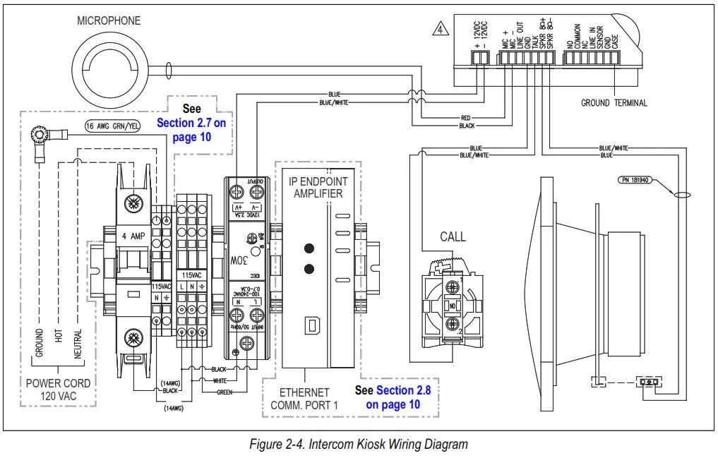
2.6 Wiring Diagram
2.7 Power Supply Cable
The intercom kiosk does not include a power cable. Use the following steps to ground and connect a 120 VAC power cable.
- Run the power cable (not included), up through the appropriate cord grip.
NOTE: The recommended cable strip length for the power supply cable is 0.25 in (7 mm). See Section 2.5 on page 9 for the appropriate cord grip location and for proper cord grip torque ratings. - One wire must be terminated, to the enclosure grounding stud.
- Connect the other two wires as illustrated in Figure 2-5.

2.8 Ethernet Cable
An Ethernet communications cable is needed to connect the intercom to the local network. Use the following steps to route and connect the intercom Ethernet cable.
- Run the Ethernet cable (not included), up through the appropriate cord grip.
NOTE: See Section 2.5 on page 9 for the appropriate cord grip location and for proper cord grip torque rating. - Connect the Ethernet cable to the middle (PoE ENABLED) port on the intercom IP Endpoint amplifier.

- Run the other end of the Ethernet cable to a local network connection.
2.9 Intercom Software
The intercom kiosk requires the TalkMaster FOCUS software by Digital Acoustics to operate. TalkMaster FOCUS can be downloaded for free to support a single console (PC) with up to 250 IP Endpoints. Once downloaded, both the Server/Admin Console and the Operator Console must be installed to set up an IP Endpoint and an Operator Console for communication.
Download TalkMaster FOCUS at www.digitalacoustics.com/talkmaster-focus-software-download
Additional details for TalkMaster FOCUS at https://www.digitalacoustics.com/product/talkmaster-focus/TalkMaster FOCUS Enterprise Operator is available from Digital Acoustics if support for multiple consoles (PCs) or multiple operators is needed.
Enterprise Operator details at https://www.digitalacoustics.com/product/talkmaster-focus-enterprise-operator-software/Digital Acoustics also offers TalkMaster Software Maintenance as a yearly subscription to receive access to new features, bug fixes and Windows® updates.
TalkMaster Software Maintenance details at https://www.digitalacoustics.com/product/talkmaster-software-maintenance/
NOTE: TalkMaster FOCUS Enterprise Operator and TalkMaster Software Maintenance purchases are made between the operator and Digital Acoustics, and does not involve Rice Lake Weighing Systems.
2.10 Microphone Switch
The intercom kiosk has a speaker and a separate microphone that are used for communication. The intercom speaker can also be used as a speaker and a microphone by flipping the microphone switch on the underside of the IP Endpoint amplifier.
NOTE: If the IP Endpoint amplifier needs to be replaced, the microphone switch will need to be flipped to utilize the intercom kiosk’s separate microphone. The microphone switch is correctly positioned in production units.
Replacement Parts

| Item No | Part No. | Description | Qty |
| 1 | 215708 | Enclosure, Intercom Kiosk | 1 |
| 2 | 15645 | Hub, Conduit Zinc 1/2 Inch | 3 |
| 3 | 15628 | Cord Grip, 1/2 NPT Black | 3 |
| 4 | 88733 | Vent, Breather Sealed Goretex Membrane, IP69K Rated | 1 |
| 5 | 88734 | Nut, Breather Vent | 1 |
| 6 | 185130 | Speaker, Kiosk Outdoor Rated, IP65, 8 OHM at 25W | 1 |
| 7 | 94316 | Frame, Legend Plate For Use With Round Switches | 1 |
| 8 | 185526 | Legend Plate, CALL | 1 |
| 9 | 94276 | Switch, Push Button Momentary Round | 1 |
| 10 | 202270 | Microphone, Kiosk Panel Mount, Moisture Resistance, Uni-directional 2-10 VDC | 1 |
| 11 | 151585 | Decal, Rice Lake Weighing Systems 1.0 x 4.5 Inches | 1 |
| 12 | 215707 | Backplate, Intercom Kiosk, For Mounting Electrical Components | 1 |
| 13 | 43372 | Rail, DIN 2.5 Inch Length, 35mm Width x 7.5mm High | 1 |
| 14 | 86096 | Rail, DIN 9 Inch Length, 35mm Width x 7.5mm High | 1 |
| 15 | 22087 | Screw, Machine 6-32 x 3/8 Phillips | 5 |
Table 3-1. 682 AC Replacement Parts List

© Rice Lake Weighing Systems Specifications subject to change without notice.
230 W. Coleman St.
Rice Lake, WI 54868 USA
U.S. 800-472-6703
Canada/Mexico 800-321-6703
International 715-234-9171
Europe +31 (0)26 472 1319
www.ricelake.com
December 1, 2022 PN 215778 Rev AVisit our website www.RiceLake.com
References
Digital IP Audio Solutions | Talk Down Systems & Software
TalkMaster FOCUS Software Download - Digital Acoustics
Rice Lake Weighing Systems
Manuals | Rice Lake Weighing Systems
Training | Rice Lake Weighing Systems
Warranties
Videos and Webinars | Rice Lake Weighing Systems
IP Intercom queues, paging groups - Enterprise Operator Software
IP Paging, IP Intercom Software - TalkMaster FOCUS
TalkMaster Software Maintenance - Digital Acoustics
TalkMaster FOCUS Software Download - Digital Acoustics
Rice Lake Weighing Systems
Rice Lake Weighing Systems
Rice Lake Weighing Systems
Manuals | Rice Lake Weighing Systems


















