
Speed Sensor
Belt Scale Monitors
Installation Manual
January 25, 2022
PN 164491 Rev A

An ISO 9001 registered company © Rice Lake Weighing Systems. All rights reserved.
Rice Lake Weighing Systems® is a registered trademark of Rice Lake Weighing Systems.
All other brand or product names within this publication are trademarks or registered trademarks of their respective companies.
All information contained within this publication is, to the best of our knowledge, complete and accurate at the time of publication. Rice Lake Weighing Systems reserves the right to make changes to the technology, features, specifications and design of the equipment without notice.
The most current version of this publication, software, firmware and all other product updates can be found on our website:
www.ricelake.com
Technical training seminars are available through Rice Lake Weighing Systems. Course descriptions and dates can be viewed at www.ricelake.com/training or obtained by calling 715-234-9171 and asking for the training department.
© Rice Lake Weighing Systems All Rights Reserved
Speed Sensor
Rice Lake continually offers web-based video training on a growing selection of product-related topics at no cost. Visit www.ricelake.com/webinars
Visit our website www.RiceLake.com
Introduction
The speed sensor monitors the belt speed. It is directly coupled to a rotating shaft (i.e. the bend pulley as shown in Table 2-1 on page 4) which drives a signal generator. The speed sensor submits an output signal at a frequency directly proportional to the shaft speed. It is typically installed on a non-driven pulley of a belt conveyor for detecting belt speed.
Manuals and additional resources are available from Rice Lake Weighing Systems at www.ricelake.com/manuals
Warranty information can be found on the website at www.ricelake.com/warranties
Safety
Safety Signal Definitions:
DANGER
Indicates an imminently hazardous situation that, if not avoided, will result in death or serious injury. Includes hazards that are exposed when guards are removed.
WARNING
Indicates a potentially hazardous situation that, if not avoided, could result in serious injury or death. Includes hazards that are exposed when guards are removed.
CAUTION
Indicates a potentially hazardous situation that, if not avoided, could result in minor or moderate injury.
IMPORTANT
Indicates information about procedures that, if not observed, could result in damage to equipment or corruption to and loss of data.
General Safety
Do not operate or work on this equipment unless this manual has been read and all instructions are understood. Failure to follow the instructions or heed the warnings could result in injury or death. Contact any Rice Lake Weighing Systems dealer for replacement manuals.
WARNING
- Failure to heed could result in serious injury or death.
- Some procedures described in this manual require work inside the indicator enclosure.
- These procedures are to be performed by qualified service personnel only.
- Take all necessary safety precautions when installing the speed sensor, including wearing safety shoes, protective eyewear, and using the proper tools.
- Do not allow minors (children) or inexperienced persons to operate this unit.
- Do not operate without all shields and guards in place.
- Do not place fingers into slots or possible pinch points.
- Do not use any load-bearing component that is worn beyond 5% of the original dimension.
- Do not use this product if any of the components are cracked.
- Do not exceed the rated load limit of the unit.
- Do not make alterations or modifications to the unit.
- Do not remove or obscure warning labels.
- Keep hands, feet, and loose clothing away from moving parts.
Technical Specifications
Ambient Temperature:…………………………………………30° to 80° C (-22° to 176° F)
Enclosure: …………………………………………………………..IP65
Detecting Speed Range………………………………………….: 20 to 280 rpm
Conduit Holes:…………………………………………………1/2″-14 NPT (M25x1.5)
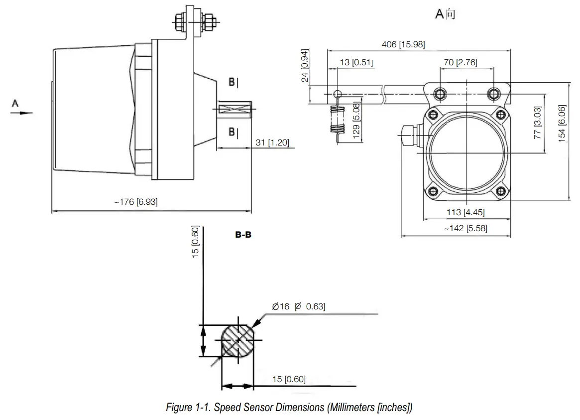
Speed Sensor Dimensions
Speed Sensor Wiring Diagram
Introduction
920i Pulse Input
1.6 882D Pulse Input
Use the J13 connector on the 882D CPU board to provide pulse input from the speed sensor to the 882D. Wire the cable to the connector as shown in Figures 1-4. Pins 4, 5, and 6 are the top level of the connector and make up the primary pulse input channel (Input 1). Pins 1, 2, and 3 are the bottom level of the connector and make up the secondary pulse input channel (Input 2).
Installation
Install the speed sensor using the following instructions.
WARNING
Ensure that the belt scale is turned off and all power to the unit has been removed prior to starting the installation of the speed sensor.
- Locate the center of the bend pulley shaft and punch mark.
- Drill 1/4” (6 mm) pilot hole.
- Use a 17/32” (13.5 mm) bit to drill the center of the pulley shaft (minimum 1” deep) (26 mm).
- Tap the drilled hole with a 5/8-11 tap (M16x2).
- Install (thread) the supplied coupling into the tapped hole (may use thread-lock adhesive) and tighten.
- Use supplied bolts, washers, and nuts to connect the anti-rotation arm to the speed sensor.
- Weld a support plate on the conveyor frame at a suitable position.
- Place the anti-rotation arm against the support plate.
- Use the supplied spring to tension the anti-rotation arm against the support plate.
- Secure to a fixed object. Be sure to make the spring in slight tension when connecting the two parts.
IMPORTANT
Do not attach the speed sensor to a driven pulley. A driven pulley may have belt slippage in certain conditions, which may reduce speed sensing accuracy. The selected bend pulley should have a suitable diameter. The rotary speed of the bend pulley should be kept within the detection range of the speed sensor. The bend pulley should have a minimum of 30 degrees belt wrap to ensure positive rotation, because any slippage between the belt and the pulley may cause reduced accuracy of the belt scale.
2.1 Testing
After installation, test unit to ensure proper mechanical and electrical operations. Make sure the cover is tightly secured and conduit sealed to prevent entry of water or moisture.
Troubleshooting
- Ensure that the rotary shaft is connected securely to the pulley.
- Ensure the unit is wired correctly and the connections are tight.
- Open the cover of the speed sensor. Ensure that the signal generator works properly.
- If the speed sensor still fails after the above checkpoints have been performed, check the peripheral circuit for fault finding.
IMPORTANT
Do not try to modify or change the components without prior approval of Rice Lake Weighing Systems. Rice
Lake Weighing Systems will have no liability for any damage caused by the user’s modification even during the warranty period.
3.1 Spare Parts
Rice Lake Weighing Systems recommends keeping the following spare components on hand for each unit.
- Anti-rotation arm
- Spring
- Coupling (PN 123146)
FCC Compliance
United States
This equipment has been tested and found to comply with the limits for a Class A digital device, pursuant to Part 15 of the FCC Rules. These limits are designed to provide reasonable protection against harmful interference when the equipment is operated in a commercial environment. This equipment generates, uses, and can radiate radio frequency energy and, if not installed and used in accordance with the instruction manual, may cause harmful interference to radio communications. Operation of this equipment in a residential area is likely to cause harmful interference in which case the user will be required to correct the interference at his own expense.
Canada
This digital apparatus does not exceed the Class A limits for radio noise emissions from digital apparatus set out in the Radio Interference Regulations of the Canadian Department of Communications.

Visit our website www.RiceLake.com
© Rice Lake Weighing Systems Specifications are subject to change without notice.
Rice Lake Weighing Systems is an ISO 9001 registered company.
230 W. Coleman St.
Rice Lake, WI 54868
USA U.S. 800-472-6703
Canada/Mexico 800-321-6703
International 715-234-9171
Europe +31 (0)26 472 1319
January 25, 2022
www.ricelake.com
PN 164491 Rev A
Speed Sensor Wiring Diagram
Introduction
















