DATEQ SRL-1 Audio Controlled LED Circuit Breaker

The DATEQ SRL-1-mk2 Audio Controlled Circuit Breaker is a product designed to react to the warning and sanction status of the limiter when connected to SPL3, SPL3TS, SPL5 or SPL-D2. The device has a signaling connector (25-SUBD female) that is used to connect to the limiter.
Product Support
For any questions regarding the SPL limiter series, accessories, and other products, please contact:
DATEQ Audio Technologies De Paal 37 1351 JG Almere Netherlands
Phone: 036-5472222
Fax: 036-5317776
Email: [email protected]
Website: www.dateq.nl
Safety Instructions
- All safety instructions, warnings, and user manuals should be read first.
- All warnings on the device must be followed.
- The user manual must be followed.
- Keep the user manual for future use.
- The device should never be used in the immediate vicinity of water. Avoid the possibility of water and moisture entering the device.
- The device should only be placed or mounted in the manner recommended by the manufacturer.
- The device must be placed or mounted so that nothing obstructs proper ventilation.
- The device should never be placed in the immediate vicinity of heat sources such as heating system parts, heaters, and other heat-producing equipment (including amplifiers).
- Connect the device only to the correct mains voltage using the manufacturer’s recommended cables, as described in the user manual and/or indicated on the connection side of the device.
- The device may only be connected to a legally approved (edge)grounded mains voltage connection.
- The mains voltage cable or mains voltage cord should be laid in such a way that it cannot be walked on or damaged by objects placed on or against it. Special attention should be paid to the point where the cable is attached to the device and where the cable is attached to the mains voltage connection
- Prevent foreign objects and liquids from entering the device.
- The device must be cleaned in the manner recommended by the manufacturer.
- The mains voltage cable or mains voltage cord should be removed from the mains voltage connection if the device is not used for a long period of time.
- The user should not perform any work on the device other than that described in the user manual.
Usage Instructions
To use the SRL-1, follow these steps:
- Connect the device to the SPL3, SPL3TS, SPL5 or SPL-D2 using the signaling connector (25-SUBD female).
- The SRL-1 will automatically react to the warning and sanction status of the limiter.
- If the device is connected to SPL-D2, the SPL-D2 will flash dB briefly during the set delay time. After the sanction time has elapsed, the steam flow will be restored.
Introduction
- The SRL-1 is build as relay extension box for the SPL3, SPL3TS, SPL5 and SPL-D2 display.
- Linked to one of the SPL series limiter or display, the SRL-1 allows a warning light and power cut out on exceeding the pre-set sound level.
- Linked to the SPL-D2, the software allows a sanction threshold, delay and duration set point.
Safety instructions
- All safety instructions, warnings and operating instructions must be read first.
- All warnings on the equipment must be heeded.
- The operating instructions must be followed.
- Keep the operating instructions for future reference.
- The equipment may never be used in the immediate vicinity of water; make sure that water and damp cannot get into the equipment.
- The equipment may only be installed or fitted in accordance with the manufacturer’s recommendations.
- The equipment must be installed or fitted such that good ventilation is not obstructed in any way.
- The equipment may never be installed in the immediate vicinity of sources of heat, such as parts of heating units, boilers, and other equipment which generates heat (including amplifiers).
- Connect the equipment to a power supply of the correct voltage, using only the cables recommended by the manufacturer, as specified in the operating instructions and/or shown on the connection side of the equipment.
- The equipment may only be connected to a legally approved earthed mains power supply.
- The power cable or power cord must be positioned such that it cannot be walked on in normal use, and objects which might damage the cable or cord cannot be placed on it or against it. Special attention must be paid to the point at which the cable is attached to the equipment and where the cable is connected to the power supply.
- Ensure that foreign objects and liquids cannot get into the equipment.
- The equipment must be cleaned using the method recommended by the manufacturer.
- If the equipment is not being used for a prolonged period, the power cable or power cord should be disconnected from the power supply.
- In all cases where there is a risk, following an incident that the equipment could be unsafe, such as:
- if the power cable or power cord has been damaged
- if foreign objects or liquids (including water) have entered the equipment
- if the equipment has suffered a fall or the casing has been damaged
- if a change in the performance of the equipment is noticed it must be checked by appropriately qualified technical staff.
- The user may not carry out any work on the equipment other than that specified in the operating instructions.
SRL-1 linked to the SPL3, SPL3TS and SPL5
When linked to the SPL3, SPL3TS or SPL5, the SRL-1 will slave to the active state of the limiter. Limiter setting are automatically set for the SRL-1.
Connection to the SPL3, SPL3TS and SPL5 Signalling Connector (25-SUBD female)
| Pen | Function SPL3 & SPL3TS | Function SPL5 |
| 2 | Reduction | Reduction |
| 3 | Overload | Overload |
| 4 | Warning | Live OK |
| 5 | live OK | Warning |
| 6 | Sanction active | Level OK |
| 7 | Ground | Safe sound level |
| 8 | Ground | SPL-D2 link |
| 14-17 | Ground | Ground |
SRL-1-mk2 linked to the SPL-D2 
Linked to the SPL-D2, the SRL-1 allows acting as a circuit breaker when exceeding the preset sound level. Before switching off power a warning light signals the user during sanction delay. By setting the green/red threshold point, the SRL-1 maximum sound level is preset. When exceeding the sound level the SRL-1 will switch off power after the preset delay time + 5 seconds.
- The SPL-D2 will blink the yellow letters dB during the sanction delay time.
- When the sanction reset time has reached the SRL-1 will restore power.

SPL-D2 SRL-1 SPL3(TS) SPL5 Tip Not connected SPL5 data to SPL-D2 Ring Data send to SRL-1 Live OK GND Data ground Ground Warning Warning 
Technical specifications
- Norm Measurement chain build to conform according to specifications IEC-61672-1 class 2
Common
- Power supply
- Power supply 230 volt AC
- Power 3 W
Switched power
- Warning light 230 volt AC 4 ampere
- Power out 3x 230 volt 16 ampere


Dimensions and weight
- Casing 160 mm x 160 mm x 90 mm (b x h x d)
- Weight 0.9 Kg
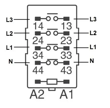
Using a single phase:
| Input | Output | |
| Phase | Pin 34 | Pin 33 |
| Null | Pin 44 | Pin 43 |
The 4-pole DIP switch is new on the SRL-1-mk2 and this gives the possibility to add new functions To the SLR1-mk2. For standard function the 4 switches must be put in the Off position.
Product support
For questions about the SPL limiter series, accessories and other products please contact:
DATEQ Audio Technologies
De Paal 37 1351 JG Almere The Netherlands
Telephone: +31 36 – 5472222
Fax: +31 36 – 5317776
E-mail: [email protected]
Web: www.Dateq.nl





















