HE7230SL Recessed Ceiling Heaters
![]()

Recessed Ceiling Heaters
Catalogue Numbers
HE7230SL, HE7245SL, HE7260SL, HE7230RX, HE7245RX, HE7260RX
Installation and Operating Manual
1. General Information
1.1 Introduction
This instruction manual describes the CLAUDGEN Recessed Warm Air Ceiling Heaters. The heater is designed for discreet positioning in a suspended 600mm ceiling within retail or commercial premises. It can fit a recess as shallow as 210mm.
1.2 General
All installations must be in accordance with the regulations in force in the country of use.
These instructions must be handed to the user on completion of the installation.
1.3 Electrical Supply
Electrical supply is 230/240V single phase, Neutral and Earth. The maximum cable inlet size is 4mm².
It is recommended that the electrical supply to the base unit in the heater is via an appropriate switched isolator in accordance with the regulations in force in the country of use and must be via a fused isolator having a contact separation of greater than 3mm on all poles.There are no exceptions.
BMS control, time switches, room thermo-stats and door interlocks can be installed at the discretion and responsibility of the in-staller.
All units must be wired in accordance with I.E.E regulations for the Electrical Equip-ment of Buildings and the installer should ensure that a suitable isolating switch is connected in the mains supply.
1.4 Controller `SL` models
The HE7230SL, HE7245SL, HE7260SL heaters are supplied without a controller. The `SL` models will not work without an SL controller. See section 5.1 for more details.
1.5 Controller `RX` models
The HE7230RX, HE7245RX, HE7260RX heaters are supplied without a controller. The `RX` models will not work without the CRXSL controller. See section 5.2 for more details
1.6 Location
All units should be installed horizontally. It is recommended that the ceiling heater is in-stalled within the ceiling void or roof space.
Care must be taken to allow complete free air movement into the inlet grilles of the unit to ensure the correct working operation of the heater. If the HE7230SL/RX or HE7245SL/RX heaters are mounted close to the wall or corner the discharge opening should be facing the wall. The minimum dis-tance from the wall or corner is 0.8m or 1.2m for the HE7260SL/RX.
1.9 Health and Safety
Sole liability rests with the installer to ensure that all site safety procedures are adhered to during installation.
Sole liability rests with the installer to ensure that protective safety wear such as hand, eye, ear and head protection is used during instal-lation of the product.
Do not rest anything especially ladders against the product.
1.10 Standards
Units conform to the European electrical standard BS EN 60335-2-30
1. General Information

It is recommended that a minimum clearance of 50mm is allowed around the case and 30mm above the heater. The clearance allows for cable entry and prevents combustible surfaces overheating.
The minimum mounting height (floor to grille) is 2.2m for the HE7230SL/RX,

HE7245SL/RX and 2.5m for the HE7260SL/RX. The recommended mounting height is 2.5m for the HE7230SL/RX, HE7245SL,RX and 3m for the HE7260SL/RX.
2. Dimensions

3. Installation Details.
3.1 Mounting
The Claudgen recessed ceiling heaters are de-signed to fit in place of a standard 600mm ceiling panel.
IT IS ESSENTIAL THAT THE CEILING FRAME IS ADEQUATE TO SUPPORT THE WEIGHT OF THE HEATER, OR THAT THE HEATER IS INDIVIDUALLY SUPPORTED. THERE IS PROVISION ON THE HEATER FOR CHAIN OR WIRE, SUP-PORT OR MOUNTING.
The weight of the HE7230SL/RX, HE7245SL/RX is 7kg
The weight of the HE7260SL/RX is 10kg
It is the sole responsibility of the installer to ensure that the points of attachment to the building are sound. Care must be taken to allow complete free air movement into the inlet grilles of the unit to ensure the correct working operation of the heat-er. Carefully unpack the unit. The unit is supplied with a length of self-adhesive foam strip. This can be cut into lengths and is to be laid on the 4 sides of the ceiling frame . This will ensure that the unit assembly is free from vibration. The discharge grille and diffuser assembly can now be fitted into the ceiling frame.
Fig.1 Air discharge of HE7230SL/RX and HE7245SL/RX

ENSURE THE AIR OUTLET OF HE7230SL/RX AND HE7245SL/RX IS NEAREST TO THE WALL OR CORNER.
Fig.2 Air discharge of HE7260SL/RX

Fig.3 Mounting supports

The wire or chain used to mount the heater can be attached to 4 of the M6 studs or the 4 x M6 threaded inserts as shown in diagram.
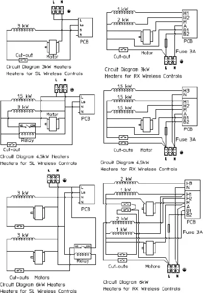
4. Electrical Connections
4.1 Electrical Connections.
These units are suitable for connection to a 230/240 Volt 50 Hz single phase supply.
The appliance shall be connected to the supply via an appropriate switched fused double pole isolator having a contact separation of greater than 3mm. Test for correct operation and refit the cover.
For connection to the mains supply it will be necessary to open the terminal cover at the side/back of the unit to connect the supply from the controls prior to refitting the cover. Wire in accordance to the wiring diagrams.
For safety reasons, a sound earth connection must always be made to the unit before it is put to use. The unit should be wired in accordance with IEE Regulations for the Electrical Equipment of Buildings.
4. Electrical Connections
4.2 Electrical connections for SL and RX models
Fig.8 Heater with terminal cover open

Fig.9 Terminal cover detail

5. Operation.
5.1 SL models
The heaters HE7230SL, HE7245SL and HE7260SL can be controlled by any CONSORT SL wireless controller. Each SL controller can control any number of heaters providing they are within the RF range. For more details please follow the instructions supplied with the controller.
The heaters will not work without an SL controller.
5.2 RX Models
The heaters HE7230RX, HE7245RX and HE7260RX can be controlled by CONSORT wireless RX controller. Each RX controller can control any number of heaters providing they are within the RF range. For more details please follow the instructions supplied with the controller.
The heaters will not work without an RX controller.
6. Servicing & Maintenance
6.1 Maintenance
ALWAYS ENSURE THAT THE MAIN EXTERNAL ELECTRICITY SUPPLY IS SWITCHED OFF BEFORE COMMENCING ANY MAINTENANCE ON THIS HEATER.
To obtain the best results from the heater, it is essential to avoid the accumulation of dust and dirt within the unit on the air inlet and discharge grilles. For this reason regular cleaning is necessary.
Cleaning of the fan is best carried out with a soft brush.
The product should be serviced annually.
Servicing shall be undertaken by a competent person.
6.2 General
If the heater does not operate a competent service engineer should be called to identify the nature of the fault.
All heaters are fitted with motor thermal protection.
Other faults in relation to the element, motor and wiring should be identified using conventional fault finding techniques.
In the event that electrical components are replaced, please ensure that electrical safety checks in accordance with the regulations in force in the country of use are undertaken.
6.3 Thermal cut-out
The units are protected from overheating in the event of fan failure or an obstruction of the free airflow, by thermal cut outs. If this happens the thermal cut outs switch off the appliance. The appliance will not operate until the heater is disconnected from the mains supply and it has cooled down.
If this fault occurs again, refer to the section ‘6.4 fault finding’.
6.4 Fault Finding
If the heater will not operate, disconnect it from the mains and arrange for a certified electrician to attend and investigate the reason.
6.5 Replacing the Fan Heater
a) Remove the grille.
b) Disconnect the internal wiring from the blower
c) Remove the four screws fixing the fan heater assembly to the back of the case.
d) The fan heater assembly can now be eased forward and removed from the heater case.
e) Fit replacement fan heater and reassemble in reverse order.
6.6 Spares
It is essential when ordering spares or replacement parts to state the model number and the serial number on the rating label fixed to the side of the unit below the terminal cover.
In the interest of progress the Company reserve the right to vary specifications from time to time without notice. The material listed is offered subject to the Company’s General Conditions of Sale, a copy of which can be obtained on request.

Customer Helpline
Should you need any advice on the use of your new Consort product, or should you require service or repair, please contact our Helpline:
Consort Equipment Products Limited
Thornton Industrial Estate, Milford Haven, Pembrokeshire, SA73 2RT
Tel: 01646 692172 Fax: 01646 695195
Email: [email protected] Web: www.consortepl.com
Operation hours: Mon to Thu 8.30am to 4.30pm | Fri 8.30am to 3.30pm
BS EN ISO 9001 Registered Company No FM12671



















