
Surface Ceiling
Heaters
Catalog Numbers
HE7237SL, HE7247SL, HE7267SL,
HE7237RX, HE7247RX, HE7267RX
Installation and Operating Manual

General Information
1.1 Introduction
This instruction manual describes the CLAUDGEN Surface Warm Air Ceiling Heaters.
The heater is designed to be suspended from the ceiling.
1.2 General
All installations must be in accordance with the regulations in force in the country of use.
These instructions must be handed to the user on completion of the installation.
Installers and service engineers must be able to demonstrate competence and be suitably qualified in accordance with the regulations in force in the country of use.
To ensure continued and safe operation it is recommended that the appliance is serviced annually.
The heater outlet/inlet must not be obstructed during use.
1.9 Health and Safety
Sole liability rests with the installer to ensure that all site safety procedures adhere to during installation.
Sole liability rests with the installer to ensure that protective safety wear such as hand, eye, ear, and head protection is used during the installation of the product.
Do not rest anything, especially ladders against the product.
1.10 Standards
Units conform to the European electrical standard BS EN 60335-2-30
1.3 Electrical Supply
The electrical supply is 230/240V single phase, Neutral and Earth. The maximum cable inlet size is 4mm².
It is recommended that the electrical supply to the base unit in the heater is via an appropriately switched isolator in accordance with the regulations in force in the country of use and must be via a fused iso- later having a contact separation of greater than 3mm on all poles. There are no exceptions.
BMS control, time switches, room thermostats, and door interlocks can be installed at the discretion and responsibility of the installer.
All units must be wired in accordance with I.E.E regulations for the Electrical Equipment of Buildings and the installer should ensure that a suitable isolating switch is connected to the mains supply. is ced
1.4 Controller `SL` models
The HE7237SL, HE7247SL, and HE7267SL heaters are supplied without a controller? The `SL` models will not work without an SL controller. See section 5.1 for more details. 1.5 Controller `RX` models
The HE7237RX, HE7247RX, and HE7267RX heaters are supplied without a controller. The `RX` models will not work without an RX controller. See section 5.2 for more details.
1.6 Location
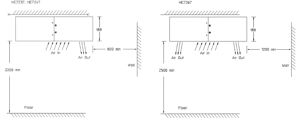
All units should be installed horizontally. It is recommended that the ceiling heater is suspended using four 10mm rods. Care must be taken to allow complete free air movement into the inlet grilles of the unit to ensure the correct working operation of the heater. If the HE7237SL/RX or HE7247SL/RX heaters are mounted close to the wall or corner the discharge opening should be facing the wall. The minimum distance from the wall or corner is 0.8m or 1.2m for the HE7267SL/RX.
1.8 Clearance distances

It is acceptable for the heater to sit flush to the ceiling.
The minimum mounting height (floor to the grille) is 2.2m for the HE7237SL/RX, HE7247SL/RX, and 2.5m for the HE7267SLRX.
The recommended mounting height is 2.5mfor the HE7237SL/RX, HE7247SL, RX, and 3m for the HE7267SL/RX.
Dimensions

Installation Details.
3.1 Installation
It is the sole responsibility of the installer to ensure that the points of attachment to the building are sound. Care must be taken to allow complete free air movement into the inlet grilles of the unit to ensure the correct working operation of the heater. Carefully unpack the unit. The unit is supplied with a length of the self-adhesive foam strip. This can be cut into lengths and is to be laid on the 4 sides of the bottom of the heater casing. This will ensure that the unit assembly is free from vibration.
The weight of the HE7237SL/RX, HE7247SL/RX is12kg
The weight of the HE7267SL/RX is 15kg
– Split and remove the shroud
A pair of machine screws hold each shroud half together at each joint. A machine screw secures each shroud half to each appliance beam. Remove these machine screws and slide each shroud half off the appliance base panel. The base panel fits inside the shroud halves. The diffuser is already clipped into and under the base panel and need not be removed.
– Hanging Rod Positions
With the shroud removed the two appliance beams reveal the holes/slots shown and dimensioned below. It is required that two 10 mm hanging rods (stud bars) support each appliance beam. The rods pass through and into each appliance beam. Support washers together with nuts locate and lock the appliance beams after adjustment to level the appliance.
– Replace Shroud Halves
The reverse of the above. Slide shrouds beneath and around the base panel. Secure each shroud half to each appliance beam with machine screws. Screw shroud halves together at each joint.
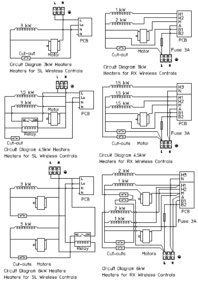
4.1 Electrical Connections.
These units are suitable for connecting a 230/240 Volt 50 Hz single phase supply.
The appliance shall be connected to the
Fig.1 Air discharge of HE7237SL/RX and HE7247SL/RX

ENSURE THE AIR OUTLET OF HE7230 AND HE7245 IS NEAREST TO THE WALL OR CORNER.
Fig.2 Air discharge of HE7267SL/RX

Fig.3 Heater assembly

Electrical Connections.
supply via an appropriate switched fused double pole isolator having a contact separation of greater than 3mm. Test for correct operation and refit the cover.
For connection to the mains supply, it will be necessary to open the terminal cover at the side/ back of the unit to connect the supply from the controls prior to refitting the cover. Wire in accordance to the wiring diagrams.
For safety reasons, a sound earth connection must always be made to the unit before it is put to use. The unit should be wired in accordance with IEE Regulations for the Electrical Equipment of Buildings.
4.2 Electrical connections for SL and RX models

Operation.
5.1 SL models
The heaters HE7237SL, HE7247SL and HE7267SL can be controlled by any CONSORT SL wireless controller. Each SL controller can control any number of heaters providing they are within the RF range. For more details please follow the instructions supplied with the controller.
The heaters will not work without an SL controller.
5.2 RX Models
The heaters HE7237RX, HE7247RX, and HE7267RX must be controlled by a CONSORT wireless RX controller. Each RX controller can control any number of heaters providing they are within the RF range. For more details please follow the instructions supplied with the controller.
The heaters will not work without an RX controller.
Servicing & Maintenance
6.1 Maintenance
ALWAYS ENSURE THAT THE MAIN EXTERNAL ELECTRICITY SUPPLY IS SWITCHED OFF BEFORE COMMENCING ANY MAINTENANCE ON THIS HEATER.
To obtain the best results from the heater, it is essential to avoid the accumulation of dust and dirt within the unit on the air inlet and discharge grilles. For this reason, regular cleaning is necessary.
Cleaning of the fan is best carried out with a soft brush.
The product should be serviced annually.
Servicing shall be undertaken by a competent person.
6.2 General
If the heater does not operate a competent service engineer should be called to identify the nature of the fault.
All heaters are fitted with motor thermal protection. Other faults in relation to the element, motor and wiring should be identified using conventional fault-finding techniques.
In the event that electrical components are replaced, please ensure that electrical safety checks in accordance with the regulations in force in the country of use are undertaken.
6.3 Thermal cut-out
The units are protected from overheating in the event of fan failure or obstruction of the free airflow, by thermal cutouts. If this happens the thermal cutouts switch off the appliance. The appliance will not operate until the heater is disconnected from the main supply and it has cooled down.
If this fault re-occurs again, refer to the section ‘6.4 fault finding’.
6.4 Fault Finding
If the heater will not operate, disconnect it from the mains and arrange for a certified electrician to attend and investigate the reason.
6.5 Replacing the Fan Heater
a) Split and remove the shroud
b) Remove the grille.
c) Disconnect the internal wiring from the blower
d) Remove the four screws fixing the fan heater assembly to the back of the case.
e) The fan heater assembly can now be eased forward and removed from the heater case.
f) Fit replacement fan heater and reassemble in reverse order.
6.6 Spares
It is essential when ordering spares or replacement parts to state the model number and the serial number on the rating label fixed to the side of the unit below the terminal cover.
In the interest of progress the Company reserve the right to vary specifications from time to time without notice. The material listed is offered subject to the Company’s General Conditions of Sale, a copy of which can be obtained on request.

Customer Helpline
Should you need any advice on the use of your new Consort product, or should you require service or repair, please contact our Helpline:
Consort Equipment Products Limited
Thornton Industrial Estate, Milford Haven, Pembrokeshire, SA73 2RT
Tel: 01646 692172
Fax: 01646 695195
Email: [email protected]
Web: www.consortepl.com
Operation hours: Mon to Thu 8.30 am to 4.30 pm | Fri 8.30 am to 3.30 pm
BS EN ISO 9001 Registered Company No FM12671



















