temperzone UC8 Ducted Water Cooled Packaged Air Conditioners
GENERAL
Introduction
- Follow these instructions to ensure optimum performance, reliability and durability.
- Units must be installed in accordance with all national and regional regulations and bylaws.
- National Health and Safety regulations must be followed to avoid personal injuries.
- The appropriate permits must be acquired and adhered to.
- Seismic restraints must be fitted if required.
INSTALLATION
Positioning & Mounting
- HWP units are designed to be used with simple, short duct layouts. Units should be located as close to the space to be air-conditioned as acoustic criteria allow.
- When determining the position of the air conditioner, allow adequate space around the unit to facilitate water pipe/hose connections, future servicing and maintenance.
- Ensure there is enough working space in front of the electrical access panel. Allow adequate clearance for the filter to be withdrawn to its full length.
- Mount the unit using the spring mount system supplied (Fig.1). This system minimizes the transfer of vibration into the building structure.

- If a more rigid installation can be tolerated, then suspend the unit from four threaded rods using locknuts (not supplied), as shown in Fig. 2.

- When finally positioned, tighten the lock nuts on the mounting rods to give a firm installation.
- Alternatively, bolt the unit directly to the ceiling’s sub-structure.
Condensate Drain & Optional Lift-Pump
Mount top of the unit level as it comes with a sloping drain tray. This tray is reversible (ie the drain exit can be at either end of the unit), unless fitting the optional Condensate Lift-Pump, in which case the exit must at the opposite end to the compressor (ie standard orientation). HWP 36–59: The condensate drain is NOT to be ‘U’ trapped outside the unit HWP 78–275: The unit must be mounted with sufficient height for the condensate drain to be ‘U’ trapped outside the unit (see fig.3). Alternatively, fit a condensate lift pump. The drain line must not be piped to a level above the drain tray. The drain line must be maintained at least 19 mm ID along with its full length. A vent pipe is recommended for drain pipes longer than 4 m (refer to figure 2). Check the drain by pouring water into the drain tray and ensuring that it clears, (with the unit operating). Failure to adhere to these instructions could cause flooding.

Air Ducts, Filters and Grilles
Rigid Ducting
- Use appropriately sized insulated ducting with consideration for noise transmission through the ducting. See recommendations at www.temperzone.biz; model search ‘application’.
- Ensure rigid ducting is self-supported by its own hangers and not by the unit.
- If regular access to the unit is easy, the return air spigot integrated filter can be used.
- If the unit is inaccessible then install a return air grille with filter incorporated in the ceiling instead.
- Supply air grilles should be selected and installed to avoid draughts and noise but give good air distribution.
WATER CONNECTION
General
The HWP unit’s IN and OUT water connections are male BSP pipe threaded. The unit can be piped directly or using two temper zone flexible high-pressure water hoses (supplied) which have female pipe threaded connections at each end. Refer Table 2, p8, for minimum bend radius. Poor quality water supply must be pre-filtered and it is essential that adequate water treatment is maintained, particularly where open cooling towers are used.
Note
- It is recommended that the water supply system be fitted with a water flow switch and water flow verification circuit.
- These items prevent the HWP units from going into fail safe lockout status due to a loss of water flow.
- Failure to install the above items could require the resetting of all HWP units in the system – by breaking the power supply to each unit or by Modbus command.
Circuit Balancing Valve
It is recommended that a circuit balancing valve be fitted to maintain water flow at a constant rate. The minimum water flow rates in liters per second (l/s) are stated in the supplied Specifications Datasheet. The HWP unit controller will protect the refrigeration system of the unit under severe operating conditions. On the heating cycle, it protects to ensure the evaporating temperature does not drop below freezing for an extended period. The extreme lowest leaving water temperature needs to be such that the unit does not cut out on protection and will be above approx. 4°C. This can be achieved by a combination of the Entering Water Temperature (EWT) and the reduced flow rate. Water flow needs to be balanced to suit the system design. Refer to Technical Data for acceptable water flow rates and pressure drop data.
Air / Water Flow
Refer to HWP Technical Data pamphlets at www.temperzone.biz for detailed information on air handling performance and water flow rates.
Water Circulating Pump & Flow Verification Option
In order to promote efficiency and avoid running the water circulation pump unnecessarily, the unit’s UC8 Controller can be used to control the activation of the pump prior to running the compressor. After activation of the external water circulating pump, the UC8 waits for the flow verification contact to close before energising the compressor contactor and therefore starting the compressor (refer wiring diagram, p.7). The UC8 also de-activates the pump when the compressor stops.
Water Regulating Valve Control Option
A 0-10V signal is available on output V1 for the control of a water flow control valve (optional; not supplied by temper zone); refer wiring diagram. When used, the valve is closed (0V signal) when the compressor is off. When the unit is cooling the signal will control the valve to obtain an optimum condensing temperature. When the unit is heating (reverse cycle units) the valve is directed fully open (10V signal).
Water Shut-Off Valve Option
This will ensure the water is not flowing through the unit when it is not operational for a long period of time, thereby reducing the overall central pump power usage. The water shut-off relay on the HWP can be used to activate a water shut-off valve (supplied and fitted by others).
WIRING
General
Electrical power wiring must be fitted and certified by persons with appropriate qualifications and certification. A signed ‘Certificate of Compliance’ must be left with the unit for insurance purposes.
Power to Unit
- All power wiring is to be done to the appropriate electrical standard of the country in which the unit is being installed.
- The person installing the wiring is responsible for the correct selection of wiring size and auxiliary components.
- See the Specification Sheet for supply voltage range, frequency, phase and maximum operating current.
- Wire the unit directly from the Electrical Distribution Board.
- The unit should have its own dedicated circuit breaker on the Distribution Board and an isolator switch should be installed in accordance with the applicable wiring regulations.
Control
Room Temperature Controller
(Reverse Cycle Models) The thermostat should be set within the recommended operating range of between 19°C and 30°C. Various options are available to control the air conditioning unit operation.
- Temperzone TZT-100 Wall Thermostat. Refer to www.temperzone.biz for features and installation details; model search ‘TZT-100’. Separate ‘Installer’ and ‘User’ instructions are supplied with the TZT-100 for installation and operation.
- The Temperzone SAT-3 Wall Thermostat. Separate instruction booklets come with the SAT-3 for installation and operation.
Note: HWP units are supplied with SAT-3 compatible Return Air temperature sensors pre-installed in each unit.
To activate the sensor:
- place the SAT-3 in Installer mode by holding down the ‘mode’ and ‘6’ buttons together for 3 seconds,
- scroll to option ‘rt’, then select option number ‘4’,
- press the ‘mode’ button to save the setting.
Additional remote temperature sensors are available separately and can be installed to enhance the system’s functionality. Important: Ensure the remote sensor wires are run separately and away from the main power supply wires, including the interconnecting cable. Refer to www.temperzone.biz for full features and installation details; model searches ‘SAT-3’.
BMS Control, dry contact, and analog inputs:
- the unit controller (UC8) offers facilities to connect a BMS system via a set of no-voltage contacts and 0-10V dc analog signals.
- BMS control is via Modbus over RS485. For a full list of the Modbus control setup, settings and read/write parameters contact Temperzone for details, or visit www.temperzone.biz; model search ‘BMS’.
- Universal 24V ac or 12V dc dry contact thermostat with single or 3 speed fan setting.
UNIT PROTECTION
General
Unit protection is incorporated in the UC8 Controller board. A high-pressure lockout protects the unit in the event of either water flow failure in cooling mode, fan failure in heating mode, or a loss of refrigerant. Units include an anti rapid cycle timer for compressor on/off protection. On HWPSR units the unit’s controller (UC8) protects against freezing of the water within the unit on heating mode. There are optional relay boards available for both a generic fault output and a status indicator. Refer to the UC8 Controller label on the unit for operation & fault diagnostics information, or visit www.temperzone.biz.
Note: Lockout protection can be reset by switching the unit’s power supply off and on. Lockout protection can also be reset by the Modbus connection. For detailed information about control via Modbus RTU refer to document UC8 Modbus communications available at www.temperzone.biz; model search ‘UC8’.
UC8 Controller Options
For more information on the functions, operation,s and options provided by the UC8 Controller (eg thermostat options, remote on/off, BMS control via Modbus over RS485, condensate lift-pump control, DRED, data logging), refer www.temperzone.biz; model search ‘UC8’.
START-UP PROCEDURE
Power
- Check the units are electrically connected in accordance with the wiring diagrams.
- Check all wiring connection and terminal tightness.
- Switch ON the Main distribution board circuit breaker and the local isolator.
- Ensure the thermostat is OFF.
- Check the supply voltage.
Fan
- The fans can be switched ON through the thermostat or BMS by selecting High, Medium or Low fan speed. This can be done without starting the compressor.
- Check the operation of the fan for noise and vibration.
- Check if the airflow is to specification.
Models with EC Fan Motors (Y Series only)
Various options are available if either High speed or Low speed needs adjusting:
- If a SAT-3 wall thermostat is fitted:-
- The maximum and minimum fan speeds can be adjusted through the SAT-3 keypad. Refer to the Installation instructions supplied with the SAT-3.
- To use the UC8 in the unit to adjust the fan speed (applies only when the SAT-3 thermostat is NOT used and when a TZT-100 is used):-
- Ensure the compressor is off and the thermostat or BMS does not request for the compressor to start.
To adjust the fan High-speed press and hold down the SW3 push button on the UC8 circuit board until the display shows:
- ‘0’ [release] ‘1’ [long press] ‘t’; [short press] repeat to find ‘H’, then [long press] to select.
- The fan will start and run at High speed. The display shows the fan control voltage for the High-speed setting; the factory default value is 8.0V.
- Each following press on the SW3 push button increases the indoor fan control voltage in steps of 0.5V, up to a maximum of 10.0V. Pressing the push-button again when value 10.0 is shown returns the fan control voltage down to the minimum value of 3.0V and back up again.
- When the desired setting for high fan speed is displayed, [long press] to select and save. The controller then exits the menu and the fan stops.
To adjust the fan Low speed hold down the SW3 push button on the circuit board until the display shows:
- ‘0’ [release] ‘1’ [long press] ‘t’; [short press] repeat to find ‘L’, then [long press] to select.
- The fan will start and run at the Low-speed setting. The factory default value is 5.0V
- Repeat steps (iv) and (v) to adjust the fan Low-speed setting. The minimum control voltage for Low speed is 1V and the maximum control voltage for Low speed is 8V. (Note: A ‘low’ control voltage of less than 2V is not recommended.) If ‘low’ is set higher than ‘high’, the ‘high’ is made equal to ‘low’.
- Check if the High-speed airflow is to specification. Beware, in tropical (high humidity) conditions care must be taken to select an airflow that does not create water carry-over problems.
- Check if the Low speed is sufficiently low in respect to noise yet without risk of frost on the coil.
Starting the Compressor
- On the UC8 Controller, press and hold the SW3 push button until the display shows:
- ‘0’ [release] ‘1’ [long press] ‘t’; [short press] repeat to find ‘c’, then [long press] to select.
- This Commissioning mode ‘c’ reduces the waiting times at start-up and between cycles.for the next half hour, or until the controller is reset by removing power.
- HWP 142/172/192/255/275 only: Units equipped with high and low-pressure transducers can display the refrigerant pressures on the UC8 display, making it unnecessary to connect gauges). Refer Table 1, p.8.
- Set the thermostat to cooling and wait until the compressor starts.
For 3 phase systems only
- Check for correct rotation of the compressor. If rotation is incorrect the compressor will not pump, be noisy, and will draw a low current. To correct motor rotation, swap two phases at the main power terminals.
- Use a clip-on current meter to record compressor and total run amps during stable operation.
- Check the readings against the specified values on Specification Sheet and record these values on the Commissioning Check List on page 11.
- Use the SW3 push button on the UC8 to cycle through the pressures and temperatures of the system (refer to the display message list on the Commissioning Check List or UC8 unit label)
- Record the Cooling cycle pressures and temperatures on the Commissioning CheckList.
For reverse cycle systems
- Switch the thermostat to Heating Cycle. The reversing valve should engage with a click and the compressor start.
- Let the system stabilize. Note: During commissioning the time between cycles is considerably reduced; if the indoor air coil still holds moisture this may evaporate and some ‘steam’ may enter the room. This is not a fault but a result of the commissioning mode.
- Use the SW3 push button on the UC8 to cycle through the pressures and temperatures of the system (refer to display message list on the Commissioning Check List p.8 or UC8 unit label).
- Record the Heating cycle pressures and temperatures on the Commissioning CheckList.
General Checks
- Check that the air flow over the coil is not restricted and that the fan is running smoothly.
- Check the condensate drain for free drainage by:
- first ensuring all access panels are on,
- running the unit at its maximum design fan speed, and
- pouring some water into each tray.
- Check the supply air flow at each outlet.
- Check the operation of the thermostat or BMS.
- Leave all relevant documentation with the unit.
- Check for leaks at water connections.
- Check for damage to hoses, if fitted, and bends aren’t too tight (refer to Table 2).
CONTROLS
TZT-100 and SAT-3 wall thermostat
- To connect the thermostat to the unit it is recommended to use a shielded twisted pair type cable, suitable for RS485 communications. Signals A and B should form one twisted pair.
Note: The cable shield should connect to terminal ‘0V’ on the UC8 controller only. Do not connect at both ends.
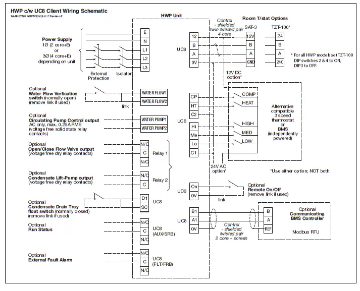
Refer to page 6 for the Client Wiring Schematic
TZT-100 has a set of DIP switches that must be set as follows:
| DIP switch 2 | ON | Equipment type = Heat Pump |
| DIP switch 3 | OFF | Equipment stages = One |
| DIP switch 4 | ON | Reverse cycle valve = Heating |
- Fault code 36 will appear on the UC8 if the DIP switch settings are incorrect.
Communications format for TZT-100 and SAT-3
The communications format must be set as per recommended Modbus RTU:
- Baud rate (bd or br) 19200
- Data bits 8
- Parity Even
- Stop bits (Pa) 1
- TZT-100 address (Ad) 7
- SAT-3 address (Ad) 8
TZT-100: The procedure to check and adjust these settings is:
- Press and hold the O/RIDE button until the display shows the PIN
- Use the UP & DOWN buttons to select PIN code 88:21, then press O/RIDE in installer mode.
- Use the O/RIDE and PROG buttons to cycle through the various installer settings.
- If necessary, refer TZT-100 User Manual for more detail.
SAT-3: The procedure to check and adjust these settings is:
- Press and hold the MODE and 6 button until the display shows the ‘i’ symbol.
- Use the UP & DOWN buttons to cycle through the various installer settings.
- Press MODE button to save any new setting.
- If necessary, refer SAT-3 Installation Guide for more detail.
Control via Modbus RTU communications
Single or multiple HWP units can be fully monitored and controlled via Modbus RTU serial communications. The following is typical for most installations:
- Set DIP switches 11 and 12 OFF on the UC8 controller.
- Connect BMS terminal A / TX+ to terminal A1 on the UC8 controller.
- Connect BMS terminal B / TX- to terminal B1 on the UC8 controller.
- It is recommended to ‘daisy-chain’ the A&B connections using shielded twisted pair type cable, suitable for RS485 communications. Signals A and B should form one twisted pair. The cable shield should connect to terminal ‘0V’ on the UC8 controller.
- To avoid collisions of messages on the RS485 serial communications cable it is necessary to ensure each connected UC8 controller has a unique Modbus device address. Refer to section 7.4 for the procedure.
Example
- For detailed information about monitoring and control via Modbus RTU refer to the document “UC8 Modbus communications” available at www.temperzone.biz; model search ‘UC8’.
Setting the UC8 Modbus device address
To view or change the Modbus device address of a UC8 follow these steps:
- Power up the unit but leave the compressor off.
- Hold down the SW3 pushbutton on the UC8 circuit board until the display shows:
- ‘0’ [release]
‘1’
short press to ‘2,’ [long press]
A, [long press]
- ‘0’ [release]
- The display will show the current Modbus device address. The factory default address is ‘44’. [Short press] the button to select higher numbers, for example press once to change the address to 45, press twice for address 46 and so forth.
- [Long press] to save the chosen address. After address 99 the number returns back to 1.
- The controller returns to the default state.
Run Status / Fault monitoring
UC8 includes a Run Status monitoring output signal. The output is active when one of the following conditions apply:
- the compressor is on
- the indoor fan is on
- the compressor and indoor fan are currently off but the thermostat is on, ie the unit is in deadband, or the compressor may be held off by an internal safety timer or by a protection function.
- A non-specific Fault monitoring output signal is also available. Refer to Troubleshooting (9.7) regarding fault codes.
MAINTENANCE
Weekly For First Four Weeks
- Check air conditioning system air filters; vacuum or wash clean as necessary.
- Check condensate drains for free drainage.
- Check compressor compartment for oil stains indicating refrigerant leaks.
- Check tightness of electrical connections.
- Check quality of water supply.
Monthly
- Check air conditioning system air filters; vacuum or wash clean, or replace as necessary.
Six Monthly
- Check tightness of all fan and motor mountings.
- Check tightness of electrical connections.
- Check that fan motors are free running.
- Check condensate drain for free drainage.
- Check the heat exchanger coil; vacuum or brush clean as necessary.
- Check air supply at diffuser outlets.
- Check for leaks at water connections.
Yearly
- Check air supply at all diffusers.
- Check for excessive noise and vibration and correct as necessary.
- Check for insulation and duct damage and repair as necessary.
TROUBLESHOOTING
Room temperature varies significantly from its setting
- Unit may have been incorrectly sized for the building.
- Drafts from wrongly placed supply air diffusers or from the back of the wall plaque could be affecting the temperature sensor built into the wall plaque.
- Bad air circulation in the room can cause incorrect temperature readings.
Air conditioner does not seem to deliver the heating when most needed
- Heating capacity at design conditions may be incorrect. As the outside temperature falls, heat losses through the walls, floor, and ceiling increase.
- Check the unit’s brochure for information on the minimum/ maximum operating temperatures.
In a new building, why does it take some days before the air conditioning heat pump unit seems to work properly?
- Many new buildings, especially commercial buildings, have a large amount of concrete and other structural materials that are generally cold and full of moisture. This is most evident in the winter when trying to heat the building from scratch.
- Units need to be checked regularly to ensure proper operation and that they are not exceeding operating limits for any length of time.
HWP unit is spitting or leaking water
- Poor drain trapping (most likely cause).
- Check the drain trap/vent/slope before moving on to other possible issues.
- Water carry-over: Reduce the maximum fan speed to the factory default setting.
Air conditioner runs excessively – the temperature remains too hot in summer or too cold in winter
- Windows or doors may be opened to non-conditioned areas.
- Keep doors to unconditioned areas (eg laundries, bathrooms etc.) closed. Note that any doorways on the return air path will need to be kept open, which may mean for example that doors to an unconditioned hallway will need to be kept open.
- Location of wall controller or remote temperature sensor is wrong.
- Check for leaks in supply or return air ductwork.
Unit displays an error code
Refer to UC8 Controller label on the unit for operation & fault diagnostics information, or visit www.temperzone.biz and model search ‘UC8 Controller’. Here you will also find a ‘UC8 Troubleshooting Guide’. For repeated faults, check the unit is operating within the specified water temperature range and conditions outlined in the Specification Sheet.
WARRANTY
Please refer to the separate warranty document supplied with the unit, or visit www.temperzone.biz for details.
Australia
- [email protected]
- [email protected]
- Telephone: 1800 21 1800
New Zealand
- [email protected]
- Telephone: 0800 TZWARRANTY (899 2777)

Table 1, Information available on the UC8 display
| Item | Unit | Abbreviation | Examples |
| Compressor suction line pressure | kPa | SLP | Suction line pressure 1034 kPa |
| Evaporating temperature | °C | Et | ![]() Evaporating temperature 12°C |
| Compressor suction line temperature | °C | SLt | ![]() Suction line temperature 18°C |
| Compressor suction side superheat | K | SSH | ![]() Suction side superheat 6K |
| Compressor discharge line pressure | kPa | dLP | ![]() Discharge line pressure 2447 kPa |
| Condensing temperature | °C | Ct | ![]() Condensing temperature 42 °C |
| Compressor discharge line temperature | °C | dLt | Discharge line temperature 70°C |
| Compressor discharge side superheat | K | dSH | ![]() Discharge side superheat 28K |
| De-‐ice sensor temperature (located on fins of the outdoor coil) | °C | ICEt | De-‐ice sensor temperature 39°C |
| Capacity | % | CAP | ![]() Capacity 100% |
| Expansion valve 1 opening | % | EE1 | ![]() Expansion valve 1 75% open |
| Expansion valve 2 opening | % | EE2 | ![]() Expansion valve 2 75% open |
Table 2 Water Connection Hoses (supplied)
| Model | Hose Type | Part No. | Max. PSI | Min. Bend Radius mm |
| HWP 36–59 | 13 FPT (1/2″) 600mm lg | 060-000-629 | 3000 | 90 |
| HWP 79–142 | 20 FPT (3/4″) 600mm lg | 060-000-630 | 1500 | 150 |
| HWP 192–275 | 25 FPT (1″) 800mm lg | 060-000-631 | 1500 | 150 |
APPENDIX I
PROTECTION FUNCTIONS
The UC8 implements system protection functions such as indoor coil frost, extreme high and low pressures, rapid on-off cycling of the compressors, loss of refrigerant and more. The following applies to all protection functions except where otherwise indicated: Unit operating capacity may automatically be reduced before a protection function is activated. Such a reduction may be sufficient to prevent an actual trip from occurring. When a compressor is stopped by a protection function it is held off for a period of 3 minutes, after which it is allowed to restart (provided the cause of the trip has cleared). When a protection function is active and when a unit is locked out the alarm relay output “FLT” is active. More detailed information about protection functions and troubleshooting refer to the document “UC8 troubleshooting information”, available for free download from the temper one internet website.
High-pressure protection (HP)
- Some HWP units may be fitted with high-pressure switches. These switches connect to UC8 inputs IN#1. When a high-pressure switch activates (the electrical circuit opens) then the compressor is stopped.
- Some HWP units are fitted with high-pressure transducers connected to UC8 input HPT. A compressor is switched off when the discharge line pressure reading exceeds 4238 kPa.
- The display shows the letters ‘HP’ when protection is active.

Low-pressure protection (LP)
- Some HWP units may be fitted with low-pressure switches. These switches connect to UC8 inputs IN#2. When a low pressure switch activates (the electrical circuit opens) then the compressor is stopped.
- Some HWP units are fitted with low pressure transducers connected to UC8 input LPT. A compressor is switched off when the suction line pressure reading falls below 228 kPa.
- The display shows the letters ‘LP’ when protection is active.

Indoor coil frost protection
- When the unit is cooling the evaporating temperature in the indoor coil should remain above -8°C. If this temperature falls below -8°C then ice (frost) likely will form on the indoor coil.
- If the low temperature persists for longer than 6 minutes then the protection function activates.
- When indoor coil frost protection is activated the compressor is stopped for 6 minutes, after which it is allowed to restart.
High discharge line temperature protection
The controller monitors the compressor discharge line temperature via a sensor connected to input ‘DL’ (red wires). The compressor is stopped when:
- The temperature rises above 110°C for longer than 30 minutes.
- The temperature rises above 120°C (immediate action).
- The display shows the message ‘Hi-t’ when protection is active.

High discharge superheat protection
- Discharge superheat is defined as the difference between the compressor discharge gas temperature and the condensing temperature. When this temperature differential becomes very high it is an indication that the compressor is being starved of refrigerant gas.
- Common reasons for this could be a lack of refrigerant (under-charged or loss-of-charge) or a problem with the expansion device (for example a stuck accurate or loose wiring to an EEV).
- The protection is activated when discharge superheat exceeds 45K for longer than 30 minutes.
- The display shows the message ‘Hi-dSH’ when protection is active.

Low discharge superheat protection
- Discharge superheat is defined as the difference between the compressor discharge gas temperature and the condensing temperature. When this temperature differential stays very low it can be an indication that the compressor is being flooded with liquid refrigerant. Common reasons for this could be an excess of refrigerant (over-charged) or a problem with the expansion device (for example a stuck actuator or loose wiring to an EEV).
- The protection is activated when discharge superheat remains below the threshold for longer than 15 minutes. The threshold varies linearly from 0K at standard mode minimum capacity (40%) to 10K at nominal capacity (100%).
- This protection function is disabled when a compressor operates at less than standard mode minimum capacity (< 40%).
- The threshold for a variable speed compressor operated in boost mode (capacity above 100%) is fixed at 10K.
- The display shows the message ‘LO-dSH’ when protection is active.

High evaporation temperature / high suction line temperature protection
When the unit has a low pressure transducer connected to the compressor suction line then the controller calculates the evaporating temperature from the suction line pressure reading. If the unit does not have a low-pressure transducer then the controller finds the evaporating temperature via a coil temperature sensor (input IC when the unit is cooling, input OC when the unit is heating, yellow wires). Additionally, the controller monitors the compressor suction line temperature via a sensor connected to input ‘SL’ (white wires). The protection function stops the compressor when:
- The evaporating temperature remains above 27.5°C for longer than 15 minutes.
- The suction line temperature remains above 30°C for longer than 15 minutes.
- The display shows the message ‘Hi-SL’ when protection is active.

Other alarms
The controller performs many other protection functions. For example:
- Signals from sensors and transducers must remain inside normal operating range.
- Modbus RTU communications with connected devices (e.g. TZT-100 or SAT-3 thermostat, a Carel Power+ inverter) must continue uninterrupted.
- Modbus RTU communications with a controller such as a BMS that is controlling the unit must continue uninterrupted.
- Refer to document ‘UC8 Troubleshooting Guide’ for details.
Lock-out
Each protection function has a trip counter. A trip counter is reset to 0 whenever the compressor run request is removed. Any trip that has occurred more than 12 hours ago is removed from the trip count. For some protection functions, when the trip counter reaches value 3 (i.e. three consecutive trips occur) then the unit is “locked out”. When a unit is locked out the compressor is not allowed to start. Lock-out is designed to protect the compressor from repeatedly starting when a serious fault exists that requires the attention of a service technician. The display shows the code of the fault that caused the lock-out condition. A unit that is locked out can be unlocked using any one of the following methods:
- Remove mains power from the unit for at least 3 seconds, then restore power.
- Issue an ‘unlock’ command via Modbus RTU serial communications.
- Reset the controller via Modbus RTU serial communications.
UNIT CONTROLLER

| Faults | |
| LP | Low-pressure protection active |
| HP | High-pressure protection active |
| HI-t | High-temperature protection active |
| LO-t | Water freeze protection |
| nO-FLO | Circulating water flow protection |
| FLOOd | Sump condensate protection |
| FROSt | Indoor coil frost protection active |
| HI-SL | High suction line temperature protection active |
| Hi-dSH | High discharge superheat protection active |
| OL | Overload protection active |
| F11 | Indoor fan fault |
| F12 | Low pressure transducer fault |
| F13 | High pressure transducer fault |
| F14 | Suction line temperature sensor fault (SL) |
| F15 | Discharge line temperature sensor fault (DL) |
| F18 | Indoor coil temperature sensor fault (IC) |
| F19 | Ambient temperature sensor fault (AMB) |
| F20 | Superheat unknown |
| F21 | Thermostat communication lost |
| F22 | BMS communications lost |
| F26 | Error reading DIP switch settings |
| F27 | Invalid fan selection |
| F29 | High controller temperature |
| F30 | Supply voltage out of bounds |
| F32 | Controller internal communication problem |
| F34 | Problem with pressures or transducer readings |
| F35 | Reverse cycle valve fault |
| F36 | Invalid dip switch settings on TZT-100 thermostat |
| F39 | Variable speed compressor driver fault |
| F40 | Compression ratio is too high |
| F41 | Compression ratio too low |
| F42 | Evaporating pressure/temperature too high |
| F43 | Condensing pressure/temperature too low |
| Display Messages (Normal Operation) | |
| UC8 X.X.X | Name and software version (shown only after power-on) e.g. 1.5.2 |
| dF | Digital scroll or fixed speed compressor |
| dELAY | Unit waits for a random delay time (up to 25s, shown only after power-on) |
| • (flashing) | Normal mode |
| – (flashing) | Unit is OFF by Remote On/Off signal |
| c | Commissioning mode (lasts for 30 minutes) |
| t | Test mode (lasts about 1 minute) |
| HOLd | Compressor held-on or held-off by a timer |
| dr | DRED energy consumption restriction active |
| H | Indoor fan High-speed selection |
| L | Indoor fan Low-speed selection |
| E | Compressor model selection |
| A | Modbus device Address selection |
| Monitoring of pressures and temperatures. Press the push button to cycle through the following options (round-robin fashion): | |
| • or c | No temperature display (default) |
| sLP | Suction line pressure (kPa) |
| Et | Evaporating temperature (°C) |
| SLt | Suction line temperature (°C) |
| SSH | Suction side superheat (K) |
| dLP | Discharge line pressure (kPa) |
| Ct | Condensing temperature (°C) |
| dLt | Discharge line temperature (°C) |
| dSH | Discharge side superheat (K) |
| ICEt | Outdoor coil de-ice sensor temperature (°C) |
| CAP | Unit capacity (%) |
| EE1 | Expansion valve 1 opening (%) |
| EE2 | Expansion valve 2 opening (%) |
Commissioning Check List
- Site Name/address: ……………………………………………………………………………………………………………………………………………………..
- Installing Company ………………………………………………………………………………………… Date: ………………………………………………….
- Serviceman: ………………………………………………………………………………………………… Tel: ……………………………………………………
- Model: ………………………………………………………………. Serial No: ………………………………………… Unit Site Ref: ………………………..
| Units is installed level? | Y / N | Return air filter fitted? | Y / N | |
| Mounting springs adjusted & balanced? | Y / N | Is air flow set and balanced? (Max. V ) | Y / N | |
| Drain trap fitted (if applicable)? | Y / N | Are UC8 controller parameters set? | Y / N | |
| Water drains tested okay? | Y / N | External electrical isolator fitted? | Y / N | |
| Water connections checked? | Y / N | Refrigerant leak cheaked? | Y / N | |
| Do units have adequate safe access? | Y / N | Certificate Of Compliance issued? | Y / N | |
| All electrical terminals are tight? | Y / N | Has client had controls demonstrated? | Y / N | |
| Thermostat type: | BMS / SAT-3 / TZT-100 / Other? (name): | |||
Mark UC8 dip switch positions with an ‘X’
| SW1 | SW2 | |||||||||||||||||
| 1 | 2 | 3 | 4 | 5 | 6 | 7 | 8 | 9 (1) | 10 (2) | 11 (3) | 12 (4) | 13 (5) | 14 (6) | 15 (7) | 16 (8) | |||
| On | On | |||||||||||||||||
| Off | Off | |||||||||||||||||
Record the following UC8 monitored conditions, at least 10 minutes after compressor starts, using push button SW3 (repeat to scroll through list):
Cool Cycle
| Low Pressure: | SLP | kPa |
| Evap temperature: | Et | °C |
| Suction Line temperature: | SLt | °C |
| Suction Superheat: | SSH | K |
| Discharge Line Pressure: | dLP | kPa |
| Condensing temperature: | Ct | °C |
| Discharge Line temperature: | dLt | °C |
| Discharge Superheat: | dSH | K |
| De-ice Sensor temperature: | ICEt | °C |
| Required Capacity: | CAP | % |
| Expansion Valve 1: | EE1 | % |
| Expansion Valve 2: | EE2 | % |
| Return air temperature: | °C |
| Supply air temperature: | °C |
| Entering Water temperature: | °C |
| Leaving Water temperature: | °C |
| Compressor amps: | A |
| Total amps: | A |
| Input voltage: | A |
Heat Cycle
| Low Pressure: | SLP | kPa |
| Evaporating temperature: | Et | °C |
| Suction Line temperature: | SLt | °C |
| Suction Superheat: | SSH | K |
| Discharge Line Pressure: | dLP | kPa |
| Condensing temperature: | Ct | °C |
| Discharge Line temperature: | dLt | °C |
| Discharge Superheat: | dSH | K |
| De-ice Sensor temperature: | ICEt | °C |
| Required Capacity: | CAP | % |
| Expansion Valve 1: | EE1 | % |
| Expansion Valve 2: | EE2 | % |
| Return air temperature: | °C |
| Supply air temperature: | °C |
| Entering Water temperature: | °C |
| Leaving Water temperature: | °C |
| Compressor amps: | A |
| Total amps: | A |
| Input voltage: | A |
- Water temperature difference should be: Cooling: 5–7°C, Heating 3–5°C
Branches
Auckland
- (Head Office and Manufacturing)
- Sydney
- (Australian Head Office and Manufacturing)
Wellington, Christchurch
- Brisbane, Melbourne, Adelaide
- Singapore, Shanghai
Distributors
- Perth, Hobart, Newcastle
- Singapore, Shanghai, Beijing, Jakarta, Hong Kong,
- Sri Lanka, Mauritius, Bangalore, Bangkok, Hanoi,
- Cambodia, South Pacific Islands, Bangladesh





































