Broughton EAP MCSe14.6-21 Water Cooled Air Conditioner

WARNINGS
These instructions should be read by

- Failure to follow these instructions may result in risk of personal injury or damage to the equipment.
- Damage due to a failure to follow these instructions will invalidate the warranty.
- The appliance must be serviced by qualified engineers in compliance with local regulations.
- The appliance must be switched off and disconnected from the power supply before any work is carried out.
- There are no user controls inside the appliance casing.
- Do not place anything on top of the appliance.
- An air gap of at least 300mm should be allowed at the front of the unit to ensure a clear airflow.
- Do not disconnect the appliance from the supply under load.
- For internal use only. Do not use out of doors.
- Extension cables should be correctly rated for the load, fully unwound and never run through water or over sharp edges.
- Always transport and store in an upright position.
- The fan motor on the external heat exchanger is electronically controlled and is liable to start and stop without notice.
- Maximum operating temperature 35 C.
- Minimum operating temperature 15 C.
- This is a class 1 appliance and must be Earthed.
- The system is supplied with a ‘water only’ test charge. To protect the system from corrosion and frost damage Propylene Glycol must be added prior to use.(See P10) Damage due to the failure to add Propylene Glycol will invalidate the warranty.
- Serious risk of injury! Do not support the exterior heat exchanger by means of the flexible lines.
- The air-conditioning process produces condensate (water) during operation.
This condensate is pumped away from the main unit along a flexible clear line within the connecting hose assembly and is deposited to the outside from the bottom of the exterior heat exchanger. Care should be taken when positioning the exterior heat exchanger with regard to this.
![]() | ![]() | This appliance contains an A2L refrigerant classified as mildly flammable. Always read the user and service manual before operation. The MCSe14.6 contains a dual refrigeration system. Two separate refrigeration circuits. Each circuit contains a minimal charge that does not require a minimum room size for safe operation. |
WARNING.
Do not use means to accelerate the defrosting process or to clean, other than those recommended by the manufacturer.
The appliance shall be stored in a room without continuously operating ignition sources (for example: open flames, an operating gas appliance or an operating electric heater.
Do not pierce or burn.
Be aware that refrigerants may not contain an odour.
TECHNICAL SPECIFICATIONS. MCSe14.6-21
| Cooling capacity | 14.6 kw |
| Power supply | 230v. 1P.50Hz.32A. |
| Running current at 35 degrees /40% humidity | 22A |
| Refrigerant. | R454C. 750g per circuit. 1500g total charge. |
| Weight main cooling unit (wet). | 160 kg |
| Weight external heat exchanger unit | 47.6 kg |
| Maximum permissible refrigerant pressure. | 370 psi |
| Maximum water temperature. | 60 °C |
| Main cooling unit noise level. | 65 dB (A) |
| External heat exchanger unit noise level. | 65 dB (A) |
| Main unit airflow. Maximum. | 2200m3/h |
| External heat exchanger airflow. | 6200 m3/h |
| Minimum operating temperature. | 15 °C |
| Maximum operating temperature. | 35 °C |
| Maximum connection hose length | 35M |
| Maximum height of outdoor unit above indoor unit. | 5M |
| IP rating. Indoor unit | IP2X |
| IP rating. Outdoor unit | IP24 |
| Dimensions H/W/D Indoor unit | 1308/805/382mm |
| Dimensions H/W/D Outdoor unit. | 103315821505mm |
| GWP | <150 |
System description
The MCSe14.6 is a water cooled split portable air conditioning unit.
It is connected to a 32 Amp. 230Vac. 50Hz power supply and comes fitted with the appropriate plug.
It is recommended that the supply to the machine should be protected by a 30mA RCD
The system comprises a main indoor cooling unit, an external heat exchanger and a connecting hose assembly.
The indoor cooling unit is fitted with an automatic condensate pump as standard.
The water cooled split system uses water as a medium to remove heat generated during the cooling process to the external heat exchanger and then to the air. It is therefore important that the external heat exchanger is not sited in the same area as the main indoor cooling unit. The system has a minimum operating temperature of 15 C and a maximum operating temperature of 35 C and comes fitted with a digital thermostat.
The water cooled split can run up to a maximum of 35M of connection hose. The external heat exchanger should never be sited more than 5M vertically above the main unit.
Protection for the refrigeration system is provided by automatic high and low pressure safety switches within the machine. The operation of these switches is indicated by lamps on the fascia panel. (See page9)
The appliance is fitted with an automatic defrost which will periodically stop the fans on the external heat exchanger.
Installation
Site the main cooling unit and external heat exchanger in the desired locations. Ensure the locking castors are engaged on the main unit and external heat exchanger before operation.
Connect the main cooling unit to the external heat exchanger and connect to the power supply
The main cooling unit, external heat exchanger and connecting hose assembly are fitted with auto-sealing water connectors to minimize water loss during connection and disconnection. It should be noted that some water loss will occur.
The female water connectors have a sliding ring which must be pulled back to make the connection. This will snap back into place once the connection has been made.(see page 7)
The water connectors are situated at the rear of the main cooling unit.
- Fit the water connectors to the main unit.
- Fit the electrical connector to the main unit.
- Fit the clear condensate hose into the push-fit connector on the main unit. (see page 6)
IT SHOULD BE NOTED THAT THE ELECTRICAL CONNECTORS ARE GENDER SPECIFIC AND WILL ONLY CONNECT TO THE APPROPRIATE FITTINGS. PLEASE CHECK THE CORRECT PLUG IS AT THE CORRECT END. TO DISCONNECT THE ELECTRICAL CONNECTORS DEPRESS THE GREY LOCKING PIN AND WITHDRAW THE CONNECTOR. - Run the connecting hose assembly to the external heat exchanger in as smooth a run as possible, avoiding kinks and possible restrictions to water flow to a maximum of 35M.
- Fit the water connectors to the external heat exchanger.
- Fit the electrical connector to the external heat exchanger.
- Fit the condensate clear hose to the hose on the external heat exchanger.
MULTIPLE CONNECTION HOSE ASSEMBLIES CAN BE RUN IN SERIES SHOULD THIS BE REQUIRED TO A MAXIMUM OF 35M.
TO AVOID LEAKS CHECK THAT ALL CONNECTIONS ARE PUSHED FULLY HOME. - Connect the mains lead to the power supply.
Water and electrical connections

Auto-sealing water connectors
- Pull locking ring back.
- Push connector fully home.
- Release the locking ring.
- Check the connection is secure.

Operation
- Turn the fan switch from 0 to 1 to start the fans on the main cooling unit. Set the fans to the desired speed using the variable fan speed controller. It should be noted that the cooling fans may take a few seconds to start.
- Turn the Cooling switch from 0 to ‘I’ to start the compressor and water pump. It should be noted that the compressor and pump will not start if the fans are not running. The compressor will not start if the ambient temperature is below 15 C. The compressor is fitted with a start delay timer and will not run for 3 minutes from activation of the cooling switch. This device is designed to protect the compressor from repeated start/stop cycles. The compressor delay is activated each time power to the compressor is switched off, be that at the wall socket, the rocker switches or the digital controller.
- Set the digital thermostat to the desired temperature (This is the ‘set point’). During normal running the digital thermostat read-out shows the ambient temperature of the room. (See P8 for setting the digital thermostat)
- The MCSe14.6 is fitted with adjustable cold air louvres. Adjust these to your preferred angle.
- It should be noted that the appliance will start in defrost mode.
Setting The Digital Thermostat
How to see the set point
- The set point is the minimum temperature the air-conditioner will operate down to.
- To see the set point push and immediately release the SET key: the display will show the set point value.
- Push and immediately release the SET key or wait for 5 seconds to display the ambient room temperature.

How to change the set point
- The appliance comes factory set at 15 C.
- Push the SET key for more than 2 seconds to change the set point value.• The value of the set point will be displayed and the ” C” LED starts blinking.
- To change the set point value push the up or down arrows within 10 seconds. The minimum set point is 15 C.
- To memories the new set point value push SET key or wait for 10 seconds.
Control Panel

Low pressure warning:
This lamp will be illuminated if there is a loss of refrigerant gas. The machine should not be operated if this lamp activates. This will automatically shut down the compressor.
High pressure warning:
This lamp will be illuminated when the refrigeration system pressure is too high. (see fault finding). This will automatically shut down the compressor.
Adding Propylene Glycol prior to first use
Ensure the machine is disconnected from the power supply before following this procedure.
Ensure that all local regulations are adhered to when using Propylene Glycol. The water cooled split has a fluid capacity of approximately 13 liters when fitted with a single 5M connection hose assembly. Each extra 5M hose assembly contains approximately 2.8 liters of water.
It is recommended that a 25% Glycol to 75% water mix is used. This can be increased to 50% when the external heat exchanger is located in a very cold environment.
Failure to add Glycol could result in costly damage to the machine and will invalidate the warranty.
- Connect the connection hose assembly to the main cooling unit only.
- Depress the spring loaded nipple on the male connector at the end on the hose assembly into the base of a bucket or similar container.
- Bleed approximately 3 liters of water into the bucket.
- Remove the filler cap at the rear of the machine and add approximately 3 liters of Propylene Glycol to the tank.
- Ensure that the tank is not over filled. Over filling can cause excess water to be expelled to the environment through the condensate pump.
- The water tank is full when the fluid is approximately 100mm below the top of the filler spout.
- Replace the filler cap.
The appliance is now ready for installation and operation.
Rear of main cooling unit
Male water connector
Maintenance and upkeep
Maintenance and service work should only be carried out by competent technicians with experience and qualifications in the handling of A2L refrigerants.
The appliance should always be disconnected from the power supply before any work is carried out.
Before maintenance work is carried out all technicians should:
a) Carry out safety checks to ensure the risk of ignition is minimised.
b) Operate with controlled procedures to minimize the risk of flammable gas or vapor being present while work is carried out.
c) Ensure all staff in the local area are instructed in the nature of the work being carried out.
d) Not work in confined spaces.
e) Check work areas with an appropriate leak detector prior to and during work to minimize the risk of flammable atmospheres.
f) If any hot work is being carried out an appropriate fire extinguisher should be available to hand. Either Co2 or dry powder.
g) All possible ignition sources should be kept sufficiently far away from the work area.
h) Adequate ventilation shall be provided when breaking into the refrigerant system. The ventilation should safely disperse any released refrigerant to the external atmosphere.
i) When replacing electrical components only spare parts specified by the manufacturer shall be used.
j) Electrical work should be preceded with initial safety checks:
i) All capacitors need to be discharged in a manner that avoids sparks.
ii) No live electical components or wiring should be exposed while charging, recovering or purging the system.
iii) There is continuity of earth bonding.
k) Under no circumstances should potential sources of ignition be used in the searching for or detection of refrigerant leaks.
l) On discovery of a leak all refrigerant should be removed before a repair is carried out. The manufacturer recommends purging the circuit with an inert gas before brazing.
m) Before charging ensure the refrigeration system is earthed.
Routine checks
- Regularly check the fluid level in the water tank and top up if necessary.
- Check and clean the evaporator and external heat exchanger coils. Build up of dust and dirt can severely effect the performance of the machine. Clean with compressed air.
- Regularly inspect the mains cable and plug for signs of damage or wear. Do not operate the machine with a damaged mains cable.
- Check that the castors are running freely and that the breaking mechanisms are working correctly.
- Inspect the connection hose assembly for signs of wear or damage. Replace if necessary.
Troubleshooting Guide
PROBLEM | POSSIBLE CAUSE | SOLUTION |
| Machine fails to operate | Power Failure | Check unit is connected to the power supply. |
| Check plug fuse for failure and correct 13A Machine fails to operate rating. | ||
| Check Building circuit is not overloaded. | ||
| Condensate pump faulty | Check condensate pump. Replace if necessary. | |
| Poor cooling performance. | Cooling not selected | Switch cooling on |
| Thermostat set incorrectly. (Higher than ambient room temperature) | Reset the thermostat. Page8. | |
| Coils dirty | Clean coils. See Maintenance | |
| Filters dirty. (where fitted, optional extra) | Clean filters. | |
| Hose connection assembly over 35M | Reduce the length of the hose assembly. | |
| Air inlet grills obstructed | Remove obstruction. | |
| Water flow restricted | Check the connection hose assembly for Water flow restricted kinks or blockages. Check all water connections are correctly fitted. | |
| Water pump failed | Check and replace pump. | |
| High or low pressure switch activated. | See below. | |
| Water leaking. | Clogged drain hose to condensate pump. | Remove blockage and clean triparty. |
| Water connections incorrectly fitted | Check all connections and make good. | |
| External heat exchanger located poorly | Move the unit to an area where draining condensate will not cause a problem. | |
| Damaged water hoses | Check all hoses and replace where necessary. | |
| Compressor stops working. | Input voltage too low. | Check line voltage. |
| High or low pressure switch activated. | See below. | |
| High pressure warning lamp illuminated. | Water tank empty | Check tank and refill if necessary. |
| Ambient room temperature above the maximum of 35°C. | Check temperature read-0ut on the digital thermostat. Do not run until room cools below35°C. | |
| Water flow restricted | Check all water connections and ensure they are correct. Check hoses for signs of restrictions and re-route if necessary . | |
| Water pump failed | Check pump and replace. | |
| External heat exchanger fan faulty . | Check electrical connections on the hose connection assembly. Replace the fan if necessary. | |
| Low pressure warning lamp illuminated. | Refrigerant loss. | Contact supplier. |
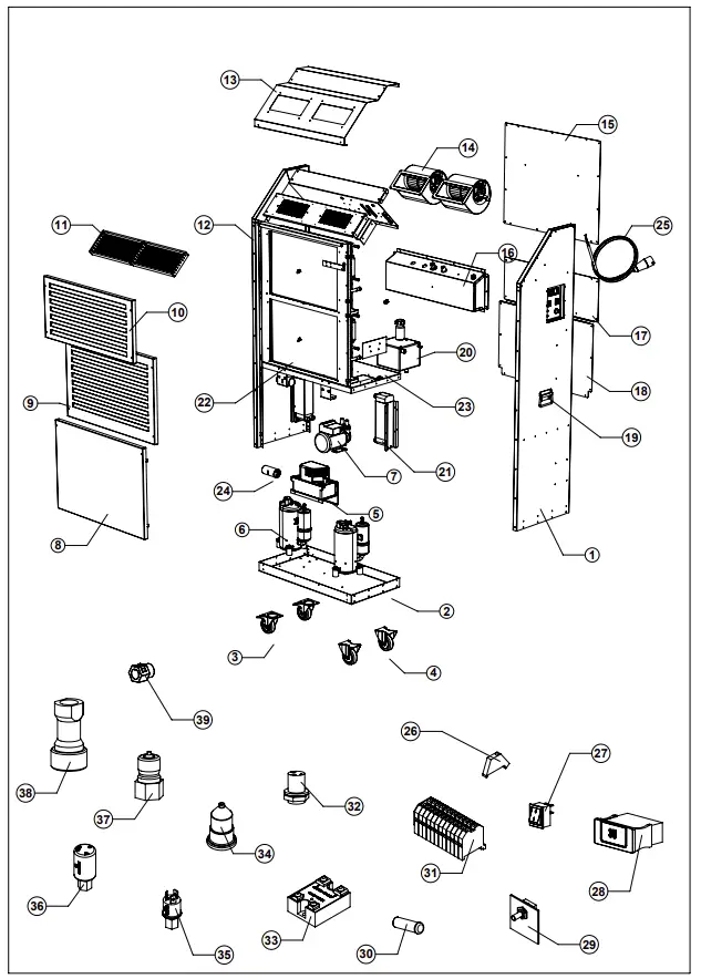
MCSe14.6-21 Main cooling unit. Spare parts

External heat exchanger. Spare parts

MCWS500-17 Spare parts

MCSe 14.6-21 Live circuit

MCSe14 6-21 Neutral/ Earth circuit

DX Unit wiring . MCSe1 4.6-21

PH45 Water pump

Condensate pump curve

Condensate pump flow rates.(l/h).
Veirtical discharge head | Total tubing length | |||
| 5m | 10m | 20m | 30m | |
| 1m | 380 | 300 | 240 | 190 |
| 2m | 310 | 260 | 200 | 150 |
| 3m | 240 | 200 | 145 | 110 |
| 4m | 150 | 130 | 80 | 60 |
| 5m | 30 | 20 | 0 | 0 |




Rear of main cooling unit
Male water connector















