SE264TD1 60cm Touch Control Ceramic Hob
Instruction Manual
Presentation

Installation
Minimum distances 
Units in mm
| A | B | C | D |
| 600 | 510 | 560 | 490 |
Minimum distances
STANDARD INSTALLATION SYSTEM
SMEG Oven
Units in mm
FAST-CLICK SYSTEM

SMEG Oven
Safety warnings:
If the ceramic glass breaks or cracks, immediately unplug the hob to avoid electric shocks.
This appliance is not designed to work with an external timer (not built into the appliance) or a separate remote control system.
Do not steam clean this device.
The device and its accessible parts may heat up during operation. Avoid touching the heating elements. Children old must stay away from the hob unless they are permanently supervised.
This device may solely be used by older, people with impaired physical, sensory or mental abilities, or those who are lack of experience and knowledge, ONLY when supervised or if they have been given adequate instruction on the use of the device and understand the dangers its use involves. User cleaning and maintenance may not be done by unsupervised children.
Children must not play with the device.
Precaution. It is dangerous to cook with fat or oil without being present, as Never try to extinguish this event disconnect the device and cover a plate or a blanket.
Do not put any object on the cooking areas of the hob.
Prevent a possible “If the mains cord is damaged, should be replaced by the manufacturer or its after sales service” away
CAUTION: Use only cooktop protectors appropriately designed by the household manufacturer or the protectors already used in this appliance.
The use of inappropriate protectors could cause accidents.
Installation
Emplacement with cutlery drawer If you wish to mount furniture or a drawer under the hob, a separation board must be fitted between the two. Accidental contact with the hot surface of the device’s housing is thus prevented.
The board must be fitted 20 mm under the bottom cover of the hob.

Electrical connection
Before you connect the hob to the mains, check if the voltage and frequency match those specified on the hob label, which is placed under the hob or on the Guarantee card, or if applicable on the technical data sheet, which you must keep together with this manual throughout the product’s service life.
The electrical connection will be via an all-pole circuit breaker or plug, whenever accessible, in accordance with the current and with a minimum 3mm distance between contacts. This ensures disconnection in emergencies and allows hob cleaning.
Only the SMEG official technical service can handle or repair the appliance, including replacement of the power cable.
Ensure that the inlet cable does not come into contact with the hob housing or the oven housing, if it is installed in the same unit.
Warning:
The electrical connection must be properly grounded, following current regulations, otherwise the hob may malfunction.
Unusual high power surges can damage the control system (like with any electrical appliance).
Keep the Guarantee Certificate or the technical data sheet together with the instructions manual throughout the product’s service life. These contain important technical information.
Maintenance
User Instructions of the
Touch Control
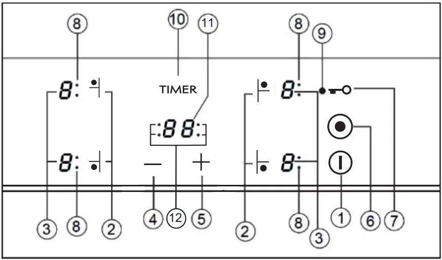
HANDLING ELEMENTS (fig. 2)
- On/off touch key.
- Hot plate selection touch keys.
- **Power and/or residual heat displays.
- “Decrease” power touch key.
- “Increase” power touch key.
- Double bumer selection touch key (double hot plate).
- Locking touch key for the rest of touch keys.
- **Hot plate double zone indicatior (only next to double burner hot plates).
- “Lock icon.
Timer touch key. - “Timer display
- The timed cooking surface indicator
* Depending on model
** Only visible while running.
The manoeuvres are done by means of the touch keys. You do not need to exert force on the desired touch key, you only need to touch it with your fingertip to activate the required function.
Each action is notified by a beep.

SWITCHING ON THE DEVICE
When the hob is connected for the first time, it will be locked and the related pilot light (9) will be on. To unlock it, first touch locking touch key *°(7) until the pilot light (9) switches off.
1 Touch the switching on touch key ® (1) for at least one second.
The Touch Control is activated anda 0 appears with 50% brightness on all the power displays (3).
If any zone has residual heat indication before switch on ,the display continue s showing “H” instead of 0.
If you do not take any action in the next 10 seconds the touch control will switch off automatically.
SWITCHING ON A HOT PLATE
Once the Touch Control has been activated by means of the touch key ® (1), the power indicators of the hot plates will display a 0 (3).
1 Press the touch key for the selected hot plate (2). The related power indicator ( 3 ) will be activated and brightness of indicator will increase.
2 Using the touch key — or + (4/5), choose the desired power level.
The — and + touch keys are repetitive, so if you keep them pressed they increase or decrease with a 0.5 second interval.
Only one hot plate can be selected at the same time
Warning:
To operate a hot plate, it must be selected first. When you want to use a hot plate,check the brightness of the power indicator.After choosing hot plate, brightness of power indicator should increase.
Quick switch-on at maximum power: Once you have selected the hot plate, press the touch key — (4) once. The hot plate will be activated at full power.
SWITCHING OFF THE HOT PLATE
- The hot plate must previously be selected.
- Using the touch key — (4), lower the power level to 0.
Quick switch-off alternatives :
i) If user keep finger on the selection sensor for 2 seconds, the related zone will be switched off. ye you press touch keys — and
(4/5) simultaneously, the hot plate will switch off quickly.
RESIDUAL HEAT INDICATOR
The power indicator of the hot plate will display an H when the glass surface reaches a temperature that could cause buming.
When this risk disappears,
i) the display switches off (if the device is in stand by),
ii) or displays 0 (if the appliance is still running).
Warning:
In afirst run, H indication may appear in a short time on the power display.
This showing is related with setup operation and it does not mean the cooking zone is hot.
Warning:
H indication is used for the safety purposes in any case. Even if the power is cut off for along time, after power on, H indication appears.
SWITCHING OFF THE DEVICE
The device can be switched off at any time by pressing the general on/off touch key ©(1). In standby mode an H will appear in the zones that are hot.
The rest of the displays will not light up.
Double burner hot plate
If your cooker has this option, the double burner hot plate offers the possibility of using the inside ring or also, in addition, the outside one, depending on the size of the pot or pan.
SWITCHING ON THE DOUBLE HOT PLATE
- The related hot plate must be selected.
- Select the desired power (from 1 to 9) using the touch key — or + (4/5).
- Press the double hot plate touch key (6) to activate the double bumer. When the double zone will be activated, double zone indicator (8) light on.
SWITCHING OFF THE DOUBLE HOT PLATE
- The key, by which its double bumer hot plate was switced on previously is selected.
- Press the double hot plate touch key 6) to deactivate the double burner. The double bumer indicator (8) will light off and the outer ring will be deactivated
Locking of the touch keys of the cooking hob
To prevent undesired manipulation you can lock the entire unit, except for the on/off touch key, using the locking touch key ~° (7). This function is useful for child safety. When the lock is activated, the lock indicator light (9) comes on.
However, remember when the touch control is on, the on/off touch key ® (1)allows you to switch it off, even if the lock is activated (the lock indicator light (9) on).
On the other hand, if the touch control is switched off, the locking function does not allow the on/off touch key © (1) to be used.
To deactivate the locking function, press the locking touch key *°(7) once again. Lock indicator (9) light off and touch control will be ready for use.
CHILD LOCK
The child lock is different and more complicated than key lock. User can activate key lock via one sensor. But child lock need a sensor sequence.
The Child Lock is being used to prevent children from turning on the hob. Activating Child Lock :
- The hob is switched on via Oa )On/ Off touch key,
- Any zone should not be selected. When any zone is not selected, + (5) Increase power touch key and (4) decrease power touch key and minus sensors is hold for 3 seconds at same time. At the end of this period, a short buzzer sound is heard
- After buzzer signal , the *°(7) locking touch key is touched (there is no need to keep press for a long time) and a long buzzer sound is heard and the Child Lock will be activated and all power display shows “L”.
During Child Lock, if user touch any sensor (Main sensor included) , “L’” will flash on display.
Warning : Child lock status is not being stored. If the energy of the hob is butted, child lock status could not be preserved.
Deactivating Child Lock :
To be able to deactivate Child Lock, the Child Lock should be activated before and all power display show “L”
- + (5) Increase power touch key and (4) decrease power touch key and minus sensors is hold for 3 seconds at same time. At the end of the this period, a short buzzer sound is heard,
- After buzzer signal , is touched to the *°(7) locking touch key (there is no need to keep press for a long time) and a long buzzer sound is heard and the Child Lock will be de activated and “Indication will be light off.
Flash Cooking
(Automatic cook start)
This function facilitates cooking as you do not need to be present while it is being done. The touch control pre- programmes the chosen hot plate at the maximum power and subsequently lowers it to the desired power level (which you have selected) after an approximate amount of time (seetable 1)
| Selected power | Automatic Cook Start Function |
| 0 | 0 |
| 1 | 60 |
| 2 | 180 |
| 3 | 288 |
| 4 | 390 |
| 5 | 510 |
| 6 | 150 |
| 7 | 210 |
| 8 | 270 |
| 9 | – |
SWITCHING THE AUTOMATIC
COOK START FUNCTION ON
- The hot plate must be selected.
- Select power 9 and then press power touch key + (5).After using the touch key you must lower the continuous cooking power to the desired level, (for example 6). When the automatic cook function starts “A” indication flashes with desired power level on the display.
SWITCHING THE AUTOMATIC
COOK START FUNCTION OFF
After at least 10 seconds have elapsed since the beginning of the automatic cook start function:
- The hot plate must be selected.
- Press touch key + (5) till the indicator reaches level 9 and the automatic cook start function will be deactivated.
Timer Function
This function makes it easier to cook, as you do not need to be present throughout the process: the timed hot plate(s) will switch off automatically after the set time has lapsed. There is a separate timer for each hot plate, which allows all of the hot plates to be timed simultaneously.
With these models you can use the clock as a timer for the hotplates for times ranging from 1 to 99 minutes. All the cooking areas can be programmed individually and in a simultaneous manner.
TIMING ONE HOTPLATE
- The cooking zone to be timed must be selected.
- Select a power level for the hotplate from 1 to 9 using the touch keys + or (5/4).
- Pressclock touch key TIMER (40). Timer indicator (11) will display 00. Depending on the model, the timed cooking surface indicator (12) will flash.
On the power indicator (3), will flash during the time set. - Immediately afterwards, enter a cooking time between 1 and 99 minutes, by using the touch keys or — + (5/4).
When the power indicator (3) stops flashing, it will start to count down the time automatically. The respective timed hotplate disolay (11) will continueflashing.
Or, when the countdown starts, the relevant power level and __ will flash alternately on the power indicator (3) of the relevant heater area.
When the clock reaches 01, it will switch from counting down minutes to seconds.
Once the selected cooking time has elapsed, the heating zone being timed is turned off and the clock emits a series of beeps for several seconds. The timer indicator will display a flashing 00 beside the hotplate that has been disconnected.
If you wish to time another hotplate at the same time, repeat steps 3 and 4.
If the heating zone tumed off is hot, its indicator displays an H or otherwise an 0. To tum off the audible signal touch any sensor.
CHANGING THE PROGRAMMED TIME
To change the progrmmed time, you must press the touch key of the timed hotplate (2) to select it and then the clock TIMER (10). You may then read and change the time.
DISCONNECTION OF THE TIMER
If you want to stop the timer before the programmed time is up
- First select the hotplate and then press clocktouch key TIMER (40),
- Use the touch key — (4) to recude the time to 00. The clock is cancelled.
Alternative method :
After zone selection if timer touch key is pressed for two seconds, the related timer will be cancelled.
Safety switch off function
If due to an error one or several hot plates do not switch off, the appliance will be automatically disconnected after a set amount of time (see table 2).
Table 2
| Selected power level | MAXIMUM OPERATION TIME (in hours) |
| 1 | 10 |
| 2 | 5 |
| 3 | 5 |
| 4 | 4 |
| 5 | 3 |
| 6 | 2 |
| 7 | 2 |
| 8 | 2 |
| 9 | 1 |
When the “safety switch off’ function has been triggered, a 0 is displayed if the glass surface temperature is not dangerous for the user or an H if there is a burn risk.
To reconnect the appliance, switch it off by pressing the on/off key Oi ) and then switch it on again.
Keep the control panel of the heating areas clean and dryat all times.
In case of operating problems or incidents not mentioned in this manual, disconnect the appliance and contact the SMEG technical service.
Recommendation for the good use of vitroceramic hobs
- Use pots or pans with thick, completely flat bottoms.
- Pans with a smaller diameter than the shown heating area are not recommended.
- Do not slide pots and pans over the glass as they may scratch it.
- Although the glass can withstand knocks from large pots and pans without sharp edges, try not to knock it.
- To prevent damage to the ceramic glass induction surface, try not to slide the pots and pans over the glass, and keep the bottoms of the vessels clean and in good condition.
Try not to spill sugar or products containing sugar on the glass while the surface is hot as these could damage it.
Cleaning and maintenance
To keep the appliance in good condition, clean it using suitable products and implements once it has cooled down. This will make the job easier and avoid the build-up of dirt Never use harsh cleaning products or tools that could scratch the surface, or steam-operated equipment.
A pot or pan may become stuck to the glass due to a product having melted between them. Do not try to lift the pot while the hot plate is cold! This could cause the glass break.
Do not step on the glass or lean on it as it could break and cause injury. Do not use the glass as a surface for putting objects. SMEG reserves the right to make changes to its manuals that it deems necessary or useful, without affecting the product’s essential features.
Environmental considerations
The symbol
on the product or its packaging means that this product cannot be treated like ordinary household waste. This product must be taken toa recycling collection point for electrical and electronic appliances. By ensuring that this product is disposed of correctly, you will avoid harming the environment and public health, which could happen if this product is not handled properly. For more detailed information about recycling this product, please contact your local authority, household waste service or the store where you purchased the product.
The packaging materials used are environmentally-friendly and can be recycled completely. Plastic components are marked >PE<, LD<, >EPS<, etc. Dispose packaging materials, like household waste, in your local container.
If something does not work
Before calling the technical service, perform the verifications specified below.
The appliance does not work:
Ensure that the power cable is plugged in.
The pot sticks to the glass:
If there is molten material between the pot and the glass, set the hot plate to maximum power and try to separate them.
Single Sensor Error :
If any of the sensors is active more than 10 seconds, this error situation occurs and error code”F 1” is showed.
This error can be related with different roots. One of them is that there may be an object (fork, knife…) on the any of the sensor.
Make sure that there is no any object on the control unit, hob glass is wiped with a dry cloth. If error situation continue after this solution, please take out plug or switch off fuse switch for 10 second.
Plural Sensor Error:
If more than 2 sensors are sensed at same time, this error situation occurs and error code”F2” is displayed.
Potential root reasons of the problem :
- There may be an object(pot…) or water accumulation(overflow liquid from pot…) that cover more than 2 sensors
- Touch control location may exposure more heat or steam (from oven bottom of the hob…)
Please be sure that there is no any object on the sensors and switched off all steam and heat sources. Then,hob glass is wiped with a dry cloth. If error situation continue after this solution, please take out plug or switch off fuse switch for 10 second.
FC Error:
Fc message on the control and the hot plates switch off: Overheating in the electronics. Let thestove cool for a while.














