Ti-sales B9,C9 Electronic Metering Pumps

SECTION 1 – INTRODUCTION
The Series B9 and C9 electronic metering pumps offer an extensive range of features, including microprocessor control for accurate and flexible automation in response to instrument signals. The microprocessor design employs a customized liquid crystal display (LCD) and tactile response keypad. The “state-of-the-art” surface mount electronics are fully encapsulated to ensure protection in its working environment. All external inputs and outputs are opto-isolated from the microprocessor.
This manual supplement describes programming and operation. It also describes details of the pump’s external inputs and outputs and how they are connected.
For complete details on Installation, Maintenance and Troubleshooting, please refer to Electronic Metering Pumps Manual (P/N 1615).
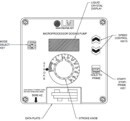
Figure 1. LMI® Series Electronic Metering Pump
SECTION 2 – UNPACKING
Please reference Section 2.0 “Unpacking Check List” found in the instruction manual-Electronic Metering Pumps 1615.
SECTION 3 – FEATURES
- Stroke frequency adjustment from 0 SPH (strokes per hour) to 100 SPM (strokes per minute)
- Internal (manual) or external mode select
- Flexible slope adjustable response to mA input signals
- Divide or multiply (batch) incoming pulses (1 to 999)
- Batch accumulate option
- Integral blowdown controller feature
- Keypad locking
- Low-level shutoff with alarm output
- Programmable flow monitoring with alarm output (with FM-459 DIGI-PULSETM)
- 6-level pressure control.
- Continuous non-volatile memory (EEPROM)- no battery required
- Remote ON/OFF control
- Pulse (pacing) output
- Automatic line voltage compensation and over voltage protection
- Programmable menu for optional features/parameters
- Serial communication interface option for computer control (LIQUICOMMTM)
SECTION 4 – HOW TO INTERPRET THE MODEL NUMBER
The silver data plate (located on the front of the pump) tells you how your pump is configured.

Figure 2a. Data Plate
Included on the data plate is the model number of the pump. Each number in the model number represents the following in Figure 2b

Figure 2b. Part Number Representation
SECTION 5 – PRE-INSTALLATION AND INSTALLATION INSTRUCTIONS
CAUTION:
- SPECIFIC PRECAUTIONS SHOULD BE TAKEN WHEN WORKING WITH ALL LMI® METERING PUMPS
- PLEASE READ SECTION 3.0 IN THE ELECTRONIC METERING 1615) FOR PRE-INSTALLATION PUMPS MANUAL INSTRUCTIONS (P/N)
- FOR COMPLETE INSTALLATION INSTRUCTIONS, SEE SECTION 4.0 IN THE SAME MANUAL
SECTION 6 – ACCESSORIES

Figure 3. External Input and Output Connections
NOTE: For specific descriptions of pump inputs and outputs, see Appendix A in the rear of this manual.
OPTIONAL 8-PIN CABLE ( P/N 33738)
The optional 8-pin external cable assembly can be used to control stroke frequency in response to a 0 to 20 mA or 4 to 20 mA instrument signal. It provides an input for “flow monitoring.” This cable assembly also provides output signals for pacing (pulse output), alarm (general) and computer alarm.
NOTE: If a 0 to 20 or 4 to 20 mA signal is the only signal functioning, it is suggested that you use the Milliamp Input Cable.
Figure 4. 8-Pin Cable (P/N 33738)
| PIN | WIRE | SIGNAL |
| 1 | Red | +15V Output |
| 2 | Black | +15V Ground |
| 3 | Violet | +0-20 or 4-20 mA (+) Input |
| 4 | Green | -0-20 or 4-20 mA (-) Input |
| 5 | Orange | Pulse Output |
| 6 | Yellow | Alarm Output |
| 7 | Brown | Flow Input |
| 8 | Blue | Computer Alarm Output & Computer Output |
Table 1. Pin Out Table – 8- Pin Cable (P/N 33738)
OPTIONAL 4-PIN CABLE (P/N 33796)
The optional 4-pin external cable is used for connecting incoming pulse or pacing signals such as those triggered by a manual switch, reed switch, opto-coupler or by NPN or PNP transistors. The remote ON/OFF input is also accessed through the standard 4-pin connector.

Figure 5. 4-Pin Cable (P/N 33796)
| PIN | WIRE | SIGNAL |
| 1 | White | +15V Output |
| 2 | Black | Pacing input |
| 3 | Green | +15V Ground |
| 4 | Red | Remote ON/OFF & Computer Input |
Table 2. Pin Out Table – 4- Pin Cable (P/N 33796)
OPTIONAL “HALL EFFECT” CABLE (P/N 33833)
An optional cable assembly is available for pacing your pump directly from an LMI® Flowmeter fitted with a Hall Effect sensor. This cable connects to the Flowmeter as shown in Figure 6 (there is no need for a Programmable Divider; its function is built into the pump).
LMI® PUMP
Figure 6. Optional “Hall Effect” Cable (P/N 33833)
LIQUICOMMTM COMPUTER INTERFACE PACKAGE
The optional LIQUICOMMTM package may be used to control and monitor up to 32 pumps from a computer over a serial RS485 interface as shown in Figure 7. Please contact LMI® for further details.

Figure 7. LIQUICOMMTM Computer Interface
SECTION 7 – KEYPAD/DISPLAY: DESCRIPTION AND FUNCTION

Figure 8. B9 Keypad
LCD SCREEN
The LCD screen is the window in which all values and menu choices are displayed (see Figure 9)

Figure 9. Liquid Crystal Display
START/STOP
The (Start/Stop) key turns the pump on or off. If the pump is not running, pressing this key will cause the pump to start running. The symbol appears on the display while the pump is running. Each time the pump strokes, the symbol clears. If the pump is running, pressing the (Start/ Stop) key will stop the pump. The (Start/Stop) key is also used to prime the pump as described on page 11.
UP AND DOWN KEY
Use the (Up) and (Down) keys when: changing the stroke frequency; altering the pressure level; activating and deactivating the keypad lock; programming the divide and multiply values and milliamp response; accessing the setup menu; and changing certain parameters included in the setup menu. All of these functions are covered in greater detail later in this supplement.
MODE KEY
Use the (Mode) key when: changing to or from external or internal mode; accessing the pressure level; activating and deactivating the keypad lock; and accessing specific advanced features in the setup menu.
SECTION – 8 OPERATION OF THE SERIES B9 AND C9
These pumps feature EEPROM nonvolatile memory. The pump will always power up in the last used mode. When shipped from the factory the pump will power up in the “Internal” (manual) mode, with the pump OFF and a speed setting of 100 SPM.
NOTE: If the power to the pump is cut less than 15 seconds after the last programmed values have been set, the latest changes will NOT be stored in nonvolatile memory. Allow at least 15 seconds before disconnecting from power to ensure that the latest changes are stored.
PUMP START/STOP
Press the (Start/Stop) key to start or stop the pump. When the pump is OFF, the LCD screen will alternate between INT and every 16 seconds. When you start the pump, the symbol appears on the LCD INT MIN . Each time the pump strokes, the symbol disappears. Press the (Start/Stop) key again to stop the pump.
NOTE: “INT” signifies that the pump is in the “Internal” (Manual) mode.
SPEED
The speed may be changed with the pump ON or OFF. To increase or decrease the speed, press or hold the (Up) or (Down) key. The range runs from 0 SPH to 100 SPM. While normally the speed will be set in SPM, if settings of SPH are desired, hold the (Down) key until the display reads 0, then continue to hold it for an additional three (3) seconds. The display will then show H60, which is 60 SPH. The speed can be further reduced to 0 SPH with the (Down) key.
For example:
PRIMING
The priming function allows a fixed-time prime period of one (1) minute and enables priming of the pump in either Internal or External control modes. The priming function overrides the need for an external signal to cause the pump to stroke while in the External mode. Press and hold the (Start/Stop) key for three (3) seconds. The pump will start running at a speed of 60 SPM. If desired, alter the speed as noted above. The pump will stop one (1) minute from the time the (Start/Stop) key was last pressed, or you can stop the pump by pressing the (Start/Stop) key again. The display alternates between the pump speed and MIN
NOTE: Flow Monitoring (see page 16) is inactive in the Prime mode.
PRESSURE LEVEL CONTROL
The maximum pressure rating of your pump can be adjusted to reduce pulsation shock in your discharge line. The pumps have a 6- point pressure control scale. The minimum setting is 0 and the maximum is 5. To access the pressure setting, press the (Mode) key and (Up) key at the same time and hold for two (2) seconds. The current pressure setting may be altered MIN using the (Up) or (Down) keys. The pressure may be changed with the pump ON or OFF and in either Internal or External mode.
KEYPAD LOCK
The pump has two (2) lock modes to prevent casual tampering. The small “LOC” de-activates all key functions except (Start/ Stop) and Prime. To activate this “LOC” mode, press the (Mode) key and (Down) key at the same time and hold for two (2) seconds. The LCD will read for five (5) seconds and then return to the previous display. This display re-appears when any key except the (Start/Stop) key is pressed. The large “LOC” disables all keypad entries, including Start/Stop. Activate this by pressing the Mode, Down, and Up keys at the same time and holding for two (2) seconds. The LCD will read for five (5) seconds and then return to the previous display. This display re-appears whenever any key is pressed. To de-activate either lock mode, press the (Mode) key and (Down) key at the same time, and hold for two (2) seconds. The or will disappear.
LOW-LEVEL SWITCH (P/N 29190 OR 29190E)
When the Low-Level Switch is fitted to the pump and a fault condition exists, the “E1” error code will flash on the LCD screen
NOTE: For more information on the Low-Level Switch, see the Low- Level Switch Assembly information sheet (P/N 1368) and page 19 of this supplement.
When a fault condition exists, the pump is stopped and the alarm and computer alarm lines are activated to allow remote monitoring. After clearing the fault (by filling the tank), the pump will automatically restart.
SECTION 9 – EXTERNAL CONTROL MODES
To access the pulse divide, pulse multiply or milliamp response, the pump must be changed from Internal (manual) mode to External mode. To do this, first be sure the pump is stopped. Press the (Mode) key and hold it for three (3) seconds. The LATA screen displays the last External mode that was programmed. If this is the first time the pump has been put in the External mode, the factory default will be displayed on the LCD screen. The factory default mode is “External Pulse Divide” with a divide value of one (1). The display will alternate between SPM and OFF.
External Mode Select: Pulse Divide, Pulse Multiply, and mA Response Any of three external modes may be selected when the pump is stopped by pressing and holding the(Mode) key and (Start/Stop) key for five (5) seconds, then releasing. As noted above, the default is Pulse Divide. Pressing and releasing these keys brings you to the Pulse Multiply mode EXT x. In this mode, the LCD screen alternates between the pulse multiply value and OFF. Pressing and releasing these keys one more time brings you to the third external mode, mA response. In this mode the LCD screen alternates between SPM and the mA value.
Summary of External Mode Select

PROGRAMMING THE PULSE DIVIDE VALUE
The divide value is altered by using the (Up) and (Down) keys. To do this, the pump must be in the External Divide mode and be OFF. The valid range for the divide value runs from 1 to 999. With the pump running in the Divide mode, the speed in SPM is calculated based on the rate of incoming pulses and the divide value, and displayed on the LCD screen.
NOTE: If the calculated speed is less than one (1) SPM, the LCD screen will display 0 SPM. If the calculated speed is GREATER THAN 100 SPM, the E3 error code will be displayed periodically until the fault condition is corrected This error does NOT activate the alarm outputs or stop the pump.
PROGRAMMING THE PULSE MULTIPLY (BATCH) VALUE
The multiply value is altered by using the (Up) and (Down) keys to change the value. The pump must be OFF and in the External Multiply mode. Like the divide value, the valid range for the multiply value runs from 0 to 999 pulses. When the pump is ON, a single external pulse will initiate a batch of pump strokes. The number of remaining pulses are displayed on the LC screen When 0 is reached, the display resets to the multiply value. The pump is now ready for another pulse input. If a pulse is received before the countdown to 0 is complete, the E4 error code is displayed, and the pump batch count resets to the programmed multiply value. The batch countdown then continues from its programmed value. As the countdown continues, the E4 error code will be displayed intermittently until the fault is corrected. The strokes that remained from the first batch are NOT accounted for. To clear the fault display, the pump must be stopped and restarted.
NOTE: To allow true flow proportioning, the speed in the Multiply mode is equal to the speed set in the Internal (manual) mode. That is, if the Internal mode speed is set at 60 SPM, in the External Multiply mode the pump counts down at 60 SPM.
BATCH ACCUMULATE
The Batch Accumulate function allows you to opt to have any extra input pulses received in the multiply mode accumulate up to a maximum batch of 999. If Batch Accumulate is enabled and a pulse is received during the countdown, the programmed multiply value will be added to the current displayed value. Pulses causing the maximum batch of 999 to be exceeded will result in an E4 error message. When Batch Accumulate is enabled, the LCD screen alternates between the current multiply value and “ACC”. The Batch Accumulate function is activated in the Setup Menu. (see “Advanced Features and Setup Menu” on page 16).
PROGRAMMING THE MA RESPONSE
The pump accepts a 0-20 mA or 4-20 mA signal directly. The response to this signal is fully programmable. In the mA mode, the pump speed is determined by the programmed response curve, as defined by points “P1” and “P2.” The factory default set values for P1 and P2 are (4 mA, 0 SPM) and (20 mA, 100 SPM) respectively. This is illustrated in Figure 10. While in the mA mode, the pump speed and the mA value are displayed alternately every four (4) seconds while the pump is running.
PROGRAMMING POINTS 1 AND 2 (SPM)
To program points P1 and P2, first ensure the pump is in the mA mode and OFF. If you wish to program the response in “SPM”, switch to the internal mode. The speed must be set to a SPM value . Return to the External mA mode.
Figure 10
Press either the (Up) or (Down) key. The LCD screen will display. After five (5) seconds, the display will show the mA value for P1. This value may be altered using the (Up) or (Down) key within five (5) seconds (i.e.) . Five (5) seconds following the last key press, the stroke rate for P1 will be displayed. This value may be altered within five (5) seconds using the Up or Down key (i.e.) Five (5) seconds after the last key press, the mA value for P2 is displayed. Edit as describe din the above paragraph (i.e. ). Likewise, five (5) seconds after the last key press the stroke rate for P2 is displayed. Edit as described above (i.e.).The above examples would result in the inverse control profile shown in Figure 11.

Figure 11
If the mA input goes below the value programmed for P1 or above the P2 value, the response will “plateau,” as indicated by the dotted lines above.
NOTE: The time (1.8 minutes from Example #1) shown corresponds to the factory set timing range. The valid input range is from 0.5 to 21 mA. Below 0.5 mA, the pump will be off. Above 21 mA, the E5 error code will be displayed intermittently.
PROGRAMMING POINTS 1 AND 2 (SPH)
If you wish to program the response in strokes per hour, start by being in the External mA mode. Next, switch to the Internal mode. If the Internal setting is in strokes per minute, change to strokes per hour by holding the (Down) key until the display reads 0 SPM. Continue to hold it for another three (3) seconds. The display will now read SPH. Set the speed to any SPH value (the actual setting has no bearing on mA response). Return to the External mA mode.
In the External mA mode, pressing the (Down) key or (Up) key will change the display to. After five (5) seconds, the display will show the mA value for P1. This value may be altered by using the (Up) key or(Down) key within five (5) seconds (i.e).Five (5) seconds following the last key press, the stroke rate for P1 will be displayed. This value may be altered within five (5) seconds using the (Up) or (Down) key (i.e.)Five (5) seconds after the last key press, the MA value for P2 will be displayed. Edit as described above (i.e.). The above example would result in the inverse control profile shown in Figure 12.
Figure 12
NOTE: When programming strokes per hour, the maximum rate is 60. P1 and P2 must BOTH BE SPM or BOTH BE SPH.
NOTE: The valid input range is from 0.5 to 21 mA. Below 0.5 mA, the pump will be off. Above 21 mA, the E5 error code will be displayed intermittently
Advanced features such as Batch Accumulate, Computer Interfacing, Automatic Voltage Compensation, Flow Monitoring and Integral Blowdown may be selected and altered in the Setup Menu of the Series B9 and C9. The following configuration chart describes each menu item, its description, and available settings.
| Menu Item | Description/ Function | Setting | Notes |
| Software Revision | Read Only | ||
| 1 | Batch Accumulate | 0 = Disable 1 = Enable | Applies to External Multiply mode |
| 2 | Computer Communication | 0 = Disable 1 = Enable | Allows computer interface to be established with LIQUICOMM™ software. Remote Start/Stop and Computer Alarm lines are used in communication. |
| 3 | Automatic Voltage Compensation | 0 = Disable 1 = Enable | Becomes active two (2) minutes after power up. |
| 4 | Flow Monitoring | 0 = Disable 1 = Enable | Used in conjunction with FM-459 DIGI-PULSE™ Flow Monitors. “Flow” displayed and flashes with each pulse from FM-459. |
| 5 | Flow Monitoring Pulse Detection Pulse Detection Setting |
1 to 255 | Sets the number of missing pulses before alarm output is activated. Menu item number is not included with LCD display. This setting is displayed irrespective of Menu Item 4 setting. |
| 6 | Input Pulse Width | 0-15 | Allows pulse widths of 1 to 60 mSec to be set. Setting of 0 gives a denounce time of approximately 1 mSec. |
| 7 | Integral Blowdown | 0 = Disable 1 = Enable | Allows Activation of the integral blowdown feature. |
| 8 | Integral Blowdown Solenoid ON Time (Seconds) | 0 to 255 | Set solenoid ON time in seconds. |
| 9 | Integral Blowdown Pump ON Time (Seconds) | 0 to 255 | Set pump ON time in seconds. |
| Note: Allow 15 seconds after programming before disconnecting from power to ensure latest changes are stored in nonvolatile memory. | |||
To access the Setup Menu, ensure that the pump is OFF and in the Internal mode. Using the (Up) key, bring the stroke rate to 100 SPM. At this point, keep the (Up) key pressed for five (5) seconds. The LCD screen then displays the current software revision, indicating that you have entered the Setup Menu mode. Press the (Mode) key to scroll through the Menu Items. Use the (Up) or (Down) key to enable or disable menu functions and program values. To exit the Menu mode, press the (Start/Stop) key. Or, if no keys are pressed for 13 seconds, the display reverts to.
Menu Item 1: Batch Accumulate Enable / Disable
Batch Accumulate may be enabled (1) or disabled (0). Use the (Up) or(Down) key to change the selection.
Menu Item 2: Computer Communication
Press the Mode key to get to Menu Item 2,Computer Communication. Setting the value to one (1) enables computer communication using the LIQUICOMMTM Interface Box and Software.
NOTE: When Computer Communication is enabled, the Remote Start/ Stop and Computer Alarm lines are deactivated and used for the computer communication link.
Menu Item 3: Automatic Voltage Compensation
Menu Item 3 enables (1) or disables (0) automatic voltage compensation. This unique feature allows a constant power level to be delivered to the EPU of the pump, even when the voltage of the external power source is fluctuating. This results in smooth pump output in spite of fluctuating voltage and prevents overheating.
NOTE: Automatic voltage compensation becomes active two minutes after power up.
Menu Items 4 and 5: Flow Monitoring
This feature is used in conjunction with the LMI® Series FM-459 DIGI-PULSETM Flow Monitor (refer to DIGI-PULSETM Flow Monitor Instructions P/N 1708). This device is designed to monitor the output flow from a pump. It may be set to deliver a pulse signal output for each successful pump stroke registered. If the flow stops or lessens, the pulse outputs will cease. With the FM-459 connected to the flow monitor input, the presence or lack of pulses can be detected (see Figure 13).
Figure 13
Press the (Mode) key a fourth time and then the (Up) or (Down) key to allow flow monitoring to be enabled (1) or disabled (0). When flow monitoring is enabled, “Flow” is displayed on the LCD screen. Again, pressing the (Mode) key displays the number of missing pulses to be detected. This may be set to any value from 1 to 255. The factory default is 8. A setting of 1 is the most sensitive, a setting of 255 the least sensitive.
For example, if the setting is 5, and five (5) strokes of the pump occur without any pulse being received from the FM-459, the LCD screen will display an E2 error code. The pump will stop, and the alarm outputs will be activated (i.e.). Pressing the (Start/Stop) key clears the error.
NOTE: The word “Flow” blinks every time the B9 or C9 receives a signal from the DIGI-PULSETM. This serves as an aid in setting up the DIGI-PULSETM itself .
Menu Item 6: Input Signal Pulse Width (Debounce)
Menu Item 6 determines the “debounce” period (pulse width) to be applied to incoming pulse (pacing) signals. The default value is 15, which corresponds to a debounce value of 60 mSec. Each unit corresponds to approximately 4 mSec. This means that in order to be recognized, an input signal must be at least 60 mSec in duration. This setting may need to be reduced from its maximum setting for high frequency input pulse signals such as those from a Hall Effect flowmeter.
Menu Items 7, 8 and 9: Activate the Integral Blowdown Feature
These Menu Items will require additional accessories and customer supplied components. For complete details please refer to B9 and C9 with Integral Blowdown (P/N 1753).
This Integral Blowdown feature provides cooling tower control from your LMI® microprocessor pump when used in conjunction with a pulse output type flowmeter (batch mode) or 4-20 mA signal (milliamp mode). These signals can then be input into the pump to provide activation of both the pump and a customer supplied solenoid valve.
NOTE: LMI®’s Relay Pack, Model RP-100A, must be ordered separately to provide power to the customer supplied solenoid.
A. Batch Mode
Programming Menu
| Menu Item | Description / Function | Setting |
| 1 | Batch Accumulate | 0 = Disable or 1 = Enable |
| 7 | Integral Blowdown | 1 = Enable |
| 8 | Solenoid ON Time | 0 to 255 (Seconds) |
| Select “INT” mode and set the manual strokes per minute. | ||
| Select “EXT X” (multiply) mode (batch mode) and program stroke count. | ||
On receipt of a pulse from the flowmeter, the pump strokes the programmed number of pulses. The batch value (multiply [X] value) and manual SPM determines the length of time the pump will be on.
On receipt of a pulse from the flowmeter, the solenoid valve is opened. The solenoid remains open for the length of time programmed in Menu Item 8. If another flowmeter pulse is received before the above is completed the solenoid ON time is extended by the time programmed in Menu Item 8.
B. Milliamp Mode
Programming Menu
| Menu Item | Description / Function | Setting |
| 7 | Integral Blowdown | 1 = Enable |
| 8 | Solenoid ON Time | 0 to 255 (Seconds) |
| 9 | Pump ON Time | 0 to 255 (Seconds) |
| Select EXT mA mode (milliamp mode) and program the mA response (Point 1 and Point 2) | ||
The pump strokes at a rate determined by the mA input signal for the length of time determined by Menu Item 9. The solenoid remains open for the length of time programmed in Menu Item 8 of the menu. The cycle time for this operation is determined by the longer of solenoid ON time or the pump ON time.
APPENDIX A: INPUT/ OUTPUT DESCRIPTION
4-PIN CONNECTOR Pacing (Pulse) Input / Opto-isolated Input: Methods of Triggering Series B9 and C9 Pumps.
Reference: 4-Pin Cable (P/N 33796)
NOTE: Switch or transistor must be capable of switching 2 mA at 15 VDC. When in the Divide mode, the switch must close then open to trigger. Minimum time in low impedance state (i.e. switch closed) is 60 mSec by default. Setup Menu Item 6 sets this value in multiples of 4 mSec. Example: Default = 4 x 15 = 60 mSec.
Remote ON/OFF (Opto-isolated Input):
Switching this line to ground starts the pump. Releasing this line, stops the pump. The (Start/Stop) key will always override the Remote Start/Stop.
Reference: 4-Pin Cable (P/N 33796)
NOTES: Switch must be capable of switching 2 mA at +15 VDC. Minimum time in low impedance state (i.e. Switch closed) is approximately one (1) second.
Low-Level Input (P/N 29190 and 29190E)
Opening the float switch (i.e. breaking the line from ground) stops the pump and activates the alarm output.
NOTE: Switch must be capable of switching 2 mA at +15 VDC.
Minimum time in low impedance state (i.e. switch closed) is approximately 1 second. (For use with LMI® Float Switches [P/N 29190 and 29190 E]. For further information, please refer to instructions included with the switches and to page 11 of this supplement.)
8-PIN CONNECTOR Analog 0-20 mA Input:
| SIGNAL | WIRE |
| +0 to 20 mA | White |
| -0 to 20 mA | Black |
| +0 to 20 mA | Violet |
| – 0 to 20 mA | Green |
This is reverse polarity protected with a 22 Ohm impedance, a resolution of 0.1 mA and an accuracy of +/- 0.2 mA typically.
Flow Input (Opto-isolated Input) (See also Flow Monitoring on page 16):
NOTE: If an FM-459 is used, use the DIGI-PULSETM phone jack. If some other device is used, this function can be accessed as shown below.
Reference: 8-Pin Cable (P/N 33738)
Switch must closed for approximately three (3) mSec and then open for the input to be accepted (i.e. switch to ground, then release).
NOTE: Switch must be capable of switching 2 mA at +15 VDC.
15V Output: The +15V Output (pin 1 Red) is regulated and capable of delivering 30 mA current.
Alarm Output:
This is an opto-isolated open collector Darlington pair capable of switching 25 mA at +24 VDC to within 1V of ground typically.
Reference: 8-Pin Cable (P/N 33738)
The output pair turns ON when an alarm condition occurs (i.e. low level or missing pulse) and remains ON until the alarm condition is cleared.
Application: Relay Switching
Computer Alarm Output:
This is an op to isolated, open collector output capable of switching 2 mA at +24 VDC to within 0.4V of ground typically.
Reference: 8-Pin Cable (P/N 33738)
This output tracks the alarm output (i.e. the conditions for activating and de-activating this output are the same as for the alarm output).
This output may be used to directly switch small loads such as computer inputs and low current LEDs. It may also be used to initiate switching of larger loads if suitable buffer circuitry is provided.
Application: Low Current LED Switching
This is an opto-isolated, open collector output capable of switching 2 mA at +24 VDC to within 0.4V of ground typically.
Pacing Output (Opto-isolated Output):
Reference: 8-Pin Cable (P/N 33738)
The output transistor turns ON at the start of a stroke and remains ON for approximately 100 mSec.
APPENDIX B: SUMMARY OF ERROR MESSAGES
Is caused by a Low-Level fault with a Low-Level Switch connected to the pump. The pump is stopped and the alarm outputs are activated. This operates in all Internal and External modes. The pump automatically restarts when the fault is cleared.

Indicates that the pump has lost prime (or the flow has reduced) when an FM200-9 is connected and Flow Monitoring is enabled. Again, the pump is stopped and output alarms activated. Restart the pump when the fault is cleared.

Is displayed in the External mode if the stroke rate exceeds 100 SPM. The pump is NOT stopped and NO alarm outputs are activated with this fault. To stop E3 flashing, clear the fault condition, then stop and restart the pump.
Is displayed in the External X (Batch) mode in two situations: 1) If “Batch Accumulate” is disabled and a pulse signal is received while the pump is counting down. The pump is not stopped, and the alarms are not activated. To clear the E4 message, the pump must be stopped and restarted. 2) If “Batch Accumulate” is enabled and the cumulative batch value exceeds 999, E4 will be displayed. The E4 message can only be cleared if the pump is stopped and restarted.
Is displayed in the mA External mode if the mA input value exceeds 21.0 mA, whether the pump is running or stopped. Again, the alarms are NOT activated. Once the mA signal goes below 21.0 mA, the E5 error message is cleared.
LMI® is a registered trademark of Milton Roy, LLC.
DIGI-PULSETM is a trademark of Milton Roy, LLC.
LIQUICOMMTM is a trademark of Milton Roy, LLC.
© 2015, 2010 Milton Roy, LLC.
[email protected]
www.lmipumps.com


















