AGROWTEK ADi Pumps AgrowDose Intelligent Peristaltic Metering Pumps

Specifications:
- Power: 24Vdc, 1Amp
- Pump Heads: 1, 2, 4, 5, or 6 Variable
- Flow Rate: AD350: 260-480mL/min
- Tubing Material: FDA Approved Norprene
- Tubing Size: 5/16 O.D. x 3/16 I.D.
- Max Outlet Pressure: 25psi
- Minimum Dose Size: AD350: 5mL
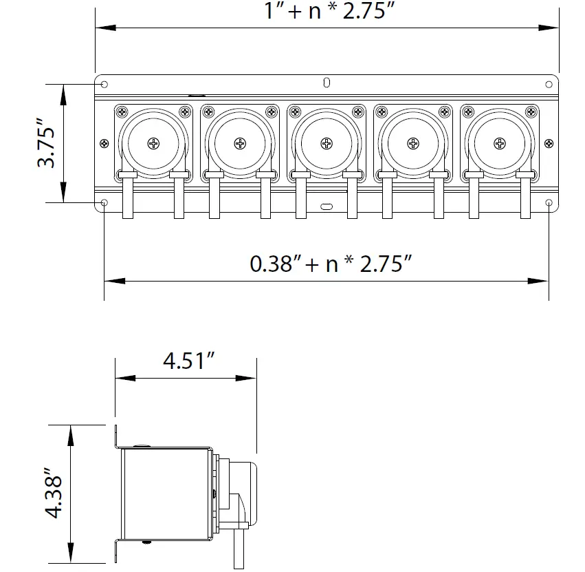
Dimensions:
- Mounting Holes: dia. 0.201
- n = number of pump heads

Installation Instructions:
Mount the pump on a vertical wall surface using the holes in the mounting flanges. The center flange hole may be used to hang and level the pump, however, the corner screw holes should be used for final mounting. Use caution to avoid over-tightening the screws and bending the flanges.
A 120Vac wall receptacle is required within 6ft of the pump for the power adapter.
Do NOT connect the GrowNET port to Ethernet networks.
Connecting Pump Tubing:
Each pump has an inlet (suction) and outlet (pressure) tube.
Using included barbed tubing connectors, install an inlet tube for each pump into the respective concentrate container, then install an outlet tube to the mixing reservoir or injection manifold.
Note: Shown with optional PBX-100 series injection manifold designed for easy installation with a re-circulating pump for continuous recycling.

Connection to GrowControlTM GCX:
All GrowNETTM devices are connected using standard CAT5 Ethernet cable with RJ-45 connections.
Devices can be connected directly to the GrowNETTM ports on the bottom of the controller, or through HX8 GrowNETTM hubs. It is typical to simplify cabling by locating hubs centrally in hall ways and rooms allowing single runs from an 8-port device hub back to a central hub or back to the controller.
Refer to the GCX controller manual for details on adding the device to the system.
GrowNETTM Hubs:
HX8 GrowNETTM hubs expand a single port into eight more ports.
Hubs can be daisy-chained to form a network of up to 100 devices per GrowNETTM bus. Individually buffered port transceivers provide excellent signal integrity and extended communication strength and range.
Hubs provide up to 1A of power for operating sensors and most relays directly over the CAT5 cable. A DC jack on the hub provides 24Vdc power to the ports from the included wall power supply. A terminal block power option is also available.
Installation Notes
NOTICE
GrowNET™ ports use standard RJ-45 connections but are NOT compatible the Ethernet network equipment. Do not connect GrowNET™ ports to Ethernet ports or network switch gear.
DIELECTRIC GREASE
Dielectric grease is recommended on RJ-45 GrowNET™ connections when used in humid environments. Place a small amount of grease onto the RJ-45 plug contacts before inserting into the GrowNET™ port. Non-conductive grease is designed to prevent corrosion from moisture in electrical connectors.
- Loctite LB 8423
- Dupont Molykote 4/5
- CRC 05105 Di-Electric Grease
- Super Lube 91016 Silicone Dielectric Grease
- Other Silicone or Lithium based insulating grease
Connection to SXHM Controller
Connect an ADi dosing pump directly to Agrowtek’s SXHM hydroponics sensor to form a powerful, autono-mous pH and EC set-point dosing system. Operate a single, dual or quad AgrowDose pump and configure each pump as an EC part or pH up or down part. Automatically maintains pH and EC concentrations with a simple repeating recipie dosing method.
A direct-link connection between a SXHM sensor and ADi pump requires Agrowtek’s cross-over adapter.
IMPORTANT! ONLY use cross-over adapters provided by Agrowtek. Do not use other cross-over adapters or cross-over cables unless they are constructed exactly as diagramed on the cross-over diagram. Incorrect cross-over adapters or cables can cause damage to the equipment.
Please see the “MDX” product manual for more information on setting up and installing the MDX mini-dos-ing system.
Cross-Over Cable
A custom cross-over cable can be constructed as an alternative to using the cross-over adapter and two standard, straight Ethernet cables as shown in the diagram above. The cross-over wiring MUST match the diagram below.
Pins 7 & 8 carry 24Vdc power and must be straight through or damage may result to the equipment.
Connection to USB AgrowLINK
LX1 USB AgrowLINK connects Agrowtek’s devices to a computer’s USB port for:
- Firmware Updates
- Configuration
- Batch Dosing Control
- More
Perform batch dosing directly from a PC for creating nutrient mixtures, labratory chemical dispensing, food and beverage mixing, and more. Standard FTDI drivers automatically install in Windows for the LX1 link.
AgrowDose BatchMaster PC Software
BatchMaster is a free PC software application for directly operating the ADi dosing pumps through a LX1 USB AgrowLINK. To download the software, please visit our website at www.agrowtek.com.
BatchMaster Software Setup
Setup
To setup and install the free software you must be using a Windows operating system.
- Download the installer from Agrowtek’s website.
- Open the installer and follow the command prompts.
- If you are given a security warning asking permission to modify files (install them,) select YES.
Connect the USB AgrowLINK and allow the drivers to automatically install. Wait until a message is displayed in the task bar indicatin the device is ready to use (it may take several minutes.) If the device drivers fail to install, you can install them from the BatchMaster software.
Driver Installation
If the device drivers have not automatically installed:
- Open the BatchMaster program.
- Ignore warnings that advise the AgrowLINK was not detected (press OK.)
- From the top menu bar select: USB AgrowLINK > Install Driver.
- The driver installer will open; follow the command prompts to complete the driver installation.
Detect the AgrowLINK
If your AgrowLINK was not connected before you opened the program, you can search for it by selecting: USB AgrowLINK > Detect AgrowLINK.
Running a Recipe
Each pump may have a setting for the dose volume (mL) and the flow rate of the pump (mL/min).
To create a batch recipe:
- Set the flow rate for each pump. Most applications will use the pumps at full speed. The speed may be reduced if required for your application.
- Set the volume that each pump should dose.
- Save the recipe if desired by selecting: File > Save. Choose a location and name the file then press “Save.”
Saved recipies may be recalled by selecting: File > Open and choosing a recipe file.
Run a Batch
Once the recipe is configured, it may be “run” by pressing the green “play” button. The pumps will begin dos-ing with the first pump. Once the specified volume is completed, the next pump will begin. When all pumps have metered the volume in the recipe, the batch is complete.
Stop Pumps
All pumps may be stopped immediately by pressing the red “stop” button.
Prime
Each pump may be primed for 10 seconds automatically by pressing the “Prime” button for the respective pump. The pump will operate at the speed selected allowing the speed to be previewed or tested.
Connection to MODBUS RTU
RS-485 / RS-422
Use the LX2 ModLINK to connect MODBUS devices to the GrowNET™ port.
Serial Speed & Format
The default serial data format for the LX2 ModLINK interface is: 19,200 baud, 8-N-1.
Alternate speeds and formats between 9,600 – 115,200 baud may be configured with the free AgrowLINK PC utility using a LX1 USB AgrowLINK and the cross-over adapter supplied with the LX2 ModLINK.
Supported Commands
0x03 Read Multiple Registers
0x06 Write Single Register
0x16 Write Multiple Registers (for motor speeds only)
A request to use a function that is not available will return an illegal function exception.
Register Types
All registers are 16 bits wide with addresses using the standard MODICON protocol. Floating point values use the standard IEEE 32-bit format occupying two contiguous 16 bit registers. ASCII values are stored with two characters (bytes) per register in hexadecimal format.
Motor Operation Registers
Motor Speed
Motors are operated simply by sending the desired speed to each motor’s speed register. Positive percent-ages result in CW (forward) rotation while negative percentages result in CCW (reverse) rotation.
FORWARD: +60 to +100% | REVERSE: -60 to -100% | STOP: 0%
Speeds below 60% may result in a stalled motor and should not be used.
Included power supply is sufficient to drive a single motor at a time.
Driving multiple motors simultaneously may cause the power supply voltage to drop below acceptable levels and put the pump into a fault protection mode requiring a power cycle.
To drive multiple motors reliably, provide 0.5A/Motor (2.1mm jack, center positive)
Motor Time
The motor time register allow modbus commands to pump for a specific amount of time and then stop. This eliminates issues with timing modbus messages for precise dosing. A run time value of 0 will allow unlimited run time.
To use time dosing:
- Write a time value to the pump’s time register in seconds.
- Write a speed value to the pump’s speed register in percent.
- Read the speed value to confirm the pump is running (if desired.)
- Read the time value to see the time remaining; it will be 0 when the dose is complete.
Accumulated Run Time (Motor Life Time)
Motor life and service intervals can be tracked by observing the pump motors’ accumulated run time which is tracked in seconds in a 32-bit unsigned integer register for each pump motor.
Timeout
Timeout value (seconds) can be set to shut off all pumps in the even no communication is receieved from the master device within a set period of time.
MODBUS Holding Registers
| Parameter | Function | Range | Type | Access | Address |
| Address | Device Slave Address | 1 – 247 | 8 bit | R/W | 40001 |
| Serial# | Device Serial Number | ASCII | 8 char | R | 40004 |
| DOM | Date of Manufacture | ASCII | 8 char | R | 40008 |
| HW Version | Hardware Version | ASCII | 8 char | R | 40012 |
| FW Version | Firmware Version | ASCII | 8 char | R | 40016 |
| Motor Speed (%) | Pump 1 | 0 – 100 | 16 bit, unsigned | R/W | 40101 |
| Pump 2 | 40102 | ||||
| Pump 3 | 40103 | ||||
| Pump 4 | 40104 | ||||
| Pump 5 | 40105 | ||||
| Pump 6 | 40106 | ||||
| Motor Time (seconds) | Pump 1 | 0 – 65535 sec | 16 bit, unsigned | R/W | 40201 |
| Pump 2 | 40202 | ||||
| Pump 3 | 40203 | ||||
| Pump 4 | 40204 | ||||
| Pump 5 | 40205 | ||||
| Pump 6 | 40206 | ||||
| Timeout (seconds) | Turn off pumps if no communication. | 0 – 32767 | 16 bit, unsigned | R/W | 41001 |
| Accumulated Run Time (seconds) | Pump 1 | Unsigned Int | 32 bit, unsigned | R | 49001 |
| Pump 2 | 49003 | ||||
| Pump 3 | 49005 | ||||
| Pump 4 | 49007 | ||||
| Pump 5 | 49009 | ||||
| Pump 6 | 49011 |
A request to read or write a register that is not available will return an illegal address error (0x02.)
Maintenance
AgrowDose pumps are low maintenance and have a durable DC motor and non-servicable gear box for very long life. Pump tubing on older models is non-servicable and the pump heads are replaced as units with new rollers, tubing and lubricant. Newer model pumps have servicable heads for replacing only the tubing.
Servicing the Pump Head
When the tubing wears out from extended use, the head or tubing must be replaced. Pump heads typically last 12-24 months depending on the volumes being dispensed and frequency of use. When the tubing be-gins to leak, replacement is a simple process:
- Rotate the pump head counter-clockwise 1/8 turn.
- Slide the head off of the motor shaft.
If the tubing in the head is accessible: - Remove the roller cassett and tubing.
- Transfer the retention clamps to the new tube.
- Lubricate the tubing. (Knight KTL-20 Tube Lube)
- Re-install the tubing and roller cassett.

Re-install the head onto the shaft (align to the flat on the shaft) and twist-lock the head into position.
Storage and Disposal
Storage
Store equipment in a clean, dry environment with ambient temperature between10-50°C.
Disposal
This indsutrial control equipment may contain traces of lead or other metals and environmental contaminants and must not be discarded as unsorted municipal waste, but must be collected separately for the purpose of treatment, recovery and environmentally sound disposal. Wash hands after handling internal comonents or PCB’s.
Warranty
Agrowtek Inc. warrants that all manufactured products are, to the best of its knowledge, free of defective material and workman-ship and warrants this product for 1 year from the date of purchase. This warranty is extended to the original purchaser from the date of receipt. This warranty does not cover damages from abuse, accidental breakage, or units that have been modified, altered, or installed in a manner other than that which is specified in the installation instructions. Agrowtek Inc. must be contacted prior to return shipment for a return authorization. No returns will be accepted without a return authorization. This warranty is applicable only to products that have been properly stored, installed, and maintained per the installation and operation manual and used for their intended purpose. This limited warranty does not cover products installed in or operated under unusual conditions or envi-ronments including, but not limited to, high humidity or high temperature conditions. The products which have been claimed and comply with the aforementioned restrictions shall be replaced or repaired at the sole discretion of the Agrowtek Inc. at no charge. This warranty is provided in lieu of all other warranty provisions, express or implied. It is including but not limited to any implied warranty of fitness or merchantability for a particular purpose and is limited to the Warranty Period. In no event or circumstance shall Agrowtek Inc. be liable to any third party or the claimant for damages in excess of the price paid for the product, or for any loss of use, inconvenience, commercial loss, loss of time, lost profits or savings or any other incidental, consequential or special damages arising out of the use of, or inability to use, the product. This disclaimer is made to the fullest extent allowed by law or regulation and is specifically made to specify that the liability of Agrowtek Inc. under this limited warranty, or any claimed exten-sion thereof, shall be to replace or repair the Product or refund the price paid for the Product.
www.agrowtek.com
Technology to Help You Grow™





















