Ti-sales B7 Electronic Metering Pump User Manual

LMI an Accudyne Industries brand

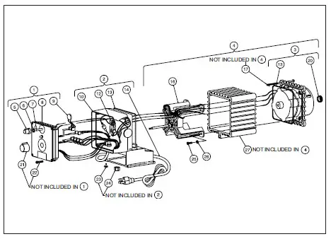
Metering Pump Component Diagram
SERIES B7 DRIVE ASSEMBLY EXPLODED VIEW DIAGRAM

SERIES B7 DRIVE ASSEMBLY PARTS LIST
| Key Number | Model Series | Part Number | Description | Qty |
|
1 | B711 | 34093 | Control Panel Assembly,120V | 1 |
| B721, B731, B741 | 33211 | Control Panel Assembly,120V | 1 | |
| B712, B713, B715, B716, B717 | 34094 | Control Panel Assembly,230V | 1 | |
| B722, B723, B725, B726, B727, B732, B733, B735, B736, B737, B742, B743, B745, B746, B747 | 33212 | Control Panel Assembly, 230V | 1 | |
| 1 | ||||
| 1 | ||||
|
2 | B711, B721, B731, B741 | 28970 | Housing Assembly, 120V | 1 |
| B712, B722, B732, B742 | 28980 | Housing Assembly, 230V | 1 | |
| B713, B723, B733, B743 | 28981 | Housing Assembly, 220-240V DIN | 1 | |
| B715, B725, B735, B745 | 28982 | Housing Assembly, 220-240V UK | 1 | |
| B716, B726, B736, B746 | 28983 | Housing Assembly, 220-240V AUST | 1 | |
| B717, B727, B737, B747 | 28984 | Housing Assembly, 220-240V SWISS | 1 | |
|
3 | B711, B721 | 26893 |
EPU and Spacer Assembly |
1 |
| B712, B713, B715, B716, B717, B722, B723, B725, B726, B727 | 26894 | |||
| B731 | 26897 | |||
| B732, B733, B735, B736, B737 | 26898 | |||
| B741 | 29618 | |||
| B742, B743, B745, B746, B747 | 29619 | |||
|
3 | B711, B721 | 31927 |
EPU and Spacer Assembly w/ Stroke Adj. |
1 |
| B712, B713, B715, B716, B717, B722, B723, B725, B726, B727 | 31928 | |||
| B731 | 31929 | |||
| B732, B733, B735, B736, B737 | 31930 | |||
| B741 | 31931 | |||
| B742, B743, B745, B746, B747 | 31932 | |||
| 5 | B7 | 30709 | Knob, Push On | 1 |
| 6 | B7 | 30803 | Gasket | 1 |
| 7 | B7 | 29093 | Cap | 1 |
| 8 | B7 | 10166 | O-Ring | 1 |
|
9 | B711, B721, B731, B741 | 10626 | Varistor Assembly, 120V | 1 |
| B712, B713, B715, B716, B717, B722, B723, B725, B726, B727, B732, B733, B735, B736, B737, B742, B743, B745, B746, B747 | 10627 | Varistor Assembly, 230V | 1 |
SERIES B7 DRIVE ASSEMBLY PARTS LIST

- To adjust pressure control: Remove yellow cap. With small screwdriver, and the pump running, turn the pressure control adjustment slowly counterclockwise until pump just begins to stall. From this stall
point, turn clockwise approximately 30 degrees. This is the optimum pressure control setting for your application.
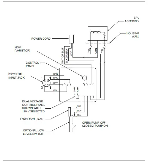
SERIES B7 WIRING DIAGRAM

We are a proud member of Accudyne Industries, a leading global provider of precision-engineered, process-critical, and technologically advanced flow control systems and industrial compressors. Delivering consistently high levels of performance, we enable customers in the most important industries and harshest environments around the world to accomplish their missions.



















