STORAGE TANKS
NADO 800/35v9
NADO 1000/35v9
OPERATING AND
INSTALLATION MANUAL
NADO 800-35v9 Storage Tanks
CAREFULLY READ THIS MANUAL BEFORE INSTALLING THE TANK!
Dear Customer,
The Works Cooperative of Dražice – Machine Plant, Ltd., would like to thank you for your decision to use a product of our brand.

The product is not intended to be controlled by
a) people (including children) with reduced physical, sensual or mental capacities, or
b) people with insufficient knowledge and experiences unless supervised by responsible person, or unless properly instructed by such responsible person.
The manufacturer reserves the right for engineering modification of the product.
It is recommended to use the product in indoor environment with air temperatures from +2 °C to +45 °C and a relative humidity up to 80 %.
Product’s reliability and safety is proven by tests implemented by the Engineering Test Institute in Brno.
Made in the Czech Republic.
Meaning of pictograms used in the Manual
Important information for heater users.
Abiding by the recommendations of the manufacturer serves to ensure trouble-free operation and the long service life of the product.
Caution!
Important notice to be observed.
FUNCTION DESCRIPTION
Storage tanks serve accumulation of excessive heat from its source. The source may be a solid fuel boiler, heat pump, solar collectors, fireplace inserts, etc.
The NADO type storage tanks serve accumulation of heat in the heating system and allow heating or preheating of HSW (Hot Service Water) in an inner stainless tank. Incorporation of a storage tank in the heating system with a solid fuel boiler allows an ideal run of a boiler at favorable temperature during the boiler operation. The main benefit lies in the period of optimum operation (i.e. with maximum efficiency) when the excessive unconsumed heat accumulates in the storage tank.
The storage tanks are manufactured in 800 and 1000-litre volumes. The tanks and tubular exchangers are made of steel, without the inner surface treatment, the outer surface of the tank is provided with a protective paint. Individual versions are equipped with a tubular exchanger and a buried stainless exchanger of 32 litre volume, and two funnels G1½“ with the possibility to install an electric heating element of TJ 6/4“ series. The storage tanks are equipped with a removable 80 mm thick insulation and a lock.
The NADO type enables direct heating of HSW (Hot Service Water) in a stainless exchanger, or its preheating for another water heater. Connection to a boiler usually allows direct HSW heating in the inner tank to the desired temperature whilst, on the contrary, connection to solar collectors or heat pump only preheats HSW and another, e.g. electric, heater has to be used, in order to complete heating the water to the desired temperature, or final electric heating has to be fitted in the storage tank which is enabled by the electric heating unit of TJ 6/4“ series.
THE DESIGN OF SUITABLE VOLUME AND TANK INSTALLATION
An ideal size of the storage tank is designed by a design engineer, or a person sufficiently qualified to design heating systems.
Product assembly must be implemented by an authorized person (confirmed in the warranty certificate).
When putting into operation, water has to be filled first into the inner tank for HSW and the operating pressure inside it has to be kept, only then heating water can be filled into the outer storage tank, otherwise the product may get damaged!
The manufacturer explicitly emphasizes the necessity of being particular in testing the tightness of the heating circuit (radiators, piping joints, floor heating, etc.) with the connection of the storage tank. No pressure grow in the storage tank heating water compartment may occur above the maximum operating pressure of 0.3 MPa, if the heating system is pressurized to higher than the maximum operating pressure, the inner enameled tank may get permanently damaged!
TECHNICAL PARAMETERS
| NADO 800/35v9 | NADO 1000/35v9 | ||
| STORAGE TANK CAPACITY | l | 820 | 999 |
| CAPACITY OF STAINLESS EXCHANGE | l | 32 | 32 |
| CAPACITY OF BOTTOM EXCHANGER | l | 25 | 25 |
| CAPACITY OF UPPER EXCHANGER | l | 18 | 25 |
| WEIGHT | kg | 224 | 275 |
| HEATING SURFACE OF STAINLESS EXCHANGE | m2 | 8.5 | 8.5 |
| HEATING SURFACE OF BOTTOM EXCHANGE | m2 | 3.3 | 3.3 |
| HEATING SURFACE OF UPPER EXCHANGE | m2 | 2.2 | 3.3 |
| MAXIMUM TANK PRESSURE | bar | 3 | 3 |
| MAXIMUM PRESSURE OF STAINLESS EXCHANGER | bar | 6 | 6 |
| MAXIMUM PRESSURE OF BOTTOM AND UPPER EXCHANGER | bar | 10 | 10 |
| MAXIMUM TEMPERATURE OF WATER IN THE TANK | °C | 90 | 90 |
| MAXIMUM TEMPERATURE OF WATER IN THE EXCHANGER | °C | 90 | 90 |
| MAXIMUM WORKING TEMPERATURE IN THE HEAT EXCHANGER | °C | 110 | 110 |
| AMOUNT OF 40°C HOT WATER AT 53°C WATER TEMPERATURE IN THE TANK ANDINLET WATER 15°C / HOT WATER FLOW | l/(l/min) | *620 / 10 | *750 / 10 |
| AMOUNT OF 40°C HOT WATER AT 80°C WATER TEMPERATURE IN THE TANK ANDINLET WATER 15 °C / HOT WATER FLOW | l/(l/min) | *1287 / 10 | *1450 / 10 |
| MAXIMUM OUTPUT OF EL. HEATING ELEMENT OF TJ 6/4″ SERIES | kW | 2 x 6 | 2 x 6 |
| ENERGY EFFICIENCY CLASS | C | C | |
| STANDING LOSS | W | 118 | 138 |
Table 1
* value stated by calculation
IMPORTANT WARNING
The connection of the internal tank for hot water must comply with CSN 060830, i.e. on the cold water inlet is necessary to install a safety valve.
We recommend starting up the heating circle before commissioning and cleaning possible dirt caught in the filter and after this, the system would be fully functional.
The appliance has to be mounted at a convenient place, it means that the appliance must be easily available for potential necessary maintenance, repair or replacement, as the case may be.
No stop fitting can be put between the secure fitting of the heating circuit and the storage tank!!!
Recommended operating pressure of the hot water circle is 0.4 MPa. We recommend installing a return valve and an expansion vessel (min. 4 % of hot water in the pipeline) on hot water outlet to eliminate back pressure impacts.
The reservoir is possible to use only in compliance with the conditions stated on the performance plate and with instructions for wiring. It is also necessary to observe terms for connection stipulated by some local electrical and water companies as same as a manual for assembling and operation besides statutory accepted national regulations and standards.
Shut down the reservoir cold water intake if you are not using the reservoir for longer than 24 hours or if the object with the heater is without the presence of any person.
TECHNICAL DESCRIPTION

- Bleeding (heating water outlet) – G1″
- Hot service water outlet – G 1 ¼”
- Steel receptacle
- Exchanger for connecting an additional heating source
- Funnel for additional heating element TJ 6/4 – G 1 ½” (2 units)
- Buried stainless exchanger for service water heating by flow
- Exchanger for connecting solar collectors (heat pump)
- Cold water inlet – G 1 ¼”
- Inlet into exchanger – G 1″
- Funnel for connecting an additional heating water source – G 1 ½” (3 units)
- Outlet from exchanger – G 1″
- Entry to (solar) exchanger – G1″
- Funnel for a thermowell – G ½” (6 units)
- Stratification pipe
- Outlet from exchanger (solar) – G 1″
- Water inlet for connection of return water of heating system – G 1½” (TJ 6/4″ mustn’t be installed)
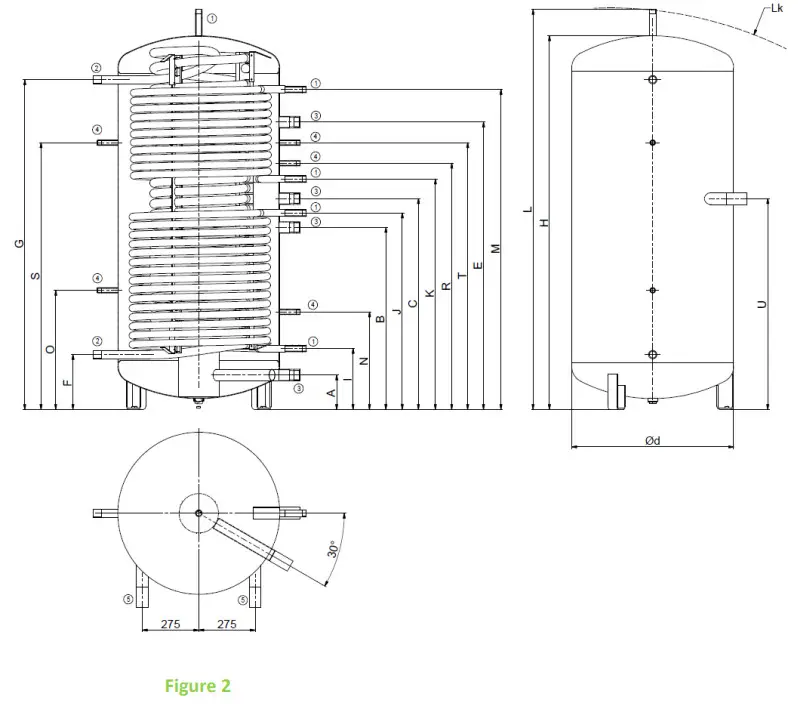
DIMENSIONS AND CONNECTION
NADO 800/35v9, NADO 1000/35v9

- 1″ outer
- 1 1/4″ outer
- 1 1/2″ inner
- 1/2″ inner
- for TJ 6/4″ inner
| NADO 800/35v9 | NADO 1000/35v9 | |
| A | 167 | 167 |
| B | 887 | 960 |
| C | 1027 | 1117 |
| d | 790 | 790 |
| E | 1400 | 1530 |
| F | 267 | 537 |
| G | 1607 | 1897 |
| H | 1820 | 2120 |
| I | 297 | 267 |
| J | 957 | 1037 |
| K | 1123 | 1202 |
| L | 1950 | 2250 |
| Lk | 1990 | 2285 |
| M | 1560 | 1862 |
| N | 475 | 505 |
| O | 580 | 650 |
| P | – | 850 |
| R | 1200 | 1340 |
| S | 1300 | 1510 |
| T | 1300 | 1460 |
| U | 1027 | 1140 |
Thermal insulation NEODUL LB PP
Insulation NEODUL of 80 mm thickness. It consists of an upper cover, flange cover and hole caps.
Insulation is supplied in a separate packaging.
We recommend that the insulation was fitted at room temperature.
At temperatures significantly below 20 °C the insulation shrinks. This disables its easy fitting.

DISPOSAL OF PACKAGING MATERIAL AND NON-FUNCTIONING PRODUCT
A service fee for providing return and recovery of packaging material has been paid for the packaging in which the product was delivered. The service fee was paid pursuant to Act No 477/2001 Coll., as amended, at EKO-KOM a.s. The client number of the company is F06020274. Take the water tank packages to a waste disposal place determined by the municipality. When the operation terminates, disassemble and transport the discarded and unserviceable heater to a waste recycling centre (collecting yard), or contact the manufacturer.
14-2-2022
www.dzd.cz
















