NATIONAL INSTRUMENTS Power and Input or Output Accessory for ISC-178x Smart Cameras

Product Information: ISC-1782 Power and I/O Accessory for ISC-178x Smart Cameras
The Power and I/O Accessory for ISC-178x Smart Cameras is a terminal block designed to simplify power and I/O signal configuration for the ISC-178x Smart Camera. It has six spring terminals that are labeled for different functionalities, such as isolated inputs, isolated outputs, lighting controller, camera connector, 24V IN connector, and 24V OUT spring terminals. The accessory has three different grounds for the spring terminals labeled C, CIN, and COUT. The spring terminals with the same label are connected internally, but C, CIN, and COUT are not connected to each other. Users can wire different grounds together to share a power supply between the smart camera and the inputs or outputs.
Product Usage Instructions: ISC-1782 Power and I/O Accessory ISC-178x Smart Cameras
What You Need to Get Started:
- The ISC-1782 Power and I/O Accessory
- A cable included with the accessory
- A power supply
- A power source
- The ISC-178x Smart Camera
Installing the Power and I/O Accessory:
- Connect the included cable to the Camera connector on the Power and I/O Accessory and the Digital I/O and Power connector on the ISC-178x Smart Camera. Caution: Never touch the exposed pins of connectors.
- Connect the power supply to the 24 V IN connector on the Power and I/O Accessory.
- Connect the power supply to a power source.
Wiring Isolated Inputs:
The following images show how to wire the isolated input spring terminals of the Power and I/O Accessory.
Note: Isolated inputs have a built-in current limit on the smart camera. It is not usually necessary to use a current-limiting resistor on input connections. Refer to the documentation of the connected device to ensure that the maximum input current limit of the smart camera does not exceed the current capability of the connected output.
Sinking Configuration:
When wiring an isolated input in a sinking configuration to a sourcing output, follow the steps below:
- Connect the sourcing output of the device to IN.
- Connect the ground signal of the device to CIN.
- Connect the common ground between the device and the Power and I/O Accessory to C.
Note: Connecting CIN to a ground signal in a sinking output configuration will result in a short circuit.
Sourcing Configuration:
When wiring an isolated input in a sourcing configuration to a sinking output, follow the steps below:
- Connect the sinking output of the device to IN.
- Connect the power supply to 24V OUT.
- Connect the common ground between the device and the Power and I/O Accessory to C.
Wiring Isolated Outputs:
Some configurations require a pull-up or current-limiting resistor on each output. When using resistors, refer to the following guidelines.
Bridging the gap between the manufacturer and your legacy test system.
COMPREHENSIVE SERVICES
We offer competitive repair and calibration services, as well as easily accessible documentation and free downloadable resources. Autient M9036A 55D STATUS C 1192114
RESET SELL YOUR SURPLUS
We buy new, used, decommissioned, and surplus parts from every NI series. We work out the best solution to suit your individual needs.
- Sell For Cash
- Get Credit
- Receive a Trade-In Deal
OBSOLETE NI HARDWARE IN STOCK & READY TO SHIP
We stock New, New Surplus, Refurbished, and Reconditioned NI Hardware.
1-800-915-6216
www.apexwaves.com
[email protected]
All trademarks, brands, and brand names are the property of their respective owners.
Request a Quote CLICK HERE USB-6216
Power and I/O Accessory
For ISC-178x Smart Cameras
The Power and I/O Accessory for ISC-178x Smart Cameras (Power and I/O Accessory) is a terminal block that simplifies power and I/O signal configuration for the ISC-178x Smart Camera.
This document describes how to install and operate the Power and I/O Accessory.
Figure 1. Power and I/O Accessory for ISC-178x Smart Cameras

- 24V IN connector
- 24V OUT spring terminals
- Isolated inputs spring terminals
- Isolated outputs spring terminals
- Lighting controller spring terminals
- Camera connector
The Power and I/O Accessory has the following features:
- 12-pin A-coded M12 connector
- Spring terminals for each ISC-178x Smart Camera I/O signal
- Spring terminals for 24 V output
- User-replaceable fuses for accessory power, isolated outputs, and the lighting controller
- Built-in DIN rail clips for easy mounting
What You Need to Get Started
- Power and I/O Accessory for ISC-178x Smart Camera
- ISC-178x Smart Camera
- A-Code M12 to A-Code M12 Power and I/O Cable, NI part number 145232-03
- Power Supply, 100 V AC to 240 V AC, 24 V,1.25 A, NI part number 723347-01
- 12-28 AWG wire
- Wire cutter
- Wire insulation stripper
For more information about using the Power and I/O Accessory with the ISC-178x Smart Camera, refer to the following documents on ni.com/manuals.
- ISC-178x User Manual
- ISC-178x Getting Started Guide
Installing the Power and I/O Accessory
Complete the following steps to install the Power and I/O Accessory:
- Connect the included cable to the Camera connector on the Power and I/O Accessory and the Digital I/O and Power connector on the ISC-178x Smart Camera.
Caution Never touch the exposed pins of connectors. - Connect signal wires to the spring terminals on the Power and I/O Accessory:
- Strip 1/4 in. of insulation from the signal wire.
- Depress the lever of the spring terminal.
- Insert the wire into the terminal.
Refer to the spring terminal labels and the Signal Descriptions section for a description of each signal.
Caution Do not connect input voltages greater than 24 VDC to the Power and I/O Accessory. Input voltages greater than 24 VDC can damage the accessory, all devices connected to it, and the smart camera. National Instruments is not liable for damage or injury resulting from such misuse.
- Connect the power supply to the 24 V IN connector on the Power and I/O Accessory.
- Connect the power supply to a power source.
Wiring the Power and I/O Accessory
ISC-178x Isolation and Polarity
The Power and I/O Accessory has three different grounds for the spring terminals labeled C, CIN, and COUT. The spring terminals with the same label are connected internally, but C, CIN, and COUT are not connected to each other. Users can wire different grounds together in order to share a power supply between the smart camera and the inputs or outputs.
Note To achieve functional isolation, users must maintain isolation when wiring the accessory.
Some wiring configurations may cause the polarity to appear inverted at the receiver. Users can invert the signal in the smart camera software to provide the intended polarity.
Wiring Isolated Inputs
The following images show how to wire the isolated input spring terminals of the Power and I/O Accessory.
Note Isolated inputs have a built-in current limit on the smart camera. It is not usually necessary to use a current-limiting resistor on input connections. Refer to the documentation of the connected device to ensure that the maximum input current limit of the smart camera does not exceed the current capability of the connected output.
Figure 2. Wiring Isolated Input (Sinking Configuration) to Sourcing Output

Caution Connecting CIN to a ground signal in a sinking output configuration will result in a short circuit.
Figure 3. Wiring Isolated Input (Sinking Configuration) to Sinking Output

Wiring Isolated Outputs
Some configurations require a pull-up or current-limiting resistor on each output. When using resistors, refer to the following guidelines.
Caution Failure to follow these guidelines may result in damage to the smart camera, connected devices, or resistors.
- Do not exceed current sink capability of the isolated outputs of the smart camera.
- Do not exceed the current source or sink capability of the connected devices.
- Do not exceed the power specification of the resistors.
Note For most applications, NI recommends a 2 kΩ 0.5 W pull-up resistor. Refer to the documentation of the connected input device to ensure this resistor value is suitable for that device.
Note Resistors with a rating less than 2 kΩ can be used for faster rise times. Users must take care not to exceed the current sink limit of the smart camera or the connected device.
The following images show how to wire the isolated output spring terminals of the Power and I/O Accessory.
Figure 4. Wiring Isolated Output to Sinking Input

Figure 5. Wiring Isolated Output to Sourcing Input

Note A resistor may not be necessary for every sourcing input device. Refer to the documentation for the connected sourcing input device to verify resistor requirements.
Wiring the Lighting Controller
The following images show how to wire a lighting controller to the Power and I/O Accessory. The TRIG terminal connects only to the V terminal through a built-in 2 kΩ pull-up resistor. To use the TRIG terminal, users must wire the terminal to the output signal generating the trigger. Any isolated output may be used as the trigger signal.
Note Review the power requirements for the lighting controller to ensure that the power supply is sufficient to power both the smart camera and the lighting controller.
Figure 6. Wiring the Lighting Controller using Isolated Output as Trigger

Figure 7. Wiring the Lighting Controller without Trigger

Forcing the Real-Time ISC-178x into Safe Mode
Users can wire the Power and I/O Accessory to force the ISC-178x to boot into safe mode. Safe mode launches only the services necessary for updating the smart camera configuration and installing software.
Note Users can only force Real-Time smart cameras to boot into safe mode. Windows smart cameras do not support safe mode.
- Power down the Power and I/O Accessory.
- Wire the accessory as shown in the following figure.
Figure 8. Wiring to Force Safe Mode - Power on the accessory to boot the ISC-178x into safe mode.
Exiting Safe Mode
Follow these steps to restart the ISC-178x in normal operating mode.
- Power down the Power and I/O Accessory.
- Disconnect the wire to the IN3 spring terminal
- Power on the accessory to restart the ISC-178x.
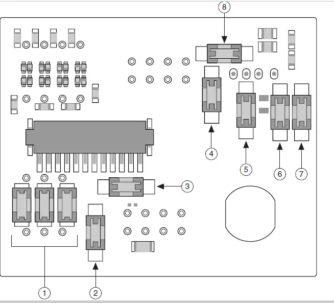
Testing and Replacing Fuses
The Power and I/O Accessory has replaceable fuses and includes one additional fuse of each type.
Figure 9. Fuse Locations

- Isolated output fuses, 0.5 A
- Spare 0.5 A fuse
- ANLG terminal fuse, 0.1 A
- Spare 2 A fuse
- ICS 3, V terminal fuse, 10 A
- Spare 10 A fuse
- Spare 0.1 A fuse
- Camera V terminal, 2 A
Table 1. Power and I/O Accessory Fuses
| Protected Signal | Replacement Fuse Quantity | Littelfuse Part Number | Fuse Description |
| ICS 3, V terminal | 1 | 0448010.MR | 10 A, 125 V NANO2 ® Fuse, 448 series, 6.10 × 2.69 mm |
| Camera V terminal | 1 | 0448002.MR | 2 A, 125 V NANO2 ® Fuse, 448 series, 6.10 × 2.69 mm |
| Protected Signal | Replacement Fuse Quantity | Littelfuse Part Number | Fuse Description |
| Isolated outputs | 1 | 0448.500MR | 0.5 A, 125 V NANO2 ® Fuse, 448 series, 6.10 × 2.69 mm |
| ANLG terminal | 1 | 0448.100MR | 0.1 A, 125 V NANO2 ® Fuse, 448 series, 6.10 × 2.69 mm |
Note You can use a handheld DMM to verify the continuity of a fuse.
Complete the following steps to replace a blown fuse:
- Unplug the power supply.
- Remove all signal wires and cables from the Power and I/O Accessory.
- Remove a side panel. Use a Phillips head screwdriver to remove the 2 retaining screws.
- Slide the circuit board out.
- Replace any blown fuses with an equivalent replacement fuse. Replacement fuses are labelled as SPARE on the circuit board.
Signal Descriptions
Refer to the ISC-178x Smart Camera User Manual for detailed signal descriptions.
ISC-178x Power and I/O Connector Pinout

Table 2. ISC-178x Power and I/O Connector Signal Descriptions
| Pin | Signal | Description |
| 1 | COUT | Common reference (negative) for isolated outputs |
| 2 | Analog Out | Analog reference output for lighting controller |
| 3 | Iso Out 2+ | General-purpose isolated output (positive) |
| 4 | V | System power voltage (24 VDC ± 10%) |
| 5 | Iso In 0 | General-purpose isolated input |
| 6 | CIN | Common reference (positive or negative) for isolated inputs |
| 7 | Iso In 2 | General-purpose isolated input |
| 8 | Iso In 3 | (NI Linux Real-Time) Reserved for safe mode (Windows) General-purpose isolated input |
| 9 | Iso In 1 | General-purpose isolated input |
| 10 | Iso Out 0+ | General-purpose isolated output (positive) |
| 11 | C | System power and analog reference common |
| 12 | Iso Out 1+ | General-purpose isolated output (positive) |
Table 3. Power and I/O Cables
| Cables | Length | Part Number |
| A-Code M12 to A-Code M12 Power and I/O Cable | 3 m | 145232-03 |
| A-Code M12 to Pigtail Power and I/O Cable | 3 m | 145233-03 |
Environmental Management
NI is committed to designing and manufacturing products in an environmentally responsible manner. NI recognizes that eliminating certain hazardous substances from our products is beneficial to the environment and to NI customers.
For additional environmental information, refer to the Minimize Our Environmental Impact web page at ni.com/environment. This page contains the environmental regulations and directives with which NI complies, as well as other environmental information not included in this document.
Waste Electrical and Electronic Equipment (WEEE)
EU Customers At the end of the product life cycle, all NI products must be disposed of according to local laws and regulations. For more information about how to recycle NI products in your region, visit ni.com/environment/weee.
National Instruments National InstrumentsRoHS
ni.com/environment/rohs_china。(For information about China RoHS compliance, go to ni.com/environment/rohs_china.)
Information is subject to change without notice. Refer to the NI Trademarks and Logo Guidelines at ni.com/trademarks for information on NI trademarks. Other product and company names mentioned herein are trademarks or trade names of their respective companies. For patents covering NI products/technology, refer to the appropriate location: Help»Patents in your software, the patents.txt file on your media, or the National Instruments Patent Notice at ni.com/patents. You can find information about end-user license agreements (EULAs) and third-party legal notices in the readme file for your NI product. Refer to the Export Compliance Information at ni.com/legal/export-compliance for the NI global trade compliance policy and how to obtain relevant HTS codes, ECCNs, and other import/export data. NI MAKES NO EXPRESS OR IMPLIED WARRANTIES AS TO THE ACCURACY OF THE INFORMATION CONTAINED HEREIN AND SHALL NOT BE LIABLE FOR ANY ERRORS. U.S. Government Customers: The data contained in this manual was developed at private expense and is subject to the applicable limited rights and restricted data rights as set forth in FAR 52.227-14, DFAR 252.227-7014, and DFAR 252.227-7015.
© 2017 National Instruments. All rights reserved.
376852B-01 May 4, 2017
References
Engineer Ambitiously - NI
Engineering a Healthy Planet - NI
Managing Critical Substances - NI
Product Take-Back Program and Recycling - NI
Trade Compliance - NI
Product Documentation - NI
National Instruments Patents - NI
NI Trademarks and Logo Guidelines - NI
Product Take-Back Program and Recycling - NI
Engineering a Healthy Planet - NI
ISC-1782 National Instruments Smart Camera | Apex Waves

Figure 8. Wiring to Force Safe Mode















