RELIANCE UFHC980357 Single Room UFH Control Pack

Reliance Worldwide Corporation (UK) Ltd
reserves the right to make changes to the product which may affect the accuracy of information contained in this leaflet.
ZINS980357_002_12-17
Designed for use on small rooms or extensions, provides temperature controlled mixed water to underfloor heating systems with a heat output of up to 3kW, satisfying underfloor
heating areas up to 40 sqm.
Reliance Worldwide Corporation (UK) Ltd
Reliance Worldwide Corporation (UK) Ltd are part of the Australian based group of companies collectively known as Reliance Worldwide Corporation, with the UK brand known as Reliance Water Controls. Reliance Worldwide Corporation (UK) Ltd is a specialist in the design, distribution and technical support for temperature and flow controls. With group offices and manufacturing plants throughout the world RWC offers a wealth of knowledge and expertise which is reflected throughout our products. Being part of many specialised trade associations and having our own UKAS accredited laboratory, makes us at the forefront of any new regulations or changes which impact the industry, and allows for continuous product development and innovation, within our specialised product area.
Single Room UFH Control Pack
UFH control pack for providing temperature controlled mixed water in single room applications to an underfloor heating system with a heat output up to 3Kw. The pump is pre-wired in conjunction with a flow temperature thermostat and mains connection cable and has provision to connect a room stat. The unit has integral ball valves for connecting/isolating the primary heating system, an adjustable thermostatic blending valve and an ‘A’ rated 7 meter circulating pump all secured to a fixing bracket with anti-vibration mountings for silent operation. G½” tappings are provided for use with any adaptors to connect the unit to the underfloor heating loop or manifolds.
- Compact bolt on unit providing quick and simple installation Provides mixed temperature water to underfloor heating systems with a heat output up to 3Kw
- Easy set up with adjustable temperature range
- Controls flow temperatures to +/- 2°C even with fluctuating temperature and flow from the boiler
Spares
| Code | Size | Description |
| HEAT110700 | 1″ MBSP | Heatguard UFH Valve |
| SKIT980021 | N/A | UFH Blending Valve Service Kit |
| PUMP950250 | 1.1/2″ MBSP | Grundfos UPM3 ‘A’ Rated Pump Inc. Cable |
| SERV271030 | 15mm x 1″ Union | Service Valve – Blue |
| SERV271031 | 15mm x 1″ Union | Service Valve – Red |
| ZCON980357 | N/A | Pre-wired Connection Box with Thermostat |
Maintenance
The performance of the Heatguard UFH blending valve should be checked on an annual basis and verified against the original installation performance. If the water or installation conditions are more severe this check should be carried out more frequently. If water conditions or installation conditions are severe and the valve is sluggish in operation, it is possible that there is a build up of scale or debris within the valve, it can then be stripped down and cleaned very easily:
- the hot flow and cold return supplies and remove the valve from the installation. Make note of the orientation of the parts as they are removed so that they can be re-assembled in the correct manner.
- To clean the internals of the main valve body, first remove the cap using an allen key, then remove the plastic locking ring, then finally carefully remove the valve headwork by unscrewing the large hex nut.
- Slide the piston and thermostat assembly out of the valve body and clean all internal surfaces and `O’ rings with clean running water.
- Using a WRAS approved silicone based waterproof grease, lightly lubricate the `O’ ring in the body and the external surface of the piston. 5. After cleaning, re-assemble the Headguard UFH blending valve. Re-set and test the valve.
Technical Specifications
Specification
Hot temperature supply range: 60°C to 85°C
Adjustable temperature range: 25°C to 60°C
Maximum supply pressure: 10 Bar
Factory pre-set temperature: 45°C +/- 2°C
Temperature stability: +/- 2°C
Connections Mixing valve inlets 15mm
Manifold connections 1/2″ FBSP
Materials
Mixing Valve
O-rings Viton
Body Gunmetal
Spring Stainless steel
Piston Udel
Machined Brass Parts DZR brass
Isolating Valves
Seals EPDM
Ball Chrome plated brass
Seats PTFE
Handles Epoxy coated steel

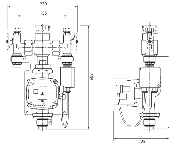
Dimensions & Layout

All dimensions in mm unless otherwise stated

Temperature Settings & Adjustment
The thermostatic blending valve has a temperature setting range between 25°C & 60°C as indicated on the temperature adjustment cap:
Min 25°C
30°C
35°C
40°C
45°C
50°C
55°C
Max 60°C
Max 60°C Initial setting of the thermostatic blending valve (after the heat up/screed drying period) should provide the following flow temperatures.
should provide the following flow temperatures.
Screeded floors 40-45°C
Timber floors 55-60°C
These initial settings can then be adjusted to provide comfort. A maximum floor surface temperature of 29°C should not be exceeded (bar wet areas such as bathrooms, 35°C) as this will lead to feelings of discomfort. With timber floor finishes including strip laminate products the maximum floor temperature of 27°C should not be exceeded as this may result in excessive material shrinkage.
Adjusting the temperature
Please ensure that the commissioning of the valve is done under normal operating conditions. The Heatguard UFH blending valve is supplied factory set at 43°C. To alter this setting between 25-60°C proceed as follows:
- Remove the screw which secures the cap by using the allen key provided then lift the cap off.
- With both the hot and cold supplies turned fully on and the terminal fitting open, adjust the temperature to the required setting, by using the cap to turn the adjustment spindle.
- Turn the cap clockwise to decrease or anti-clockwise to increase the temperature.
- A digital hand-held thermometer should be used to measure the outlet temperature correctly.
- Once the correct temperature has been set re-fit the cap, ensuring it is secured through the slots on the locking ring so that the valve cannot be adjusted by the end user.

Pack Contents
Please check contents of pack before beginning installation.
- Pre-assembled Single room control pack. Including thermostatic mixing valve, ‘A’ rated 7 metre pump, service valves and bracket
- Pump instructions
- Installation instructions
- Screw fixing kit
For any technical enquiries, please contact the Reliance Technical Department on (01386) 712400.
Operating Principle
When the primary heating circuit is on and the heating water temperature has reached approximately 43°C and the room thermostat is calling for heat, the pump will switch on and feed the underfloor heating loops.
The blending valve will maintain the temperature of the heating loop by continually blending the flow from the boiler with the cooler return flow from the loop.
The heat output can be adjusted with the control knob on the blending valve to suit different floor structure and comfort levels. The room thermostat will switch the pump off when selected room temperature is reached.
When the primary heating is off and the room stat is calling for heat, the pump will continue to run until the heating loop temperature falls to approximately 30°C before switching off the pump.
Installation
The Single Room UFH Control Pack is designed for wall fixing and ideally should be mounted in a horizontal position with the electrical connection box uppermost. However, it can also be mounted vertical to pump up or down if desired. Provision should be made to vent air to protect pump from cavitation. The unit must not be floor mounted or in any position that inclines the pump shaft vertical. Refer to the pump installation leaflet enclosed. Choose the location for the unit ensuring adequate clearance and accessibility for pipework and any subsequent maintenance. This is particularly important if enclosed within a cupboard space for example. Locate the unit on the wall and mark the hole fixing positions through the bracket. Take care to protect any electrical equipment and cables during handling.
Remove the unit and drill (8mm masonry drill) and plug the holes. Align and secure the unit to the wall with the screws provided. The unit is now ready for connecting to the primary heating supply and underfloor heating loops. If appropriate the unit can be connected to the underfloor heating loop(s), filled and pressurised via the integral ball valves and then locked off for floor screeding before making the boiler connection.
Wiring
All wiring should be undertaken by a qualified installer and conform to IEE regulations. To comply with IEE regulations the pump on the unit is provided with an earth connection via the connection box. A fused spur should be provided adjacent to the unit. The mains cable should be connected to the spur and fused at 3 amps.
If fitting a room thermostat, fix in a position on the wall as recommended in the manufacturers instructions. If a room thermostat is fitted, remove the link between the terminals as indicated on the wiring diagram.
WIRING DIAGRAM – RELIANCE COMPACT UFH UNIT




















