SIEMENS FHA2045-U1 EBA2001 Shield Connection Kit Installation Guide

Legal notice
Technical specifications and availability subject to change without notice. © 2014 Copyright by Siemens Industry, Inc.
Transmittal, reproduction, dissemination and/or editing of this document as well as utilization of its contents and communication thereof to others without express authorization are prohibited. Offenders will be held liable for payment of damages. All rights created by patent grant or registration of a utility model or design patent are reserved.
Issued by:
Siemens Industry, Inc.
Building Technologies Division
8 Fernwood Road
Florham Park, NJ 07932
Tel. +1 973-593-2600
www.sbt.siemens.com/FIS
Edition: 2014-08-18
Document ID: A6V10437430_en–_a
1 Shield connec. kit (EBA2001) FHA2045

1.1 Description
The shield connection kit (EBA2001) FHA2045 is for installation in the booster amplifier (100 W) EBA2001 and ensures reliable ground contact for the shielded cables to the Line OUT and Line IN connection X3 and X4. The shield connection kit (EBA2001) is an optional component and is supplied with all individual parts.
1.2 Installing the shield connection kit (EBA2001)

Installing the shield connection kit (EBA2001) in the enclosure FHA2016
- Shield connection terminal block
- 2x threaded sleeves in back box
- Neutral conductor busbar, L = 100 mm
- 2x #4-40 pan-head Phillips screws, L ¼”
1. Plug the shield connection terminal block (1) onto the busbar (3) from above as shown.
2. Install the busbar (3) together with the shield connection terminal block (1) by inserting the two screws (4) into the threaded sleeves in the back box (2).
1.3 Preparing and installing the cable

Exposing the shielding
- Cut open the insulation approximately 200 to 220 mm/7.9″ to 8″ from the end of the cable and strip approximately 20 mm/0.8″ from the cable.
- Strip approximately 30 mm/1.18″ from the end of the cable and remove the inner cable from the shielding.
- Cut off the wire braid of the shielding right at the end of the surround (see the ‘cut shield’ arrow).
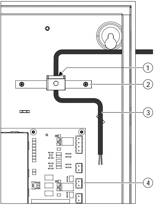
Laying the cable and connecting the shield

Installation situation
- Exposed shielding in the shield connection terminal block
- Shield connection kit (EBA2001) installed
- Shielded cable to X3 or X4
- Booster amplifier mainboard (100 W) EBA2004
1. Lay the shielded cable (3) so that the exposed braid comes to rest directly in the shield connection terminal block (1).
2. If necessary, lay an additional shielded cable through the same shield connection terminal block.
3. Tighten the knurled screws for the shield connection terminal block to fix the cable in place.
Issued by Siemens Industry, Inc. Building Technologies Division 8 Fernwood Road Florham Park, NJ 07932 Tel. +1 973-593-2600 www.sbt.siemens.com/FIS
© 2014 Siemens Industry, Inc. Technical specifications and availability subject to change without notice.
Document ID Edition
A6V10437430_en–_a 2014-08-18
SAP order no.: A5Q00062099
FS20
firealarmresources.com

















