

SPECTRACOOL
Air Conditioner, HAzArdous LoCAtions
NHZ43 ModeL
INSTRUCTION MANUAL
WARRANTY AND RETURN POLICY
https://hoffman.nvent.com/en/hoffman/warranty-information
GENERAL SAFETY INFORMATION
Please observe the following general safety instructions when assembling and operating the unit:
- Assembling, installing and servicing must only be performed by properly trained specialists.
- When transporting the enclosure with the cooling unit externally mounted, always use an additional shipping brace to support the cooling unit.
- Do not attempt to operate the air conditioner while it is horizontal or on its side, back or front.
- Operation of air conditioner in areas containing airborne caustics or chemicals can rapidly degrade sealing properties of materials, deteriorate filters, refrigeration coils, blowers and motors. Contact nVent Equipment Protection for special recommendations. See Maintenance on page 28.
DANGER
Danger: explosion hazard – do not energize, disconnect, or troubleshoot equipment unless power has been switched off or the area is known to be non-hazardous.
Unit to be installed and maintained by properly trained personnel only.
RECEIVING THE AIR CONDITIONER
Inspect the air conditioner. Check for concealed damage that may have occurred during shipment. Look for dents, scratches, loose assemblies, evidence of oil, etc. Damage evident upon receipt should be noted on the freight bill.
Damage should be brought to the attention of the delivering carrier — NOT to nVent Equipment Protection — within 15 days of delivery. Save the carton and packing material and request an inspection. Then file a claim with the delivering carrier.
nVent Equipment Protection cannot accept responsibility for freight damages; however, we will assist you in any way possible.
CAUTION MISE EN GARDE
This air conditioner is suitable for use in Class 1, Division 2, Groups A, B, C, D T4A hazardous locations, or non-hazardous locations only. It is meant to be installed in an enclosure such that the field wiring and controls are only accessible with the use of a tool.
Do not attempt to operate the air conditioner while it is horizontal or on its side, back or front. The refrigeration compressor is filled with lubricating oil. This will cause permanent damage to the air conditioner and also voids the warranty.
HANDLING AND TESTING THE AIR CONDITIONER
If the air conditioner has been in a horizontal position, be certain it is placed in an upright, vertical or mounting position for a minimum of five (5) minutes before operating.
TEST FOR FUNCTIONALITY BEFORE MOUNTING THE AIR CONDITIONER TO THE ENCLOSURE.
Refer to the nameplate for proper electrical current requirements, and then wire the unit to a properly grounded power supply using copper conductors only. Power supply wiring should be restrained after field installation to ensure no contact with internal fan. Minimum circuit ampacity should be at least 125% of the amperage shown n the unit nameplate. No other equipment should be connected to this circuit to prevent overloading Immediately after applying power, the evaporator blower (enclosure air) should start running. Operate the air conditioner with the compressor running for five (5) to ten (10) minutes. You will need to set the cooling thermostat or controller setpoint below the ambient temperature to operate the compressor. Condenser air temperatures should be warmer than normal room temperatures within a few minutes after the condenser impellers start. See Sequence of Operation on page 4 for specifics on how the unit operates when powered up.
HOW TO READ MODEL NUMBERS
| NHZ43 | 04 | 2 | 6 | G300 |
| 1 | 2 | 3 | 4 | 5 |
- Identifies the type/family of air conditioner and the approximate height (i.e. NHZ43 = Narrow Hazardous Location family about 43 inches high).
- This is the air conditioner’s listed capacity in BTU/Hr. at rated conditions. (i.e. 06=6,000 BTU/Hr. at 131/131 F)
- 1 = 115 Volt, 2 = 230 Volt, 4 = 460 Volt.
- 6 = 50/60 Hz or 60 Hz only.
- Unique set of numbers for each air conditioner which identifies the accessories on a model.
TECHNICAL INFORMATION
GENERAL
Sensor 2 monitors the enclosure return air temperature to prevent ice buildup on the evaporator coil. If the air temperature drops below -1 C, the compressor and condenser air mover(s) shut off. They turn back on when the temperature rises above 15 C.
The compressor and the air movers are equipped with overload protection to guard against excess current and temperatures.
SEQUENCE OF OPERATION
The air conditioner comes standard with smart controller. During cooling modes, the evaporator fan will be running.
COOLING
When the enclosure temperature is above the cooling set-point plus the cooling differential, the smart controller will call for cooling. The compressor is then energized through a solid state relay or contactor.
The condenser impellers will start immediately if the unit is not equipped with an optional head pressure control switch. If the unit is equipped with an optional head pressure control switch, the condenser impellers will start once the refrigerant pressure reaches the pressure setting of the switch. Component specific information is listed below.
Operating the air conditioner below the minimum ambient temperature or above the maximum ambient temperatures indicated on the nameplate voids all warranties. DO NOT adjust cooling set-point to a temperature lower than 70 F. Doing so can increase the likelihood of frost buildup on the evaporator coil.
The moisture that the enclosure air can contain is limited. If moisture flows from the drain tube continuously this can only mean that ambient air is entering the enclosure. Be aware that frequent opening of the enclosure’s door admits humid air that the air conditioner must then dehumidify.
STANDARD AND OPTIONAL COMPONENT OPERATION
SMART CONTROLLER
The standard NHZ43 air conditioner uses our standard smart controller. The setpoint equals the temperature that the air conditioner turns off. The controller has a 7 F differential from setpoint until it calls for cooling. An example of operation is shown below.
FOR COOLING (75-100 F RANGE)
- Thermostat setpoint = 80 F
- Cooling turns on at 87 F
- Cooling turns off at 80 F
REMOTE ACCESS CONTROL (OPTIONAL)
See Remote Access Control (optional) on page 5
HEAD PRESSURE CONTROL (OPTIONAL)
Unit is set at the factory, no adjustment necessary.
At a saturated condenser temperature of 85 F (95 psig), the condenser fans will power off. At a saturated condenser temperature of 117 F (165 psig), the condenser fans will power on.
115V/230V TO 10V TRANSFORMER (OPTIONAL)
This transformer powers the thermal display.
DOOR SWITCH
Several door switches may be connected in series and operated on one cooling unit. The door switch only supports a floating connection,no external voltages. Remove jumper from terminals 3 and 4 of the connector and connect the door switch to the two terminals if a door switch is available.
ACTIVE CONDENSATE MANAGEMENT
At low temperatures and high humidity levels inside the enclosure, condensation may form on the evaporator coil. The air conditioner will continuously evaporate the water that may be in the drain pan due to condensation from the evaporator coil into the external air stream. Excess condensate is routed downwards out of the air conditioner via a tube fitting at the bottom of the condenser side of the unit. A 10 mm inside diameter tube can be attached to the fitting and routed to a nearby drain.
WHEN USED WITH PURGE AND PRESSURIZED ENCLOSURES
This air conditioner will operate safely in a Class 1 Division 2 Groups A, B, C and D hazardous location on both exterior and interior sides. It does not require a purge and pressurized enclosure, but if it is to be installed on one, the following should be considered.
The active condensate management system functionally described above is possible due to a drain trap directly connecting and routing condensation from the evaporator coil pan to the ambient side where it collects in the condensate evaporator pan.
During initial purging of an enclosure or after long periods of operation in a pressurized system utilizing a dry protective and/or inert gas supply, the drain trap can eventually dry out and allow a small amount of protective gas to leak outward of the enclosure through the drain trap. A leakage should not immediately be associated with a hazardous condition. If continuous positive pressure is maintained inside an enclosure, the protective gas will leak out to ambient and prevent hazardous gasses from entering. A typical enclosure pressurization system can compensate for this and maintain proper enclosure pressure.
If the pressurization system cannot compensate for the additional leakage, a drain trap seal can be created by priming the air conditioner drain. This can be done by de-energizing and opening the enclosure for access to the evaporator coil, and carefully pouring clean water (approx. 1 cup) into the face of the coil. With water present, the drain trap should be fully primed and sealed. Opening the enclosure can also introduce humidity back into the enclosure which will eventually condense on the evaporator coil and become part of the seal in the drain trap.
SCHEMATICS AND WIRING DIAGRAMS
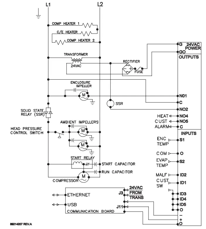
GENERIC 115V SCHEMATIC (ACTUAL UNIT OPTIONS MAY VARY)

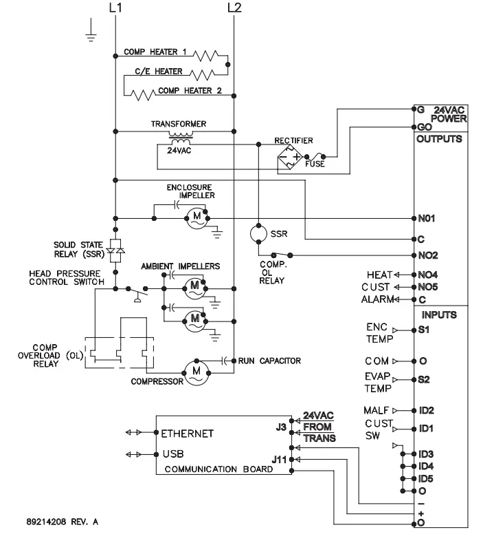
GENERIC 230V SCHEMATIC (ACTUAL UNIT OPTIONS MAY VARY)

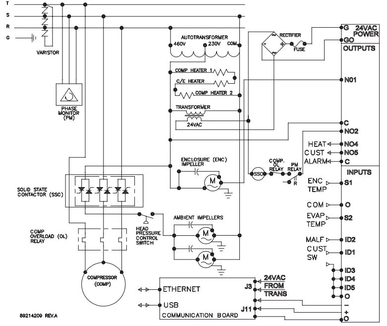
GENERIC 460V SCHEMATIC (ACTUAL UNIT OPTIONS MAY VARY)

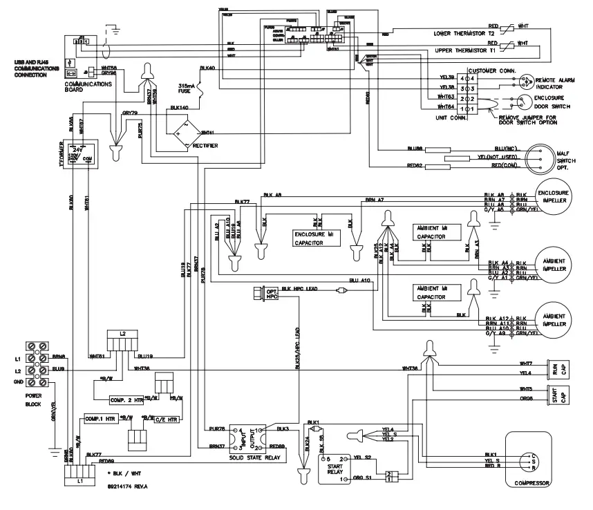
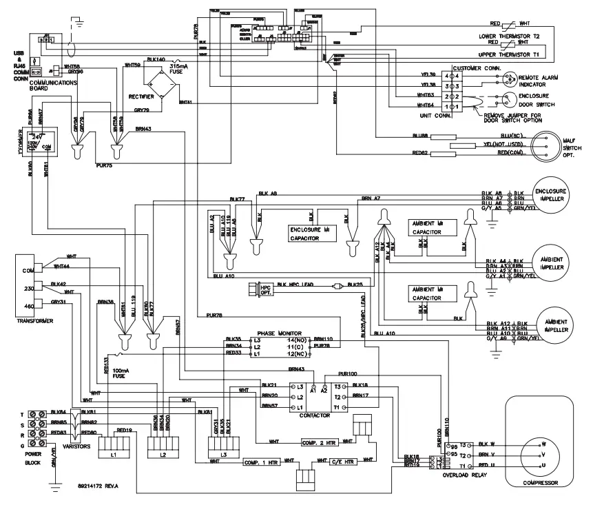
GENERIC 115V WIRE DIAGRAM (ACTUAL UNIT OPTIONS MAY VARY)

GENERIC 230V WIRE DIAGRAM (ACTUAL UNIT OPTIONS MAY VARY)

GENERIC 460V WIRE DIAGRAM (ACTUAL UNIT OPTIONS MAY VARY)

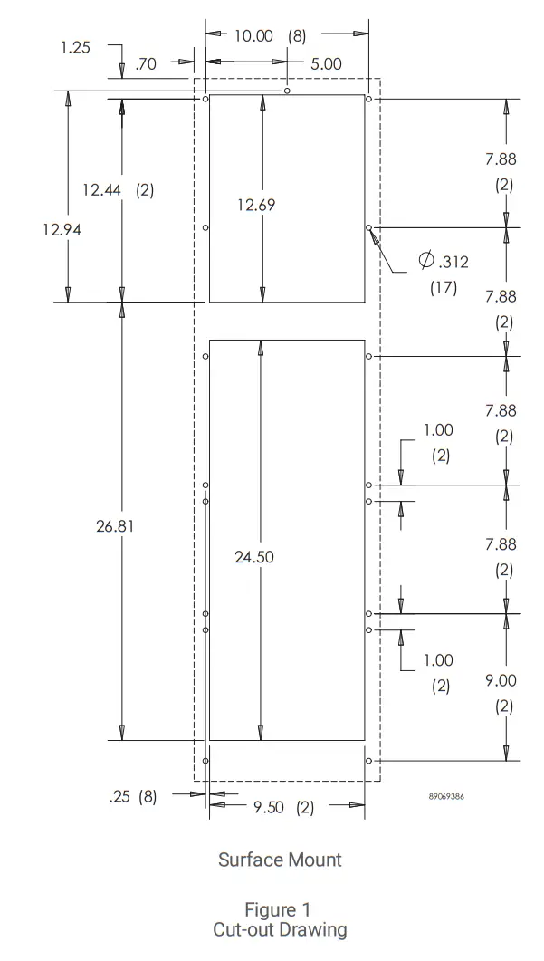
DIMENSIONAL DRAWING

GENERAL SAFETY INFORMATION
Please observe the following general safety instructions when assembling and operating the unit:
- Assembling, installing and servicing must only be performed by properly trained specialists.
- When transporting the enclosure with the cooling unit externally mounted, always use an additional shipping brace to support the cooling unit.
- Do not attempt to operate the air conditioner while it is horizontal or on its side, back or front.
- Operation of air conditioner in areas containing airborne caustics or chemicals can rapidly degrade sealing properties of materials, deteriorate filters, refrigeration coils, blowers and motors. Contact nVent Equipment
Protection for special recommendations. See Maintenance on page 28.
DANGER
Danger: explosion hazard – do not energize, disconnect, or troubleshoot equipment unless power has been switched off or the area is known to be non-hazardous. Unit to be installed and maintained by properly trained personnel only.
INSTALLATION INSTRUCTIONS
- Refer to nameplate for hazardous location rating.
- Install a suitable switch to de-energize the air conditioner for repairs or remove the fuse.
- Inspect the air conditioner and verify correct functionality before mounting the air conditioner. See Handling and Testing the Air Conditioner on page 4.
- Using the mounting gasket kit provided with the unit, install gaskets to the air conditioner.
- When considering a location for the unit, it is recommended that a six (6) inch clearance be maintained on at least one side of the air conditioner. It is also recommended that twenty (20) inches of clearance be allowed from the front of the unit for cover removal.
- Figure 1 and the cutout template included with the unit will assist in preparing the enclosure for installation of the unit. NOTE: Mount the unit within 3° from vertical.
- Mount air conditioner on enclosure taking care not to damage the mounting gasket. The mounting gasket is the seal between the air conditioner and the enclosure. Avoid dragging the air conditioner on the enclosure with the mounting gasket attached as this could cause rips or tears in the gasket and risk losing the water tight seal.
- To avoid cross-threading mounting inserts, start bolts by hand before tightening with a wrench or ratchet driver. Allow unit to remain upright for a minimum of five (5) minutes before starting. CAUTION! Air conditioner must be in upright position during operation.
- Refer to the nameplate for electrical requirements. Wire the unit to a properly grounded power supply. Electrical circuit should be fused with slow blow or HACR circuit breaker.
- Adjust the controller to the desired cabinet temperature. Refer to DISPLAYING AND CHANGING PROGRAM Settings on page 17 for controller adjustments and operation.
CAUTION MISE EN GARDE
The unit is meant to be installed in an enclosure suitable for the environment listed previously and such that the field wiring and controls are only accessible with the use of a tool. When installed on an enclosure, only the front/face side, ambient air in, and ambient air out can be exposed to the environment.

DIGITAL THERMOSTAT CONTROLLER (OPTIONAL)
OVERVIEW
The digital thermostat (controller) is a parametric controller for the complete management of air conditioners. All settings are pre-programmed at the factory. Cooling/heating setpoint, cooling/heating differential and high/ low temperature setpoint are designed to be adjustable by the operator. All alarms are outputted through the
alarm relay. In addition, if Hoffman network card (Remote Access Control (RAC) Module) is used the parameters that state above and alarms are accessible remotely through Ethernet connection utilizing SNMP, Modbus TCP, EtherNet/IP, and Profinet protocol . A USB connection from the network card is also provided with accessibility to the digital thermostat controller utilizing Modbus RTU and RS-845 serial bus. In addition, the USB connection is also used to read the network information from the Hoffman network card and temperature setpoints and alarm from the controller. Note that Hoffman network card (RAC module) is acting as a gateway to the digital thermostat where temperature setpoints and alarm can be viewed and/or changed remotely.
Note: nVent Hoffman network card (RAC module) is an optional accessory, therefore, some of the air conditioners ship without the network card but it is upgradable upon request.
ENERGIZING THE CONTROLLER
The digital controller is wired and programmed at the factory to operate when power is applied to the air conditioner. In normal condition, the evap fan starts operating after the completion of the self-evaluation which is less than 30 seconds and fan icon should be illuminated along with the inlet and outlet temperature data (if an option outlet temperature sensor is installed).
CONTROL STATUS INDICATION
The display has numerous symbols to indicate the various controller functions such as cooling, heating, alarming, evaporator fan, and heating. Indicators (icons) are steady illuminated on screen when active.

KEYPAD
| SYMBOL | COLOR | ICON INDICATION | ICON STATUS |
| Red | Alarm – active when alarm is detected | Flashing when alarm is detected |
| White | Keypad Select – access to passcode , hold 5 sec to turn unit ON/OFF, parameter menu, parameter setting, write or save to EEPROM, and hold for 3sec to return to main screen | ON |
| White | Keypad Up – navigate to previous parameter and increasing parameter variable | ON only when reviewing parameters |
| White | Keypad Down – navigate to next parameter and decreasing parameter variable, all inputs, unit status. | ON |
MAIN FIELD
| SYMBOL | COLOR | ICON INDICATION | ICON STATUS |
| °C | White | When operating temperature in degrees Celsius | ON |
| °F | White | When operating temperature in degrees of Fahrenheit | ON |
| Main Field Line 1 | White | Display inlet temperature | ON |
| Main Field Line 2 | Orange | 1. Display outlet temperature in standalone mode if outlet sensor is present 2. Displays device ID for primary-secondary mode up to 10 units, 1:10 … 10:10 or lead- lag mode up to 2 units, 1:2… 2:2 | ON |
ICONS
| SYMBOL | COLOR | ICON INDICATION | ICON STATUS |
| White | Compressor Running | • Flashing while waiting for compressor to turn ON • Steady ON while compressor is running |
| White | Evaporator Running | ON |
| White | Electric heater ON | ON |
| White | Primary and/or lead controller | ON |
| White | Freeze control | Compressor and Condenser fan OFF while illuminated |
| White | Power ON | ON |

DISPLAYING AND CHANGING PROGRAM SETTINGS
TO VIEW OR ACCESS THE SETTINGS
TO ACCESS FOLDER MENUS:
- Press
button to display passcode screen, the screen displays PSd on line 1 and 0000 on line 2. - Press
button to access to passcode , the first digit of 0000 is flashing and press 3 more times until the last digit of 0000 flashes. - Press
arrow two times to change the 0 to 2. Press
for access to folder menus.
Note: to exit the security level to the main screen wait one minute with no action or Press
arrow until LOG Out message displays, then press
button.
TO CHANGE A PARAMETER SETTING
- Once in the folder menu navigate to the desired setting to be changed using the
arrow to scroll and
button to access a menu or parameter. - To change a parameter Press
button and parameter value will begin to flash. - Press
/
arrow to the desire value. - Press button to save the setting and the screen will revert to the parameter mnemonic.
Note: if
button is not pressed, the new setpoint is not saved.
To exit the parameter settings to the main screen wait one minute with no action or Press
arrow few times until ESC displays, then press
button to return to UoF screen. From the UoF screen Press
arrow few times until LOG Out message displays, then press
button to return to the main screen.
Selecting ESC returns to folder menu.
Selecting LOG out returns to main screen.
HEAT/COOL OPERATING PARAMETERS
| Mnemonic Parameter | Description | Default Value | Range |
| CSt1 | Cooling setpoint | 80 F | 72 F to 120 F |
| Cd (Cd1)1 | Cooling differential | 7 F | 2 F to 25 F |
| Cd24 | Cooling differential 2 | 15 F | |
| HSt2 3 | Heating setpoint | 50 F | 45 F to 60 F |
| Hd3 | Heating differential | 7 F | 2 F to 25 F |
- Compressor or cooling turns ON at CSt + Cd and OFF at CSt
- Heater or heating turns ON at HSt and OFF at HSt + Hd
- Heating mode is only applied to a unit with heater option
- Cooling differential 2 is only applied to 2-stage compressor and lead-lag application
ALARM PARAMETERS
| Mnemonic Para | Description | Default value |
| Ht | High temperature alarm setpoint | 125 F |
| Lt | Low temperature alarm setpoint | 40 F |
| dO | Door open alarm setting | NC |
| ArOP | Alarm relay output | NO |
NOTES: (4) The alarm relay output logic is designed to be configurable
VIEW ALARMS
Alarms may be viewed when the alerting icon
is flashing.
- On the main screen, press the alerting icon
button - The screen displays the most recent or newest alarm where the alarm code display on line 1 and the alerting icon
is now in steady - Press
arrow to view next alarm if there are more than one - Press
arrow to display ESC, then press
button to return to the main screen
VIEW THE ALARMS IN THE ALARM HISTORY FOLDER
- Follow instructions above to enter the passcode and open the alarm history folder (AHiF).
- Press
button to access to the alarm history. - Press
arrow to display the mnemonic alarm on line 1 and time, month, and day display on line 2. For example, low temp alarm (Lt) displays on line 1 and 09:24 and 0706 display on line 2 in sequence. Note that the time, and date recorded in the alarm history is based on the local realtime-clock if configured after installation. - Press
arrow to view next alarm. The controller is able to retain up to 25 events - Press

arrow until the screen displays ESC, then press
button to return to the main screen or if no action for longer than 60 seconds the screen will be automatically revert to the main screen.
NOTE: if no alarms are present then only ESC will be displayed in the folder.
There are seven possible alarms (non-latching) detectable by the controller and are indicated on the controller display. All alarms are accessible locally. If a Hoffman network card (RAC module) is used, alarms are also accessible remotely through the Ethernet and USB connection.
| Mnemonic Alarm | Description | Cause | Result | Alarm Relay Output |
| dO | Door open alarm | Enclosure door opens or not properly close | Compressor and evap fan turn OFF in duration of alarm | Closed |
| S1F | Inlet temperature sensor fault | Inlet temp probe failed | No effect on function, controller continue operating as normal using outlet sensor with setpoint of 50 F | Closed |
| S2F | Outlet temperature sensor fault | Outlet temp probe failed | No effect on function but loss freeze protection | Closed |
| LA | Malfunction alarm | MALF high pressure switch opens | No effect on function | Closed |
| Ht | High temp warning | Enclosure air exceeds high temp alarm setpoint | No effect on function | Closed |
| Lt | Low temp warning | Enclosure air drops below low temp alarm setpoint | No effect on function | – |
| FA | Frost alarm | Evaporator coil freezes | Compressor and condenser fan turns OFF for the duration of alarm. Alarm clears when the outlet temperature sensor reaches 59 F | Closed |
TO RESET THE ALARMS IN ALARM HISTORY FOLDER
The controller is designed with ability to reset or clear the alarm history
- Follow instructions above to enter the passcode and open the reset folder (rStF).
- The screen displays rSAL on line 2 and nO on line 1, press
button the nO is flashing - Press
arrow to change nO to YeS, then press
button reset the alarms. The screen flashes once and returns to rSAL with nO one line 2 - Press
arrow to navigate to ESC, then press
to returns to rStF screen. - Press
arrow to navigate to LOG Out, then press
button to return to the main screen or if no action for longer than 60 seconds the screen will be automatically reverted to the main screen.
TO RESET PARAMETERS TO FACTORY DEFAULT
This option is ONLY applied if the operator wants to reset all control parameters back to factory default.
- Follow instructions above to enter the passcode and open the reset folder (rStF).
- The screen displays rSAL, press
arrow to navigate to rSPA and then press
button - The screen displays rSPA one line 1 and the word nO on line 2 in steady state, press
button and then the word nO is flashing and ready to change - Press
arrow to change nO to YES. Press
button the screen displays PSd with 0000 on line 2 - Press button to enter to passcode. Press
button few times until the last digit of 0000 flashing - Press
arrow to change 0 to 2, press
button to authorize the reset of the parameters - The screen returns to rSPA screen in steady state.
- Press
arrow to navigate to ESC, then press to returns to rStF screen. - Press
arrow to navigate to LOG Out, then press button to return to the main screen or if no action for longer than 60 seconds the screen will be automatically reverted to the main screen.
DISPLAYING TEMPERATURE DATA ON SCREEN
There are two temperature probes in the air conditioner where one is reading the enclosure air temperature incoming to the air conditioner and other is reading the cooled air leaving the air conditioner and entering the enclosure. Both temperature data are displayed on the screen where line 1 is the reading of the inlet temperature and line 2 is the reading of the outlet temperature.
COMPRESSOR RESTART TIME DELAY
A factory set 3 minute (180 seconds) restart delay exists to reduce residual back pressure before allowing the compressor to restart. The compressor will stay off for the entire restart duration after the compressor is disabled. A flashing compressor icon
on the display indicating that the unit is in a compressor restart delay mode while calling for cooling or waiting for compressor to turn ON.
ALARM OUTPUT CONTACT
The digital controller has a normally open dry contact alarm output with a resistive load rating of 250VAC @ 5 amps max. The two yellow 18 AWG wires located at the back of the air conditioner provide a connection to this output. Note: do not apply power to this normally open dry contact (two yellow 18 AWG wire). This alarm relay output is configurable and provides user with the ability to change the configuration to support their external device. Parameter C21 controls the alarm relay output logic and can be accessed through security code “0022” in the PArF folder.
| Para | Description | Configuration |
| C21 | Alarm relay output logic | 0 = normally open (NO) – factory default 1 = normally closed (NC) |
ALARM INPUT CONNECTION
The digital controller can accept a dry contact/switch input via the two 18 AWG white wires located at the back of the air conditioner. This input is associated with the controller display alarm mnemonic dO (door open). To use this feature, remove the splice connector, and connect the two white wires to customer supplied enclosure door
switch in its place. Note: do NOT apply power to this dry contact input.
PRIMARY-SECONDARY (PS) MODE
Note: during normal operation, in both the primary-secondary (PS) and lead-lag (LL) operating modes, line 2 displays the device ID, not the outlet temperature. The outlet temperature can be viewed on line 1 by pressing
arrow.
Primary-secondary (PS) mode shares the same hardware and source code as standalone mode, but offers more functionality and features. The controller ships from the factory in Standalone Mode. PS mode is configured manually in the field after the installation. This option allows the user to operate the air conditioner in a group network with up to 10 units. To support PS mode, three parameters, H01, H02, and H03 need to be configured. H01 specifies the operating mode, H02 specifies the device ID, and H03 specifies the total number of the units in the group network.
Before configuring to operate in PS mode, the user should understand the functionality of the PS mode.
- In the PS mode, all units operate off the cooling/heating setpoint and differential of the primary unit. The system prevents setpoint changes from secondary units.
- The primary unit monitors the enclosure temperatures of all the units and manages the ON/OFF status of cooling and heating based on the unit reporting the highest temperature.
- When cooling is initiated the primary unit energizes first. Secondary units are energized sequentially at 10 second intervals. When heating is initiated all units turn on heat together. When cooling or heating is satisfied all units turn off together.
- If the number of units communicating on the network doesn’t match the value in H03 then the primary unit will display alarm LC, and the secondary units will display alarm LC1 until the communication re-established.
- Any unit that loses communication with the primary unit will enter standalone mode and continue operating based on its own temperature probe until communication is re-established.
- All temperature setpoints and alarms can be viewed remotely if one of the ACUs is equipped with Hoffman network card (RAC module).
- Best recommendation is to configure the ACU that has Hoffman network card to be the primary one.
CONNECTING UNITS TOGETHER IN PRIMARY/SECONDARY MODE

TO CONFIGURE THE CONTROLLER FROM SINGLE MODE TO PS MODE, SIMPLY FOLLOW BELOW PROCEDURES
- Before proceeding the PS mode configuration for each controller, make sure that the communication cable is connected from one ACU to another using a shielded cable with the shield grounded.
- Press
button to display passcode screen, the screen displays PSd on line 1 and 0000 on line 2. - Press
button to access to passcode , the first digit of 0000 is flashing and press 2 more times until the third digit 0000 flashes. Press
arrow two times to change 0 to 2, then press
button to move to the last digit 0020 - Press
arrow two times to change the 0 to 2. - Press button to access to folder menu and then, the screen displays ALrF
- Press
arrow to navigate to PArF, then press
button to access to parameter menu - The screen displays C, press
arrow to navigate to parameter H and then, press
button to access to parameter H menuParameter Description Available Range PS Settings Default H01
Mode
SA (stand alone) PS (primary-secondary)
SA
PS (primary-secondary) LL (lead-lag) H02 Device ID 1 up to 10 1 up to H03 1 H03 Total number of the units in the group network 1 up to 10 2 up to 10 1 - Set parameter H01 to PS (primary-secondary).
Note that after H01 = PS, the snowflake icon is illuminated and line 2 changes its display information from outlet temperature to device ID, for example, line 2 displays 01:02 where 01 indicates controller #1 and 02 indicates the total number of the controllers in a group network. Keep in mind that the snowflake icon only illuminates on primary controller. - Set parameter H02 (device ID) to 1 to 10. This device ID will be different for each controller that is connected. The controller set to 1 will be the primary controller. Use numbers sequentially and don’t skip using a number. 10. Set parameter H03 (total number of controllers connected) to 1 to 10.
CONNECTING UNITS TOGETHER IN LEAD/LAG MODE

TO CONFIGURE THE CONTROLLER FROM SINGLE MODE TO LL MODE, SIMPLY FOLLOW BELOW PROCEDURES. PERFORM THIS CONFIGURATION FOR BOTH AIR CONDITIONERS.
- Before proceeding the LL mode configuration for each controller, make sure that the communication cable is connected from one ACU to another using a shielded cable with the shield grounded.
- Press
button to display passcode screen, the screen displays PSd on line 1 and 0000 on line 2. - Press
button to access to passcode, the first digit of 0000 is flashing and press 2 more times until the third digit 0000 flashes. Press
arrow two times to change 0 to 2, then press
button to move to the last digit 0020. - Press
arrow two times to change the 0 to 2. - Press
button to access to folder menu and then, the screen displays ALrF. - Press
arrow to navigate to PArF, then press
button to access to parameter menu. - The screen displays C, press
arrow to navigate to parameter H and then, press
button to access to parameter H menu.Parameter Description Available Range LL Settings Default H01
Mode
SA (stand alone) PS (primary-secondary) LL (lead-lag)
LL (lead-lag)
SA
H02 Device ID 1 up to 10 1 or 2 1 H03 Total number of the units in the group network 1 up to 10 2 1 H14 LL strategy selection 0-250 0 (Alternate each cycle) 1-250 (Alternate hours) 0 - Set parameter H01 to LL (lead-lag).
- Set parameter H02 (device ID) to 1 for one unit and 2 for the other unit.
- Set parameter H03 (total number of controllers connected) to 2.
- Set parameter H14 (LL strategy selection) to 0 to 250. This is the run time in hours before ACU1 and ACU2 will alternate being the lead unit. When set to zero ACU1 and ACU2 will automatically alternate every cycle.
AIR CONDITIONER UNIT REMOTE COMMUNICATION FEATURES
Air conditioners that include the optional Hoffman network card (RAC module) have remote communication capabilities utilizing SNMP, Modbus TCP, EtherNet/IP, Profinet Protocol via Ethernet connection, and Modbus RTU protocol via USB connection. nVent provides Windows interface application software that is available to download free from nVent support link https://go.nvent.com/remote-access-control-support-center. The Windows interface application software supports both Ethernet and USB communication.
USB COMMUNICATION
This communication mode allows direct connection from a laptop (or PC) to the air conditioning unit using a Mini-b USB cable. As stated above, Modbus RTU is used to communicate between the two devices via USB connection.
ETHERNET COMMUNICATION
This communication mode allows remote connection to the air conditioning unit utilizing SNMP, Modbus TCP, EtherNet/IP, and Profinet protocol. Customers that use their own software can download an MIB file for SNMP, EDS or EtherNet/IP Object file for EtherNet/IP, Coil Register file for Modbus TCP, and Data Point for Profinet.
Note: the Ethernet card (RAC module) has a default IP Address of 192.168.1.2
Both Ethernet and USB communication allow the ability to:
- Read ACU inlet and outlet air temperature
- Read and change cooling and cooling differential setpoints
- Read and change heating and heating differential setpoints
- Read and change the high and low temperature alarm settings
- Read and change the Gateway IP address, Device IP address, Subnet MASK, Trap IP address, and community string
- Read and change unit identification
- Read and change the state of IP address from static to dynamic or vice versa
- Read and change the air temperature unit of measure (from F to C or vice versa)
- Read current alarm status
- Evaporator fan control setting
- Read and change the control of door open switch
SOFTWARE AND CONFIGURATION FILE DOWNLOADS
As stated above, the PC interface tool, MIB file, EDS and EtherNet_IP Object file, Coil Register file, and Data Point file can be downloaded from remote access control support center link, https://go.nvent.com/remote-access-control-support-center.
USING HOFFMAN PC INTERFACE TOOL
Hoffman PC Interface Tool gives the user the ability to communicate with Hoffman air conditioning unit as to read and write air temperature data, high and low temperature alarm setting, active alarms, and other information from the controller remotely using either Ethernet or USB connection. With Hoffman PC Interface Tool a user has the ability to remotely manage and monitor hundreds of Hoffman air conditioners both domestically and globally at one central location at user’s own pace, so long as all air conditioners are configured in the same subnet in the network. Hoffman PC Interface Tool also supports text message and email alerting to a service technician when an alarm occurs. In addition, the tool also provides data logging capability for data analysis.
USB COMMUNICATION MODE
NOTE: before connecting the unit to the PC, make note of Comm Ports present. After the unit is connected to the PC, a new Comm Port will be added to the list. Recommend using the new Comm Port.
- In the Hoffman A.C. Monitor main screen, click on Tools and uncheck Use Ethernet
- Click on Tools menu again, the Comm Port menu is now enabled
- Put the mouser icon to the Comm Port and to the right there is small box with dropdown arrow
- Click on the dropdown arrow next to the small box to view the list of the Comm Port
- Write down the list of the Comm Port
- Connect the Mini-b USB cable from the PC or laptop to the A/C unit
- Click on Tools menu and point the mouser icon to the Comm Port, the small box with dropdown arrow presents to the right
- Click on the dropdown arrow and select the newest or higher number of the Comm Port
TO VIEW THE CONTROLLER DATA INFORMATION FROM THE A/C UNIT
- In the Hoffman A.C. Monitor main screen, select Single ACU Monitor tab.
- Click on Enable Comm button, then the screen will be displayed the enclosure air temperature and other temperature settings information include the unit of measure.
- The Enable Comm text on the button now changes to Disable Comm.
- To stop the communication, click on the Disable Comm button and it will change to Enable Comm.
TO CHANGE THE TEMPERATURE SETTINGS TO THE CONTROLLER
- In the Hoffman A.C. Monitor main screen, select Single ACU Settings tab.
- Note: the Change Settings button is disable and all settings are grayed out. Click on Read Settings button, all settings are now displayed on screen and the Change Settings button is now enable.
- To change any of the temperature setting, Unit ID, or Station Name, simply click up/down arrow on right of the box or highlight the current value and type the new value in the box.
- Check the box on the left, then click on Change Setting buttons to save the new setpoint.
- Click on Read Settings again to verify the new setpoint.
- Select Single ACU Monitor tab and click on Enable Comm to read the new temperature settings from the controller.
- Each of the setpoint should match the new variables that just entered from the Single ACU Settings tab.
TO VIEW AND CHANGE THE ETHERNET CARD (RAC) INFORMATION
- In the Hoffman A.C. Monitor main screen, select Single ACU Ethernet Info tab and notice that the Reprogram ACU button is disabled.
- Click on Read Ethernet Info button, the Ethernet information will be displayed and the Reprogram ACU button is enable.
- To change the Ethernet configuration such as Device IP Address, Gateway IP, and Trap IP, make sure to change the Community string to private from public. Note that case is very sensitive. The wording must be lower case only.
- Enter the new network configuration to Device IP address, Gateway IP, and Trap IP, then click on Reprogram ACU button to write to the network card.
- In order to be recognized the new networking configurations in local network, cycle power to the A/C unit is required.
TO CHANGE THE STATIC NETWORK TO DYNAMIC NETWORK MODE
- In the Single ACU Ethernet Info tab screen, click on Read Ethernet Info button to read the network card information.
Note: the Reprogram ACU button is now enable. - Check the box next to the Use DHCP Server on the upper left corner of the screen.
- Click on Reprogram ACU button. Now the network is switched to dynamic from static mode.
- To change the dynamic mode to static mode, in the Single ACU Ethernet Info tab window click on Read Ethernet Info button.
- Uncheck the box next to the Use DHCP Server on the upper left corner of the screen.
- Click on Reprogram ACU button to switch to static mode.
USB COMMUNICATION MODE
NOTE: before connecting the unit to the PC, make note of Comm Ports present. After the unit is connected to the PC, a new Comm Port will be added to the list. Recommend using the new Comm Port.
- In the Hoffman A.C. Monitor main screen, click on Tools and uncheck Use Ethernet.
- Click on Tools menu again, the Comm Port menu is now enabled.
- Put the mouser icon to the Comm Port and to the right there is small box with dropdown arrow.
- Click on the dropdown arrow next to the small box to view the list of the Comm Port.
- Write down the list of the Comm Port.
- Connect the Mini-b USB cable from the PC or laptop to the A/C unit.
- Click on Tools menu and point the mouser icon to the Comm Port, the small box with dropdown arrow presents to the right.
- Click on the dropdown arrow and select the newest or higher number of the Comm Port.
TO VIEW THE CONTROLLER DATA INFORMATION FROM THE A/C UNIT
- In the Hoffman A.C. Monitor main screen, select Single ACU Monitor tab.
- Click on Enable Comm button, then the screen will be displayed the enclosure air temperature and other temperature settings information include the unit of measure.
- The Enable Comm text on the button now changes to Disable Comm.
- To stop the communication, click on the Disable Comm button and it will change to Enable Comm.
TO CHANGE THE TEMPERATURE SETTINGS TO THE CONTROLLER
- In the Hoffman A.C. Monitor main screen, select Single ACU Settings tab.
- Note that the Change Settings button is disable and all settings are grayed out. Click on Read Settings button, all settings are now displayed on screen and the Change Settings button is now enable.
- To change any of the temperature setting, Unit ID, or Station Name, simply click up/down arrow on right of the box or highlight the current value and type the new value in the box.
- Check the box on the left, then click on Change Setting buttons to save the new setpoint.
- Click on Read Settings again to verify the new setpoint.
- Select Single ACU Monitor tab and click on Enable Comm to read the new temperature settings from the controller.
- Each of the setpoint should match the new variables that just entered from the Single ACU Settings tab.
TO VIEW AND CHANGE THE ETHERNET CARD (RAC) INFORMATION
- In the Hoffman A.C. Monitor main screen, select Single ACU Ethernet Info tab and notice that the Reprogram ACU button is disabled.
- Click on Read Ethernet Info button, the Ethernet information will be displayed and the Reprogram ACU button is enable.
- To change the Ethernet configuration such as Device IP Address, Gateway IP, and Trap IP, make sure to change the Community string to private from public. Note that case is very sensitive. The wording must be lower case only.
- Enter the new network configuration to Device IP address, Gateway IP, and Trap IP, then click on Reprogram ACU button to write to the network card.
- In order to be recognized the new networking configurations in local network, cycle power to the A/C unit is required.
TO CHANGE THE STATIC NETWORK TO DYNAMIC NETWORK MODE
- In the Single ACU Ethernet Info tab screen, click on Read Ethernet Info button to read the network card information.
Note: the Reprogram ACU button is now enable. - Check the box next to the Use DHCP Server on the upper left corner of the screen.
- Click on Reprogram ACU button. Now the network is switched to dynamic from static mode.
- To change the dynamic mode to static mode, in the Single ACU Ethernet Info tab window click on Read Ethernet Info button.
- Uncheck the box next to the Use DHCP Server on the upper left corner of the screen.
- Click on Reprogram ACU button to switch to static mode.
ETHERNET COMMUNICATION MODE
- In the Hoffman A.C. Monitor screen, click on Tools on the main menu.
- In the dropdown window, check the Use Ethernet and notice that Comm Port is now disabled.
- Select Single ACU Monitor tab, in the window click on the Device IP box and type the IP address that need to communicate to the network card.
- Click on the Community box and then type the word private.
Note: there are two community strings where one is for read ONLY and one is for read/write.
The word “public” allows to read ONLY and “private” allows to read and write. - Click on Enable Comm button to communicate to the network card and read the temperature information from the controller.
- Now the temperature settings information in the controller present on the screen.
- To view and change the temperature setpoints, Ethernet card configurations, static and dynamic networking mode, simply follow the same procedures that define for the USB communication mode above.
TO MONITOR MULTIPLE A/C UNITS IN THE NETWORK
With the Ethernet networking mode, it provides user with the ability to manage and monitor hundreds of the A/C units from distance domestically and globally at one central location as long as all A/C units configure in the same subnet in the network. Refer to remote access control (RAC) Instruction Manual for configuring multiple units and with text message and email capability in Hoffman A.C. Monitor software. The remote access control Instruction Manual, P/N: 89091002 can be downloaded from nVent support center link, https://go.nvent.com/remote-access-control-support-center.
ALARM LOG ACCESSIBLE WITH SUPPORT PROTOCOL
- Using custom software with below supporting file gives the user the ability to view a log of the last 25 alarms
• MIB file for SNMP protocol
• Register and Coil file for Modbus TCP protocol
• EDS and/or EtherNet_IP Objects file for EtherNet/IP protocol
• Profinet Data Point file for Profinet protocol
REMOTE ACCESS CONTROL PIN-OUT
| FUNCTION | NAME | PIN# | WIRE# | |
|
J6 | RETURN | C | 1 | BLK75 |
| ENCL MI | NO1 | 2 | BLK77 | |
| COOL | NO2 | 3 | ORG78 | |
| NA | N03 | 4 | – | |
| HEAT | NO4 | 5 | BRN76 | |
| J7 | RETURN | C | 2 | YEL39 |
| ALAR RELAY OUTPUT | NO5 | 3 | YEL38 | |
| J1 | GROUND | G0 | 1 | BLK40 |
| POWER (24VAC) | G | 2 | WHT41 | |
|
J2 | NA | 5V | 1 | – |
| NA | S3 | 2 | – | |
| INLET TEMP PROBE | S1 | 3 | RED | |
| NA | Y1 | 4 | – | |
| DOOR OPEN SWITCH | ID1 | 5 | WHT63 | |
| GROUND | O | 6 | WHT | |
| RESERVED | S5 | 7 | – | |
| OUTLET TEMP PROBE | S2 | 8 | RED45 | |
| NA | Y2 | 9 | – | |
| MAL-FUNCTION ALARM | ID2 | 10 | BLU88 | |
|
J3 | RESERVED | ID3 | 1 | – |
| UNIT REMOTE ON/OFF | ID5 | 2 | – | |
| NA | +V | 3 | – | |
| RESERVED | S6 | 4 | – | |
| NA | VL | 5 | – | |
| RESERVED | ID4 | 6 | – | |
| GROUND | O | 7 | – | |
| RESERVED | S4 | 8 | – | |
| J4 | DATA (-) | – | 1 | BLK |
| DATA (+) | + | 2 | RED | |
| GROUND | O | 3 | WHT | |
| J5 | DATA (-) | – | 1 | – |
| DATA (+) | – | 2 | – | |
| GROUND | O | 3 | – |
GENERAL SAFETY INFORMATION
Please observe the following general safety instructions when assembling and operating the unit:
- Assembling, installing and servicing must only be performed by properly trained specialists.
- When transporting the enclosure with the cooling unit externally mounted, always use an additional shipping brace to support the cooling unit.
- Do not attempt to operate the air conditioner while it is horizontal or on its side, back or front.
- Factory-supplied replacement parts must be used.
- Repaired/replaced components must be located and wired in the identical location as the original components.
- Hazardous Location rating may be compromised if the above are not followed.
- Operation of air conditioner in areas containing airborne caustics or chemicals can rapidly degrade sealing properties of materials, deteriorate filters, refrigeration coils, blowers and motors. Contact nVent Equipment Protection for special recommendations.
DANGER
Danger: explosion hazard – do not energize, disconnect, or troubleshoot equipment unless power has been switched off or the area is known to be non-hazardous.
Unit to be installed and maintained by properly trained personnel only.
F-GAS INFORMATION
| NHZ431216GXXX | NHZ431226GXXX | NHZ431246GXXX | |
| Refrigerant Kühlmittel Chłodziwo | R134a | R134a | R134a |
| GWP | 1430 | 1430 | 1430 |
| Factory Charge Füllmenge durch Hersteller Opłata Fabryczna | 1021 Grams 1021 Gramm 1021 Gramów | 1106 Grams 1106 Gramm 1106 Gramów | 1219 Grams 1219 Gramm 1219 Gramów |
| CO2 Equivalent CO2 Equivalent CO2 Ekwilalent | 1.46 Tons 1,46 Tonnen 1,46 Tony | 1.58 Tons 1,58 Tonnen 1,58 Tony | 1.74 Tons 1,74 Tonnen 1,74 Tony |
MAINTENANCE
COMPRESSOR
The compressor requires no maintenance. It is hermetically sealed, properly lubricated at the factory and should provide years of satisfactory operating service.
Under no circumstances should the access fitting covers be loosened, removed or tampered with.
Breaking of seals on compressor access fittings during warranty period will void warranty on hermetic system.
Recharging ports are provided for the ease and convenience of reputable refrigeration repair service personnel for recharging the air conditioner.
INLET AIR FILTER
This air conditioner was designed with a dust resistant condenser coil. This allows it to be run filterless in most applications. The air conditioner is shipped with a filter in place for your convenience. For filterless operation, simply remove the filter. Should you decide the filter is necessary in your application, regular maintenance to clean this filter will assure normal operation of the air conditioner. The easily removable inlet air filter is located behind the inlet of the front cover. If necessary filter maintenance is delayed or ignored, the maximum ambient temperatures under which the unit is designed to operate will be decreased.
If the compressor’s operating temperature increases above designed conditions due to a dirty or clogged filter (or plugged condenser coil), the air conditioner’s compressor will stop operating due to actuation of the thermal overload cut-out switch located on the compressor housing. As soon as the compressor temperature has dropped to within the switch’s cut-in setting, the compressor will restart automatically. However the above condition will continue to take place until the filter or coil has been cleaned. It is recommended that power to the air conditioner be interrupted intentionally when abnormally high compressor operating temperature causes automatic shut-down of the unit. The above described shut-down is symptomatic of a clogged or dirty filter, thus causing a reduction in cooling air flow across the surface of the compressor and condenser coil.
HOW TO REMOVE, CLEAN OR INSTALL A NEW INLET AIR FILTER
RP aluminum washable air filters are designed to provide excellent filtering efficiency with a high dust holding capacity and a minimum amount of resistance to air flow. Because they are constructed entirely of aluminum they are lightweight and easy to service. To achieve maximum performance from your air handling equipment, air filters should be cleaned on a regular basis.
The inlet air filter is located behind the condenser air inlet grille. To access the filter, simply slide it out. The filter may now be cleaned or a new filter installed.
Cleaning Instructions:
- Flush the filter with warm water from the exhaust side to the intake side. DO NOT USE CAUSTICS.
- After flushing, allow filter to drain. Placing it with a corner down will assure complete drainage.
CONDENSATE MANAGEMENT AND DRAIN TRAP MAINTENANCE
The drain trap can be cleaned by pouring soapy water into the face of the evaporator coil. An alternate method is to remove the panel underneath the condenser coil, locate the drain trap above the condensate evaporator pan, and blow compressed air through the tube.
CONDENSER AND EVAPORATOR AIR MOVERS
Impeller motors require no maintenance. All bearings, shafts, etc. are lubricated during manufacturing for the life of the motor.
If the condenser impeller motors (ambient impellers) should fail, it is not necessary to remove the air conditioner from the cabinet or enclosure to replace the blower. The condenser impeller is mounted on its own bracket and is easily accessible by removing the front cover.
If the evaporator impeller motor should fail, it may require dismounting the unit from the enclosure because access to the evaporator is through the enclosure side. After it is repaired, refer to Installation Instructions on page 12 for mounting the unit back onto the enclosure. Replace the mounting gasket if damaged.
CAUTION MISE EN GARDE
Operation of air conditioner in areas containing airborne caustics or chemicals can rapidly degrade sealing properties of materials, deteriorate filters, refrigeration coils, blowers and motors.
Contact nVent Equipment Protection for special recommendations.
REFRIGERANT LOSS
Each air conditioner is thoroughly tested prior to leaving the factory to insure against refrigeration leaks. Shipping damage or microscopic leaks not found with sensitive electronic refrigerant leak detection equipment during manufacture may require repair or recharging of the system. This work should only be performed by qualified professionals, generally available through a local, reputable air conditioning repair or service company.
Should the refrigerant charge be lost, access ports on the suction and discharge sides of the compressor are provided for recharging and/or checking suction and discharge pressures.
Refer to the data on the nameplate which specifies the type of refrigerant and the charge size in ounces.
Before recharging, make sure there are no leaks and that the system has been properly evacuated into a deep vacuum.
REFRIGERANT PROPERTIES CHART (R134A)
| °F | °C | Pressure | °F | °C | Pressure | |
| -40 | -40 | -14.7 | 60 | 15.6 | 58 | |
| -35 | -37.2 | -12.3 | 65 | 18.3 | 64 | |
| -30 | -34.4 | -9.7 | 70 | 21.1 | 71.5 | |
| -25 | -31.7 | -6.8 | 75 | 23.9 | 78 | |
| -20 | -28.9 | -4 | 80 | 26.7 | 86.7 | |
| -15 | -26.1 | 0 | 85 | 29.4 | 95 | |
| -10 | -23.3 | 2 | 90 | 32.2 | 105 | |
| -5 | -20.6 | 4 | 95 | 35 | 113.3 | |
| 0 | -17.8 | 7.5 | 100 | 37.8 | 125 | |
| 5 | -15 | 9 | 105 | 40.6 | 135 | |
| 10 | -12.2 | 12 | 110 | 43.3 | 146.7 | |
| 15 | -9.4 | 15 | 115 | 46.1 | 157.5 | |
| 20 | -6.7 | 18.5 | 120 | 48.9 | 170 | |
| 25 | -3.9 | 22 | 125 | 51.7 | 185 | |
| 30 | -1.1 | 26 | ||||
| 35 | 1.7 | 30 | ||||
| 40 | 4.4 | 35 | ||||
| 45 | 7.2 | 40 | ||||
| 50 | 10 | 45.5 | ||||
| 55 | 12.8 | 51.5 |
UNIT CHARACTERISTICS
| Model | |||
| NHZ431216GXXX | NHZ431226GXXX | NHZ431246GXXX | |
| Dimensional Data | |||
| Height | 43” / 1092.2 mm | ||
| Width | 11.5” / 292.1 mm | ||
| Depth | 14” / 355.6 mm | ||
| Unit Weight | 127 lbs / 58 kg | 127 lbs / 58 kg | 138 lbs / 63 kg |
| Unit Protection Rating | Type 12/4/4X/3R Class 1 Division 2 Groups A, B, C, D T4A | ||
| Cooling Data | |||
| Refrigerant | R134a | ||
| Refrigerant Charge | 36 oz. | 39 oz. | 43 oz. |
| Cooling Capacity at 95 F Enclosure 95 F Ambient (BTU/Hr.) | 8875/10044 | 8713/9232 | 9384/10474 |
| Cooling Capacity at Max Conditions (BTU/Hr.) | 9555/10793 | 9664/10420 | 10864/11756 |
| Maximum Ambient Temp | 125 F / 52 C | 131 F / 55 C | 131 F / 55 C |
| Minimum Ambient Temp | -40 F / -40 C | ||
| Enclosure Airflow | 254/260 CFM | ||
| External Airflow | 494/528 CFM | ||
| Condensate Management | Hose discharge / Optional powered C/E | ||
| Electrical Data | |||
| Rated Voltage (50/60 Hz) | 115 V | 230 V | 400/460 V 3 phase |
| Rated Frequency | 50 / 60 Hz | ||
| Voltage Range | +/- 10% of rated | ||
| Cooling Amps at Max Conditions | 16.2/20.8 | 7.9/10.2 | 3.4/3.6 |
| Compressor RLA / LRA | 10/60 | 4.9/38.0 | 2.1/16.0 |
| Evaporator Fan RLA | .78/.93 | .39/.53 | .39/.53 |
| Condenser Fan RLA | .78/.93 | .39/.53 | .39/.53 |
FUNCTIONAL DATA
| Unit | Evaporator. Air In(°F) | Amps(A) | Condenser Delta(°F) | Evaporator Delta(°F) |
| NHZ431216GXXX | 65-80 | 8.4-11.7 | 17-36 | 19-40 |
| 80-100 | 9.5-14.4 | 19-43 | 22-45 | |
| NHZ431226GXXX | 65-80 | 6.0-7.8 | 11-23 | 17-41 |
| 80-100 | 6.4-8.7 | 12-27 | 22-44 | |
| NHZ431246GXXX | 65-80 | 2.6-3.3 | 13-30 | 20-40 |
| 80-100 | 2.7-3.5 | 16-35 | 22-48 |
SERVICE DATA
COMPONENTS LIST
| Part Description | Part Number | ||
| 115 V 1 PHASE | 230 V 1 PHASE | 460 V 3 PHASE | |
| Capacitor, Compressor, Start | 10103208SP | N/A | N/A |
| Capacitor, Condenser Impeller | 52603213SP | 52603214SP | 52603214SP |
| Capacitor, Evaporator Impeller | 52603213SP | 52603214SP | 52603214SP |
| Coil, Condenser | 89068466SP | 89068466SP | 89068466SP |
| Coil, Evaporator | 89068465SP | 89068465SP | 89068465SP |
| Coil, Evaporator E-coated | 89087195SP | 89087195SP | 89087195SP |
| Compressor (See note below) | 89169173 | 89107889SP | 89107890 |
| Filter, Air, Reusable | 89069703SP | 89069703SP | 89069703SP |
| Filter/Dryer | 52602806SP | 52602806SP | 52602806SP |
| Head Pressure Control Switch | 89112571SP | 89112571SP | 89112571SP |
| Impeller, Condenser | 89114225SP | 89114226SP | 89114226SP |
| Impeller, Evaporator | 89114225SP | 89114226SP | 89114226SP |
| Encapsulated Compressor Start Relay | 89203773 | N/A | N/A |
| Thermal Expansion Valve | 10104031SP | 10104031SP | 10104031SP |
| Transformer, Input Power | N/A | N/A | 101006128SP |
| Controller, Basic | 89202719SP | 89202719SP | 89202719SP |
| Thermistor | 89075654SP | 89075654SP | 89075654SP |
| Bridge Rectifier | 89087424SP | 89087424SP | 89087424SP |
| Communication Board | 89145457SP | 89145457SP | 89145457SP |
| Fuse, Controller (315mA) | 89085114SP | 89085114SP | 89085114SP |
| Encapsulated Compressor Overload | N/A | N/A | N/A |
| Solid State Relay | 89114223SP | 89114223SP | 89114224SP |
| Overload Relay | N/A | 89115269SP | 89098326 |
| Mounting Gasket | 89114211SP | 89114211SP | 89114211SP |
| Mounting Kit | 89068469SP | 89068469SP | 89068469SP |
| Stainless Steel Mounting Kit | 89116254SP | 89116254SP | 89116254SP |
DANGER
Danger: explosion hazard – Substition or incorrect installation of components may void the suitability for hazardous location use.
Note: This design utilizes an encapsulated compressor overload, which is mounted on the side of the compressor body. If the compressor is replaced, the standard overload (included with the compressor) must be discarded and not used. An encapsulated overload must be mounted and wired identical to the original.
TROUBLE SHOOTING
BASIC AIR CONDITIONING TROUBLE SHOOTING CHECK LIST – SMART CONTROLLER
- Check manufacturer’s nameplate located on the unit for correct power supply.
- Turn on power to the unit. The controller will display a start up sequence then revert to the normal temperature display mode. Is the correct enclosure temperature displayed?
Note: The temperature may be alternating with an alarm code.YES, proceed to step 3.
NO, possible problem:
» Open controller fuse
» Controller in alarm condition. See Alarm
Condition Display on page 32.
» Defective controller
» Defective thermistor – check by blowing
warm air across the thermistor. If display
temperature rises, thermistor is operable.
Replace part - The cooling status indication (symbol G) should be on. Is the symbol on? If not, press and hold the lower right “snowflake” button for greater than five seconds. Is the cooling mode symbol now on?
YES, proceed to step 4.
NO, possible problem:
» Defective controller
Replace part - The evaporator (Enclosure or “COLD” air) fan/impeller should turn on. Is there airflow?
YES, proceed to step 5.
NO, possible problem:
» Controller in alarm condition. See Alarm
Condition Display on page 32.
» Open motor winding
» Stuck fan/impeller
» Obstructed blades/wheel
» Defective motor capacitor
Repair or Replace
defective part - Start the cooling cycle by changing the cooling setpoint parameter (r01) to the low limit of 72 F (22 C). Symbol 1 should be displayed indicating a call for cooling. If symbol 1 is flashing, the unit is in Restart Time Delay mode. Within 6 minutes, symbol 1 should display without flashing. Is symbol 1 displayed without flashing?
YES, proceed to step 8.
NO, possible problem:
» Unit still in Recycle Time Delay mode
» Enclosure temperature below cooling
setpoint temperature
Wait and/or heat enclosure thermistor T1 - The compressor and the condenser (Ambient or “HOT” air) impeller(s) should turn on. Is there adequate airflow?
YES, proceed to step 7.
NO, possible problem:
» Open motor winding(s)
» Stuck impeller(s)
» Obstructed wheel(s)
» Defective motor capacitor(s)
Repair or Replace
defective part - Carefully check the compressor for proper operation – motor should cause slight vibration and the outer case of the compressor should be warm. Is the compressor showing signs of this?
YES, wait 5 minutes, proceed to step 8.
NO, possible problem:
» Defective start or run capacitor
» Defective overload
» Defective start relay
» Defective contactor
» Defective compressor
» Tripped overload relay
Reset, Repair or Replace
defective part - Make sure the coils are clean then check the evaporator “air in” and “air out” temperatures. If the temperatures are the same:
» Possible loss of refrigerant
» Possible bad valves in compressor
Repair or Replace defective part
SYMPTOMS AND POSSIBLE CAUSES – REMOTE ACCESS CONTROL VERSION
| SYMPTOM | POSSIBLE CAUSE |
|
Unit won’t cool | Clogged fins on coil(s) |
| Dirty filter | |
| Impellers not running | |
| Compressor not running | |
| Compressor runs, but has bad valves | |
| Loss of refrigerant | |
| Compressor tries to start but won’t run | Low line voltage at start. Should be +/-10% rated voltage. |
| Compressor motor stuck | |
| Bad contactor | |
| Bad overload switch | |
| Bad run/start capacitor | |
| Unit blows breakers | Undersized breaker/fuse or not time delayed |
| Short in system | |
| Getting water in enclosure | Drain plugged |
| Drain tube kinked | |
| Enclosure not sealed (allowing humidity in) | |
| Mounting gasket damaged | |
For additional technical support, contact nVent Equipment Protection at 800-896-2665.
NOTES
nVent
2100 Hoffman Way
Anoka, MN 55303 USA
+1.763.422.2211
+1.763.576.3200
nVent.com
© 2022 nVent
89215761
Rev. A
P/N 89215761


















