nVent NHZ43 Spectracool Hazardous Location Air Conditioner Instruction

HANDLING AND TESTING THE AIR CONDITIONER
position for a minimum of five (5) minutes before operating.
TEST FOR FUNCTIONALITY BEFORE MOUNTING THE AIR CONDITIONER TO THE ENCLOSURE.
Refer to the nameplate for proper electrical current requirements, and then wire the unit to a properly grounded power supply using copper conductors only. Power supply wiring should be restrained after field installation to ensure no contact with internal fan. Minimum circuit ampacity should be at least 125% of the amperage shown on the unit nameplate. No other equipment should be connected to this circuit to prevent overloading Immediately after applying power, the evaporator blower (enclosure air) should start running. Operate the air conditioner with the compressor running for five (5) to ten (10) minutes. You will need to set the cooling thermostat or controller setpoint below the ambient temperature to operate the compressor. Condenser air temperatures should be warmer than normal room temperatures within a few minutes after the condenser impellers start. See Sequence of Operation on page 4 for specifics on how the unit operates when powered up.
HOW TO READ MODEL NUMBERS
| NHZ43 | 04 | 2 | 6 | G300 |
| 1 | 2 | 3 | 4 | 5 |
- Identifies the type/family of air conditioner and the approximate height (i.e. NHZ43 = Narrow Hazardous Location family about 43 inches high).
- This is the air conditioner’s listed capacity in BTU/Hr. at rated conditions. (i.e. 06=6,000 BTU/Hr. at 131/131 F)
- = 115 Volt, 2 = 230 Volt, 4 = 460 Volt.
- 6 = 50/60 Hz or 60 Hz only.
- Unique set of numbers for each air conditioner which identifies the accessories on a model.
TECHNICAL INFORMATION
GENERAL
Sensor 2 monitors the enclosure return air temperature to prevent ice buildup on the evaporator coil. If the air temperature drops below -1 C, the compressor and condenser air mover(s) shut off. They turn back on when the temperature rises above 15 C.
The compressor and the air movers are equipped with overload protection to guard against excess current and temperatures.
SEQUENCE OF OPERATION
The air conditioner comes standard with smart controller. During cooling modes, the evaporator fan will be running.
COOLING
When the enclosure temperature is above the cooling set-point plus the cooling differential, the smart controller will call for cooling. The compressor is then energized through a solid state relay or contactor. The condenser impellers will start immediately if the unit is not equipped with an optional head pressure control switch. If the unit is equipped with an optional head pressure control switch, the condenser impellers will start once the refrigerant pressure reaches the pressure setting of the switch. Component specific information is listed below. Operating the air conditioner below the minimum ambient temperature or above the maximum ambient temperatures indicated on the nameplate voids all warranties. DO NOT adjust cooling set-point to a temperature lower than 70 F. Doing so can increase the likelihood of frost buildup on the evaporator coil.
The moisture that the enclosure air can contain is limited. If moisture flows from the drain tube continuously this can only mean that ambient air is entering the enclosure. Be aware that frequent opening of the enclosure’s door admits humid air that the air conditioner must then dehumidify.
STANDARD AND OPTIONAL COMPONENT OPERATION
SMART CONTROLLER
The standard NHZ43 air conditioner uses our standard smart controller. The setpoint equals the temperature that the air conditioner turns off. The controller has a 7 F differential from setpoint until it calls for cooling. An example of operation is shown below.
FOR COOLING (75-100 F RANGE)
- Thermostat setpoint = 80 F
- Cooling turns on at 87 F
- Cooling turns off at 80 F
REMOTE ACCESS CONTROL (OPTIONAL)
See Remote Access Control on page 17
HEAD PRESSURE CONTROL (OPTIONAL)
Unit is set at the factory, no adjustment necessary.At a saturated condenser temperature of 85 F (95 psig), the condenser fans will power off. At a saturated condenser temperature of 117 F (165 psig), the condenser fans will power on.
DOOR SWITCH
Several door switches may be connected in series and operated on one cooling unit. The door switch only supports a floating connection,no external voltages. Remove jumper from terminals 3 and 4 of the connector and connect the door switch to the two terminals if a door switch is available.
ACTIVE CONDENSATE MANAGEMENT
At low temperatures and high humidity levels inside the enclosure, condensation may form on the evaporator coil.
The air conditioner will continuously evaporate the water that may be in the drain pan due to condensation from the evaporator coil into the external air stream. Excess condensate is routed downwards out of the air conditioner via a tube fitting at the bottom of the condenser side of the unit. A 10 mm inside diameter tube can be attached to the fitting and routed to a nearby drain.
WHEN USED WITH PURGE AND PRESSURIZED ENCLOSURES
This air conditioner will operate safely in a Class 1 Division 2 Groups A, B, C and D hazardous location on both exterior and interior sides. It does not require a purge and pressurized enclosure, but if it is to be installed on one, the following should be considered.
The active condensate management system functionally described above is possible due to a drain trap directly connecting and routing condensation from the evaporator coil pan to the ambient side where it collects in the condensate evaporator pan. During initial purging of an enclosure or after long periods of operation in a pressurized system utilizing a dry protective and/or inert gas supply, the drain trap can eventually dry out and allow a small amount of protective gas to leak outward of the enclosure through the drain trap. A leakage should not immediately be associated with a hazardous condition. If continuous positive pressure is maintained inside an enclosure, the protective gas will leak out to ambient and prevent hazardous gasses from entering. A typical enclosure pressurization system can compensate for this and maintain proper enclosure pressure.
If the pressurization system cannot compensate for the additional leakage, a drain trap seal can be created by priming the air conditioner drain. This can be done by de-energizing and opening the enclosure for access to the evaporator coil, and carefully pouring clean water (approx. 1 cup) into the face of the coil. With water present, the drain trap should be fully primed and sealed. Opening the enclosure can also introduce humidity back into the enclosure which will eventually condense on the evaporator coil and become part of the seal in the drain trap
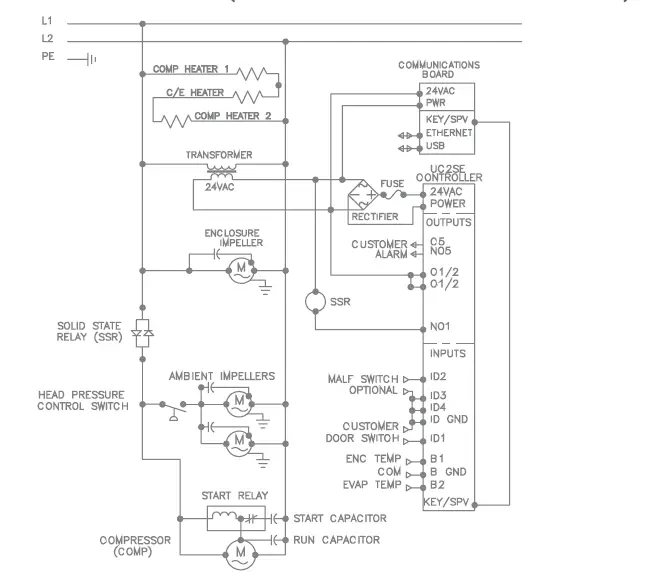
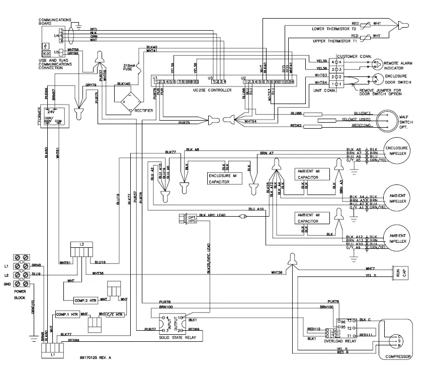
SCHEMATICS AND WIRING DIAGRAMS GENERIC 115V SCHEMATIC (ACTUAL UNIT OPTIONS MAY VARY)
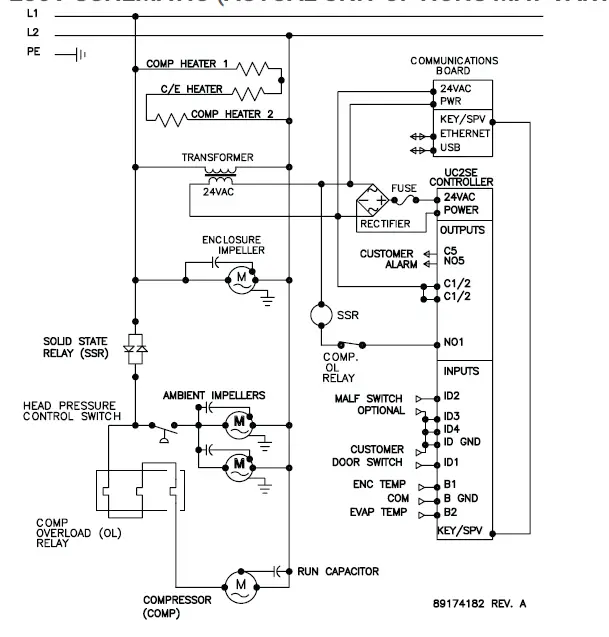
GENERIC 230V SCHEMATIC (ACTUAL UNIT OPTIONS MAY VARY)
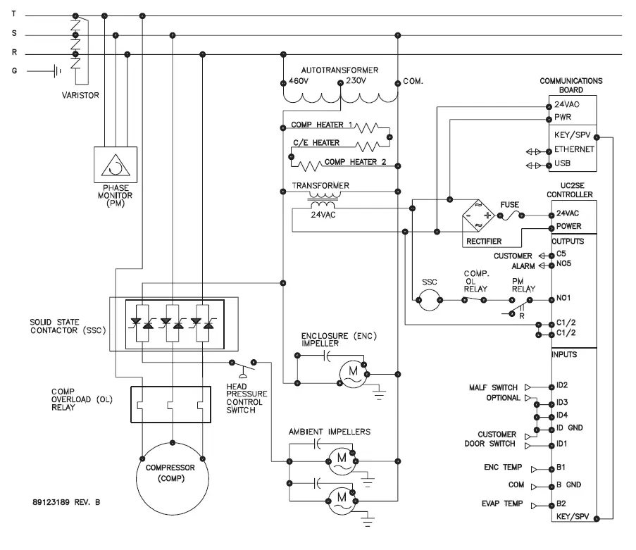
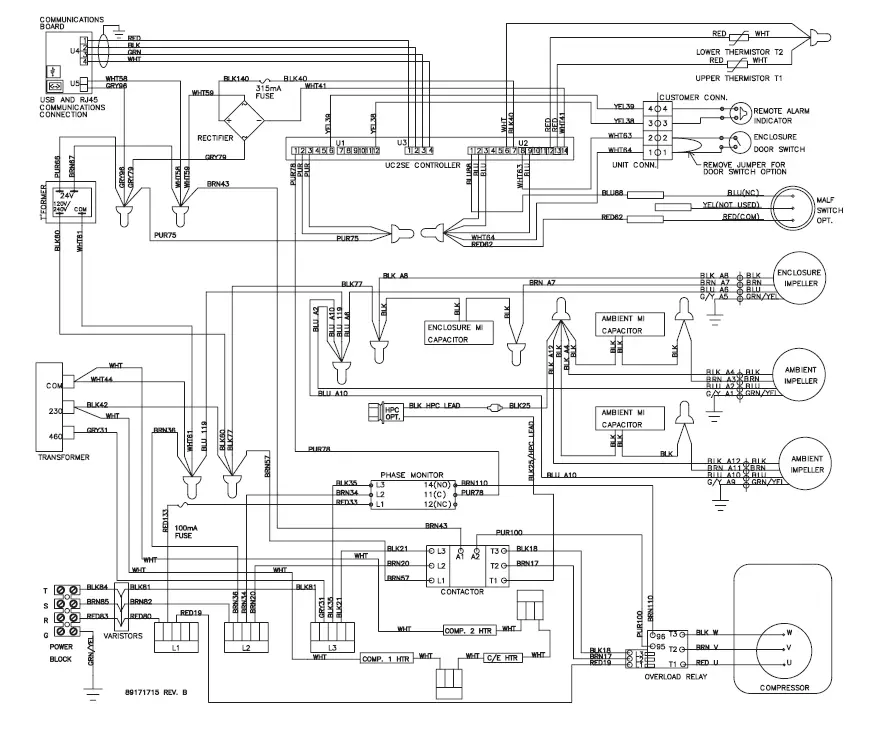
GENERIC 460V SCHEMATIC (ACTUAL UNIT OPTIONS MAY VARY)
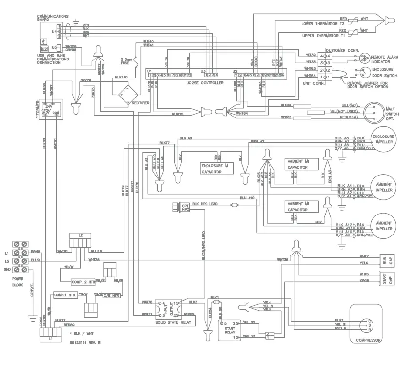
GENERIC 115V WIRE DIAGRAM (ACTUAL UNIT OPTIONS MAY VARY)
GENERIC 230V WIRE DIAGRAM (ACTUAL UNIT OPTIONS MAY VARY)
GENERIC 460V WIRE DIAGRAM (ACTUAL UNIT OPTIONS MAY VARY)
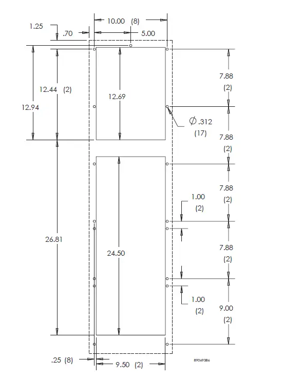
DIMENSIONAL DRAWING
GENERAL SAFETY INFORMATION
- Assembling, installing and servicing must only be performed by properly trained specialists.
- When transporting the enclosure with the cooling unit externally mounted, always use an additional shipping brace to support the cooling unit.
- Do not attempt to operate the air conditioner while it is horizontal or on its side, back or front.
- Operation of air conditioner in areas containing airborne caustics or chemicals can rapidly degrade sealing properties of materials, deteriorate filters, refrigeration coils, blowers and motors. Contact nVent Equipment Protection for special recommendations. See Maintenance on page 21.
INSTALLATION INSTRUCTIONS
- Refer to nameplate for hazardous location rating.
- Install a suitable switch to de-energize the air conditioner for repairs or remove the fuse.
- Inspect the air conditioner and verify correct functionality before mounting the air conditioner. See Handling and Testing the Air Conditioner on page 4.
- Using the mounting gasket kit provided with the unit, install gaskets to the air conditioner.
- When considering a location for the unit, it is recommended that a six (6) inch clearance be maintained on at least one side of the air conditioner. It is also recommended that twenty (20) inches of clearance be allowed from the front of the unit for cover removal.
- Figure 1 and the cutout template included with the unit will assist in preparing the enclosure for installation of the unit. NOTE: Mount the unit within 3° from vertical.
- Mount air conditioner on enclosure taking care not to damage the mounting gasket. The mounting gasket is the seal between the air conditioner and the enclosure. Avoid dragging the air conditioner on the enclosure with the mounting gasket attached as this could cause rips or tears in the gasket and risk losing the water tight seal.
- To avoid cross-threading mounting inserts, start bolts by hand before tightening with a wrench or ratchet driver. Allow unit to remain upright for a minimum of five (5) minutes before starting. CAUTION! Air conditioner must be in upright position during operation.
- Refer to the nameplate for electrical requirements. Wire the unit to a properly grounded power supply. Electrical circuit should be fused with slow blow or HACR circuit breaker.
- Adjust the controller to the desired cabinet temperature. Refer to Displaying and Changing Program Variables on page 15 for controller adjustments and operation.

CAUTION MISE EN GARDE
The unit is meant to be installed in an enclosure suitable for the environment listed previously and such that the field wiring and controls are only accessible with the use of a tool.When installed on an enclosure, only the front/face side, ambient air in, and ambient air out can be exposed to the environment. L’unité doit être installée dans une armoire adaptée à l’environnement susmentionné et de telle sorte que le câblage et les commandes sur le terrain ne soient accessibles qu’à l’aide d’un outil. Lors d’une installation sur une armoire, seule la face avant/latérale, l’entrée d’air ambiant et la sortie d’air ambiant peuvent être exposées à l’environnement.
SMART CONTROLLER
INTRODUCTION
The smart controller is a parametric controller for the complete management of air conditioners. All settings are pre-programmed at the factory. Cooling set-points, cooling differential and high/low temperature alarm set-points can be adjusted by the user. Alarms are outputted through a relay contact
ENERGIZING THE CONTROLLER
The controller is wired and programmed at the factory to be energized when power is supplied to the air conditioner.
CONTROL STATUS INDICATION
The display has numerous symbols that indicate if the controller is cooling or alarming, if the compressor is enabled, and if the ambient fan is enabled. The 3 alpha-numeric characters further describe alarms and show the cabinet temperature by default.
| SYMBOL | COLOR | ICON ON | ICON FLASHING |
| 1 | AMBER | Compressor On | Start-up Request |
| 2,3,4 | AMBER | Not Used | Not Used |
| A | AMBER | Compressor On | Not Used |
| B | AMBER | Evaporator Fan On | Not Used |
| C | AMBER | Not Used | Not Used |
| D | AMBER | Not Used | Not Used |
| E | AMBER | Heater Active | Not Used |
| F | RED | Alarm Active | Not Used |
| G | AMBER | Controller Active | Not Used |
| H | AMBER | Not Used | Not Used |
DISPLAYING AND CHANGING PROGRAM VARIABLES
Access: To view and/or change parameters, press and hold the Prg and Sel buttons for greater than 5 seconds. Press the up or down arrow buttons until “22” is displayed, then press Sel button. When “S-P” is displayed, press Sel. Navigation: Press up or down arrows to display sub-menus then press Sel to select the desired sub-menu. In the sub-menu, use up or down arrows to display parameters for viewing or changing and press Sel. Use Prg button to back out of menu levels as desired. Adjust: Use the up or down arrows to change the parameter value then push Sel to save that setting. If Sel is not pressed, the change to the value will not be saved. Navigate to and change other parameters as desired. When finished, push Prg to back out of the sub-menus to the main menu.
NOTE: The display will revert to normal temperature display mode if no buttons are pressed for 60 seconds.
OPERATING PARAMETERS
| Parameter | Default Value | Range | Description |
| r01 | 80 F | 72 F to 120 F | Cooling set-point |
| r02 | 7 F | – | Cooling differential |
| A04 | 50 F* | 32 F to 60 F | Heating set-point* |
| A05 | 7 F* | – | Heating differential* |
Cooling turns on at r01 + r02, and off at r01Heating turns on at A04, and off at A04 + A05 *Functional only on units with heater option
ALARM PARAMETERS
| Parameter | Default Value | Description |
| P16 | 125 F | High Temperature Alarm |
| P19 | 40 F | Low Temperature Alarm |
DISPLAYING TEMPERATURE SENSOR #2
Sensor number 2, the air outlet or condenser coil sensor, can be viewed at any time by pressing the up or down arrow button on the front panel of the controller display. The display will revert to displaying temperature sensor number 1 (the AC inlet temperature) after 60 seconds. Both sensors can also be read through the Ethernet and USB connections.
COMPRESSOR RESTART TIME DELAY
A factory set 6 minute (360 second) restart delay exists to reduce residual back pressure before allowing the compressor to restart. The compressor will stay off for the entire restart duration after the compressor is disabled. A flashing one (1) on the controller display will indicate the unit is in a compressor restart delay while calling for cooling. If the time delay is reduced to less than five (5) minutes, this may cause reduced compressor life.
ALARM OUTPUT CONTACT
The smart controller has a normally open, dry contact, alarm output with a resistive load rating of 24 VAC at
261 mA. A connector located on the enclosure side of the unit provides a 2-pin connection to this output marked YEL/ALARM.
ALARM CONDITION DISPLAY
There are seven possible non-latching alarm conditions detectable by the controller and are indicated on the controller display. All alarms can also be accessed through the Ethernet and USB connections with the optional communications board.
| Alarm Mnemonic | Description | Cause | Result | Alarm Relay |
| TP | General Alarm | Door open and/or smoke detected | Unit turns off for duration of alarm | Relay Contacts Close |
| LA | High Pressure Warning | MALF high pressure switch opens | No effect on function | N/A |
| E1 | Air Inlet Temperature Sensor Alarm | Sensor Failure | Unit turns off for duration of alarm | Relay Contacts Close |
| E2 | Air Outlet Temperature Sensor Alarm | Sensor Failure | Unit turns off for duration of alarm | Relay Contacts Close |
| Ht | High Temperature Alarm Default = 125 F | Cabinet over temperature Alarm clears at default setting -2 F | No effect on function | Relay Contacts Close |
| Lt | Low Temperature Alarm Default = 40 F | Cabinet under temperature Alarm clears at default setting +27 F | No effect on function | Relay Contacts Close |
| A1 | Frost Alarm | Evaporator coil frozen Alarm clears at 59 F | Compressor fan off for duration of alarm | Relay Contacts Close |
REMOTE ACCESS CONTROL
AIR CONDITIONER UNIT COMMUNICATION FEATURES
Air conditioner units equipped with communication capabilities provide SNMP, EtherNet/IP, Modbus TCP and Profinet protocols through Ethernet and Modbus RTU protocol via USB. Hoffman Cooling has a PC Interface Tool available for download that can utilize either mode to communicate with the air conditioner unit.
USB COMMUNICATION
This communication mode allows direct connection of a PC to the air conditioner unit. The protocol supported is Modbus RTU. Use the PC Interface Tool to communicate with the air conditioner unit. A MINI-b USB connection is provided.
ETHERNET COMMUNICATION
This communication mode allows remote connection to the air conditioner unit using SNMP, EtherNet/IP, Modbus TCP and Profinet protocols. Customers using their own software can download a MIB file for SNMP, EDS file or EtherNet_IP Object file for EtherNet/IP and Coil_Register file for Modbus TCP and GSDML file for Profinet.
Note: ACU has a default IP Address of 192.168.1.2
Both Ethernet and USB communication modes allow the ability to
- Read ACU inlet and outlet air temperatures
- Read and change Cooling Set-point and Cooling Differential
- Read and change Heating Set-point, Heating Differential
- Read and change High and Low Temperature Alarm Settings
- Read and change Gateway IP Address, Device IP Address, Subnet Mask, Trap IP Address and Community
- Read and change Unit Identification
- Read and change the state of IP addressing (static or dynamic)
- Read current Alarm Status
SOFTWARE AND CONFIGURATION FILE DOWNLOADS
The PC Interface Tool, MIB file, EDS file, EtherNet_IP Object file, Coil_Register file and GSDML file for Profinet can be downloaded from:
www.nVent.com/HOFFMAN/en/na/Product-Enclosure-Cooling-Heating
USING THE PC INTERFACE TOOL
The PC Interface Tool gives the user the ability to communicate with the air conditioner unit to read/write parameters using either Ethernet or USB connections
USB COMMUNICATION MODE
NOTE: Before connecting unit to the PC, make note of the comm ports present. After the unit is connected to the PC, a new comm port will be added to the list. Use this new comm port
- From Tools menu select Use Ethernet
- When Use Ethernet is unchecked, then Comm Port menu is enabled, Device IP and Community boxes are not shown, and USB communication can be used
- To set the comm port, choose Comm Port from the Tools menu and then select the comm port from the combo box
VIEWING AIR CONDITIONER UNIT VALUES
To view Air Conditioner Unit values
- Select the ACU Values tab
- Select the Enable Comm button (the PC Interface will now be communicating with unit)
- To stop communication select the Disable Comm button
CHANGING AIR CONDITIONER UNIT VALUES
To change ACU Values
- Select the Settings tab
- Select the value to change
- Make the change to the value
- Select the Change Setting button
- Change can be verified in ACU Values tab
VIEWING AND CHANGING ETHERNET INFORMATION
To view and change Ethernet Information
Select Ethernet Info tab
To view Ethernet Information
Click Read Ethernet Info button
To change to dynamically assigning IP Address Mode
- Check Use DHCP Server checkbox
- Enter Trap IP Address and Community
- Click Load Ethernet Info button
To change to statically assigning IP Address Mode
- Uncheck Use DHCP Server checkbox
- Enter Device IP Address, Subnet Mask, Gateway IP Address, Trap IP Address and Community
- Click Load Ethernet Info button
ETHERNET COMMUNICATION MODE
- From Tools menu select Use Ethernet
- When Use Ethernet is checked, Comm Port selection is disabled, Device IP and Community boxes are shown and Ethernet communication can be used.
- Enter unit’s IP Address and Community string in Device IP and Community boxes at the bottom of the PC Interface Tool.
Each unit has two community strings. One is a Read/Write community string (defaulted to ‘private’) that can be changed by the customer (must be 4 to 8 characters long). The other is a Read-Only community string (‘public’) and cannot be changed.
VIEWING AIR CONDITIONER UNIT VALUES
To view Air Conditioner Unit values
- Select the ACU Values tab
- Select the Enable Comm button (the PC Interface will now be communicating with unit)
- To stop communication select the Disable Comm button
CHANGING AIR CONDITIONER UNIT VALUES
To change ACU Values
- Select the Settings tab
- Select the value to change
- Make the change to the value
- Select the Change Setting button
- Change can be verified in ACU Values tab
REMOTE ACCESS CONTROL PIN-OUT
| FUNCTION | NAME | PIN # | |
|
U1 OUTPUTS | COOL | No1 | 1 |
| C1/2 | 2 | ||
| C1/2 | 3 | ||
| ALARM RELAY OUTPUT | No5 | 12 | |
| C5 | 6 | ||
|
U2 INPUTS | ENCLOSURE DOOR SWITCH | ID1 | 8 |
| MALFUNCTION NC SWITCH | ID2 | 1 | |
| NA | ID3 (na) | 9 | |
| NA | ID4 (na) | 2 | |
| DIGITAL INPUT GROUND | ID GND | 3 | |
| T1, EVAP IN THERMISTOR | B1 | 13 | |
| T2, EVAP OUT THERMISTOR | B2 | 12 | |
| T1, T2 GND | GND | 6 | |
| NA | B3 | 11 | |
| CONTROLLER POWER | G | 7 | |
| CONTROLLER POWER | G0 | 14 | |
|
U3 DATA | POWER | 1 | |
| GROUND | 2 | ||
| DIRECTION | 3 | ||
| DATA | 4 |
GENERAL SAFETY INFORMATION
Please observe the following general safety instructions when assembling and operating the unit:
- Assembling, installing and servicing must only be performed by properly trained specialists.
- When transporting the enclosure with the cooling unit externally mounted, always use an additional shipping brace to support the cooling unit.
- Do not attempt to operate the air conditioner while it is horizontal or on its side, back or front.
- Factory-supplied replacement parts must be used.
- Repaired/replaced components must be located and wired in the identical location as the original components.
- Hazardous Location rating may be compromised if the above are not followed.
- Operation of air conditioner in areas containing airborne caustics or chemicals can rapidly degrade sealing properties of materials, deteriorate filters, refrigeration coils, blowers and motors. Contact nVent Equipment Protection for special recommendations.
DANGER
Danger: explosion hazard – do not energize, disconnect, or troubleshoot equipment unless power has been switched off or the area is known to be non-hazardous.
Unit to be installed and maintained by properly trained personnel only.Danger: Risque d’explosion – Ne pas alimenter, déconnecter ni dépanner l’équipement si l’alimentation n’a pas été coupée ou si la zone n’est pas reconnue comme non dangereuse.
MAINTENANCE
COMPRESSOR
The compressor requires no maintenance. It is hermetically sealed, properly lubricated at the factory and should provide years of satisfactory operating service.
Under no circumstances should the access fitting covers be loosened, removed or tampered with.
Breaking of seals on compressor access fittings during warranty period will void warranty on hermetic system.
Recharging ports are provided for the ease and convenience of reputable refrigeration repair service personnel for recharging the air conditioner.
INLET AIR FILTER
applications. The air conditioner is shipped with a filter in place for your convenience. For filterless operation, simply remove the filter. Should you decide the filter is necessary in your application, regular maintenance to clean this filter will assure normal operation of the air conditioner. The easily removable inlet air filter is located behind the inlet of the front cover. If necessary filter maintenance is delayed or ignored, the maximum ambient temperatures under which the unit is designed to operate will be decreased.
If the compressor’s operating temperature increases above designed conditions due to a dirty or clogged filter (or plugged condenser coil), the air conditioner’s compressor will stop operating due to actuation of the thermal overload cut-out switch located on the compressor housing. As soon as the compressor temperature has dropped to within the switch’s cut-in setting, the compressor will restart automatically. However the above condition will continue to take place until the filter or coil has been cleaned. It is recommended that power to the air conditioner be interrupted intentionally when abnormally high compressor operating temperature causes automatic shut-down of the unit. The above described shut-down is symptomatic of a clogged or dirty filter, thus causing a reduction in cooling air flow across the surface of the compressor and condenser coil.
HOW TO REMOVE, CLEAN OR INSTALL A NEW INLET AIR FILTER
RP aluminum washable air filters are designed to provide excellent filtering efficiency with a high dust holding capacity and a minimum amount of resistance to air flow. Because they are constructed entirely of aluminum they are lightweight and easy to service. To achieve maximum performance from your air handling equipment, air filters should be cleaned on a regular basis.The inlet air filter is located behind the condenser air inlet grille. To access the filter, simply slide it out. The filter may now be cleaned or a new filter installed.
Cleaning Instructions
- Flush the filter with warm water from the exhaust side to the intake side. DO NOT USE CAUSTICS.
- After flushing, allow filter to drain. Placing it with a corner down will assure complete drainage.
CONDENSATE MANAGEMENT AND DRAIN TRAP MAINTENANCE
The drain trap can be cleaned by pouring soapy water into the face of the evaporator coil. An alternate method is to remove the panel underneath the condenser coil, locate the drain trap above the condensate evaporator pan, and blow compressed air through the tube.
CONDENSER AND EVAPORATOR AIR MOVERS
Impeller motors require no maintenance. All bearings, shafts, etc. are lubricated during manufacturing for the life of the motor.
If the condenser impeller motors (ambient impellers) should fail, it is not necessary to remove the air conditioner from the cabinet or enclosure to replace the blower. The condenser impeller is mounted on its own bracket and is easily accessible by removing the front cover.
If the evaporator impeller motor should fail, it may require dismounting the unit from the enclosure because access to the evaporator is through the enclosure side. After it is repaired, refer to Installation Instructions on page 12 for mounting the unit back onto the enclosure. Replace the mounting gasket if damaged
REFRIGERANT LOSS
Each air conditioner is thoroughly tested prior to leaving the factory to insure against refrigeration leaks. Shipping damage or microscopic leaks not found with sensitive electronic refrigerant leak detection equipment during manufacture may require repair or recharging of the system. This work should only be performed by qualified professionals, generally available through a local, reputable air conditioning repair or service company.Should the refrigerant charge be lost, access ports on the suction and discharge sides of the compressor are provided for recharging and/or checking suction and discharge pressures.Refer to the data on the nameplate which specifies the type of refrigerant and the charge size in ounces.Before recharging, make sure there are no leaks and that the system has been properly evacuated into a deep
REFRIGERANT PROPERTIES CHART (R134A)
| °F | °C | Pressure | °F | °C | Pressure | |
| -40 | -40 | -14.7 | 60 | 15.6 | 58 | |
| -35 | -37.2 | -12.3 | 65 | 18.3 | 64 | |
| -30 | -34.4 | -9.7 | 70 | 21.1 | 71.5 | |
| -25 | -31.7 | -6.8 | 75 | 23.9 | 78 | |
| -20 | -28.9 | -4 | 80 | 26.7 | 86.7 | |
| -15 | -26.1 | 0 | 85 | 29.4 | 95 | |
| -10 | -23.3 | 2 | 90 | 32.2 | 105 | |
| -5 | -20.6 | 4 | 95 | 35 | 113.3 | |
| 0 | -17.8 | 7.5 | 100 | 37.8 | 125 | |
| 5 | -15 | 9 | 105 | 40.6 | 135 | |
| 10 | -12.2 | 12 | 110 | 43.3 | 146.7 | |
| 15 | -9.4 | 15 | 115 | 46.1 | 157.5 | |
| 20 | -6.7 | 18.5 | 120 | 48.9 | 170 | |
| 25 | -3.9 | 22 | 125 | 51.7 | 185 | |
| 30 | -1.1 | 26 | ||||
| 35 | 1.7 | 30 | ||||
| 40 | 4.4 | 35 | ||||
| 45 | 7.2 | 40 | ||||
| 50 | 10 | 45.5 | ||||
| 55 | 12.8 | 51.5 |
UNIT CHARACTERISTICS
| Model | |||
| NHZ431216GXXX | NHZ431226GXXX | NHZ431246GXXX | |
| Dimensional Data | |||
| Height | 43” / 1092.2 mm | ||
| Width | 11.5” / 292.1 mm | ||
| Depth | 14” / 355.6 mm | ||
| Unit Weight | 127 lbs / 58 kg | 127 lbs / 58 kg | 138 lbs / 63 kg |
| Unit Protection Rating | Type 12/4/4X/3R Class 1 Division 2 Groups A, B, C, D T4A | ||
| Cooling Data | |||
| Refrigerant | R134a | ||
| Refrigerant Charge | 36 oz. | 39 oz. | 43 oz. |
| Cooling Capacity at 95 F Enclosure 95 F Ambient (BTU/Hr.) | 8875/10044 | 8713/9232 | 9384/10474 |
| Cooling Capacity at Max Conditions (BTU/Hr.) | 9555/10793 | 9664/10420 | 10864/11756 |
| Maximum Ambient Temp | 125 F / 52 C | 131 F / 55 C | 131 F / 55 C |
| Minimum Ambient Temp | -40 F / -40 C | ||
| Enclosure Airflow | 254/260 CFM | ||
| External Airflow | 494/528 CFM | ||
| Condensate Management | Hose discharge / Optional powered C/E | ||
| Electrical Data | |||
| Rated Voltage (50/60 Hz) | 115 V | 230 V | 400/460 V 3 phase |
| Rated Frequency | 50 / 60 Hz | ||
| Voltage Range | +/- 10% of rated | ||
| Cooling Amps at Max Conditions | 16.2/20.8 | 7.9/10.2 | 3.4/3.6 |
| Compressor RLA / LRA | 10/60 | 4.9/38.0 | 2.1/16.0 |
| Evaporator Fan RLA | .78/.93 | .39/.53 | .39/.53 |
| Condenser Fan RLA | .78/.93 | .39/.53 | .39/.53 |
FUNCTIONAL DATA
| Unit | Evaporator. Air In(°F) | Amps(A) | Condenser Delta(°F) | Evaporator Delta(°F) |
| NHZ431216GXXX | 65-80 | 8.4-11.7 | 17-36 | 19-40 |
| 80-100 | 9.5-14.4 | 19-43 | 22-45 | |
| NHZ431226GXXX | 65-80 | 6.0-7.8 | 11-23 | 17-41 |
| 80-100 | 6.4-8.7 | 12-27 | 22-44 | |
| NHZ431246GXXX | 65-80 | 2.6-3.3 | 13-30 | 20-40 |
| 80-100 | 2.7-3.5 | 16-35 | 22-48 |
COMPONENTS LIST
| Part Description | Part Number | ||
| 115 V 1 PHASE | 230 V 1 PHASE | 460 V 3 PHASE | |
| Capacitor, Compressor, Start | 10103208SP | N/A | N/A |
| Capacitor, Condenser Impeller | 52603213SP | 52603214SP | 52603214SP |
| Capacitor, Evaporator Impeller | 52603213SP | 52603214SP | 52603214SP |
| Coil, Condenser | 89068466SP | 89068466SP | 89068466SP |
| Coil, Evaporator | 89068465SP | 89068465SP | 89068465SP |
| Coil, Evaporator E-coated | 89087195SP | 89087195SP | 89087195SP |
| Compressor (See note below) | 89169173 | 89107889SP | 89107890 |
| Filter, Air, Reusable | 89069703SP | 89069703SP | 89069703SP |
| Filter/Dryer | 52602806SP | 52602806SP | 52602806SP |
| Head Pressure Control Switch | 89112571SP | 89112571SP | 89112571SP |
| Impeller, Condenser | 89114225SP | 89114226SP | 89114226SP |
| Impeller, Evaporator | 89114225SP | 89114226SP | 89114226SP |
| Encapsulated Compressor Start Relay | 89203773 | N/A | N/A |
| Thermal Expansion Valve | 10104031SP | 10104031SP | 10104031SP |
| Transformer, Input Power | N/A | N/A | 101006128SP |
| Controller, Basic | 89075653SP | 89075653SP | 89075653SP |
| Thermistor | 89075654SP | 89075654SP | 89075654SP |
| Bridge Rectifier | 89087424SP | 89087424SP | 89087424SP |
| Controller Wires with pins (24) | 89083091SP | 89083091SP | 89083091SP |
| Communication Board | 89109039SP | 89109039SP | 89109039SP |
| Communication Cable | 89080313SP | 89080313SP | 89080313SP |
| Fuse, Controller (315mA) | 89085114SP | 89085114SP | 89085114SP |
| Encapsulated Compressor Overload | N/A | N/A | N/A |
| Solid State Relay | 89114223SP | 89114223SP | 89114224SP |
| Overload Relay | N/A | 89115269SP | 89098326 |
| Mounting Gasket | 89114211SP | 89114211SP | 89114211SP |
| Mounting Kit | 89068469SP | 89068469SP | 89068469SP |
| Stainless Steel Mounting Kit | 89116254SP | 89116254SP | 89116254SP |
F-GAS INFORMATION
| NHZ431216GXXX | NHZ431226GXXX | NHZ431246GXXX | |
| Refrigerant Kühlmittel Chłodziwo | R134a | R134a | R134a |
| GWP | 1430 | 1430 | 1430 |
| Factory Charge Füllmenge durch Hersteller Opłata Fabryczna | 1021 Grams 1021 Gramm 1021 Gramów | 1106 Grams 1106 Gramm 1106 Gramów | 1219 Grams 1219 Gramm 1219 Gramów |
| CO2 Equivalent CO2 Equivalent CO2 Ekwilalent | 1.46 Tons 1,46 Tonnen 1,46 Tony | 1.58 Tons 1,58 Tonnen 1,58 Tony | 1.74 Tons 1,74 Tonnen 1,74 Tony |
TROUBLE SHOOTING
BASIC AIR CONDITIONING TROUBLE SHOOTING CHECK LIST – SMART CONTROLLER
Check manufacturer’s nameplate located on the unit for correct power supply.
Turn on power to the unit. The controller will display a start up sequence then revert to the normal temperature display mode. Is the correct enclosure temperature displayed?
Note: The temperature may be alternating with an alarm code.
| YES, proceed to step 3. | |
| NO, possible problem: | |
| » Open controller fuse » Controller in alarm condition. See Alarm Condition Display on page 16. » Defective controller » Defective thermistor – check by blowing warm air across the thermistor. If display temperature rises, thermistor is operable. | ![]()
Replace part |
The cooling status indication (symbol G) should be on. Is the symbol on? If not, press and hold the lower right “snowflake” button for greater than five seconds. Is the cooling mode symbol now on?
| YES, proceed to step 4. |
NO, possible problem:![]() |
| » Defective controller Replace part |
The evaporator (Enclosure or “COLD” air) fan/impeller should turn on. Is there airflow?
| YES, proceed to step 5. | |
| NO, possible problem: | ![]() |
| » Controller in alarm condition. See Alarm Condition Display on page 16. » Open motor winding » Stuck fan/impeller » Obstructed blades/wheel » Defective motor capacitor |
Repair or Replace defective part |
Start the cooling cycle by changing the cooling setpoint parameter (r01) to the low limit of 72 F (22 C). Symbol 1 should be displayed indicating a call for cooling. If symbol 1 is flashing, the unit is in Restart Time Delay mode. Within 6 minutes, symbol 1 should display without flashing. Is symbol 1 displayed without flashing?
| YES, proceed to step 8. | |
| NO, possible problem: | ![]() |
| » Unit still in Recycle Time Delay mode » Enclosure temperature below cooling setpoint temperature | Wait and/or heat enclosure thermistor T1 |
The compressor and the condenser (Ambient or “HOT” air) impeller(s) should turn on. Is there adequate airflow?
| YES, proceed to step 7. |
| NO, possible problem: |
| » Open motor winding(s) » Stuck » Obstructed wheel(s) defective part » Defective motor capacitor(s) |
Carefully check the compressor for proper operation – motor should cause slight vibration and the outer case of the compressor should be warm. Is the compressor showing signs of this?
| YES, wait 5 minutes, proceed to step 8. | |
| NO, possible problem: | |
| » Defective start or run capacitor » Defective overload » Defective start relay » Defective contactor » Defective compressor » Tripped overload relay | ![]()
Reset, Repair or Replace defective part |
Make sure the coils are clean then check the evaporator “air in” and “air out” temperatures. If the temperatures are the same:
![]() » Possible loss of refrigerant Repair or Replace » Possible bad valves in compressor defective part |
SYMPTOMS AND POSSIBLE CAUSES – REMOTE ACCESS CONTROL VERSION
| SYMPTOM | POSSIBLE CAUSE |
|
Unit won’t cool | Clogged fins on coil(s) |
| Dirty filter | |
| Impellers not running | |
| Compressor not running | |
| Compressor runs, but has bad valves | |
| Loss of refrigerant | |
|
Compressor tries to start but won’t run | Low line voltage at start. Should be +/-10% rated voltage. |
| Compressor motor stuck | |
| Bad contactor | |
| Bad overload switch | |
| Bad run/start capacitor | |
| Unit blows breakers | Undersized breaker/fuse or not time delayed |
| Short in system | |
|
Getting water in enclosure | Drain plugged |
| Drain tube kinked | |
| Enclosure not sealed (allowing humidity in) | |
| Mounting gasket damaged | |







impeller(s) Repair or Replace



















