nVent COMPACT V Series Compact Air Conditioner

OVERVIEW
| System | a | b | c | D | B | |||||
| in. | mm | in. | mm | in. | mm | in. | mm | in. | mm | |
| 50 | 3.48 | 88.5 | 3.48 | 88.5 | 1.97 | 50 | 4.92 | 125 | ø.42 | M10 |
| 60 | 3.82 | 97.0 | 3.82 | 97.0 | 2.36 | 60 | 5.44 | 138 | ø.42 | M10 |
| 80 | 4.81 | 122.5 | 4.81 | 122.5 | 3.15 | 80 | 6.81 | 173 | ø.50 | M12 |
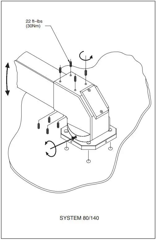
| 80/140 | 7.87 | 200 | 7.87 | 200 | 5.51 | 140 | – – – | – – – | ø.50 | M12 |

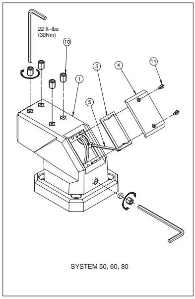
PARTS

INSTALLATION INSTRUCTION



- Rev. B © 2018 Hoffman Enclosures Inc. PH 763 422 2211
- nVent.com/HOFFMAN P/N 21301001 87567378



















