nVent T53 Air Conditioner

t53 Model
NOTE: Some of the information in this manual may not apply if a special unit was ordered. If additional drawings for a special unit are necessary, they have been inserted. Contact nVent Equipment Protection if further information is required.
RECEIVING THE AIR CONDITIONER
Inspect the air conditioner. Check for concealed damage that may have occurred during shipment. Look for dents, scratches, loose assemblies, evidence of oil, etc. Damage evident upon receipt should be noted on the freight bill. Damage should be brought to the attention of the delivering carrier — NOT to nVent Equipment Protection — within 15 days of delivery. Save the carton and packing material and request an inspection. Then file a claim with the delivering carrier.
nVent Equipment Protection cannot accept responsibility for freight damages; however, we will assist you in any way possible.
HANDLING AND TESTING THE AIR CONDITIONER
If the air conditioner has been in a horizontal position, be certain it is placed in an upright, vertical or mounting position for a minimum of five (5) minutes before operating.
CAUTION
Do not attempt to operate the air conditioner while it is horizontal or on its side, back or front. The refrigeration compressor is filled with lubricating oil. This will cause permanent damage to the air conditioner and also voids the warranty.
TEST FOR FUNCTIONALITY BEFORE MOUNTING THE AIR CONDITIONER TO THE ENCLOSURE.
Refer to the nameplate for proper electrical current requirements, and then connect the power cord to a properly grounded power supply. Minimum circuit ampacity should be at least 125% of the amperage shown in the design data section for the appropriate model. No other equipment should be connected to this circuit to prevent overloading.
Operate the air conditioner for five (5) to ten (10) minutes. No excessive noise or vibration should be evident during this run period. The condenser blower (ambient air), the evaporator impeller (enclosure air), and the compressor should be running.
Condenser air temperatures should be warmer than normal room temperatures within a few minutes.
The compressor is provided with automatic reset thermal overload protection. This thermo switch is located and mounted inside the plastic enclosure clipped to the compressor. The switch operates when the compressor overheats due to clogged or dirty inlet air filter or if ambient air temperatures exceed nameplate rating or if enclosure dissipated heat loads exceed the rated capacity of the air conditioner. The thermal overload switch will actuate and stop compressor operation. The blowers will continue to operate and the compressor will restart after it has cooled to within the thermal overload cut-in temperature setting.
INSTALLATION INSTRUCTIONS
- Inspect the air conditioner and verify correct functionality before mounting the air conditioner. See HANDLING AND TESTING THE AIR CONDITIONER on page 3.
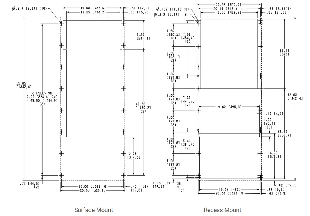
- Determine if the unit is to be surface or recess mounted. Using the appropriate cutout dimensions, see MOUNTING CUTOUT DIMENSIONS on page 5 of this manual. Prepare the enclosure opening for either surface or recess mounting.
- Using the gasket kit provided, install gaskets to air conditioner.
- Mount air conditioner on enclosure using mounting bolts and screws provided. Allow unit to remain upright for a minimum of five (5) minutes before starting. Caution! Air conditioner must be in upright position during operation.
- When routing the drain tube, caution should be taken to keep it from kinking or being elevated above the exit point of the air conditioner. The drain tube must be on a continuous downward slope. A slight elevation of the tube could result in secondary trap. FAILURE TO FOLLOW THESE INSTRUCTIONS COULD RESULT IN OVERFLOWING OF THE CONDENSATE DRAIN PAN.
- Refer to top of nameplate for electrical requirements. Connect the power cord to a properly grounded power supply. Use of an extension cord is not recommended. Electrical circuit should be fused with slow blow or HACR circuit breaker.
DESIGN DATA
| Model | Voltage | Hz | Full Load Amps | Phase | BTU/Hr @ Max Amb Temp | Max Amb Temp °F/°C | Shipping Weight lb./kg |
T531926GXXX | 230 | 50/60 | 17.3/20.3 | 1 | 16,800/19,000 | 131/55 | 197/89 |
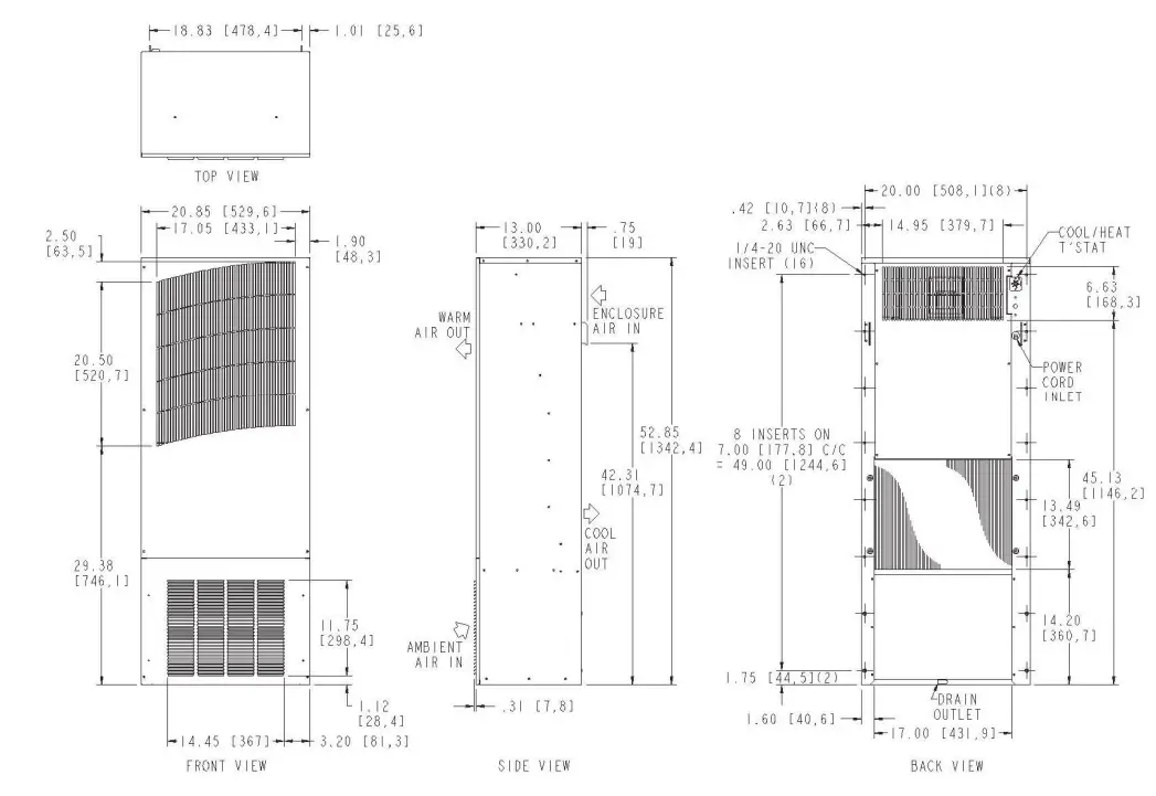
DIMENSIONAL DRAWING

MOUNTING CUTOUT DIMENSIONS

CUTOUT INSTRUCTIONS (As viewed from outside of enclosure)
NOTE: Dashed lines represent air conditioner.
COMPONENTS LIST
Part Description | Part Number |
| Blower Motor, Condenser | 10-1020-57 |
| Blower Motor, Evaporator | 10-1020-10 |
| Compressor | 89098476 |
| Capacitor, Compressor Run, 40 μF | 52-6084-09 |
| Capacitor, Condenser Blower Motor, 7.5 μF | 52-6084-00 |
| Capacitor, Evap Blower Motor, 5 μF | 52-6084-05 |
| Rod Heater, 3000W, 240V (Optional) | 10-1030-24 |
| Limit Switch, Auto (Optional) | 10-1033-01 |
| Limit Switch, Manual (Optional) | 10-1033-07 |
| Coil, Condenser | 89098474 |
| Coil, Evaporator | 53-1001-00 |
| Air Filter, Reusable | 89057627 |
| Filter/Dryer | 52-6028-06 |
| Thermal Expansion Valve | 10-1040-40 |
| Freeze Stat | 10-1061-05 |
| Head Pressure Control Switch | 52-6104-53 |
| Malfunction Limit Switch (Optional) | 52-6104-54 |
| Thermostat, SPDT, 60-101F | 10-1061-03 |
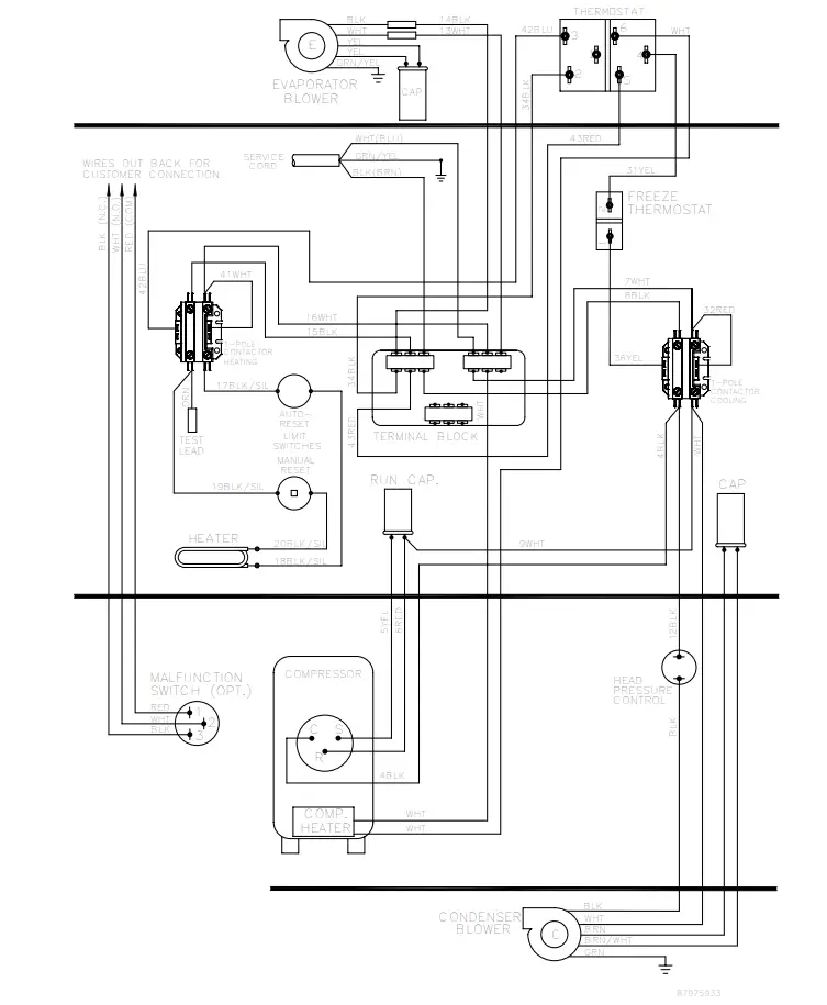
WIRING DIAGRAM (WITH OPTIONAL HEATER)

TEMPERATURE CONTROL
The electromechanical thermostat is factory preset to 75 F/23 C. To change the temperature setting, remove the nylon plug from the back face of the unit. Use a standard screwdriver to adjust thermostat. For cooler temperatures turn clockwise, for warmer temperatures turn counterclockwise.
PRINCIPLES OF OPERATION
If electrical power to the air conditioner is interrupted and reapplied immediately, (within 3 to 5 seconds), the compressor may not restart due to the high back pressure of the compressor. It takes a minimum of one (1) minute after shut-down for the compressor suction and discharge pressures to equalize in order for the air conditioner to restart.
Operating the air conditioner below the minimum ambient temperature or above the maximum ambient temperatures indicated on the nameplate voids all warranties.
It is recommended that the warranty section of this manual be read in order to familiarize yourself with parameters of restricted operation.
The moisture that the enclosure air can contain is limited. If moisture flows from the drain tube continuously this can only mean that ambient air is entering the enclosure. Be aware that frequent opening of the enclosure’s door admits humid air, which the air conditioner must then dehumidify.
MAINTENANCE
COMPRESSOR
The compressor requires no maintenance. It is hermetically sealed, properly lubricated at the factory and should provide years of satisfactory operating service.
Should the refrigerant charge be lost, recharging ports (access fittings) on the suction and discharge sides of the compressor are provided for recharging and/or checking suction and discharge pressures.
Under no circumstances should the access fitting covers be loosened, removed or tampered with.
Breaking of seals on compressor access fittings during warranty period will void warranty on hermetic system.
Recharging ports are provided for the ease and convenience of reputable refrigeration repair service personnel for recharging the air conditioner.
INLET AIR FILTER
Proper maintenance of the inlet air filter, located behind the front grille, will assure normal operation of the air conditioner. If filter maintenance is delayed or ignored, the maximum ambient temperatures under which the unit is designed to operate will be decreased.
If the compressor’s operating temperature increases above designed conditions due to a dirty or clogged filter (or plugged condenser coil), the air conditioner’s compressor will stop operating due to actuation of the thermal overload cut-out switch located on the compressor housing. As soon as the compressor temperature has dropped to within the switch’s cut-in setting, the compressor will restart automatically. However the above condition will continue to take place until the filter has been cleaned or replaced.
It is recommended that power to the air conditioner be interrupted intentionally when abnormally high compressor operating temperature causes automatic shut-down of the unit. The above described shut-down is symptomatic of clogged or dirty filter, thus causing a reduction in cooling air flow across the surface of the compressor and condenser coil.
Do not run the air conditioner for extended periods of time with the filter removed. Particles of dust, lint, etc., can plug the fins of the condenser coil which will give the same reaction as a plugged filter. The condenser coil is not visible through the filter opening, so protect it with a filter.
Continued operation under the above conditions can and will damage and shorten compressor life. The air conditioner features an easily removable inlet filter to facilitate necessary cleaning. There should be no reason to neglect this necessary maintenance.
HOW TO REMOVE, CLEAN OR INSTALL A NEW INLET AIR FILTER
RP aluminum washable air filters are designed to provide excellent filtering efficiency with a high dust holding capacity and a minimum amount of resistance to air flow. Because they are constructed entirely of aluminum they are lightweight and easy to service. Optimum filter performance is maintained by recoating the filters after washing with RP Super Filter Coat adhesive. To achieve maximum performance from your air handling equipment, air filters should be cleaned on a regular basis.
The inlet air filter is located behind the lower access cover. To access filter, pull ring protruding from slot in bottom of front cover, or remove the lower access cover by removing the two screws at the bottom of unit, the filter is held in the cover, slide filter out. The filter may now be cleaned or new filter installed.
Cleaning Instructions:
- Flush the filter with warm water from the exhaust side to the intake side. DO NOT USE CAUSTICS.
- After flushing, allow filter to drain. Placing it with a corner down will assure complete drainage.
- Recoat the filters with RP Super Filter Coat adhesive. When spraying filter do so from both sides for maximum concentration of adhesive
CONDENSER AND EVAPORATOR AIR MOVERS
Blower and impeller motors require no maintenance. All bearings, shafts, etc. are lubricated during manufacturing for the life of the motor.
If the condenser blower motor (ambient blower) should fail, it is not necessary to remove the air conditioner from the cabinet or enclosure to replace the blower. The condenser blower is mounted on its own bulkhead and is easily accessible by removing the front cover.
CAUTION
Operation of the air conditioner in areas containing airborne caustics or chemicals can rapidly deteriorate filters, condenser coils, blowers and motors, etc. Contact nVent Equipment Protection for special recommendations.
REFRIGERANT LOSS
Each air conditioner is thoroughly tested prior to leaving the factory to insure against refrigeration leaks. Shipping damage or microscopic leaks not found with sensitive electronic refrigerant leak detection equipment during manufacture may require repair or recharging of the system. This work should only be performed by qualified professionals, generally available through a local, reputable air conditioning repair or service company.
Refer to the data on the nameplate which specifies the type of refrigerant and the charge size in ounces.
Before recharging, make sure there are no leaks and that the system has been properly evacuated into a deep vacuum.
TROUBLESHOOTING
BASIC AIR CONDITIONING TROUBLE SHOOTING CHECK LIST
- Check manufacturer’s nameplate located on the unit for correct power supply.
- Turn on power to the unit. The evaporator (Enclosure or “COLD” air) blower should come on. Is there airflow?
YES, proceed to step 3. NO, possible problem: - Open motor winding
- Stuck blower motor
- Obstructed wheels/blades

Repair or Replace defective part
- Check thermostat setting and adjust thermostat to the lowest setting. This should turn on the condenser blower and compressor. Did condenser blower and compressor come on when the thermostat was turned on?
YES, proceed to step 4 NO, possible problem: - Defective thermostat

Replace Part
- Are both blowers and the compressor running? If not the unit will not cool properly.
- Check condenser (Ambient or “HOT” air) blower for airflow. Is there airflow?
YES, proceed to step 6. NO, possible problem: - Defective thermostat
- Open motor winding
- Stuck blower motor
- Obstructed wheels/blades

Repair or Replace defective part - Carefully check the compressor for operation – motor should cause slight vibration, and the outer case of the compressor should be warm. Is the compressor showing signs of this?
YES, wait 5 minutes, then proceed to step 7 NO, possible problem: - Defective thermostat
- Defective capacitor
- Defective overload
- Defective relay

Repair or Replace defective part - Make sure the coils are clean. Then check evaporator “air in” and “air out” temperatures. If the temperatures are the same:
- Possible loss of refrigerant
- Possible bad valves in the compressor

Repair or Replace
defective part - To check for a bad thermostat, turn power to the unit off. Remove the control box cover and place both thermostat wires onto one terminal (replace control box cover for safety). This will pass the switch in the thermostat. Turn the power on and if both blowers and the compressor come on, the thermostat needs to be replaced.
SYMPTOMS AND POSSIBLE CAUSES:
SYMPTOM | POSSIBLE CAUSE |
| Unit won’t cool | Blowers/Impellers not running |
| Compressor not running | |
| Compressor runs, but has bad valves | |
| Loss of refrigerant | |
| Compressor tries to start but won’t run | Low line voltage at start. Should be +/-10% rated voltage. |
| Compressor motor stuck | |
| Bad relay | |
| Bad overload switch | |
| Bad run/start capacitor | |
| Unit blows breakers | Undersized breaker/fuse or not time delayed |
| Short in system | |
| Getting water in enclosure | Drain plugged |
| Drain tube kinked | |
| Enclosure not sealed (allowing humidity in) | |
For additional technical support (i.e., amp draw, pressures, temperatures), contact nVent Equipment Protection at 800-896-2665.
WARRANTY
nVent Equipment Protection warrants that the Goods manufactured by nVent Equipment Protection will be free from defects in material and workmanship for a period of one (1) year from the date of shipment by nVent Equipment Protection, subject to the following conditions and exclusions:
A. Conditions. All Goods must be installed and operated according to the following specifications:
- Maximum voltage variation no greater than plus or minus 10% of nameplate nominal rating;
- Maximum frequency variation no greater than plus or minus 3 Hz. of nameplate nominal rating;
- Must not exceed minimum and maximum stated temperatures on the nameplate;
- Must not exceed (BTU/Hr) rating, including any heat sink as indicated on the nameplate;
- Refrigerant bearing Goods must not be restarted for a period of one (1) minute after intentional or accidental shut-off;
- The filters (if applicable) must be cleaned regularly;
- The Goods and any parts thereof must not be modified, unless prior written authorization is received from nVent Equipment Protection; and
- All Goods must be installed and grounded in accordance with all relevant electrical and safety codes, as well as the National Electric Code and OSHA rules and regulations.
- All Goods must be installed in a stationery application, free of vibration.
A violation of any one of these conditions shall render the warranty hereunder void and of no effect.
B. Exclusions. This warranty shall be void if product is misapplied in any way or:
- Buyer specified product is inappropriate for system or environment in which it is operating.
- nVent Equipment Protection product modified in any way without prior written authorization from nVent Equipment Protection.
- Removal or modification of nVent Equipment Protection label affixed to product without written nVent Equipment Protection approval.
nVent Equipment Protection must be notified of a claim in writing not later than fourteen (14) days from the date when Buyer has become aware of such occurrence, or where the defect is such that it may cause damage, immediately, such notice containing a description of how the defect manifests itself. Failure to provide such prompt notice to nVent Equipment Protection shall result in forfeiture of Buyer’s rights under this warranty.
In the event of a warranty claim, Buyer is to return defective goods to nVent Equipment Protection in accordance with nVent Equipment Protection Return Policy. Warranty period for repaired goods remains at 1 year from shipment of original goods. nVent Equipment Protection sole obligation to Buyer under this warranty will be, at nVent Equipment Protection option:
A. Repair or replace nVent Equipment Protection products or parts found to be defective in material or
workmanship.
B. Issue credit for the purchase price paid by Buyer relating to such defective Goods or part.
THIS WARRANTY CONSTITUTES THE ENTIRE WARRANTY WITH RESPECT TO THE GOODS AND IS IN LIEU OF ALL OTHER WARRANTIES, EXPRESSED OR IMPLIED, INCLUDING ANY IMPLIED WARRANTY OF MERCHANTABILITY AND IMPLIED WARRANTY OF FITNESS FOR A PARTICULAR PURPOSE.
RETURN AND REPAIR POLICY
nVent Equipment Protection products that: (i) are made to order, (ii) have been modified by Buyer, (ii) have special finishes, or (iv) are determined by nVent Equipment Protection to constitute “custom” products that cannot be returned to stock or resold to other Buyers, will not be accepted for return by nVent Equipment Protection.
All returns require a Return Material Authorization number (RMA #), regardless of reason for return, whether it be for warranty or out of warranty repair. Returns without an RMA # will be refused by our Receiving Department. An RMA # is valid for 60 days.
A. An RMA # will be issued by our Repair Department in Anoka, MN at 866-545-5252. Buyer should have following information available at time of RMA request:
- Complete Model Number, Serial Number and description of damaged unit being returned.
- Original Buyer Purchase Order number and date product was received by Buyer.
- Quantity to be returned and a brief description of failure for each unit, if different.
- Contact information of Buyer that must include: name of company, billing and shipping address, phone, number, fax number, freight carrier and the name and phone number of a Buyer contact who can elaborate on the claimed defect in detail.
- Buyer must provide a Repair Purchase Order number for both warranty and out of warranty repairs. The PO will not exceed 50% of a new unit. Buyer will be notified of repair charges that exceed approved PO amount.
B. All returns to nVent Equipment Protection must be securely packed, using original cartons if possible.
All returns must have the RMA number visible on the outside of the carton. nVent Equipment Protection is not responsible for material damaged in transit. Any refrigerant-bearing Goods must be shipped upright for return.
C. Shipping cost for all non-warranty repairs is the responsibility of the sender and must be shipped prepaid. Shipping costs for all warranty related repairs will be covered by nVent Equipment Protection provided the goods are returned using a nVent Equipment Protection approved carrier. If after diagnoses the product is determined by nVent Equipment Protection not be covered under warranty, Buyer will be responsible for all shipping charges and will be billed accordingly.
D. Non-warranty repairs are subject to a $75 minimum analysis fee. Analysis fee will be waived if Buyer approves repair work. If approval is not received within 30 days, material will be scrapped and all shipping expenses and corresponding analysis fees will be billed to Buyer.
E. At Buyer’s request, Failure Analysis can be provided by nVent Equipment Protection for warrantable goods at no charge. Failure analysis for non-warranty repairs are subject to a $100 per hour Engineering charge plus any other incurred testing costs.
F. All returned merchandise must be sent to the following address: nVent Equipment Protection, 2100 Hoffman Way, Anoka, MN 55303-1745.
G. Credit for accepted returns shall be at the original selling price or the current selling price, whichever is lower, less the restocking charge indicated as follows:
- Within 60 days of invoice date – 20% of applicable selling price.
- Within 61-120 days of invoice date – 30% of applicable selling price.
- Within 121-180 days of invoice date – 40% of applicable selling price.
- Beyond 180 days – subject to individual review by nVent Equipment Protection.
If product being returned for credit requires repair or modification, the cost of any labor or material necessary to bring product into saleable condition will be deducted from credit. Buyer may not take credit against returns without prior written nVent Equipment Protection approval.
LIMITATION OF LIABILITY
NVENT EQUIPMENT PROTECTION WILL NOT BE LIABLE UNDER ANY CIRCUMSTANCES FOR ANY INCIDENTAL, CONSEQUENTIAL OR SPECIAL DAMAGES, INCLUDING WITHOUT LIMITATION ANY LOST PROFITS OR LABOR COSTS, ARISING FROM THE SALE, USE OR INSTALLATION OF THE GOODS, FROM THE GOODS BEING INCORPORATED INTO OR BECOMING A COMPONENT OF ANOTHER PRODUCT, FROM ANY BREACH OF THIS AGREEMENT OR FROM ANY OTHER CAUSE WHATSOEVER, WHETHER BASED ON WARRANTY (EXPRESSED OR IMPLIED) OR OTHERWISE BASED ON CONTRACT, OR ON TORT OR OTHER THEORY OF LIABILITY, AND REGARDLESS OF ANY ADVICE OR REPRESENTATIONS THAT MAY HAVE BEEN RENDERED BY NVENT EQUIPMENT PROTECTION CONCERNING THE SALE, USE OR INSTALLATION OF THE GOODS
CUSTOMERS SUPPORT
nVent
2100 Hoffman Way
Anoka, MN 55303 USA
tr +1.763.422.2211
+1.763.576.3200
nVent.com




















