T43 T-Series Air Conditioner
Instruction Manual

NOTE: Some of the information in this manual may not apply if a special unit was ordered. If additional drawings for a special unit are necessary, they have been inserted. Contact nVent Equipment Protection if further information is required.
WARRANTY AND RETURN POLICY
https://hoffman.nvent.com/en/hoffman/warranty-information
IMPORTANT NOTICE
- These instructions were authored in English. Instructions published in languages other than English have been translated from the authored language.
- These air conditioners are intended to be used by properly trained customers in industrial, communications, and agricultural environments.
- The operating sound level is below 70 dBA.
RECEIVING THE AIR CONDITIONER
Inspect the air conditioner. Check for concealed damage that may have occurred during shipment. Look for dents, scratches, loose assemblies, evidence of oil, etc. Damage evident upon receipt should be noted on the freight bill.
Damage should be brought to the attention of the delivering carrier — NOT to nVent Equipment Protection — within 15 days of delivery. Save the carton and packing material and request an inspection. Then file a claim with the delivery carrier.
nVent Equipment Protection cannot accept responsibility for freight damages; however, we will assist you in any way possible.
HANDLING AND TESTING THE AIR CONDITIONER
If the air conditioner has been in a horizontal position, be certain it is placed in an upright, vertical, or mounting position for a minimum of five (5) minutes before operating.
| Do not attempt to operate the air conditioner while it is horizontal or on its side, back or front. The refrigeration compressor is filled with lubricating oil. This will cause permanent damage to the air conditioner and also voids the warranty. |
TEST FOR FUNCTIONALITY BEFORE MOUNTING THE AIR CONDITIONER TO THE ENCLOSURE.
Refer to the nameplate for proper electrical current requirements, and then connect the power cord to a properly grounded power supply. Minimum circuit ampacity should be at least 125% of the amperage shown in the design data section for the appropriate model. No other equipment should be connected to this circuit to prevent overloading.
Operate the air conditioner for five (5) to ten (10) minutes. No excessive noise or vibration should be evident during this run period. The condenser blower (ambient air), the evaporator impeller (enclosure air), and the compressor should be running.
Condenser air temperatures should be warmer than normal room temperatures within a few minutes. The compressor is provided with automatic reset thermal overload protection. This thermoswitch is located and mounted inside the plastic enclosure clipped to the compressor. The switch operates when the compressor overheats due to a clogged or dirty inlet air filter or if ambient air temperatures exceed nameplate rating or if enclosure dissipated heat loads exceed the rated capacity of the air conditioner.
The thermal overload switch will actuate and stop compressor operation. The blowers will continue to operate and the compressor will restart after it has cooled to within the thermal overload cut-in temperature setting.
INSTALLATION INSTRUCTIONS
- Inspect the air conditioner and verify correct functionality before mounting the air conditioner. See HANDLING AND TESTING THE AIR CONDITIONER on page 3.
- Using the cutout dimensions, See MOUNTING CUTOUT DIMENSIONS on page 6 in this manual, prepare the air “IN” and air “OUT” openings, and mounting bolt hole pattern for the enclosure.
- Using the gasket kit provided, install gaskets for the air conditioner. See MOUNTING GASKET KIT on page 7 for proper location.
- Mount air conditioner on enclosure using mounting bolts and screws provided. “EZ” mount tabs can be used to hold the unit on the enclosure while mounting in place. Allow the unit to remain upright for a minimum of five (5) minutes before starting. Caution! The air conditioner must be in an upright position during operation.
- To avoid cross-threading mounting inserts, start bolts by hand before tightening with a wrench or ratchet driver.
- When routing the drain tube, caution should be taken to keep it from kinking or being elevated above the exit point of the air conditioner. The drain tube must be on a continuous downward slope. A slight elevation of the tube could result in a secondary trap. FAILURE TO FOLLOW THESE INSTRUCTIONS COULD RESULT IN THE OVERFLOWING OF THE CONDENSATE DRAIN PAN.
- Refer to the top of the nameplate for electrical requirements. Connect the power cord to a properly grounded power supply. Use of an extension cord is not recommended. The electrical circuit should be fused with a slow blow or HACR circuit breaker.
DESIGN DATA
| Model | Voltage | Hz | Full Load Amps | Phase | BTU/Hr @ Max Amb Temp | Max Amb Temp °F/°C | Shipping Weight lb./kg |
| T430616GXXX | 115 | 50/60 | 8. | 1 | 6080/6300 | 131/55 | 125/57 |
| T430626GXXX | 230 | 50/60 | 4. | 1 | 6400/6600 | 131/55 | 125/57 |
| T430816GXXX | 115 | 50/60 | 9.8/11.2 | 1 | 7400/8100 | 131/55 | 125/57 |
| T430826GXXX | 230 | 50/60 | 4.9/6.2 | 1 | 7600/8200 | 131/55 | 125/57 |
| T431016GXXX | 115 | 50/60 | 16.2/21.0 | 1 | 10090/11090 | 131/55 | 125/57 |
| T431026GXXX | 230 | 50/60 | 7.8/9.5 | 1 | 9750/10250 | 131/55 | 125/57 |
| T431046GXXX | 460 | 50/60 | 6. | 1 | 9750/10250 | 131/55 | 150/68 |
| T431046G4XX | 400/460 | 50/60 | 3.1/3.4 | 3 | 8970/9600 | 131/55 | 140/64 |
XXX will be replaced with a three-digit number designating all desired options. Consult the factory for specific model numbers.
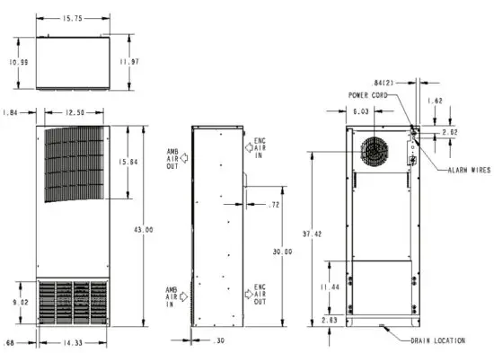
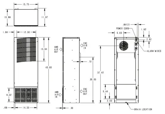
DIMENSIONAL DRAWINGS
6K BTU

8-10K BTU

MOUNTING CUTOUT DIMENSIONS

MOUNTING GASKET KIT
MOUNTING GASKET KIT, 45-1000-50 INCLUDED. APPLY GASKET TO AIR CONDITIONER BEFORE MOUNTING TO ENCLOSURE


COMPONENTS LIST (115 VOLT)
| Item | Part Description | Part Number | ||
| 6000 BTU | 8000 BTU | 10000 BTU | ||
| 1 | Capacitor, Compressor, Start | 89173376 | 89115350 | 10-1032-08 |
| 2 | Capacitor, Compressor, Run | 89172425 | 89172425 | 89172481 |
| 3 | Capacitor, Impeller, Condenser | 52-6084-01 | 52-6031-03 | 52-6031-03 |
| 4 | Capacitor, Impeller, Evaporator | 52-6084-01 | 52-6084-01 | 52-6084-01 |
| 5 | Coil, Condenser | 45-6051-00 | 45-6051-00 | 45-6051-00 |
| 6 | Coil, Evaporator | 43-6025-00 | 43-6025-00 | 43-6025-00 |
| 7 | Compressor | 89169165 | 89169167 | 89169173 |
| 8 | Filter, Air, Reusable | 89057617 | 89057617 | 89057617 |
| 9 | Filter/Dryer | 52-6028-00 | 52-6028-00 | 52-6028-00 |
| 10 | Freeze Stat | 89097855 | 89097855 | 89097855 |
| 11 | Head Pressure Control Switch | 52-6104-26 | 52-6104-26 | 52-6104-26 |
| 12 | Impeller, Condenser | 10-1091-123 | 10-1091-138 | 10-1091-89 |
| 13 | Impeller, Evaporator | 10-1091-123 | 10-1091-123 | 10-1091-123 |
| 14 | Relay, Compressor Start | 89172340 | 89172340 | 89172341 |
| 15 | Service Cord | 89107626 | 89107626 | 52-6035-85 |
| 16 | Thermal Expansion Valve | 99-0540-39 (cap tube) | 10-1040-37 | 10-1040-38 |
| 17 | Thermal Overload, Compressor | 89183837 | 89183472 | Internal |
| 18 | Thermostat, SPST, 55-100F | 10-1061-16 | 10-1061-16 | 10-1061-16 |
T43 115V MODELS
T43 6,000 BTU 230/460V MODELS
COMPONENTS LIST (230/460 VOLT)
| Item | Part Description | Part Number | 460V 3-Phase | ||
| 6000 BTU | 8000 BTU | 10000 BTU | 10000 BTU | ||
| 1 | Capacitor, Compressor, Start | 10-1032-08 | N/A | N/A | N/A |
| 2 | Capacitor, Compressor, Run | 89104097 | 89174772 | 89174771 | N/A |
| 3 | Capacitor, Impeller, Condenser | 52-6084-02 | 52-6084-02 | 52-6084-05 | 52-6032-20 |
| 4 | Capacitor, Impeller, Evaporator | 52-6084-02 | 52-6084-02 | 52-6084-02 | 52-6032-14 |
| 5 | Coil, Condenser | 45-6051-00 | 45-6051-00 | 45-6051-00 | 45-6051-00 |
| 6 | Coil, Evaporator | 43-6025-00 | 45-6050-00 | 45-6050-00 | 45-6050-00 |
| 7 | Compressor | 89169166 | 89105607 | 89107889 | 89107890 |
| 8 | Filter, Air, Reusable | 89057617 | 89057617 | 89057617 | 89057617 |
| 9 | Filter/Dryer | 52-6028-00 | 52-6028-00 | 52-6028-00 | 52-6028-00 |
| 10 | Freeze Stat | 89097855 | 89097855 | 89097855 | 87097855 |
| 11 | Head Pressure Control Switch | 52-6104-26 | 52-6104-26 | 52-6104-26 | 52-6104-26 |
| 12 | Impeller, Condenser | 10-1091-124 | 10-1091-124 | 10-1091-90 | 10-1091-90 |
| 13 | Impeller, Evaporator | 10-1091-124 | 10-1091-124 | 10-1091-124 | 10-1091-124 |
| 14 | Relay, Compressor Start or Time Delay | 89172340 | 89172089 | 89172089 | N/A |
| 15 | Service Cord | 52-6035-32 | 52-6035-32 | 52-6035-32 | N/A |
| 16 | Thermal Expansion Valve | 99-0540-39 (cap tube) | 10-1040-42 | 10-1040-38 | 10-1040-31 |
| 17 | Thermal Overload, Compressor | TTC=8300MRAL20 OR TI=MRA4765-114 | TTC=8300MRAL23 OR TI=MRA1706-114 | Internal | 89171728 |
| 18 | Thermostat, SPST, 55-100F | 10-1061-16 | 10-1061-16 | 10-1061-16 | 10-1061-16 |
| 19 | Relay, Phase Monitor | N/A | N/A | N/A | 89117576 |
| 20 | Relay, Overload | N/A | N/A | N/A | 89098326 |
| 21 | Contactor, 3-Pole | N/A | N/A | N/A | 89102057 |
| 22 | Relay, 24 VAC | N/A | N/A | N/A | 10-1005-36 |
| 23 | Transformer,460/230V,400VA | N/A | N/A | N/A | 10-1006-128 |
| 24 | Transformer,230-208/24V,20VA | N/A | N/A | N/A | 89154383 |

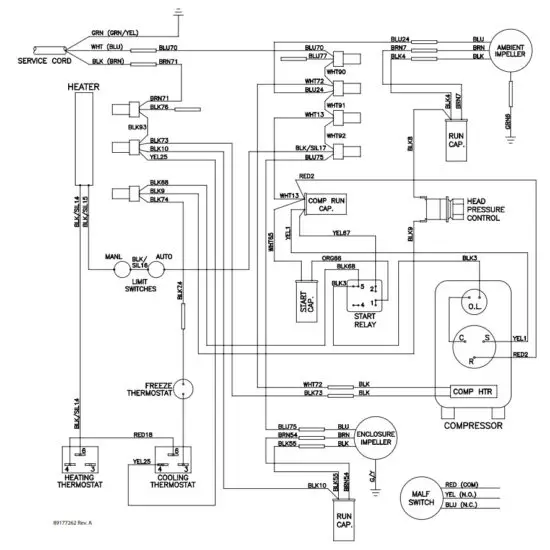
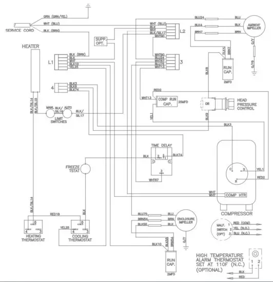
WIRING DIAGRAM AND SCHEMATIC
GENERIC WIRE DIAGRAM 115V AND 6000 BTU 230V MODELS (ACTUAL UNIT OPTIONS MAY VARY)

GENERIC WIRE DIAGRAM 8000 AND 10000 BTU 230V MODELS (ACTUAL UNIT OPTIONS MAY VARY)

GENERIC SCHEMATIC FOR 115V AND 6000 BTU 230V MODELS (ACTUAL UNIT OPTIONS MAY VARY)

GENERIC SCHEMATIC FOR 8000 AND 10000 BTU 230V MODELS (ACTUAL UNIT OPTIONS MAY VARY)

GENERIC WIRE DIAGRAM FOR 3-PHASE MODELS (ACTUAL UNIT OPTIONS MAY VARY)

TEMPERATURE CONTROL
The electromechanical thermostat is factory preset to 75 F/24 C. To change the temperature setting, remove the nylon plug (if applicable) from the back face of the unit. Use a standard screwdriver to adjust the thermostat. For cooler temperatures turn clockwise, for warmer temperatures turn counterclockwise. The setpoint of the thermostat equals the off temperature. The temperature is 10 F/5 C above the set point.
UNITS WITH HEAT
The heating thermostat is factory preset to 55 F/13 C. The setpoint for the heating thermostat equals the on temperature. The off temperature is 10 F/5 C above the set point.
PRINCIPLES OF OPERATION
If electrical power to the air conditioner is interrupted and reapplied immediately, (within 3 to 5 seconds), the compressor may not restart due to the high backpressure of the compressor. It takes a minimum of one (1) minute after shut-down for the compressor suction and discharges pressures to equalize in order for the air conditioner to restart.
Operating the air conditioner below the minimum ambient temperature or above the maximum ambient temperatures indicated on the nameplate voids all warranties.
It is recommended that the warranty section of this manual be read in order to familiarize yourself with the parameters of restricted operation.
The moisture that the enclosure air can contain is limited. If moisture flows from the drain tube continuously this can only mean that ambient air is entering the enclosure.
Be aware that frequent opening of the enclosure’s door admits humid air, which the air conditioner must then dehumidify.
MAINTENANCE
COMPRESSOR
The compressor requires no maintenance. It is hermetically sealed, properly lubricated at the factory, and should provide years of satisfactory operating service.
Should the refrigerant charge be lost, recharging ports (access fittings) on the suction and discharge sides of the compressor are provided for recharging and/or checking suction and discharge pressures.
Under no circumstances should the access fitting covers be loosened, removed, or tampered with.
Breaking of seals on compressor access fittings during the warranty period will void the warranty on the hermetic system.
Recharging ports are provided for the ease and convenience of reputable refrigeration repair service personnel for recharging the air conditioner.
INLET AIR FILTER
Proper maintenance of the inlet air filter, located behind the front cover, will assure normal operation of the air conditioner. If filter maintenance is delayed or ignored, the maximum ambient temperatures under which the unit is designed to operate will be decreased.
If the compressor’s operating temperature increases above-designed conditions due to a dirty or clogged filter (or plugged condenser coil), the air conditioner’s compressor will stop operating due to the actuation of the thermal overload cut-out switch located on the compressor housing. As soon as the compressor temperature has dropped to within the switch’s cut-in setting, the compressor will restart automatically. However, the above condition will continue to take place until the filter or coil has been cleaned. It is recommended that power to the air conditioner be interrupted intentionally when abnormally high compressor operating temperature causes automatic shut-down of the unit. The above-described shut-down is symptomatic of a clogged or dirty filter, thus causing a reduction in cooling airflow across the surface of the compressor and condenser coil.
Do not run the air conditioner for extended periods of time with the filter removed. Particles of dust, lint, etc., can plug the fins of the condenser coil which will give the same reaction as a plugged filter. The condenser coil is not visible through the filter opening, so protect it with a filter.
Continued operation under the above conditions can and will damage and shorten compressor life. The air conditioner is available with an easily removable inlet filter to facilitate necessary cleaning. There should be no reason to neglect this necessary maintenance.
HOW TO REMOVE, CLEAN, OR INSTALL A NEW INLET AIR FILTER
RP aluminum washable air filters are designed to provide excellent filtering efficiency with a high dust holding capacity and a minimum amount of resistance to airflow. Because they are constructed entirely of aluminum they are lightweight and easy to service. Optimum filter performance is maintained by recoating the filters after washing with RP Super Filter Coat adhesive. To achieve maximum performance from your air handling equipment, air filters should be cleaned on a regular basis.
The inlet air filter is located behind the lower access cover. To access the filter, pull the ring protruding from the slot in the bottom of the front cover, or remove the lower access cover by removing the two screws at the bottom of the unit, the filter is held in the cover, slide filter out. The filter may now be cleaned or a new filter installed.
Cleaning Instructions:
- Flush the filter with warm water from the exhaust side to the intake side. DO NOT USE CAUSTICS.
- After flushing, allow the filter to drain. Placing it with a corner down will assure complete drainage.
- Recoat the filters with RP Super Filter Coat adhesive. When spraying the filter do so from both sides for maximum concentration of adhesive.
CONDENSER AND EVAPORATOR AIR MOVERS
Impeller motors require no maintenance. All bearings, shafts, etc. are lubricated during manufacturing for the life of the motor.
If the condenser impeller motor (ambient impeller) should fail, it is not necessary to remove the air conditioner from the cabinet or enclosure to replace the blower. The condenser blower is mounted on its own bulkhead and is easily accessible by removing the lower access panel.
| Operation of the air conditioner in areas containing airborne caustics or chemicals can rapidly deteriorate filters, condenser coils, blowers, and motors, etc. Contact nVent Equipment Protection for special recommendations. |
REFRIGERANT LOSS
Each air conditioner is thoroughly tested prior to leaving the factory to insure against refrigeration leaks. Shipping damage or microscopic leaks not found with sensitive electronic refrigerant leak detection equipment during manufacture may require repair or recharging of the system. This work should only be performed by qualified professionals, generally available through a local, reputable air conditioning repair or service company.
Refer to the data on the nameplate which specifies the type of refrigerant and the charge size in ounces.
Before recharging, make sure there are no leaks and that the system has been properly evacuated into a deep vacuum.
NOTES
TROUBLESHOOTING
BASIC AIR CONDITIONING TROUBLESHOOTING CHECKLIST
- Check the manufacturer’s nameplate located on the unit for the correct power supply.
- Turn on power to the unit. The evaporator (Enclosure or “COLD” air) impeller should come on. Is there airflow?

- Check the thermostat setting and adjust the thermostat to the lowest setting. This should turn on the condenser impellers and compressor. Did condenser impellers and compressor come on when the thermostat was turned on?

- Are both impellers and the compressor running? If not the unit will not cool properly.
- Check condenser (Ambient or “HOT” air) impellers for airflow. Is there airflow?

- Carefully check the compressor for operation – the motor should cause slight vibration, and the outer case of the compressor should be warm. Is the compressor showing signs of this?

- Make sure the coils are clean. Then check evaporator “air in” and “air out” temperatures. If the temperatures are the same:

- To check for a bad thermostat, turn the power to the unit off. Remove the control box cover and place both thermostat wires onto one terminal (replace the control box cover for safety). This will pass the switch in the thermostat. Turn the power on and if both blowers and the compressor come on, the thermostat needs to be replaced.
SYMPTOMS AND POSSIBLE CAUSES:
| SYMPTOM | POSSIBLE CAUSE |
| The unit won’t cool | Clogged fins on the coil(s) |
| Dirty filter | |
| Impellers not running | |
| Compressor not running | |
| The compressor runs but has bad valves | |
| Loss of refrigerant | |
| The compressor tries to start but won’t run | Low line voltage at the start. Should be +/-10% rated voltage. |
| Compressor motor stuck | |
| Bad contactor | |
| Bad overload switch | |
| Bad run/start capacitor | |
| Unit blows breakers | Undersized breaker/fuse or not time delayed |
| Short in system | |
| Getting water in the enclosure | Drain plugged |
| Drain tube kinked | |
| Enclosure not sealed (allowing humidity in) | |
| Mounting gasket damaged | |
For additional technical support (i.e., amp draw, pressures, temperatures), contact nVent Equipment Protection at 800-896-2665.
F-GAS INFORMATION
| T430616GXXX T431016GXXX | T430816GXXX | T430626GXXX T430646GXXX T430826GXXX T430846GXXX | T431026GXXX 7431046GXXX 1-Ph | T431046GXXX 3-PH | |
| Refrigerant KOhlmittel Chlodziwo | R134a | R134a | R134a | R134a | R134a |
| GWP | 1430 | 1430 | 1430 | 1430 | 1430 |
| Factory Charge Fullmenge durch Hersteller Opfata Fabryczna | 992 Grams 992 Gramm 992 Gram6w | 709 Grams 709 Gramm 709 Gramow | 1021 Grams 1021 Gramm 1021 Gram6w | 907 Grams 907 Gramm 907 Gram6w | 879 Grams 879 Gramm 879 Gram6w |
| CO2 Equivalent CO2 Equivalent CO? Ekwilalent | 1.42 Tons 1,42 Tonnen 1,42Tony | 1.02 Tons 1,02 Tonnen 1,02 Tony | 1.46Tons 1,46 Tonnen 1,46Tony | 1.30 Tons 1,30 Tonnen 1,30Tony | 1.26 Tons 1,26 Tonnen 1,26 Tony |

nVent
2100 Hoffman Way
Anoka, MN 55303 USA
+1.763.422.2211
+1.763.576.3200
nVent.com
























