nVent T-SERIES T20 Air Conditioner

NOTE: Some of the information in this manual may not apply if a special unit was ordered. If additional drawings for a special unit are necessary, they have been inserted.
Contact nVent Equipment Protection if further information is required.
WARRANTY AND RETURN POLICY
https://hoffman.nvent.com/en/hoffman/warranty-information
IMPORTANT NOTICE
- These instructions were authored in English. Instructions published in languages other than English have been translated from the authored language.
- These air conditioners are intended to be used by properly trained customers in industrial, communications and agricultural environments.
- Operating sound level is below 70 dBA.
| |
![]() | Disconnect the power source from the air conditioner before servicing |
RECEIVING THE AIR CONDITIONER
Inspect the air conditioner. Check for concealed damage that may have occurred during shipment. Look for dents, scratches, loose assemblies, evidence of oil, etc. Damage evident upon receipt should be noted on the freight bill.
Damage should be brought to the attention of the delivering carrier — NOT to nVent Equipment Protection — within 15 days of delivery. Save the carton and packing material and request an inspection. Then file a claim with the delivering carrier.
nVent Equipment Protection cannot accept responsibility for freight damages; however, we will assist you in any way possible.
HANDLING AND TESTING THE AIR CONDITIONER
If the air conditioner has been in a horizontal position, be certain it is placed in an upright, vertical or mounting position for a minimum of five (5) minutes before operating.
|
| Do not attempt to operate the air conditioner while it is horizontal or on its side, back or front. The refrigeration compressor is filled with lubricating oil. This will cause permanent damage to the air conditioner and also voids the warranty. |
TEST FOR FUNCTIONALITY BEFORE MOUNTING THE AIR CONDITIONER TO THE ENCLOSURE.
Refer to the nameplate for proper electrical current requirements, and then connect the power cord to a properly grounded power supply. Minimum circuit ampacity should be at least 125% of the amperage shown in the design data section for the appropriate model. No other equipment should be connected to this circuit to prevent overloading.
Operate the air conditioner for five (5) to ten (10) minutes. No excessive noise or vibration should be evident during this run period. The condenser blower (ambient air), the evaporator blower (enclosure air), and the compressor should be running.
Condenser air temperatures should be warmer than normal room temperatures within a few minutes.
The compressor is provided with automatic reset thermal overload protection. This thermo-switch is located and mounted inside the plastic enclosure clipped to the compressor. The switch operates when the compressor overheats due to clogged or dirty inlet air filter or if ambient air temperatures exceed nameplate rating or if enclosure dissipated heat loads exceed the rated capacity of the air conditioner. The thermal overload switch
will actuate and stop compressor operation. The blowers will continue to operate and the compressor will restart after it has cooled to within the thermal overload cut-in temperature setting.
INSTALLATION INSTRUCTIONS
- Inspect the air conditioner and verify correct functionality before mounting the air conditioner. See HANDLING AND TESTING THE AIR CONDITIONER on page 3.
- Determine if the unit is to be surface or recess mounted. Using the appropriate cutout dimensions, see Mounting Cutout Dimensions on page 5 of this manual, prepare the enclosure opening for either surface or recess mounting.
- Using the gasket kit provided, install gaskets to air conditioner.
- Mount air conditioner on enclosure using 1/4-20x.625 mounting bolts provided. “EZ” mount tabs can be used to hold unit on enclosure while mounting in place. Torque each bolt to 65 in./ lbs. Allow unit to remain upright for a minimum of five (5) minutes before starting. Caution! Air conditioner must be in upright position during operation.
- To avoid cross-threading mounting inserts, start bolts by hand before tightening with a wrench or ratchet driver
- When routing the drain tube, caution should be taken to keep it from kinking or being elevated above the exit point of the air conditioner. The drain tube must be on a continuous downward slope. A slight elevation of the tube could result in secondary trap. FAILURE TO FOLLOW THESE INSTRUCTIONS COULD RESULT IN OVERFLOWING OF THE CONDENSATE DRAIN PAN.
- Refer to top of nameplate for electrical requirements. Connect the power cord to a properly grounded power supply. Use of an extension cord is not recommended. Electrical circuit should be fused with slow blow or HACR circuit breaker
DESIGN DATA
| Model | Voltage | Hz | Full Load Amps | Phase | BTU/Hr. @ Max Ambient Temperature | Max Ambient Temperature (°F/°C) | Shipping Weight (lb./kg) |
T200216GXXX | 115 | 50/60 | 7.0 | 1 | 1800/2000 | 131/55 | 45/20.4 |
| T200226GXXX | 230 | 50/60 | 3.5 | 1 | 1800/2000 | 131/55 | 45/20.4 |
-XXX will be replaced with a three-digit number designating all desired options. Consult the factory for specific model numbers.
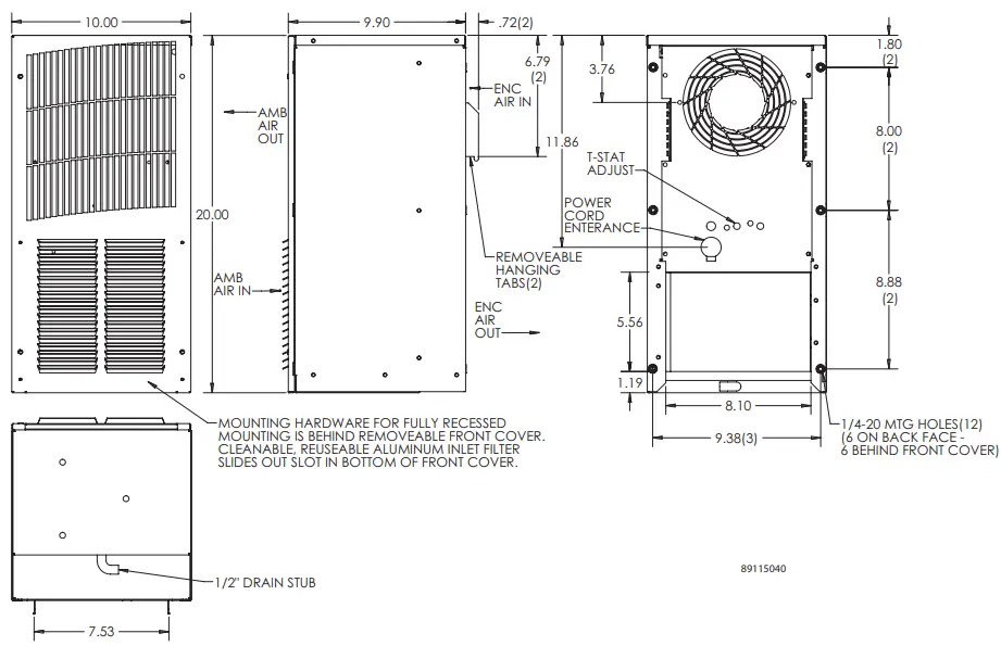
DIMENSIONAL DRAWING

MOUNTING CUTOUT DIMENSIONS

CUTOUT INSTRUCTION (As viewed from outside of enclosure)
NOTE: Dashed lines represent air conditioner.
COMPONENTS LIST
Part Description | Part Number | |
115V | 230V | |
Impeller, Condenser | 10-1091-121 | 10-1091-122 |
Fan, Evaporator | 12-1012-01 | 12-1012-02 |
| Capacitor, Compressor | 89107709 | 89106525 |
Capacitor, Condenser Impeller | S-1353-1 | 52-6084-02 |
Coil, Condenser | 20-1020-02 | 20-1020-02 |
| Coil, Condenser, Coated | 20-1020-01 | 20-1020-01 |
Coil, Evaporator | 20-1021-00 | 20-1021-00 |
| Compressor | 89109026 | 89108369 |
Filter, Air, Reusable | 89057620 | 89057620 |
| Filter/Dryer | 52-6028-03 | 52-6028-03 |
Service Cord | 52-6035-140 | 52-6035-141 |
| Thermal Overload, Compressor | 89109877 | 89109878 |
Thermostat, SPST, 55-100F | 10-1061-16 | 10-1061-16 |
| Optional Heater | 10-2004-25 | 10-2004-26 |
Optional Malfunction Switch | 52-6104-42 | 52-6104-42 |
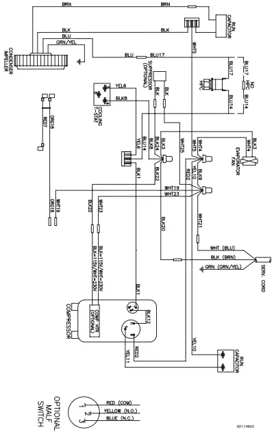
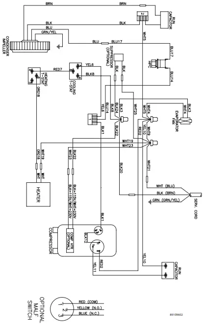
WIRE DIAGRAMS
WITHOUT HEAT

WITH HEAT

SCHEMATIC

TEMPERATURE CONTROL
he electromechanical thermostat is factory preset to 75 F/23 C. To change the temperature setting, remove the nylon plug from the front face of the unit. Use a standard screwdriver to adjust thermostat. For cooler temperatures turn clockwise, for warmer temperatures turn counterclockwise. Setpoint differential is 6 F.
UNITS WITH HEAT
GENERAL INFORMATION
Air conditioners with electric heat are equipped with two thermostats that are clearly marked on the label as to which thermostat is cooling and which is heating.
The electromechanical thermostats are factory set for; cooling at 80 F / 27 C, heating at 55 F / 13 C unless otherwise noted on the Shop Record. The thermostats have a differential of 10 F between the on / off function of the air conditioner. The thermostat set point designates the temperature point at which theair conditioner turns off. The thermostats have a variance of ±3 F at set points below 100 F and a variance of ±4 F at 100 F.
EXAMPLE
With a dial setting for cooling at 80 F, the cooling operation of the air conditioner will turn on at 90 ±3 F and turn off at 80 ±3 F.
With a dial setting for heating at 55 F, the heating operation of the air conditioner will turn on at 55 ±3 F and turn off at 65 ±3 F.
TO CHANGE THE TEMPERATURE SETTING OF THE THERMOSTAT
Remove the nylon plug which covers the temperature adjustment screw. Using a standard screw driver, turn the adjustment screw clockwise for cooler settings and counter clockwise for warmer settings. Reinstall the nylon plugs.
DIAL RANGES
The cooling thermostat dial range is from 70 F to 100 F. The heating thermostat dial range is from 55 F to 65 F.
The air conditioners are equipped with thermostat stop screws to limit the ranges. Removing the cooling stop screws for any purposes other than testing the operation of the air conditioner may cause limited cooling due to the evaporator coil icing over.
Removing the heating stop screws for any purposes other than testing the operation of the air conditioner will cause the air conditioner to have a limited differential between the heating and cooling function. This will cause the air conditioner to cycle between heating and cooling more frequently
TESTING THERMOSTAT CALIBRATION
Cooling Thermostat
With the air conditioner plugged in and the cooling thermostat set to the lowest position, (remove stop screw), measure the temperature of the intake air on the evaporator side of the unit and note the temperature. Turn the cooling thermostat dial counter clockwise at a rate of 1 F per second until the compressor stops and note the reading on the dial. Compare the two readings, they must be within ±3 F of each other.
Heating thermostat
With the air conditioner plugged in and the heating thermostat set to the lowest position, (remove stop screw), measure the temperature of the intake air on the evaporator side of the unit and note the temperature. Turn the heating thermostat dial counter clockwise at a rate of 1 F per second until the heater starts (read change in amps of unit to determine when heating starts) and note the reading on the dial. Compare the two readings, they must be within ±3 F of each other.
PRINCIPLES OF OPERATION
If electrical power to the air conditioner is interrupted and reapplied immediately, (within 3 to 5 seconds), the compressor may not restart due to the high back pressure of the compressor. It takes a minimum of one (1) minute after shut-down for the compressor suction and discharge pressures to equalize in order for the air conditioner to restart.
Operating the air conditioner below the minimum ambient temperature or above the maximum ambient temperatures indicated on the nameplate voids all warranties.
It is recommended that the warranty section of this manual be read in order to familiarize yourself with parameters of restricted operation.
The moisture that the enclosure air can contain is limited. If moisture flows from the drain tube continuously this can only mean that ambient air is entering the enclosure. Be aware that frequent opening of the enclosure’s door admits humid air, which the air conditioner must then dehumidify.
Units with the optional malfunction switch have a normally open connection between the red & yellow wires and normally closed with the red and blue wires. During alarm the red and yellow wires will be closed and the blue and red wires will be open.
Maximum electrical ratings for the switch are 13A for 120 VAC and 10A for 240 VAC.
MAINTENANCE
COMPRESSOR
The compressor requires no maintenance. It is hermetically sealed, properly lubricated at the factory and should provide years of satisfactory operating service.
Should the refrigerant charge be lost, recharging ports (access fittings) on the suction and discharge sides of the compressor are provided for recharging and/or checking suction and discharge pressures.
Under no circumstances should the access fitting covers be loosened, removed or tampered with.
Breaking of seals on compressor access fittings during warranty period will void warranty on hermetic system.
Recharging ports are provided for the ease and convenience of reputable refrigeration repair service personnel for recharging the air conditioner.
INLET AIR FILTER
Proper maintenance of the inlet air filter, located behind the front cover, will assure normal operation of the air conditioner. If filter maintenance is delayed or ignored, the maximum ambient temperatures under which the unit is designed to opera e will be decreased.
If the compressor’s operating temperature increases above designed conditions due to a dirty or clogged filter (or plugged condenser coil), the air conditioner’s compressor will stop operating due to actuation of the thermal overload cutout switch located on the compressor housing. As soon as the compressor temperature has dropped to within the switch’s cut-in setting, the compressor will restart automatically. However the above condition will continue to take place until the filter has been cleaned or replaced.
It is recommended that power to the air conditioner be interrupted intentionally when abnormally high compressor operating temperature causes automatic shutdown of the unit. The above described shutdown is symptomatic of clogged or dirty filter, thus causing a reduction in cooling airflow across the surface of the compressor and condenser coil.
Do not run the air conditioner for extended periods of time with the filter removed. Particles of dust, lint, etc., can plug the fins of the condenser coil which will give the same reaction as a plugged filter. The condenser coil is not visible through the filter opening, so protect it with a filter.
Continued operation under the above conditions can and will damage and shorten compressor life. The air conditioner is available with an easily removable inlet filter to facilitate necessary cleaning. There should be no reason to neglect this necessary maintenance.
HOW TO REMOVE, CLEAN OR INSTALL A NEW INLET AIR FILTER
RP aluminum washable air filters are designed to provide excellent filtering efficiency with a high dust holding capacity and a minimum amount of resistance to air flow. Because they are constructed entirely of aluminum they are lightweight and easy to service. Optimum filter performance is maintained by recoating the filters after washing with RP Super Filter Coat adhesive. To achieve maximum performance from your air handling equipment, air filters should be cleaned on a regular basis.
The inlet air filter is located behind the front cover. To access filter, pull ring protruding from slot in bottom of front cover. The filter may now be cleaned or new filter installed.
Cleaning Instructions:
- Flush the filter with warm water from the exhaust side to the intake side. DO NOT USE CAUSTICS.
- After flushing, allow filter to drain. Placing it with a corner down will assure complete drainage.
- Recoat the filters with RP Super Filter Coat adhesive. When spraying filter do so from both sides for maximum concentration of adhesive.
CONDENSER AND EVAPORATOR AIR MOVERS
Fan and impeller motors require no maintenance. All bearings, shafts, etc. are lubricated during manufacturing for the life of the motor.
|
Operation of the air conditioner in areas containing airborne caustics or chemicals can rapidly deteriorate filters, condenser coils, blowers and motors, etc. Contact nVent Equipment Protection for special recommendations. |
REFRIGERANT LOSS
Each air conditioner is thoroughly tested prior to leaving the factory to insure against refrigeration leaks. Shipping damage or microscopic leaks not found with sensitive electronic refrigerant leak detection equipment during manufacture may require repair or recharging of the system. This work should only be performed by qualified professionals, generally available through a local, reputable air conditioning repair or service company.
Refer to the data on the nameplate which specifies the type of refrigerant and the charge size in ounces.
Before recharging, make sure there are no leaks and that the system has been properly evacuated into a deep vacuum.
TROUBLE SHOOTING
BASIC AIR CONDITIONING TROUBLE SHOOTING CHECK LIST
- Check manufacturer’s nameplate located on the unit for correct power supply.
- Turn on power to the unit. The evaporator (Enclosure or “COLD” air) fan should come on. Is there airflow?
YES, proceed to step 3.
NO, possible problem: - Open motor winding
- Stuck fan motor
- Obstructed blades

Repair or Replace defective part - Check thermostat setting and adjust thermostat to the lowest setting. This should turn the condenser fan and the compressor on. Did condenser fan and compressor come on when the thermostat was turned on?
YES, proceed to step 4.
NO, possible problem:
• Defective thermostat
Replace Part
- Are both fans and the compressor running? If not the unit will not cool properly.
- Check condenser (Ambient or “HOT” air) fan for airflow. Is there airflow?
YES, proceed to step 6.
NO, possible problem: - Defective thermostat
- Open motor winding
- Stuck impeller motor
- Obstructed wheel

Repair or Replace defective part
- Carefully check the compressor for operation – motor should cause slight vibration, and the outer case of the compressor should be warm. Is the compressor showing signs of this?
YES, wait 5 minutes, then proceed to step 7
NO, possible problem: - Defective thermostat
- Defective capacitor
- Defective overload
- Defective relay

Repair or Replace defective part
- Make sure the coils are clean. Then check evaporator “air in” and “air out” temperatures. If the temperatures are the same:
YES, proceed to step 4.
- Possible loss of refrigerant
- Possible bad valves in the compressor

Repair or Replace defective part
- To check for a bad thermostat, turn power to the unit off. Remove the control box cover and place both thermostat wires onto one terminal (replace control box cover for safety). This will activate the switch in the thermostat. Turn the power on and if both fans and the compressor come on, the thermostat needs to be replaced.
SYMPTOMS AND POSSIBLE CAUSES:
| SYMPTOM | POSSIBLE CAUSE |
| Unit won’t cool | Clogged fins on coil(s) |
| Dirty filter | |
| Impellers/fans not running | |
| Compressor not running | |
| Compressor runs, but has bad valves | |
| Loss of refrigerant | |
| Compressor tries to start but won’t run | Low line voltage at start. Should be +/-10% rated voltage. |
| Compressor motor stuck | |
| Bad contactor | |
| Bad overload switch | |
| Bad run/start capacitor | |
| Unit blows breakers | Undersized breaker/fuse or not time delayed |
| Short in system | |
| Getting water in enclosure | Drain plugged |
| Drain tube kinked | |
| Enclosure not sealed (allowing humidity in) | |
| Mounting gasket damaged | |
For additional technical information (i.e., amp draw, pressures, temperatures) , contact nVent Equipment Protection at 800-896-2665.
F-GAS INFORMATION
| T200216GXXX T200226GXXX T200246GXXX | |
| Refrigerant | R134a |
| GWP | 1430 |
| Factory Charge | 184 Grams 184 Gramm |
| CO2 Equivalent CO2 Equivalent CO2 | 0.26 Tons 0,26 Tonnen 0,26 Tony |
CUSTOMER SUPPORT
Vent
2100 Hoffman Way
Anoka, MN 55303 USA
+1.763.422.2211
+1.763.576.3200
nVent.com






















