Smart Intercom
R27X
Quick Guide
Unpacking
Before you begin using the device, please check the version you got and ensure that the following items are included in the shipped box:
Mainframe Accessories:

Wall mounting Accessories (Please find in On-wall Installation Kit Box):

Flush mounting Accessories (Please find in On-wall Installation Kit Box):

Product Overview

Installation Environment
Indoor and outdoor installation are supported.
If installing the device outdoors, please don’t place device under direct sunlight, it will bring a bad effect or be broken with the high temperature.
If installing the device indoors, please keep device at least 2 meters away from light, and at least 3 meters away from the window and door.

Installation
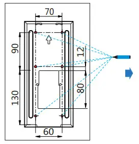
Step 1: Wall-mounting Box or Flush-mounting kits Installation
1. Wall Mounting
1. 1With 86×86 mm embedded junction box in the wall

Fix the wall-mounting box onto the embedded box (86) with two M4x30 screws, mark the positions of the four holes of the wall-mounting box at the hole center.

Take off the box and drill the four marked holes with a depth of 25 mm using 5 mm drill bit hand drill before inserting the plastic wall anchors into the rilled holes.

Fix the wall-mounting box with four ST4x20 screws and two M4x30 screws.
1.2 Without embedded junction box in the wall

According to the position of the wire on the wall, put the wall-mounting box closely onto the wall and mark the six positioning holes, while making sure that relative positions between the wall-mounting box and the wiring hole are correct.

Use a hand drill with 5 mm diameter bit to make the holes in marked positions. And then insert the plastic wall anchors into the holes.
Waterproof Tips:
After the wall-mounted box is installed, it must be ensured that the EVA foam on the back is close to the wall and there is no gap between it and the wall.

Fix the wall-mounting box with six ST4x20 screws.
Flush Moun
Cut out a square hole with the dimension height*width*depth = 264*122*61 mm.
Insert the flush-mounting box in to the hole and mark the the positions of the six holes of the flush-mounting box on the wall.

Take off the box and drill the holes on the marked positions with a depth of 25 mm using 5 mm drill bit hand drill before inserting the plastic anchors in to the drilled holes.

Use six M4x10 screws to fix the flush-mounnting bracket on the embedded box.

Use cement or non-corrosive structural adhesives to fill the gap between the wall and flush-mounting box. Wait for the adhesive material desiccation, go to the next step.
Waterproof Tips:
Please make sure that the gap between the wall and the flush-mounting box is carefully filled to ensure that water does not seep into the machine through the gap.

Break off the round knock-out wiring holes and lead the wires through the corresponding hole into the flush-mounting box, then press the flush-mounting box into the square hole until the edges of which align to the wall. Then fix the box using the four ST4x20 screws.
Note:
The flush-mounting box can not over the edge of the square hole.
Step 2: Back cover Installation

For convenient wiring, hang R27X on the wall-mounting box/flush-mounting bracket with rope. Then insert the silicon rubber sealing ring into the groove.
Make cables go through the back cover, connecting to the corresponding interfaces of the main board. Choose a suitable size rubber plug to compress
cables, then fasten the locking cable plate with two ST1.7×4 screws.

Use four M3x5 screws to fix the back cover.
Step 3: Device Mounting

- Place the device into the wall-mounting box/ flush-mounting bracket until the edges of which align to the wall. Then pull the device downward and ensure the groove of it hooks to the lock
catches of the back box. - Use the Allen wrench to tighten the device with two M3x6 screws.
Application Network Topology

Device Wiring

Warning

When you connect a device containting a coil, such as a relay or an electromagnetic lock, it is necessary to protect the intercom against voltage peak while switching off the induction load. For this way of protection, we recommend a diode 1 A / 200 V (included in the accessories) connected antiparallel to the device.
Configuration
- IP Address Checking: Press *2396# to enter the administrator setting interface. Click System
Information to get the IP address. R27X uses DHCP by default. - Account Registration: On web UI, go to the path: Account -> Basic page to register an account and fill in the account information. ( Please refer to admin guide for more information)
- DTMF Code Configuration: On web UI, go to the path: Intercom -> Relay -> Relay
ID/DTMF and choose the DTMF code number in corresponding area.
Operation
Make a call:
Input the room number, press Dial key to make a call.
Receive a call:
R27X supports Auto Answer by default. Incoming calls will be answered automatically.
Unlock by DTMF:
During the call, press the corresponding DTMF code of answer unit to unlock R27X remotely.
Unlock by Private Key:
In the idle, enter “ # + password + # ” or “ password + # ” to open the door. (The latter is used for New version. Go to web UI – Intercom – Basic – Display Type to switch Old or New version UI.)
Unlock by RF Card(Optional):
Place the predefined RF Card in the RF reader area to open the door.
Notice Information
Akuvox R27X firmware contains third-party open-source software under the terms of the GNU General Public License(GPL).
Akuvox is committed to meeting the requirements of the GNU General Public License (GPL) and will make all required source code available.
The source code of software under the terms of GNU GPL can be downloaded online: http://www.akuvox.com/gpl.
Information contained in this document is believed to be accurate and reliable at the time of printing. This document is subject to change without notice, any update to this document can be viewed on Akuvox’ s website: http://www.akuvox.com
© Copyright 2019 Akuvox Ltd. All rights reserved.
AKUVOX (XIAMEN) NETWORKS CO., LTD.
ADD: 10/F, NO.56 GUANRI ROAD, SOFTWARE PARK II, XIAMEN 361009, CHINA
www.akuvox.com




















