
20-30 kW Tiger Systec Therm
User Manual
20-30 kW Tiger Systec Therm
This product is only suitable for well-insulated spaces or occasional use.

| A [mm] | B[mm] | C [mm] |
| 630 | 590 | 600 |
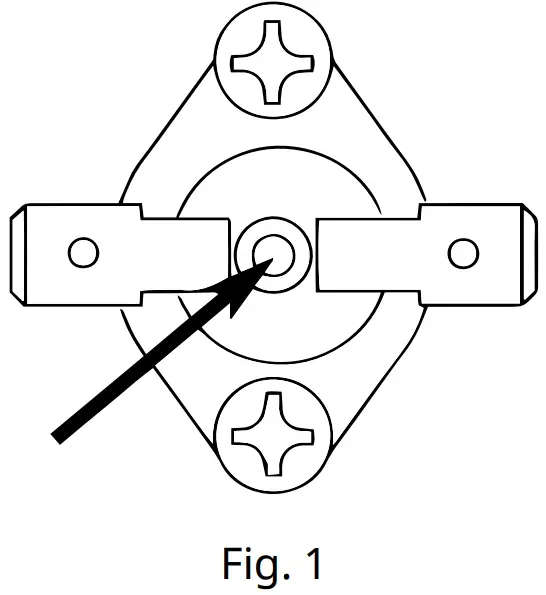
Resetting the overheat protection

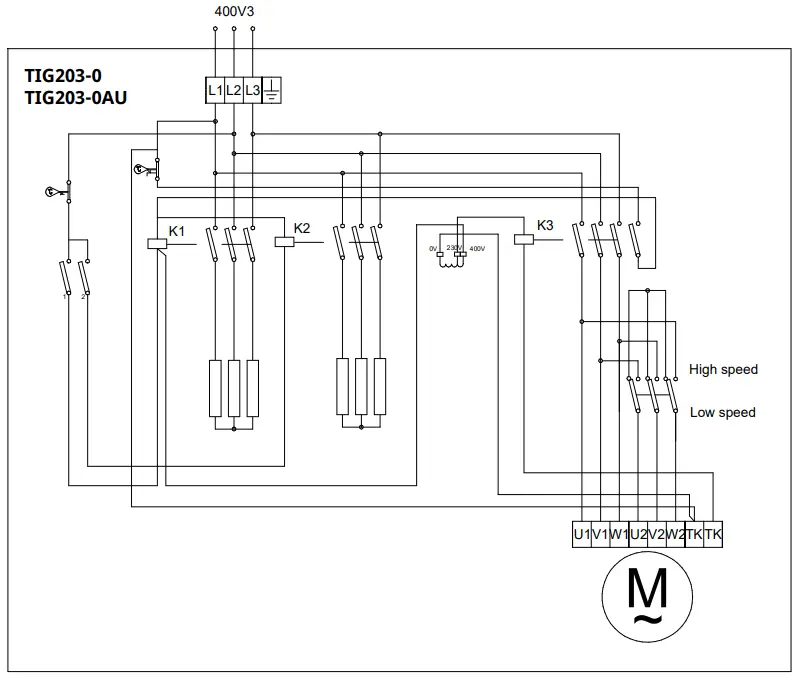
Tiger 20 kW 400V3

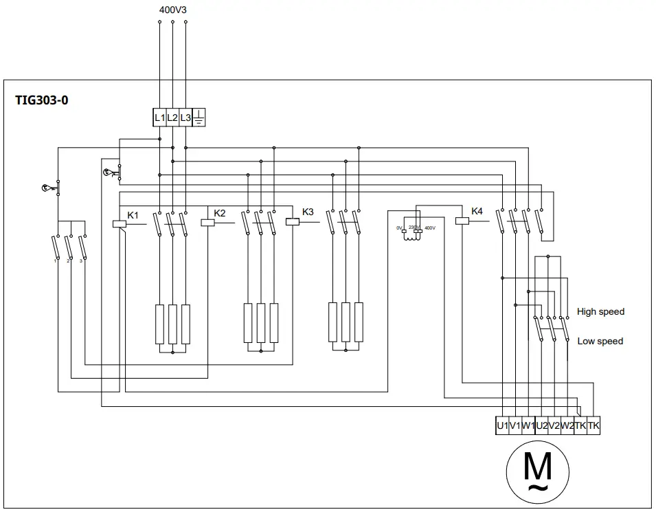
Tiger 30 kW 400V3

| Item no Type | Output steps [kW] | Airflow [m³/h] | Sound power*1 [dB(A)] | Sound pressure*2 [dB(A)] | ∆t*3 [°C] | Motor [W] | Voltage [V] | Amp. [A] | Weight [kg] | |
| 271754 | TIG203-0 | 0/10/20 | 1950/2400 | 75 | 54/61 | 31/26 | 106 | 400V3~ | 29 | 26 |
| 271758 | TIG303-0 | 0/10/20/30 | 1950/2400 | 75 | 54/61 | 47/38 | 106 | 400V3~ | 44 | 30 |
| 281180 | TIG203-0AU | 0/10/20 | 1950/2400 | 75 | 54/61 | 31/26 | 106 | 400V3~ | 29 | 27 |
* ¹) Sound power (LWA ) measurements according to ISO 27327-2: 2014, Installation type E.
* ²) Sound pressure (LWA ) Conditions: Distance to the unit 3 meters. Directional factor: 2. Equivalent absorption area: 200 m 2. At low/high airflow.
* ³) ∆t = temperature rise of passing air at maximum heat output at lowest/highest air flow.
* 4) Only available for Australia and New Zealand.![]()
- Output steps
- Sound power
- Motor
- Amperage
- Airflow
- Sound pressure
- Voltage
- Weight
Systec Therm AG
Letzistrasse 35
CH-9015 St. Gallen
Telefon +41 71 274 00 50
[email protected]
www.systectherm.ch
Art.nr: 276515 2021-12-15 CH


















