
INSTALLATION GUIDE
Model
T24UR925RS T24UR925LS T24UR915RS T24UR915LS T24UR905RP T24UR905LP
Glass Door Refrigerator
IMPORTANT: Before you begin, read these instructions completely and carefully.
Important Safety Instructions
READ AND SAVE THESE INSTRUCTIONS!
These installation instructions are intended for use by qualified installers.
In addition to these instructions, the appliance shall be installed:
- In the United States, in accordance with the National Electric Code/State and municipal codes and/or local codes.
- In Canada, in accordance with the Canadian Electric Code C22.1 latest edition/Provincial and Municipal codes and/or local codes.
Be sure to observe all listed warnings and cautions.
Look for the triangles with exclamation marks inside.
WARNING: This indicates that death or serious injury may result due to non-observance of this warning.
CAUTION: This indicates that minor or moderately severe injury may result due to non-observance of this warning.
NOTE: This is used to draw the user’s attention to something in particular.
State of California Proposition 65 Warnings
This product may contain a chemical known to the State of California, which can cause cancer or reproductive harm. Therefore, the packaging of your product may bear the following label as required by California:
STATE OF CALIFORNIA PROPOSITION 65 WARNING:
WARNING
Cancer and Reproductive Haim I Cancer et dommages a a reproduction www.P65Warninga.ca.gov.
Important
- NEW INSTALLATION If the appliance is a new installation, most of the work must be done before the unit is moved into place.
- REPLACEMENT If the appliance is replacing another appliance, the connections for the appliance being replaced must be checked for compatibility with the new unit and replaced as necessary.
Inspect the Glass Door Refrigerator
Remove all tape, packaging and plastic covers. After unpacking the appliance and prior to installation, thoroughly inspect the Glass Door Refrigerator for possible freight or cosmetic damage. Report any damage immediately.
NOTE: Please do not discard any bags or items that come with the original package until after the entire installation has been completed!
Tools needed for installation

These are the tools that you may need for the installation of the appliance. However, if you need to modify the counter or cabinetry to fit the unit, you may need other tools to make counter/cabinetry modifications before installing the appliance.
Materials supplied
![]() | ![]() |
| Anti-tip-bracket. 2 pieces. Screws: 2 pieces. Door Stopper Pin: 1 1 Insulating Foam (Not illustrated) 20 1/2″ (520mm) x 29 1/8″ (740mm) x 1/8″ (3mm) | Screws for Overlay Panel: ART001T73840 (TRUSS M4X34 TAPPING). 8 pieces. ONLY FOR T24UR905LP AND T24UR905RP MODELS. |
Installing the appliance
Most of the installation work must be done before the Glass Door Refrigerator is moved into place. Have a qualified technician install and connect the appliance according to the enclosed installation instructions.
WARNING:
Do not install this appliance:
- Outdoors
- In an environment with dripping water
- In rooms where there is a risk of frost
Transporting
The appliance is heavy and must be handled with caution during transportation and installation. Because of the weight and dimensions of the appliance, at least two persons are necessary to move the appliance into position securely and avoid injuries to people or damage to the appliance.
General measures

Note: With the legs fully retracted the appliance has a minimum dimension of 34 3/8″ from top to bottom. The legs can be extended up to 1/2″ (13mm).
Installation location
A dry, well ventilated room is suitable as an installation location. The installation location should not be exposed to direct sunlight and not placed near a heat source, e.g. a cooker, radiator, etc. If installation next to a heat source is unavoidable, use a suitable insulating plate or observe the following minimum distance from the heat source:
- To electric or gas oven/range 1¼” (3 cm).
- To an oil or coal-fired cooker 1113/16″ (30cm).
- To another Refrigerator or Wine Reserve 1″ (2.54cm).
The floor of the installation location must not give way; if necessary, reinforce floor. The appliance must be upright and level to function correctly.
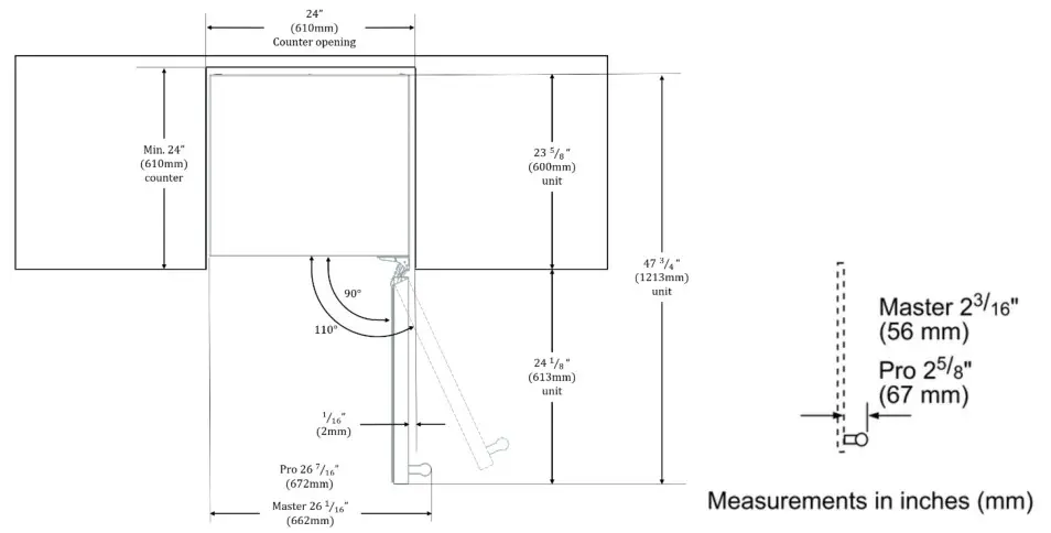
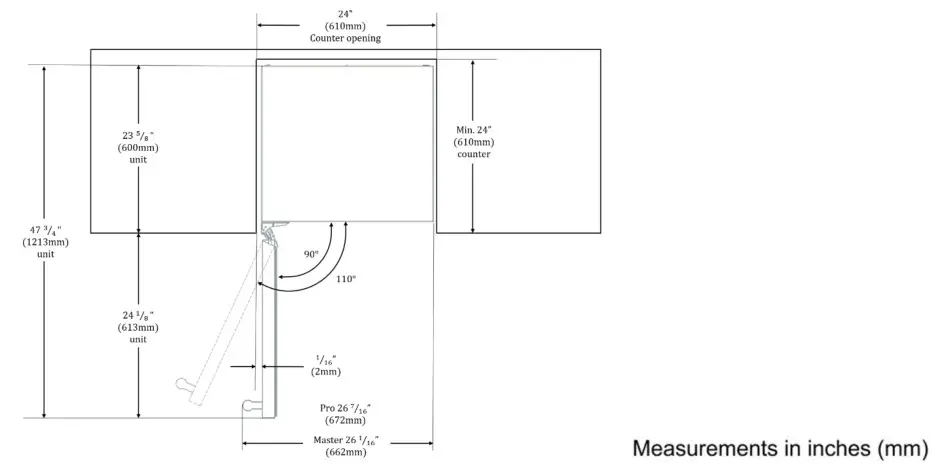
For proper operation and appearance of the unit, the cabinet opening should be square and have dimensions as shown in the next diagrams.
TOP VIEW

FRONTAL VIEW
TOP VIEW OPEN RIGHT SWING

TOP VIEW OPEN LEFT SWING
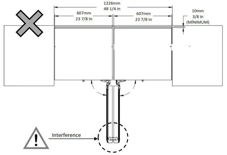
Installing Side-by-Side
The appliance can be installed next to another Thermador appliance. Follow the next dimensions and notes for the correct installation of the appliance in a side-by-side layout.
NOTE: Before placing the unit into the niche, adhere the Insulating Foam (included with the product) on the side of the unit that will be placed next to the additional appliance. Be sure that the Insulating Foam is even with the surface of the unit and that there are no bubbles or bumps on the Insulation Foam after adhering it to the unit.
Insulating Foam Included with the unit. Install the appliances in a “French Door” configuration; appliances with Left Hinge should be opposite to another with Right Hinge.
Do not place one appliance with Right Hinge next to an appliance with a Left Hinge.

Ventilation
The Glass Door Refrigerator unit is ventilated only at the Toe-Kick in the base. Never cover that area or place anything in front of it. Otherwise the refrigeration cooling performance will be affected and the unit must work harder increasing power consumption.

Connecting the appliance
After installing the appliance, wait at least 1 hour to turn on the appliance. During transportation the oil in the compressor may have flowed into the refrigeration system. Before switching ON the appliance for the first time, clean the interior of the appliance (see chapter “Cleaning the appliance” in the Use & Care Guide).
Electrical connection
WARNING: These installation instructions are intended for use by qualified installers.
WARNING: Avoid the risk of an electric shock! Insert into a grounded receptacle. Never remove grounding phase. Do not use any adapters. Do not use any extension cords.
WARNING: It is the customer’s responsibility to ensure that the appliance installation is in compliance with all national and local electrical codes and ordinances. Non-compliance with these instructions may result in death, fire or an electric shock.
The receptacle must be near the appliance, 61″ (1550mm) to the right of the appliance or 37″ (940mm) to the left of the appliance, and freely accessible following installation of the appliance for future service.
The appliance complies with protection class I. Connect the appliance to 115 V/ 60Hz alternating current via a correctly installed receptacle with grounded terminal. The appliance comes with a UL registered 3-wire power cord NEMA 5-15p type. The appliance requires a 3-pole receptacle.
WARNING: Never connect the appliance to electronic energy saver plugs. This appliance can be used with mains and sine-controlled inverters. Main controlled inverters are used for photovoltaic systems which are connected directly to the national grid. Sine-controlled inverters must be used for isolated applications (e.g. on ships or in mountain lodges) which are not connected directly to the national grid.
The appliance requires a 3-pole socket. The socket should be connected by a qualified electrician only. Where there is a 2-pole standard wall socket, it is the responsibility of the customer to have this socket replaced with a correctly grounded 3-pole wall socket. Do not use any adapter plugs.
Be sure that the location of your Glass Door Refrigerator has a near and accessible electric socket.
It is recommended that a separate circuit serving only your wine cellar be provided. Use an outlet that cannot be turned off by a switch. Do not use an extension cord. 2-pole standard wall socket must be replaced with a 3-pole grounded socket. Do not use adapters.
Door opening.
The door of your Glass Door Refrigerator is configured by default to have an aperture up to 115°. This makes for easy access to shelves for loading or cleaning. However, if the appliance is installed under counter, it is recommended to install the Door Stopper Pins in the hinge to avoid hitting the wall, cabinets or another appliance installed next to the Glass Door Refrigerator. To install the Door Stopper Pin follow the next instructions:
- Open the door at <90° and position yourself near the bottom hinge of your appliance.

- Grab the stopper pin from the bag included with this appliance and insert into the hole as shown:

- Push firmly to ensure the stopper pin has locked into the hinge.

Installing the anti-tip-brackets
The appliance includes two anti-tip-brackets. If your cabinetry is not designed for the specific dimensions of your appliance, or if you plan to use the appliance as a free-standing unit, you should use these brackets to avoid your appliance tilting due to unbalanced overweight situations where the door is open.
For free-standing use
- Consider the distance necessary for the appliance to be flush with the front of your cabinetry. If there is no cabinetry, put the unit close to the wall, then take the measurement of the space at the back, between the unit and the wall.
- Based on the measured distance between the back of the unit and the wall, bend the anti-tip bracket (included with the unit) from the pointed lines to form a “step” with the same Distance measured.

Resultant formed “step”. NOTE: The adhesive foam must be at the bottom of the step, never on the reverse side. - Peel the adhesive foam and paste the anti-tip-bracket at both sides on the back of the appliance as shown in the illustrations.

- With the anti-tip-brackets pasted on the back of the appliance, slide the appliance to the wall until the anti-tip-bracket is touching the wall. Using the screws provided, fasten the anti-tip-bracket to the wall for both sides.
NOTE: Do not fasten the unit to drywall. Be sure to attach the unit to a solid surface.
For under counter use
- Consider the distance necessary for the appliance to be flush with the front of your cabinetry.

- Take the measurement from the top of the cabinet of the unit to the bottom of the counter.
The measurement X”(mm) may vary depending on the design of the counter, extension of the legs of the product, etc.
- Based on the Distance = X” (mm) between the appliance and the counter, bend the anti-tipbrackets included with the appliance on the pointed lines to form a “step” 1/16″ (2mm) smaller than the Distance = X” (mm) measured.
NOTE: The adhesive foam must be at the bottom of the step, never on the reverse side. - Peel the adhesive foam and paste the anti-tip-bracket at the front on the top of the cabinet of the appliance, near the corners as shown in the picture:

- Slide the appliance into the cabinet until the front of the appliance is flush with the front of the cabinetry. Check that nothing interferes or obstructs the anti-tip-bracket while sliding under the counter.


Installing the overlay frame
(For T24UR905LP and T24UR905RP models only)
If you plan to install a custom overlay frame, you will need to create the frame yourself or consult a qualified cabinetmaker or carpenter. A full sized template for easier hole pattern marking is included in the manual package.
IMPORTANT:
- The thickness of the overlay frame must be ¾” (19mm).
- Overlay frame must not weigh more than 10lbs (4.54kg).
- Overlay frame weighing more than recommended may cause damage to your appliance.
- To install the frame, use only the screws included in the “installation kit”.
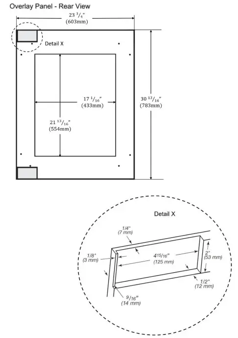
Create the custom overlay frame using the dimensions shown.
IMPORTANT: The following graphics shows a custom frame for a door with hinges installed on the righthand side. If your Glass Door Refrigerator has hinges installed on the left-hand side, rotate the custom frame 180° so the makings will be on the left.

Notes:
- The thickness of the overlay panel must be 3/4″ (19 mm).
- Overlay panel must not weigh more than 10 lbs (4.54 kg).
- Overlay panels weighing more than recommended may cause damage to your appliance.
- It is recommended to have the help of a second person to install the panel.
- Use the recommended tools in the installation manual to facilitate the installation of the panel. Failure to use the proper tools or the help of a second person may result in damage to the panel and/or the appliance.
- The following graphic shows a custom panel for a door with the hinges installed on the right-hand side. If your wine cellar has hinges installed on the left-hand side, rotate the custom panel 180° so the hinge will be on the left.
For detailed dimensions, see the frame specifications in Addendum A.
IMPORTANT: It is recommended to install the custom overlay frame with the help of another person.
- Install the custom handle of your preference on the overlay frame before installing the frame on the door.
• Every custom handle is different and it is the responsibility of the customer to make the necessary adjustments to place the handle on the overlay frame.
• The screws used to affix the custom handle to the frame must be flat and flush with the surface of the frame; if the screws are not flat, then consider making a recession on the overlay, enough to hide the head of the screw below the surface of the overlay, otherwise the screws will interfere with the correct placement of the overlay on the door.
- Locate and identify every pair of holes on the overlay frame corresponding with the holes on the door. Every hole must be aligned to screw and fasten the overlay to the door.

- Remove the door gasket from the corners, by pulling it gently until the four screws are visible. Then remove the two screws further to the corner. The two holes shown on the below illustration must be accessible to screw (install) the custom overlay frame to the door. There should be 8 accessible holes in total, two per corner.
NOTE: It is not necessary to remove the entire gasket from the door, just from the corner, enough to access to the screws.
- Align the overlay frame with the door and hold them firmly together while screwing them. It may be easier with the help of another person to hold and keep the frame in place while fastening. Using the 8 screws included in the installation kit, fasten the overlay frame to the door.

- Once the overlay frame is securely attached to the door with the 8 screws, put the gasket back in its place pressing it against the door until all is even and firm into its channel.

- Now, the overlay frame is ready.

Customer Service Information
If service becomes necessary, contact your dealer or an authorized service center. Do not attempt to repair the appliance yourself. Any work performed by unauthorized personnel may void the warranty. If problem persists, take the following steps (in the order listed below) until the problem is corrected to your satisfaction.
- Contact your dealer or the Thermador Authorized Servicer in your area.
- E-mail us from the Customer Service section of our web site, www.Thermador.com.
- Write to us at the address below: BSH Home Appliances Corporation 1901 Main Street, Suite 600 Irvine, CA 92614
- Call us at: 1-800-735-4328 Please be sure to include (if writing), or have available (if calling), the following information:
• Model Number
• Serial Number
• Date of Original Purchase
• Date Problem Originated
• Explanation of Problem
Also, if writing, please be sure to include a daytime phone number. (You will find the model number and serial number information on the label located inside the cabinet on the opposite side of the hinge).
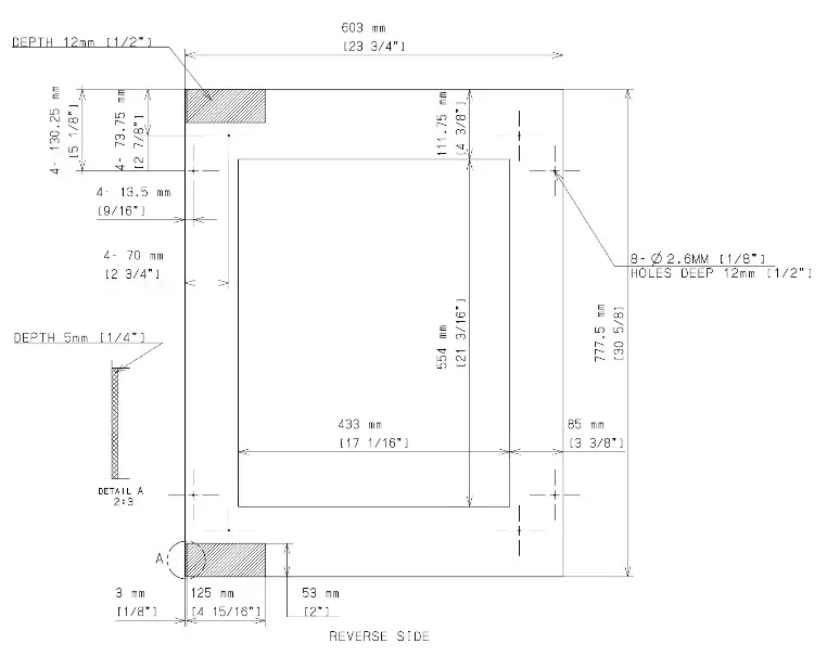
Addendum A.
Detailed dimensions for Overlay Frame.
Important
- The thickness of the overlay frame must be ¾” (19mm).
- Overlay frame must not weigh more than 10lbs (4.54kg).

Data Rating Label
The data rating label shows the model and serial number of your appliance. It is located in the interior of the cabinet, at the opposite side of the hinge.
Service Information
For handy reference, copy the information in the form below from the data rating located in the interior of the cabinet, at the opposite side of the hinge. Keep your invoice for Warranty validation.
Model Number __________________________________________
Serial Number __________________________________________
Date of Purchase ________________________________________
Dealer’s Name __________________________________________
Dealer’s Phone Number ___________________________________
Service Center’s Name _____________________________________
Service Center’s Phone Number ______________________________

PN: 9001700452 D
T24UR925RS
T24UR925LS
T24UR915RS
T24UR915LS
T24UR905RP
T24UR905LP
03/2022
Printed in Mexico
BSH Home Appliances Corporation, 1906 Main Street, Suite 600, Irvine CA 92614
1-800-735-4328 // www.thermador.com


Installing Side-by-Side



Resultant formed “step”. NOTE: The adhesive foam must be at the bottom of the step, never on the reverse side.



NOTE: The adhesive foam must be at the bottom of the step, never on the reverse side.



























