AXEN AXSPS-90 Plastic Swimming Pool Heat Pump Water Heater

INTRODUCTION
This manual
This manual includes the necessary information about the unit. Please read this manual carefully before you use and maintain the unit.
The unit
The swimming pool heat pump is one of the most economical systems to heat the swimming pool efficiently. Using the free renewable energy from the air and the earth it delivers up to five times more energy in heating than a traditional heating system such as gas boiler or electric heater. So you will save 4/5 cost of the traditional heating. The swimming pool heat pump lengthens your swimming season and gives you comfort at high level. You could enjoy swimming not only in summer, but also in spring, autumn and even winter time.
- Ecological and economical heating
By making use of the renewable energy in the outside air, it consumes much less energy with low carbon emission. Use environment friendly advanced refrigerant R410A which has no effect on Ozone. - Titanium heat exchanger
Advanced titanium heat exchanger guarantees long life span of heat pump free from corrosion and rust. By using of titanium heat exchanger the heat pump could be applied with all types of water treatment such as chlorinate, iodine, bromine and salt water. - Multiple functions
- Cooling and heating functions available;
- Auto operation, Auto-restart, Auto defrost
- Timer on/off: no human attendance is required
- Wide ambient working condition: -15°C to 43°C
- Reliable operation
To guarantee the stable running and increase the suability of the unit multiple protection devices have been set into pool heat pump which include insufficient water flow protection, high/low pressure protection, overload protection, compressor protection. - Safe use
The swimming pool heat pump works without oil, gas or other hazardous substance which avoid potential risk that goes together. Moreover no gas connection or a fuel tank is needed. No risk of intoxication, smell or pollution from leakage. - Self-diagnosis
When there is malfunction, the swimming pool heat pump will make self-diagnosis by displaying error code from the control panel. The problem could be found out at a glance.
SAFETY INSTRUCTIONS
To prevent injury to the user, other people, or property damage, the following instructions must be followed. Incorrect operation due to ignoring of instructions may cause harm or damage.
Install the unit only when it complies with local regulations, by-laws and standards. Check the main
voltage and frequency. This unit is only suitable for earthed sockets, connection voltage 220 – 240 V ~ / 50Hz.
The following safety precautions should always be taken into account:
- Be sure to read the following WARNING before installing the unit.
- Be sure to observe the cautions specified here as they include important items related to safety.
- After reading these instructions, be sure to keep it in a handy place for future reference.
Warning
- Do not install the unit yourself.
Incorrect installation could cause injury due to fire, electric shock, the unit falling or leakage of water. Consult the dealer from whom you purchased the unit or a specialized installer. - Install the unit securely in a place.
When insufficiently installed, the unit could fall causing injury. When installing the unit in a small room, please take measures (like sufficient ventilation) to prevent the asphyxia caused by the leakage of refrigerant. - Use the specified electrical wires and attach the wires firmly to the terminal board (connection in such a way that the stress of the wires is not applied to the sections).
- Incorrect connection and fixing could cause a fire.
- Be sure to use the provided or specified parts for the installation work.
The use of defective parts could cause an injury due to possible fire, electric shocks, the unit falling etc.
Perform the installation securely and please refer to the installation instructions.
Incorrect installation could cause an injury due to possible fire, electric shocks, the unit falling, leakage of water etc. - Perform electrical work according to the installation manual and be sure to use a dedicated section. If the capacity of the power circuit is insufficient or there is an incomplete electrical circuit, it could result in a fire or an electric shock.
- The unit must always have an earthed connection.
If the power supply is not earthed, you may not connect the unit. - Never use an extension cable to connect the unit to the electric power supply.
If there is no suitable, earthed wall socket available, have one installed by a recognized electrician. - Do not move/repair the unit yourself.
Before proceeding with any maintenance, service or repair work, the product must be isolated from the mains electrical supply. Only qualified personnel should carry out these tasks. Improper movement or repair on the unit could lead to water leakage, electrical shock, injury or fire.
Cuation
- Do not install the unit in a place where there is a chance of flammable gas leaks.
If there is a gas leak and gas accumulates in the area surrounding the unit, it could cause an explosion. - Perform the drainage/piping work according to the installation instruction.
If there is a defect in the drainage/piping work, water could leak from the unit and household goods could get wet and be damaged. - Do not clean the unit when the power is ‘ON’.
Always shut ‘OFF’ the power when cleaning or servicing the unit. If not, it could cause an injury due to the high speed running fan or an electrical shock. - Do not continue to run the unit when there is something wrong or there is a strange smell.
The power supply needs to be shut ‘OFF’ to stop the unit; otherwise this may cause an electrical shock or fire. - Do not put your fingers or others into the fan, or evaporator. The ventilator runs at high speed, it could cause serious injury.
ITEMS INSIDE PRODUCT BOX
Before starting the installation, please make sure that all parts are found inside the box.
| The Unit Box | ||
| Item | Image | Quantity |
| Swimming pool heat pump | ![]() | 1 |
| Operation and Installation Manual | ![]() | 1 |
| Accessories | ![]() | 5 |
OVERVIEW OF THE UNIT
Outdoor Unit Dimension

AXSPS- (outdoor unit)
| No. | A | B | C | D | E | F | G | H |
| 90 | 661 | 923 | 410 | 386 | 346 | 613 | 147.5 | 157.5 |
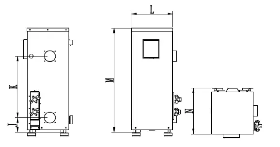
Indoor Unit Dimension

AXSPS- (indoor unit)
| No. | J | K | L | M | N |
| 90 | 88 | 370 | 252 | 628 | 275 |
INSTALLATION
Installation information
The following information given here is not an instruction, but simply meant to give the user a better understanding of the installation.
Condition of installation
The following information given here is not an instruction, but simply meant to give the user a better understanding of the installation.
Installation place
Install the swimming pool heat pump on a flat, horizontal, and stable surface. Maintain 1 M of open space in front of the discharge grids and 3 M on the outlet side of the ventilator. And reserve enough space to allow access to temperature controller.
Make sure that the discharged air will not be breathed in.
To perfect your installation
- Avoid directing the flow of ventilated air towards a sensitive noise zone, such as room window.
- Avoid positioning pool heat pump on a surface that can transmit vibrations to dwelling.
- Try to avoid placing appliance under a tree or exposed to water or mud, which would be likely to complicate maintenance.
Water connection
The heat pump is connected to a filtration circuit with a by-pass.
It is imperative that the by-pass is placed after the pump and the filter.
The by-pass generally consists of 3 valves.
This makes it possible to regulate the water flow which passes through the heat pump and to isolate the heat pump completely for any maintenance work, without cutting the flow of filtered water.
If your installation is equipped of a water treatment with product adductions (chlorine, brominates, salt…) the by-pass must be installed before the water treatment, with a non-return valve between the by-pass and water treatment.
Electrical connection
Electrical supply must correspond to that indicated on the appliance.
Connection cables have to be sized according to appliance power and installation requirements. Please refer to below table:
| Heat pump | Cable size |
| AXSPS-90 | 3×4.0mm2 |
These data are only indication, you must ask an electrician to determine the exact data for your pool installation.
Use the cable glands and grommets provided inside the heat pump to route cables.
Trial running
After connecting water to the pool system, complete with a suitable by-pass and electrical connections by a qualified engineer.
Be sure that:
- Appliance is horizontal and on a firm base.
- Water circuit is well connected (no leaks and no chance of injury due to badly fitted hydraulic couplings).
- Electrical circuit is well connected (all cables tightened correctly at terminals and intermediate circuit breaker), insulated and earthed correctly.
- The installation requirements described previously are strictly adhered to.
ATTENTION: THE HEAT PUMP ONLY FUNCTIONS WHEN WATER FLOW IS PRESENT.
Then you can start up the heat pump following every point in the below order:
- Open by-pass valves
- Start pool system pump
- Turn on pool heat pump
- Set regulation
OPERATING THE UNIT
Operating the unit comes down to operating the digital controller.
- NEVER LET THE DIGITAL CONTROLLER GET WET. THIS MAY CAUSE AN ELECTRIC SHOCK OR FIRE.
- NEVER PRESS THE BUTTONS OF THE DIGITAL CONTROLLER WITH A HARD, POINTED OBJECT. THIS MAY DAMAGE THE DIGITAL CONTROLLER.
- NEVER INSPECT OR SERVICE THE DIGITAL CONTROLLER YOURSELF, ASK A QUALIFIED SERVICE PERSON TO DO THIS.
Features and functions
Basic controller functions
The basic controller functions are:
- Turning the heat pump ‘ON’/’OFF’.
- 24 hours real time clock.
- Timer ‘ON’ and timer ‘OFF’.
- Parameter adjustment
User interface

- Power ‘ON’
When turning ‘ON’ the power, whole icons are displayed on the controller screen for 3 seconds.
After checking if everything is ok, the unit enters into the standby modus, and current room temperature is displayed on the screen.
Unit ON/OFF button
Press this button when the unit is standby, the unit can be turned ‘ON’ and runs on the setting mode. The running mode, temperatures, timer situation and clock time are displayed on the screen.
Press this button again when the unit is running, the unit then will be turned ‘OFF’.
Mode button
Press this button to select the running mode at any situation. Each time this button is pressed, the mode will change at below sequence:
And
adjust buttons- These are the multi-purpose buttons. Combining the setting button, they are used for the parameter setting, parameter checking, clock adjustment and adjustment of the timer.
Setting button
This is the multi-purpose button. Combining the adjust buttons, it is used for the parameter setting, parameter checking, clock adjustment and adjustment of the timer.
LCD icons
- Cooling mode

The icon indicates that the current operation mode is cooling. - Heating mode

- The icon indicates that the current operation mode is heating.
- Defrosting

- The icon indicates that the defrosting function is enabled. This is an automatic function, the system will entry or exit the defrosting according to the inner control program. The defrosting parameters can be changed at fieldwork. And the unit doesnot support manual defrosting control.
- Left temperature display

- The display shows the current water inlet temperature.
If you want to check or adjust the parameter this section will display the relating parameter number. In case when any malfunction occurs, this section will display the related error code. - Right temperature display

- The display shows that the current water outlet temperature.
If you want to check or adjust the parameter this section will display the related parameter value.
In case when any malfunction occurs, this section will display the related error code. - Clock display
- The clock display shows the current time.
When reading or programming the scheduled timer, the clock display shows the action time. - Timer ‘ON’

- The icon indicates that the timer ‘ON’ function is enabled.
- Timer ‘OFF’

- The icon indicates that the timer ‘OFF’ function is enabled.
Controller operations
- Status checking
- When in main interface, press
And
or button to check the system status P1 ,P2.,Inlet/outlet temp, ambient temp (Please refer to the parameter list) - If no action to the buttons for 5 seconds, the controller will exit status checking interface and come back to main interface automatically.
- When in main interface, press
- Parameter checking and setting
- Press
And
button once to enter parameter checking interface. - In the parameter checking interface, each time the
button is pressed, the parameter will change from 0 to 9 orderly (circularly), total 10 parameters can be checked. (Please refer to “parameter list”) - Adjust parameter 0 and 1: during standby status, after entering parameter checking interface, parameter 0 and parameter 1 can be set only by pressing or button. Finally setting can be saved automatically after 10 seconds no action
- Adjust parameter 2 and 9: during standby status, press button to select the parameter you want to adjust , then press
And
buttons at the same time for 3 seconds, after one buzzer sound, enter into parameter setting interface. Press
And
or button to set the parameter. Finally setting can be saved automatically after 10 seconds no action
NOTE:- You can check and adjust the set parameters during standby modus; you cannot adjust the set parameters when the unit is running.
- The parameters have been set; the user cannot change the parameters optionally. Please ask a qualified service
person to do this when required.
- Press
- Lock and unlock the buttons
- Press
And
and buttons at the same time and hold for 5 seconds, the buttons are locked after one buzzer sound. - Press and buttons at the same time and hold for 5 seconds again, the buttons are unlocked
after one buzzer sound.
- Press
button
Press
And
this button for 3 seconds to set the clock time. The hour icon flashes, use the and- buttons to set the exact hour(s).Press the button again to set the exact minute(s). After finishing the
setting, press the button once again to exit.
Press
And
this button to cancel the timer ‘ON’ (or timer ‘OFF’) function during the timer ‘ON’ (or timer‘OFF’) programming.
button
Press
And
this button for five seconds to enter the timer ‘ON’ program. The icon of‘ON’ flashes.Use the or button to set the hour(s) setting time and then press it to set minute setting time. After set the timer on function, press again to enter the timer ‘OFF’ program. The icon of‘off’- flashes.The method of setting timer off is the same as that of timer on.
- Press the button again to save and exit the program or the setting can be saved automatically after 10 seconds no action
NOTE:- The timer ‘ON’ and timer ‘OFF’ functions should be set together.
- Press the button to cancel the timer setting during the timer programming.
- Press the button again to save and exit the program or the setting can be saved automatically after 10 seconds no action
PARAMETER CHECKING AND ADUSTMENT
Parameter list
Some parameters can be checked and adjusted by the controller. Below is the parameter list.
| No. | Content | Scope | Default | Remark | ||||
| 0 | Return cooling | water | setting | temp. | in | 8-28℃ | 27℃ | Adjustable |
| 1 | Return heating | water | setting | temp. | in | 15-40℃ | 27℃ | Adjustable |
| 2 | The interval for defrosting | 30-90Min | 40Min | Adjustable | ||||
| 3 | Defrosting-on temp. | 0—-30℃ | -7℃ | Adjustable | ||||
| 4 | Defrosting-off temp. | 2-30℃ | 20℃ | Adjustable | ||||
| 5 | Defrosting max. time | 0-15Min | 8Min | Adjustable | ||||
| 6 | EXV mode selection | 0(manually)/1(auto) | 20℃ | Adjustable | ||||
| 7 | Income electric memorizedprotection | 0-1 | 1(with memory) | Adjustable | ||||
| 8 | Unit mode selection | 0(cooling only)\1(cooling and heating)\2(heating only) | 1 | Adjustable | ||||
| 9 | Water pump running mode | 0(Normal)\1(Special) | 1 | Not valid | ||||
| A | Target over heat temperature | -9~9℃ | 1 | Adjustable | ||||
| B | EXV manually steps | 10-47 | 35 | Adjustable (*10) | ||||
| C | EXV original open degree | 10-47 | 30 | Adjustable (*10) | ||||
| IN | Inlet water temp | -9~99℃ | Real test valve | |||||
| OUT | Outlet water temp. | -9~99℃ | Real test valve | |||||
| P1 | Coil temp. | -9~99℃ | Real test valve | |||||
| P2 | Return gas coil temp. | -9~99℃ | Real test valve | |||||
| P3 | Ambient air temp. | -9~99℃ | Real test valve | |||||
| P4 | EXV Steps | 10-47 | Real test valve | |||||
Malfunctioning of the unit and maintenance
When an error occurs or the protection mode is set automatically, the circuit board and the wired controller will both display the error message.
| Failure | Possible reasons | Correction methods | |
|
PP01 |
Inlet water temp sensor failure | 1) sensor open circuit
2) sensor shot circuit
3) Main PCB damaged | 1) Check the sensor connection
2) Replace the sensor
3) Replace the main PCB |
| PP02 | Outlet water temp sensor failure | Same as above | Same as above |
| PP03 | Coil temp sensor failure | Same as above | Same as above |
| PP04 | Return gas temp sensor failure | Same as above | Same as above |
| PP05 | Ambient temp sensor failure | Same as above | Same as above |
|
PP06 |
Too low outlet water temp protection for cooling mode |
1) Too low water flow rate
2) Too low inlet water temp
3) Main PCB damaged | 1) Check the water filter and water circuit (no block) 2) Adjust the setting temp to normal working range 3) Replace the main PCB |
| PP07 | First step anti-freeze protection in Winter | The protection occurred when ambient
temp too low and unit is standby | No correction needed |
| PP07 | Second step anti-freeze protection in Winter | ||
|
EE01 |
High pressure protection | 1) Too small cooling water flow rate or a high temp 2) The uncompressed gas in refrigerant system 3) Overcharge refrigerant
4) Too high setting water temp
5) Bad connect of pressure switch
6) The pressure switch failure
7) Main PCB damaged | 1) Check if the water pump works in good condition or adjust water control valve 2) Discharge and them recharge the refrigerant 3) Dischargesomerefrigerant
4) Set lower water temp
5) Reconnect the switch
6) Replace the pressure switch
7) Replace the PCB |
|
EE02 |
Low pressure protection | 1) Too less refrigerant
2) Capillary block
3) Bad connect of pressure switch
4) The pressure switch failure
5) Main PCB damaged | 1) Add some refrigerant
2) Replace the capillary
3) Reconnect the switch
4) Replace the pressure switch
5) Replace the PCB |
|
EE03 |
Water flow switch failure |
1) Too low water flow
2) Water flow switch damaged
3) Main PCB damaged | 1) Check the water pump, if needed replace one 2) Check if the supplement is ok
3) Replace the water flow switch
4) Replace the PCB |
|
EE05 | Too big inlet/outlet water temp difference for cooling mode | 1) Too low water flow
2) Main PCB damaged | 1) Check the water filter and water circuit (no block) 2) Replace the PCB |
|
EE08 |
Communication failure between PCB and wired control | 1) Communication failure
2) Wired control damaged
3) Main PCB damaged | 1) Check the connection wiring/ports between controller and PCB 2) Replace the controller
3) Replace the main PCB |
MAINTENANCE THE UNIT
To protect the paintwork, avoid leaning or putting objects on the device. External heat pump parts can be wiped with a damp cloth and domestic cleaner. (Attention: Never use cleaning agents containing sand, soda, acid or chloride as these can damage the surfaces.)
To prevent faults due to sediments in the titanium heat exchanger of the heat pump, ensure that the heat exchanger cannot be contaminated (water treatment and filter system necessary). In the even that operating malfunctions due to contamination still occur, the system should be cleaned as described below. (Warning: the fins on the finned tube heat exchanger are sharp-edged — danger of being cut!)
Cleaning the pipe system in the heat exchanger
Contamination in the pipes and heat exchanger can reduce the performance of the heat pump’s titanium heat exchanger. If this is the case, the pipe system and heat exchanger must be cleaned by a technician.
Use only pressurized drinking water for cleaning.
Cleaning the air system
The finned heat exchanger, ventilator and condensate outflow should be cleaned of contaminants
(leaves, twigs, etc.) before each new heating period. These types of contaminants can be manually removed using compressed air or by flushing with clean water.
It may be necessary to remove the device cover and air inlet grid first.
Attention: Before opening the device, ensure that all circuits are isolated from the power supply.
To prevent the evaporator and the condensate tray from being damaged, do not use hard or sharp objects for cleaning.
Under extreme weather conditions (e.g. snow drifts), ice may form on the air intake and exhaust air outlet grids. If this happens, the ice must be removed in the vicinity of the air intake and exhaust air outlet grids to ensure that the minimum air flow rate is maintained.
Winter Shutdown/Lay-up
If there is a chance of frost after the bathing-season has ended when the swimming pool heating is switchedoff and the external temperature is expected to drop below the operating limit, the water circuit of the heat pump should be completely drained. Otherwise, suitable constructional measures should be taken by the customer to protect the heat pump against damage from frost.
Attention: The warranty does not cover damage caused by inadequate lay-up measures during the winter.
TROUBLESHOOTING
This section provides useful information for diagnosing and correcting certain troubles which may occur. Before starting the troubleshooting procedure, carry out a thorough visual inspection of the unit and look for obvious defects such as loose connections or defective wiring.
Before contacting your local dealer, read this chapter carefully, it will save you time and money.
WHEN CARRYING OUT AN INSPECTION ON THE SWITCH BOX OF THE UNIT, ALWAYS MAKE SURE THAT THE MAIN SWITCH OF THE UNIT IS SWITCHED ‘OFF’.
The guidelines below might help to solve your problem. If you cannot solve the problem, consult your installer/local dealer.
The heat pump will not run.
- Please check whether:
- There is supply voltage (tripped fuse, power failure).
- The operating switch on the wired controller is switched on, and whether the correct set point temperature has been set.
The set temperature level cannot be reached.
- Please check whether:
- The permissible operating conditions for the heat pump have been adhered to (air temperatures too high or too low).
- The air inlet or outlet area is blocked, restricted or very dirty.
- There are closed valves or stop-cocks in the water pipes.
The scheduled timer does work but the programmed actions are executed at the wrong time(e.g. 1 hour too late or too early).
- Please check whether:
- The clock and the day of the week are set correctly, adjust if necessary.
If you cannot correct the fault yourself, please contact your after-sales service technician. Work on the heat pump may only be carried out by authorized and qualified after-sales service technicians.
ENVIRONMENTAL INFORMATION
This equipment contains fluorinated greenhouse gases covered by the Kyoto Protocol. It should only be serviced or dismantled by professional trained personnel.
This equipment contains R410A refrigerant in the amount as stated in the specification. Do not vent R410A into the atmosphere: R410A, is a fluorinated greenhouse gas with a Global Warming Potential (GWP) = 1975.
DISPOSAL REQUIREMENTS
Dismantling of the unit, treatment of the refrigerant, of oil and of other parts must be done in accordance with relevant local and national legislation Your product is marked with this symbol. This means that electrical and electronic products shall not be mixed with unsorted household waste. Do not try to dismantle the system yourself: the dismantling of the system, treatment of the refrigerant, of oil and other parts must be done by a qualified installer in accordance with relevant local and national legislation.
Units must be treated at a specialized treatment facility for re-use, recycling and recovery. By ensuring that this product is disposed off correctly, you will help to prevent potential negative consequences for the environment and human health. Please contact the installer or local authority for more information.
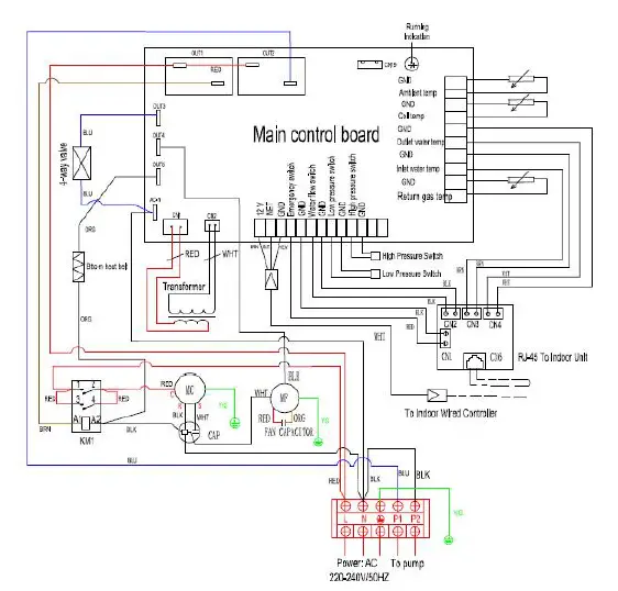
WIRING DIAGRAM
Please refer to the wiring diagram on the electric box.
Model: AXSPS-90
Outdoor Unit
Model: AXSPS-90|
Indoor Unit

TECHNICAL SPECIFICATIONS
| Model | AXSPS-90 | |
|
Air 15℃ Water 26℃ | capacity(KW) | 9.11 |
| power input(KW) | 1.78 | |
| current(A) | 8.59 | |
| COP | 5.12 | |
|
Air 35℃ Water 27℃ | capacity(KW) | 7.98 |
| power input(KW) | 2.21 | |
| current(A) | 10.19 | |
| EER | 3.62 | |
| power supply | 220-240V / 50Hz | |
| max power inputKW | 2.69 | |
| max currentA | 12.5 | |
| water flow m³/h | 4.2 | |
| Refrigerant volume | R410A/1.65kg | |
| Min pressure/max pressure | 1.5/4.15Mpa | |
| package dimensions(mm)(outdoor unit) | 990*410*790 | |
| Carton box sizes(mm)(outdoor unit) | 950*410*676 | |
| unit net dimensions(mm)(outdoor unit) | 923*410*661 | |
| net weight kg(outdoor unit) | 50 kg | |
| gross weight kg(outdoor unit) | 62 kg | |
| package dimensions(mm)(indoor unit) | 350*324*650 | |
| Carton box sizes(mm)(indoor unit) | 350*324*650 | |
| unit net dimensions(mm)(indoor unit) | 305*285*615 | |
| net weight kg(indoor unit) | 14 kg | |
| gross weight kg(indoor unit) | 15 kg | |
| air to water heat exchanger | Titanium Heat Exchanger | |
| gas connection | 3/8,1/2 | |
| water connection | 50.8 | |
| noise at 1 m | <51 | |
| compressor brand | Toshiba | |
| compressor type | Rotary | |
| water proof level | IPX4 | |
| Remark: the current refrigerant quantity in the outdoor unit is charged as per the length of the 7.5m coppertubes connected between outdoor and indoor unit, if the length of the copper tube is added 1m, the refrigerant quantity is added 50g; if less 1m, the refrigerant quantity is less 50g. | ||



















