AES Remora Mini Horizontal Swimming Pool Heat Pump Instruction Manual
READ THIS MANUAL CAREFULLY BEFORE OPERATING THE UNIT. DO NOT THROW IT AWAY. RETAIN FOR FUTURE REFERENCE.
BEFORE OPERATING THE UNIT, ENSURE THE INSTALLATION HAS BEEN CARRIED OUT IN ACCORDANCE WITH THESE INSTRUCTIONS. IF IN DOUBT PLEASE CONSULT YOUR LOCAL DEALER.
PREFACE
- In order to provide our customers with quality, reliability and versatility, this product has been made to strict production standards.
This manual includes all the necessary information about installation, debugging, discharging and maintenance. Please read this manual carefully before you open or maintain the unit.
The manufacture of this product will not be held responsible if someone is injured or the unit is damaged, as a result of improper installation, debugging, or unnecessary maintenance. It is vital that the instructions within this manual are adhered to at all times. The unit must be installed by qualified personnel. - The unit can only be repaired by qualified installer centre , personnel or an authorized dealer.
- Maintenance and operation must be carried out according to the recomended time and frequency, as stated in this manual.
- Use genuine standard spare parts only. Failure to comply with these recommendations will invalidate the warranty.
- Swimming Pool Heat Pump Unit heats the swimming pool water and keeps the temperature constant.
For split type unit, The indoor unit can be Discretely hidden or semi hidden to suit a luxury house. Our heat pump has following characteristics:- a. Durable
The heat exchanger is made of PVC & Titanium tube which can withstand prolonged exposure to swimming pool water. - b. Installation flexibility
The unit can be installed outdoors. - c. Quiet operation
The unit comprises an efficient rotary/ scroll compressor and a low-noise fan motor, which guarantees its quiet operation.
d. Advanced controlling
The unit includes micro-computer controlling, allowing all operation parameters to be set. Operation status can be displayed on the LCD wire controller. Remote controller can be chosen as future option.
- a. Durable
WARNING
Do not use means to accelerate the defrosting process to clean, other than those recommended by the manufacturer.
The appliance shall be stored in a room without continuously operating ignition sources (for example: open flames, an operating gas appliance or an operating electric heater.)
Do not pierce or burn.
Be aware that refrigerants may not contain an odour.
NOTE: The manufacturer may provide other suitable examples or may provide additional information about the refrigerant odour.
- This appliance can be used by children aged from 8 years and above and persons with reduced physical, sensory or mental capabilities or lack of experience and knowledge if they have been given supervision or instruction concerning use of the appliance in a safe way and understand the hazards involved.
Children shall not play with the appliance. Cleaning and user maintenance shall not be made by children without supervision. - If the supply cord is damaged, it must be replaced by the manufacturer, its service agent or similarly qualified persons in order to avoid a hazard.
- The appliance shall be installed in accordance with national wiring regulations.
- Before obtaining access to terminals, all supply circuits must be disconnected.
- Spaces where refrigerant pipes shall be compliance with national gas regulations. Servicing shall be performed only as recommended by the manufacturer.
The appliance shall be stored in a well-ventilated area.
All working procedure that affects safety means shall only be carried by competent persons. - Transport of equipment containing flammable refrigerants
Compliance with the transport regulations
Marking of equipment using signs
Compliance with local regulations - Disposal of equipment using flammable refrigerants Compliance with national regulations
- Storage of equipment/appliances
The storage of equipment should be in accordance with the manufacturer’s instructions. - Storage of packed (unsold) equipment
Storage package protection should be constructed such that mechanical damage to the equipment inside the package will not cause a leak of the refrigerant charge.
The maximum number of pieces of equipment permitted to be stored together will be determined by local regulations.
Caution & Warning
- Please make sure that the unit and power connection have good earthing, otherwise may cause electrical shock.
- Directive 2002/96/EC (WEEE):
The symbol depicting a crossed-out waste bin that is underneath the appliance indicates that this product, at the end of its useful life, must be handled separately from domestic waste, must be taken to a recycling centre for electric and electronic devices or handed back to the dealer when purchasing an equivalent appliance. - Directive 2002/95/EC (RoHs): This product is compliant with directive 2002/95/EC (RoHs) concerning restrictions for the use of harmful substances in electric and electronic devices.
- The unit CANNOT be installed near the flammable gas. Once there is any leakage of the gas, fire can occur.
- Make sure that there is circuit breaker for the unit, lack of circuit breaker can lead to electrical shock or fire.
- The heat pump is equipped with an over-load protection system. It does not allow for the unit to start for at least 3 minutes from a previous stoppage.
- Installation must be performed in accordance with local regulations by authorized person only.
- USE SUPPLY WIRES SUITABLE FOR 75℃ .
- Caution: Single wall heat exchanger, not suitable for potable water Connection.
CARTON CONTENTS
Before starting the installation, please make sure that all following items are found inside the box.
Carton Box | ||
| Item | Image | Quantity |
| Swimming pool heat pump |
| 1 |
| Operation and Installation Manual |
| 1 |
| Power Cable |
| 1 |
| Accessories | | 1 (Set) |
OVERVIEW OF THE UNIT
Model: Remora Mini H3, Remora Mini H5, Remora Mini H7

| Model | Remora Mini H3 | Remora Mini H5 | Remora Mini H7 |
| A | 433 | 636 | 696 |
| B | 372 | 471 | 519 |
| C | 397 | 497 | 544 |
| D | 445 | 648 | 710 |
| E | 320 | 320 | 340 |
| F | 61 | 61 | 61 |
| G | 220 | 300 | 350 |
EXPLODED VIEW

| 1 | Back grill | 9 | Fan grill |
| 2 | Top cover | 10 | Fan blade |
| 3 | Evaporator | 11 | Fan bracket |
| 4 | Compressor | 12 | Fan motor |
| 5 | Terminals block cover | 13 | Electrical box |
| 6 | Titanium heat exchanger | 14 | Side grill |
| 7 | Bottom plate | 15 | Right pillar |
| 8 | Front panel |
INSTALLATION AND CONNECTION
Typical Installation Illustration

Installation items:
The factory only provides the main unit, the other items in the illustration are necessary spare parts for the water system, that provided by users or the installer.
Attention:
Please follow these steps when using for the first time
- Open valve and charge water.
- Make sure that the pump and the water-in pipe have been filled with water.
- Close the valve and start the unit.
NOTES: It is necessary that the water-in pipe is higher than the pool surface.
The schematic diagram is for reference only. Please check the water inlet/outlet label on the heat pump while plumbing installation.
The controller could be mounted on the wall.
Swimming Pool Heat Pumps Location
The unit will perform well in any outdoor location provided that the following three factors are presented:
- Fresh Air
- Electricity
- Pool filter piping
The unit may be installed virtually anywhere outdoors. For indoor pools please consult the supplier. Unlike a gas heater, it has no draft or pilot light problem in a windy area.
DO NOT place the unit in an enclosed area with a limited air volume, where the units discharge air will be re-circulated.
DO NOT place the unit to shrubs which can block air inlet. These locations deny the unit of a continuous source of fresh air which reduces it efficiency and may prevent adequate heat delivery.
How Close To Your Pool?
Normally, the pool heat pump is installed within 7.5 metres of the pool. The longer the distance from the pool, the greater the heat loss from the piping.
Swimming Pool Heat Pumps Plumbing
The Swimming Pool Heat Pumps exclusive rated flow titanium heat exchanger requires no special plumbing arrangements except bypass. Since there is no residual heat or flame Temperatures, The unit does not need copper heat sink piping. PVC pipe can be run straight into the unit.
Location: Connect the unit in the pool pump discharge (return) line downstream of all filter and pool pumps, and upstream of any chlorinators, ozonators or chemical pumps.
Standard model have fittings which accept 32mm or 50 mm PVC pipe for connection to the pool or spa filtration piping.
Give serious consideration to adding a quick coupler fitting at the unit inlet and outlet to allow easy draining of unit for winterizing and to provide easier access that should servicing be required.
WARNING
- PLEASE USE ORIGINAL UNION FITTINGS IN THE CARTON.
- PLEASE CHECK IF RUBBER 0-RING INSTALLED ON THE CONNECTORS OR NOT
- PLEASE DON’T USE TAPE OR GLUE FOR CONNECTION.
- PLEASE HAND TIGHTEN THE CONNECTORS ONLY.
Condensation: Since the Heat pump cools down the air about 4 -5 , water may condense on the fins of the horseshoe shaped evaporator. If the relative humidity is very high, this could be as much as several litres an hour. The water will run down the fins into the basepan and drain out through the barbed plastic condensation drain fitting on the side of the basepan. This fitting is designed to accept 20mm clear vinyl tubing which can be pushed on by hand and run to a suitable drain. It is easy to mistake the condensation for a water leak inside the unit.
NB: A quick way to verify that the water is condensation is to shut off the unit and keep the pool pump running. If the water stops running out of the basepan, it is condensation. AN EVEN QUICKER WAY IS to TEST THE DRAIN WATER FOR CHLORINE – if the is no chlorine present, then it’s condensation.
Swimming Pool Heat Pumps Electrical Wiring
NOTE: Although the unit heat exchanger is electrically isolated from the rest of the unit, it simply prevents the flow of electricity to or from the pool water. Grounding the unit is still required to protect you against short circuits inside the unit.
Initial startup of the Unit
NOTE: In order for the unit to heat the pool or spa, the filter pump must be running to circulate water through the heat exchanger.
Start up Procedure – After installation is completed, you should follow these steps:
- Turn on your filter pump. Check for water leaks and verify flow to and from the pool.
- Turn on the electrical power supply to the unit, then press the key ON/OFF of wired controller, It should start in several seconds.
- After running a few minutes make sure the air leaving the top (side) of the unit is cooler (Between 5 ~ 10℃ )
- With the unit operating turn the filter pump off. The unit should also turn off automatically.
Time Delay- The unit is equipped with a 3 minute built-in solid state restart delay included to protect control circuit components and to eliminate restart cycling and contactor chatter. This time delay will automatically restart the unit approximately 3 minutes after each control circuit interruption.
OPERATING THE UNIT
This is achieved via the Digital Controller.
User interface

NEVER LET THE DIGITAL CONTROLLER GET WET. THIS MAY CAUSE AN ELECTRIC SHOCK OR FIRE.
NEVER PRESS THE BUTTONS OF THE DIGITAL CONTROLLER WITH A HARD, POINTED OBJECT. THIS MAY DAMAGE THE DIGITAL CONTROLLER.
NEVER INSPECT OR SERVICE THE DIGITAL CONTROLLER YOURSELF. REFER TO A QUALIFIED SERVICE ENGINEER.
Controller displayings guideline
- When Power ON and turn on the unit, the RED lamp is ON, after compressor running, the GREEN lamp will be ON.
- When turn off the unit, “OFF” will display on main interface screen, all indicator lamps will be OFF.
- Inlet water temp will display on main interface screen when unit is ON.
- Error code will display on main interface screen in case of failure.
Unit ON/OFF button- In main interface, press this button to turn ON / OFF unit.
- In parameter query / setting interfaces, press this button to go back to main interface.
Function button- Press this button for 5s to navigate parameters, combined with using
and
buttons to check parameters on different pages. - In this parameter query interface, press “ Set “ to enter parameter setting interface (At same time the parameter value is flashing.), combined with using
and
buttons to modify related parameter value, press “ Set “ again to save and go back to parameter query interface.
- Press this button for 5s to navigate parameters, combined with using
and
UP / DOWN buttons- In main interface, press
or
to set Target Water Temperature. - Combined with using “ Set “ button to set parameter values.
- In main interface, press
Parameter checking and adjustment
- Press
for 5s to navigate parameters, combined with using
and
buttons to check parameters on different pages. - In this parameter query interface, press “ Set “ to enter parameter setting interface (At same time the parameter value is flashing.), combined with using
and
buttons to modify related parameter value, press “ Set “ again to save and go back to parameter query interface.
Code | Parameter Name | Description | Range | Default |
| A | Heat Mode Water Temp Set | Set target water temperature when in Heat mode. | 15-40℃ | 27℃ |
| B | Temperature Differential | Set how much water temp difference to restart heat pump automatically again. i.e. Heat pump will stop heating once water temperature reaching to set water temperature 28℃ in heat mode (for instance). If this parameter is set to 2℃, heat pump won’t restart until water temperature drops to 26℃. | 1-10℃ | 2℃ |
| C | Lowest Ambient Temp Set | The lowest ambient temp allowed for heat pump running. Heat pump will shutdown for protection if actual ambient temperature is lower than this parameter value. | 0-15℃ | 5℃ |
| D | Temperature Differential in Low Ambient Temp Condition | Please refer to Column “ B “. | 1-15℃ | 2℃ |
| E | Power-off Data Protection | In case of Power failure, if system data will be automatically saved or not. | 0 / 1 | 1 (Auto save) |
| F | Temperature Deviation | The difference between actual temp and displaying temp. | -15- 15℃ | 0℃ |
| H | Inlet Water Temp | Display inlet water temperature. | -19- 99℃ | — |
| L | Ambient Temp | Display ambient air temperature. | -19- 99℃ | — |
| P | Reserved | Reserved for other use if needed. | — | — |
SYSTEM PROTECTIONS / ERROR CODES
When an error occurs or the protection mode is set automatically, the wired controller will display an error code as below.
Code | Failure | Possible reasons | Remedy |
| P 1 | Inlet water temp sensor failure |
|
|
| P 2 | Ambient temp sensor failure |
|
|
| P 3 | Too low ambient temp protection | This function occurs when ambient temp is too low. | Check if ambient temp is below 5℃. |
| P 5 | High pressure protection |
|
|
| E 5 | High pressure failure | Please refer to the above. | Please refer to the above. |
MAINTENANCE AND INSPECTION
- Check the water supply device and release often. You should avoid the condition of no water or air entering into system, as this will influence unit’s performance and reliability.You should clear the pool/spa filter regularly to avoid damage to the unit as a result of the dirty of clogged filter.
- The area around the unit should be dry, clean and well ventilated. Clean the side heating exchanger regularly to maintain good heat exchange as conserve energy .
- The operation pressure of the refrigerant system should only be serviced by a certified technician .
- Check the power supply and cable connection often. Should the unit begin to operate abnormally, switch it off and contact the qualified technician.
- Discharge all water in the water pump and water system , so that freezing of the water in the pump or water system does not occur. You should discharge the water at the bottom of water pump if the unit will not be used for an extended period of time. You should check the unit thoroughly and fill the system with water fully before using it for the first time.
- Checks to the area
Prior to beginning work on systems containing flammable refrigerants, safety checks are necessary to ensure that the risk of ignition is minimised. - Work procedure
Work shall be undertaken under a controlled procedure so as to minimise the risk of a flammable gas or vapour being present while the work is being performed. - General work area
All maintenance staff and others working in the local area shall be instructed on the nature of work being carried out. Work in confined spaces shall be avoided. The area around the workspace shall be sectioned off. Ensure that the conditions within the area have been made safe by control of flammable material. - Checking for presence of refrigerant
The area shall be checked with an appropriate refrigerant detector prior to and during work, to ensure the technician is aware of potentially flammable atmospheres. Ensure that the leak detection equipment being used is suitable for use with flammable refrigerants, i.e. non-sparking, adequately sealed or intrinsically safe. - Presence of fire extinguisher
If any hot work is to be conducted on the refrigeration equipment or any associated parts, appropriate fire extinguishing equipment shall be available to hand. Have a dry powder or CO2 fire extinguisher adjacent to the charging area. - No ignition sources
No person carrying out work in relation to a refrigeration system which involves exposing any pipework that contains or has contained flammable refrigerant shall use any sources of ignition in such a manner that it may lead to the risk of fire or explosion. All possible ignition sources, including cigarette smoking, should be kept sufficiently far away from the site of installation, repairing, removing and disposal, during which flammable refrigerant can possibly be released to the surrounding space. Prior to work taking place, the area around the equipment is to be surveyed to make sure that there are no flammable hazards or ignition risks. “No Smoking” signs shall be displayed. - Ventilated area
Ensure that the area is in the open or that it is adequately ventilated before breaking into the system or conducting any hot work. A degree of ventilation shall continue during the period that the work is carried out. The ventilation should safely disperse any released refrigerant and preferably expel it externally into the atmosphere. - Checks to the refrigeration equipment
Where electrical components are being changed, they shall be fit for the purpose and to the correct specification. At all times the manufacturer’s maintenance and service guidelines shall be followed. If in doubt , please consult the manufacturer’s technical department for assistance.
The following checks shall be applied to installations using flammable refrigerants:
a. The charge size is in accordance with the room size within which the refrigerant containing parts are installed.
b. The ventilation machinery and outlets are operating adequately and are not obstructed.
c. Marking to the equipment continues to be visible and legible. Markings and signs that are illegible shall be corrected.
d. Refrigeration pipe or components are installed in a position where they are unlikely to be exposed to any substance which may corrode refrigerant containing components, unless the components are constructed of materials which are inherently resistant to being corroded or are suitably protected against being so corroded. - Checks to electrical devices
Repair and maintenance to electrical components shall include initial safety checks and component inspection procedures. If a fault exists that could compromise safety, then no electrical supply shall be connected to the circuit until it is satisfactorily dealt with. If the fault cannot be corrected immediately but it is necessary to continue operation, an adequate temporary solution shall be used. This shall be reported to the owner of the equipment so all parties are advised.
Initial safety checks shall include:- That capacitors are discharged: this shall be done in a safe manner to avoid possibility of sparking.
- That there no live electrical components and wiring are exposed while charging, recovering or purging the system.
- That there is continuity of earth bonding.
- Repairs to sealed components
- During repairs to sealed components, all electrical supplies shall be disconnected from the equipment being worked upon prior to any removal of sealed covers, etc. If it is absolutely necessary to have an electrical supply to equipment during servicing, then a permanently operating form of leak detection shall be located at the most critical point to warn of a potentially hazardous situation.
- Particular attention shall be paid to the following to ensure that by working on electrical components, the casing is not altered in such a way that the level of protection is affected.
This shall include damage to cables, excessive number of connections, terminals not made to original specification, damage to seals, incorrect fitting of glands, etc.
Ensure that apparatus is mounted securely.
Ensure that seals or sealing materials have not degraded such that they no longer serve the purpose of preventing the ingress of flammable atmospheres. Replacement parts shall be in accordance with the manufacturer’s specifications.
NOTE: The use of silicon sealant may inhibit the effectiveness of some types of leak detection equipment. - Repair to intrinsically safe components
Do not apply any permanent inductive or capacitance loads to the circuit without ensuring that this will not exceed the permissible voltage and current permitted for the equipment in use.
Intrinsically safe components are the only types that can be worked on while live in the presence of a flammable atmosphere. The test apparatus shall be at the correct rating.
Replace components only with parts specified by the manufacturer. Other parts may result in the ignition of refrigerant in the atmosphere from a leak. - Cabling
Check that cabling will not be subject to wear, corrosion, excessive pressure, vibration, sharp edges or any other adverse environmental effects. The check shall also take into account the effects of aging or continual vibration from sources such as compressors or fans.
- Detection of flammable refrigerants
Under no circumstances shall potential sources of ignition be used in the searching for or detection of refrigerant leaks. A halide torch (or any other detector using a naked flame) shall not be used. - Leak detection methods
The following leak detection methods are deemed acceptable for systems containing flammable refrigerants.
Electronic leak detectors shall be used to detect flammable refrigerants, but the sensitivity may not be adequate, or may need re-calibration. (Detection equipment shall be calibrated in a refrigerantfree area.) . Ensure that the detector is not a potential source of ignition and is suitable for the refrigerant used. Leak detection equipment shall be calibrated to the refrigerant employed and the appropriate percentage of gas (25 % maximum) is confirmed.
Leak detection fluids are suitable for use with most refrigerants but the use of detergents containing chlorine shall be avoided as the chlorine may react with the refrigerant and corrode the copper pipework.
If a leak is suspected, all naked flames shall be removed/ extinguished.
If a leakage of refrigerant is found which requires brazing, all of the refrigerant shall be recovered from the system, or isolated (by means of shut off valves) in a part of the system remote from the leak. Oxygen free nitrogen (OFN) shall then be purged through the system both before and during the brazing process. - Removal and evacuation
When breaking into the refrigerant circuit to make repairs or for any other purpose. Conventional Bprocedures shall be used. However, it is important that best practice is followed since flammability is a consideration. The following procedure shall be adhered to:- Remove refrigerant
- Purge the circuit with inert gas
- Evacuate
- Purge again with inert gas
- Open the circuit by cutting or brazing
The refrigerant charge shall be recovered into the correct recovery cylinders. The system shall be “flushed” with OFN to render the unit safe. This process may need to be repeated several times.
Compressed air or oxygen shall not be used for this task.
Flushing shall be achieved by breaking the vacuum in the system with OFN and continuing to fill until the working pressure is achieved, then venting to atmosphere, and finally pulling down to a vacuum.
This process shall be repeated until no refrigerant is within the system. When the final OFN charge is used, the system shall be vented down to atmospheric pressure to enable work to take place. This operation is absolutely vital if brazing operations on the pipe-work are to take place.
Ensure that the outlet for the vacuum pump is not close to any ignition sources and there is ventilation available working on them.
- Labelling
Equipment shall be labelled stating that it has been de-commissioned and emptied of refrigerant. The label shall be dated and signed. Ensure that there are labels on the equipment stating the equipment contains flammable refrigerant. - Recovery
When removing refrigerant from a system, either for servicing or decommissioning, it is recommended good practice that all refrigerants are removed safely.
When transferring refrigerant into cylinders, ensure that only appropriate refrigerant recovery cylinders are employed. Ensure that the correct number of cylinders for holding the total system charge is available. All cylinders to be used are designated for the recovered refrigerant and labelled for that refrigerant (i.e. special cylinders for the recovery of refrigerant). Cylinders shall be complete with pressure relief valve and associated shutoff valves in good working order. Empty recovery cylinders are evacuated and, if possible, cooled before recovery occurs.
The recovery equipment shall be in good working order with a set of instructions concerning the equipment that is at hand and shall be suitable for the recovery of flammable refrigerants. In addition, a set of calibrated weighing scales shall be available and in good working order. Hoses shall be complete with leak-free disconnect couplings and in good condition. Before using the recovery machine, check that it is in satisfactory working order, has been properly maintained and that any associated electrical components are sealed to prevent ignition in the event of a refrigerant release. Consult manufacturer if in doubt.
The recovered refrigerant shall be returned to the refrigerant supplier in the correct recovery cylinder, and the relevant Waste Transfer Note arranged. Do not mix refrigerants in recovery units and especially not in cylinders.
If compressors or compressor oils are to be removed, ensure that they have been evacuated to an acceptable level to make certain that flammable refrigerant does not remain within the lubricant. The evacuation process shall be carried out prior to returning the compressor to the suppliers. Only electric heating to the compressor body shall be employed to accelerate this process. When oil is drained from a system, it shall be carried out safely. - Decommissioning
Before carrying out this procedure, it is essential that the technician is completely familiar with the equipment and all its detail. It is recommended good practice that all refrigerants are recovered safely. Prior to the task being carried out, an oil and refrigerant sample shall be taken in case analysis which is required prior to re-use of reclaimed refrigerant. It is essential that electrical power is available before the task is commenced.
a) Become familiar with the equipment and its operation.
b) Isolate system electrically.
c) Before attempting the procedure ensure that:- Mechanical handling equipment is available, if required, for handling refrigerant cylinders.
- All personal protective equipment is available and being used correctly.
- The recovery process is supervised at all times by a competent person.
- Recovery equipment and cylinders conform to the appropriate standards.
d) Pump down refrigerant system, if possible.
e) If a vacuum is not possible, make a manifold so that refrigerant can be removed from various parts of the system.
f) Make sure that cylinder is situated on the scales before recovery takes place.
g) Start the recovery machine and operate in accordance with manufacturer’s instructions.
h) Do not overfill cylinders. (No more than 80 % volume liquid charge).
i) Do not exceed the maximum working pressure of the cylinder, even temporarily.
j) When the cylinders have been filled correctly and the process completed, make sure that the cylinders and the equipment are removed from site promptly and all isolation valves on the equipment are closed off.
k) Recovered refrigerant shall not be charged into another refrigeration system unless it has been cleaned and checked.
- Charging procedures
In addition to conventional charging procedures, the following requirements shall be followed.- Ensure that contamination of different refrigerants does not occur when using charging equipment.
Hoses or lines shall be as short as possible to minimise the amount of refrigerant contained in them. - Cylinders shall be kept upright.
- Ensure that the refrigeration system is earthed prior to charging the system with refrigerant.
- Label the system when charging is complete (if not already).
- Extreme care shall be taken not to overfill the refrigeration system.
- Ensure that contamination of different refrigerants does not occur when using charging equipment.
Prior to recharging the system it shall be pressure tested with OFN. The system shall be leak tested on completion of charging but prior to commissioning. A follow up leak test shall be carried out prior to leaving the site.
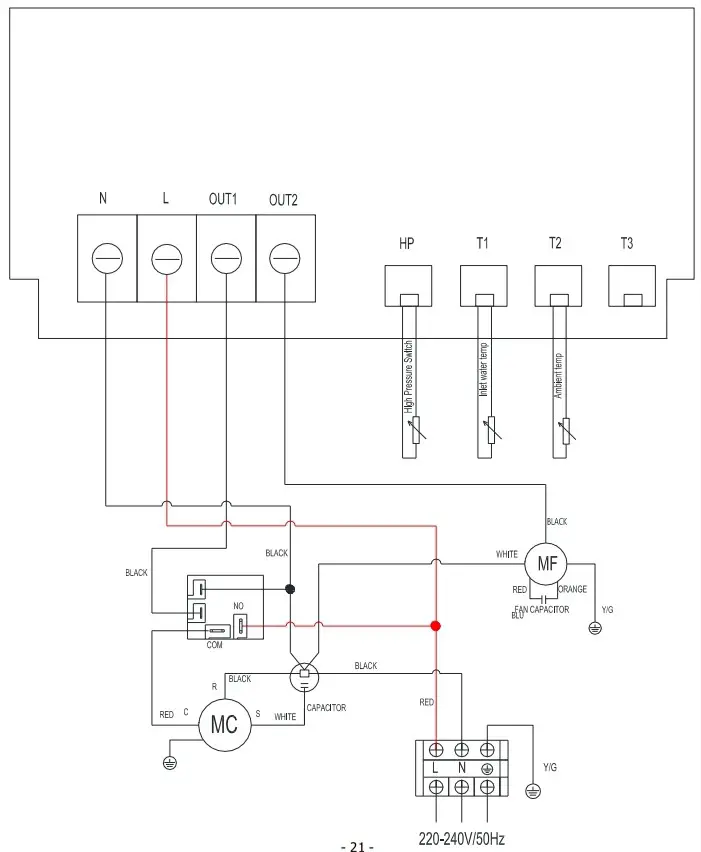
WIRING DIAGRAM & ELECTRICAL CONNECTION
Wiring diagram
Please refer to the wiring diagram on the electric box.
Models: Remora Mini H3, Remora Mini H5, Remora Mini H7
Support
Automated Environmental Systems Ltd., Unit 1,
1 Wimbledon Avenue, Brandon, Suffolk IP27 0NZ
01842 819130
[email protected]
The symbol depicting a crossed-out waste bin that is underneath the appliance indicates that this product, at the end of its useful life, must be handled separately from domestic waste, must be taken to a recycling centre for electric and electronic devices or handed back to the dealer when purchasing an equivalent appliance.


















